



第2章介绍了NPN晶体管,这是一种 双极性晶体管 (Bipolar Junction Transistor,BJT)。NPN晶体管之所以被称为双极性晶体管,是因为它的工作既依赖于正电荷载流子,又依赖于负电荷载流子。
在半导体中,电子作为负电荷载流子。半导体操作中不涉及带正电荷的物理粒子,相反,原子中电子丢失后表现出与带正电粒子相同的性质。这些缺失电子的原子称为空穴。空穴在双极性晶体管中作为正电荷载流子。
空穴的概念对于半导体操作非常重要。1950年,晶体管的发明者之一William Shockley出版了 Electrons and Holes in Semiconductors 。下面我们将研究在单极晶体管中正负电荷载流子的行为。
作为BJT晶体管结构的替代物, 单极晶体管 (unipolar transistor)仅依赖于一种电荷载流子。 金属氧化物半导体场效应晶体管 (Metal-Oxide-Semiconductor Field-Effect Transistor,MOSFET)是适合用作数字开关元件的单极晶体管。像NPN晶体管一样,MOSFET是三端器件,使用控制输入端来控制另外两端是否电流流过。MOSFET端口的名称分别栅极(gate)、漏极(drain)和源极(source),其中栅极控制电流在漏极和源极之间的流动。
MOSFET分为增强型器件和耗尽型器件两种类型。增强型MOSFET的工作方式为:当栅极电压为0时,漏极和源极之间截止;当栅极电压高于阈值电压时,漏极和源极之间导通。耗尽型MOSFET的工作方式正好相反:栅极电压为高时截止,栅极电压为0时导通。图4.1是n沟道增强型MOSFET的示意图。
图4.1 n沟道增强型MOSFET
n沟道增强型MOSFET可以用作开关:当栅极电压较低(低于阈值电压)时,漏极和源极之间的电阻非常大。当栅极电压较高(高于阈值电压)时,漏极和源极之间的电阻非常小。n沟道中的“n”指的是对硅沟道掺杂以产生更多数量的电子(负电荷载流子)。
MOSFET的这个行为类似于第2章中讨论的NPN晶体管的操作。但是,它们之间有一个关键的区别:MOSFET是电压控制的器件,而NPN晶体管是电流控制的器件。一方面,NPN晶体管的基极需要小而稳定的电流激活器件作为开关,使电流在发射极和集电极之间流动。另一方面,MOSFET需要在栅极上施加高于阈值的电压就可使电流在漏极和源极之间流动。栅极输入几乎不需要电流来使开关保持在打开状态。因此,与执行等效数字功能的NPN晶体管相比,MOSFET的功耗要少得多。
1959年,Mohamed Atalla和Dawon Kahng在贝尔电话实验室发明了MOSFET。直到20世纪70年代初,其生产工艺才成熟到足以支持MOS集成电路的可靠生产。从那时起,MOSFET一直是集成电路中最常用的晶体管类型。截至2018年,大约已经制造了13×1000 7 个晶体管(1000的7次方等同于1后面有21个0),其中99.9%是MOS晶体管。MOSFET是人类历史上生产的数量最多的器件。
p沟道增强型MOSFET与n沟道增强型MOSFET类似,不同之处在于它对栅极表现出相反的响应:栅极上的低电压允许电流在漏极和源极之间流动,若是高电压,则抑制漏极和源极之间的电流。p沟道中的“p”是指用于增加空穴(正电荷载流子)数量的沟道掺杂。图4.2是p沟道增强模式MOSFET的示意图。
图4.2 p沟道增强型MOSFET
在n沟道MOSFET和p沟道MOSFET的示意图中,源极都连接到了三个内部连接的中心。此连接上的方向箭头指向n沟道MOSFET的栅极,而背离p沟道MOSFET的栅极。
n沟道和p沟道增强型MOSFET都可用作常开开关,意味着栅极和源极电压差很小时不传输电流。n沟道和p沟道MOSFET也具有耗尽型模式,使得它们具有常关开关的功能。在耗尽型MOSFET中,当栅极-源极电压很小时晶体管导通,当栅极-源极电压较大时晶体管截止。
MOS晶体管一般使用n型和p型沟道对来实现逻辑功能。由MOS晶体管对组成的器件称为 互补 MOS(Complementary MOS,CMOS)器件。除非开关状态进行切换,否则CMOS电路几乎不消耗功率,因为栅极输入基本上不需要电流。1963年,仙童半导体公司的Chih-Tang Sah和Frank Wanlass开发了CMOS结构。
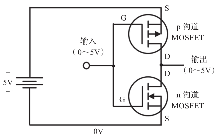
图4.3给出了一个非门电路,其中NPN晶体管被一对互补的MOSFET取代。
图4.3 CMOS非门电路
在图4.3中,当输入信号为低电平(接近0V)时,下面的n沟道MOSFET关闭,而上面的p沟道MOSFET导通,从而把输出连接到电源的正极,此时输出信号接近5V;当输入信号为高电平时,上面的p沟道MOSFET关闭,下面的n沟道MOSFET导通,输出信号降至接近0V。输出信号与输入信号的逻辑值始终相反,符合非门的定义。
如今,几乎所有的高密度数字集成电路都是基于CMOS技术实现的。除了执行逻辑功能外,MOSFET是现代随机存取存储器电路设计的关键器件。下一节将讨论MOSFET在存储电路中的使用。