购买
下载掌阅APP,畅读海量书库
立即打开
畅读海量书库
扫码下载掌阅APP

项目2.1
划线

2.1.1 划线概述

根据图样的尺寸要求,用划线工具在毛坯或半成品工件上划出待加工部位的轮廓线或作出基准的点、线的操作,称为划线。单件和中、小批量生产中的铸锻件毛坯和形状比较复杂的零件,在切削加工前通常需要划线。

划线一般分为平面划线和立体划线两种。平面划线是在工件或毛坯的一个平面上划线(见图 2.1(a))。例如,在板料上划线,在盘状工件的端面上划钻孔加工线等都属于平面划线。立体划线是平面划线的复合,是在工件或毛坯的几个表面上划线,即在工件的长、宽、高 3个方向划线(见图 2.2(b))。例如,划出支架、箱体等工件的加工界限,就属于立体划线。

图 2.1 划线

通过划线,可确定加工面的加工位置和加工余量,也可发现不合格的毛坯从而及时处理,还可通过借料划线使误差较大的毛坯得到补救。

划线除了要求划出的线条清晰均匀外,最重要的是要保证尺寸准确。划线发生错误或精度太低时,都可能造成加工错误而使工件报废。由于划出的线条有一定的粗细,而且在使用工具和量取尺寸时难免会存在一定的误差,故不能达到绝对的准确,一般划线精度要求为0.25~0.5 mm。因此,不能单靠划线直接来确定加工时的最后尺寸,而在加工时仍要通过测量才能确定工件的尺寸是否达到了图样的要求。

2.1.2 划线工具

划线的工具很多,按用途分为基准工具、量具、直接划线工具以及夹持工具等。

(1)基准工具

划线平台如图 2.2 所示,它用铸铁制成,是划线的主要基准工具。用来安放工件和划线工具,并在它上面进行划线工作。平台表面的平整性直接影响划线的质量,因此,它的工作表面经过精刨或刮削等精加工。为了长期保持平台表面的平整性,应注意以下一些使用和保养规则:

图 2.2 划线平台

①安装划线平台,要使上平面保持水平,以免倾斜后在长期的重力作用下发生变形。

②划线平台应按有关规定进行定期检查、调整、研修(局部),使其经常保持水平状态。

③使用时,要随时保持划线平板表面清洁,避免铁屑、灰砂等污物在划线工具或工件拖动时刮伤平台表面,同时也可能影响划线精度。

④工件和工具在划线平台上都要轻放,尤其要防止重物撞击平台和在平台上进行较重的敲击工作而损伤表面。大平台不应经常划小工件,避免局部表面磨损。

⑤划线结束后要把平台表面擦拭干净,并涂上机油,以防锈蚀。

(2)直接划线工具

直接划线工具有划针、划规、划卡、划针盘及样冲。

1)划针

划针(见图 2.3)是在工件表面划线的工具,常与钢直尺、90°角尺或划线样板等导向工具一起使用。对已加工面划线时,应使用弹簧钢丝或高速钢划针,直径为 3~6 mm,尖端磨成15°~20°的尖角,并经淬硬,这样就不易磨损变钝。划线的线条宽度应为 0.05~0.1 mm。对铸件、锻件等毛坯划线时,应使用焊有硬质合金的划针尖,以便保持长期锋利,划线的线条宽度应为 0.1~0.15 mm。钢丝制成的划针用钝后重磨时,要经常浸入水中冷却,以防针尖过热而退火变软。

用划针划线时,划针要依靠钢尺或直尺等导线工具而移动。左手要压紧导向工具,防止其滑动而影响划线的准确性,划针尖要紧靠导向工具的边缘,上部向外侧倾斜 15°~20°,沿划线前进方向倾斜 45°~75°,要尽量做到一次划成,以使线条清晰、准确(见图 2.4)。

图 2.3 划针

图 2.4 划针的用法

2)划规

划规是划圆或划弧线、等分线段及量取尺寸等操作所使用的工具。它用中碳钢或工具钢制成,两脚尖端部位经过淬硬并刃磨,有的在两脚端部焊上一段硬质合金,以减小在毛坯表面划圆时尖端磨钝。

钳工用的划规有普通划规(见图 2.5(a))、扇形划规(见图 2.5(b))、弹簧划规(见图 2.5(c))和长划规(见图 2.6)等。最常用的是普通划规。它结构简单,制造方便,适用性较广,但其两脚铆合处的松紧要恰当,太紧,调节尺寸费劲,太松,则尺寸容易变动。扇形划规上带有锁紧装置,当调节好尺寸后拧紧螺钉,尺寸就不易变动,最适用在粗糙的毛坯表面上划线。弹簧划规的优点是调节尺寸很方便,但划线时作圆弧的一只脚容易弹动而影响尺寸的准确性,因此仅适用在较光滑的表面上划线,而不适宜在粗糙表面上划线。长划规是专门用来划大尺寸圆或圆弧的,在滑杆上移动两个划规脚,就可得到一定的尺寸。

图 2.5 划规

图 2.6 长划规

划规用法与制图中的圆规类似,不同的是在工件上划线或作图等。用划规划圆时,作为旋转中心的一脚应施以较大的压力,对另一脚则施以较小的压力,这样可使中心不致滑移。划规两脚长度要一致,针尖要靠紧,以利于划小圆。两脚开合松紧要适当,以免划线时发生开合,从而影响划线质量。

3)划卡

划卡又称单脚划规,用来找圆形工件的中心或划平行线(见图 2.7)。划卡两脚要等长,针尖要经过淬火提高硬度,两脚开合松紧要适当,防止松动影响划线质量。操作时,要注意划卡的弯脚离工件端面的距离应保持每次基本相同,否则求出的中心要产生较大误差。

图 2.7 划卡

4)划线盘

划线盘分为普通划线盘(见图 2.8)和精密划线盘(见图 2.9)。它用来立体划线或工件位置的校正。

如图 2.8 所示,划针的直头端焊有硬质合金针尖,用来划线,而弯头端常用来找正工件的位置,如找正工件表面与划线平行等。

如图 2.9 所示,支杆装在跷动杠杆上,调整跷动杠杆的调整螺钉,可使支杆带着划针上下移动到需要的位置。这种划线盘多用在刨床、车床上校正工件位置。

图 2.8 普通划线盘

图 2.9 精密划线盘

1—支杆;2—划针夹头;3—锁紧装置;4—跷动杠杆;5—调整螺钉;6—底座

用划线盘划线时,划针基本上处于水平位置,不要倾斜太多;划针伸出的部分应尽量短,这样划针的刚度较大,不易产生抖动;划针的装夹也要牢固,避免在划线过程中尺寸变动;在拖动底座划线时,应使它与平板表面紧贴,而无摇晃或跳动现象;划针与工件划线表面之间沿划线方向要倾斜一定角度,这也可减小划针在划线时的阻力和防止扎入粗糙表面;为了使底座在划线时拖动方便,还要求底座与平板酌接触面都保持十分干净,以减少阻力。毛坯划线和半成品划线所用的划针、划线盘和划规不应混用;划线盘用完后,必须将针尖朝下;在成批划线时,为了减少反复调整划针的高度的时间,一般每一划线盘只划一个位置的尺寸线,所以需要多个划线盘。

5)样冲

样冲(见图 2.10)是在已划好的线上冲眼用的,以便保持牢固的划线标记,因工件在搬运、安装过程中可能把线条擦模糊。在使用划规划圆弧前,也要用样冲先在圆心上冲眼,作为划规脚尖的立脚点。

图 2.10 样冲及使用方法

1—轻冲;2—重冲

样冲用工具钢制成,并经淬火硬化。样冲的尖端一般磨成45°~60°。

用样冲冲眼时,要注意以下 4 点:

①冲眼应打在线宽的正中,使冲眼不偏离所划的线条,且应基本均布。

②冲眼间距可视线段长短决定。一般在直线段上冲眼的间距可大些;在曲线段上间距要小些;而在线条的交叉转折处,则必须要冲眼。

③冲眼的深浅要掌握适当。薄壁零件冲眼要浅些,以防损伤和变形;较光滑的表面冲眼也要浅,甚至不冲眼;而粗糙的表面要冲得深些。

④中心线、找正线、检查线、装配对位标记线等辅助线,一般应打双样冲眼。

(3)量具

1)高度游标卡尺

高度游标卡尺是精密量具之一。它既可用来测量高度,又可用来划线。划线精度可达0.1 mm左右。用高度游标卡尺划线时,划线量爪要垂直于划线表面一次划出,不得用量爪的两侧尖来划线,以免侧尖磨损,增大划线误差。游标卡尺是精密量具,不准用它划毛坯,只可用于工件已加工表面上划线。不用时,应清洁防锈,装在木盒中保管。

2)90°角尺

90°角尺是钳工常用的测量工具。它主要有圆柱角尺、刀口角尺、矩形角尺、铸铁角尺及宽座角尺。

常用的是宽座角尺(见图 2.11),用中碳钢制成,经过热处理和精密加工后,使两个工作面之间具有较精确的 90°角。它用来检验两个表面之间的垂直度误差。在划线时,常用作划垂直线或平行线时的导向工具,或用来找正工件在划线平板上的垂直位置。

3)划线尺架

划线尺架又称量高尺,用来夹持钢直尺的划线工具(见图 2.12)。在划线时,它配合划线盘一起使用,以确定划针在平板上的高度尺寸。

(4)夹持工具

1)V形架

V形架(见图 2.13)用于支承圆柱形工件,使工件轴心线与平台平面平行。V形架用铸铁或碳钢制成,相邻各面互相垂直,V形槽一般成 90°或 120°夹角。

图 2.11 宽座角尺

图 2.12 划线尺架

1—底座;2—钢板尺;3—锁紧螺钉;4—零点

在安放较长的圆柱工件时,需要选择两个等高的V形架(它们是在一次装夹中同时加工完成的),这样才能使工件安放平稳,保证划线的准确性。这种成对V形架不许单个使用。

2)划线方箱

划线方箱(见图 2.14)是一个空心的立方体或长方体,由铸铁制成。相邻平面互相垂直,相对平面互相平行。它用来支承划线的工件(通常是较小的或较薄的工件)。它还可依靠夹紧装置把工件固定在方箱上,划线时只要把方箱翻转 90°,就可把工件上互相垂直的线在一次装夹中全部划好。

图 2.13 V形架

图 2.14 划线方箱

3)千斤顶

千斤顶(见图 2.15)用来支承毛坯或形状不规勇的对线工件,并可调整高度,使工件各处的高低位置调整到符合划线的要求。

图 2.15 千斤顶

用千斤顶支承工件时,要保证工件稳定可靠。为此,要求 3 个千斤顶的支承位置离工件的重心应尽量远;在工件较重的部位放两个千斤顶,较轻的部位放一个千斤顶;工件上的支承点尽量不要选择在容易发生滑动的地方。

4)垫铁

垫铁(见图 2.16)也可用来支承和垫平工件,以便划线时找正。它使用时比千斤顶方便,但只能作少量的调节。垫铁一般用铸铁或碳钢制成。

图 2.16 垫铁

5)角铁

角铁(见图 2.17)由铸铁制成,通常要与压板配合使用,用来夹持需要划线的工件。它有两个互相垂直的平面。通过 90°角尺对工件的垂直位置找正后,再用划线盘划线,可使所划线条与原来找正的直线或平面保持垂直。角铁上的孔或槽是搭压板时穿螺钉用的。

图 2.17 角铁

图 2.18 C形夹钳

6)C形夹钳

C形夹钳(见图 2.18)用于在薄且面积大的工件上划线,把工件夹在直角板上划线。在工件上划与其底面垂直的线时,可将工件底面用压板或C形夹钳压紧在直角铁面上,直接用划线盘划出垂直线。

2.1.3 划线前的准备工作

划线前,要做好各种准备工作。首先要看懂图样和工艺文件,明确划线工作内容;其次要看毛坯或半成品的形状、尺寸是否与图样和工艺文件要求相符,是否存在明显的外观缺陷;最后将要用的划线工具擦拭干净,摆放整齐,并做好划线部位的清理和涂色等工作。

(1)工件的清理

毛坯上的残留的污垢、氧化皮、毛边、泥沙以及已加工工件上的切屑、毛刺等都必须清除干净,以保证涂色和划线的质量。

(2)工件的检查

划线工件清理后,要进行详细的检查,目的是认定零件上的气泡、缩孔、砂眼、裂纹、歪斜,以及形状和尺寸等方面的缺陷是否能够通过加工消除,确认不致造成废品后,再进行下一步工作,以免造成工时的浪费。

(3)划线部位的涂色

为了使划出的线条清晰,一般都要在划线部位涂上一层涂料。涂料应涂得薄而均匀,才能保证划线清晰,涂得太厚容易脱落。涂色所用的材料种类很多,常用的有以下 4 种:

1)白灰水

白灰加水混合而成是最简单的方法。

2)粉浆

用大白、桃胶加水煮沸而成,具有较好的附着力。

3)酒精色溶液

在酒精中加入适量的蓝基绿、青莲等色块和适量的漆片,合成酒精色溶液,具有很强的附着力,干得快,并可用酒精擦除。

4)硫酸铜溶液

每杯水中,加入 2~3 匙硫酸铜,再加入微量的硫酸,即可使用。硫酸铜溶液刷在工件表面上形成一层很薄的铜膜,划出来的线条十分鲜明、清晰。

(4)在工件孔中装中心塞块

在有孔的工件上划圆或等分圆周时,必须先求出孔的中心。为此,一般要在孔中装中心塞块。对于不大的孔,通常可用铅条敲入;较大的孔,则可用木料或可调节的塞块(见图2. 19)。

图 2.19 划中心孔用的塞块

2.1.4 划线基准的确定

基准是用来确定工件上几何要素间的几何关系所依据的那些点、线、面。设计图样上所采用的基准称为设计基准。划线时,也要选择工件上某个点、线或面作为依据,用它来确定工件其他的点、线、面尺寸和位置,这个依据称为划线基准。划线基准应包括划线时确定尺寸的基准(它应尽可能与设计基准一致)、划线工件在平板上放置或找正的基准,前者是主要的,后者是辅助的。

平面划线时一般要划两个互相垂直方向的线条。立体划线时一般要划 3 个互相垂直方向的线条。因为每划一个方向的线条,就必须确定一个基准。因此,平面划线时要确定两个基准,而立体划线时则要确定 3 个基准。

确定平面划线时的两个基准,一般可参照以下 3 种类型来选择:

(1)以两条互相垂直的边线作为基准

如图 2.20 所示,该零件上有垂直两个方向的尺寸。可知,每一方向的许多尺寸大多是依照它们的外缘线确定的(个别的尺寸除外)。此时,就可把这两条边线分别确定为这两个方向的划线基准。

(2)以两条互相垂直的中心线作为基准

如图 2.21 所示,该零件上两个方向的许多尺寸分别与其中心线具有对称性,其他尺寸也从中心线起始标注。此时,就可把这两条中心线分别确定为这两个方向的划线基准。

图 2.20 以两个互相垂直的平面为基准

(3)以互相垂直的一条直线和一条中心线作为基准

如图 2.22 所示,该零件上高度方向的尺寸是以底线为依据而确定的,此底线就可作为高度方向的划线基准;而宽度方向的尺寸对称于中心线,故中心线就可确定为宽度方向的划线基准。

图 2.21 两条中心线为基准

图 2.22 一个平面和一条中心线为基准

一个工件有很多线条要划,究竟从哪一根线开始呢?通常都要遵守从基准开始的原则,否则将会使划线误差增大,尺寸换算麻烦,有时甚至使划线产生困难和工作效率降低。正确地选择划线基难,可提高划线的质量和效率,并相应地提高毛坯合格率。当工件上有已加工面(平面或孔)时,应以已加工面作为划线基准,因为先加工表面的选择也是考虑了基准确定原则的。若毛坯上没有已加工面时,首次划线应选择最主要的(或大的)不加工面为划线基准,但该基准只能使用一次,在下一次划线时必须用已加工面作划线基准。

无论立体划线还是平面划线,它们的基准选择原则是一致的,一般首先应考虑与设计基准保持一致。所不同的只是把平面划线的基准线变为立体划线的基准平面或基准中心平面。

2.1.5 划线时的找正和借料

由于铸、锻件毛坯形状不太规则,往往存在形状歪斜、偏心、壁厚不均等缺陷,当形位误差不大时,可通过划线找正或借料的方法进行补救。

(1)找正

找正就是利用工具(如 90°角尺或划线盘等)使工件上有关的表面处于合适的位置。其目的如下:

①当毛坯工件上有不加工表面时,应按不加工面找正后再划线,可使待加工表面与不加工表面之间的尺寸均匀。如图 2.23 所示的轴承架毛坯,由于内孔与外圆不同心,在划内孔加工线之前,应首先以外圆为找正依据,用单脚划规求出其中心,然后按求出的中心划出内孔的加工线。这样,内孔与外圆就可基本达到同心。

同样,在划底面加工线之前,应首先以上平面 A (不加工面)为找正依据,用划线盘找正成水平位置,然后划出底面加工线。这样,底座各处的厚度就比较均匀。

图 2.23 轴承架毛坯

②当毛坯上没有不加工表面时,通过对各待加工表面自身位置的找正后再划线,可使各待加工表面的加工余量得到合理和较均匀的分布,而不致出现过多或过少的现象。当工件上有两个以上的不加工面时,应选择其中面积较大的、较重要的或外观质量要求较高的面为主要找正依据,兼顾其他较次要的不加工表面。使划线后各主要不加工表面与待加工表面之间的尺寸(如壳体的壁厚、凸台的高低等)都尽量达到均匀和符合要求,而把难以弥补的误差反映到较次要或不显目的部位上去。

(2)借料

当毛坯工件存在的误差和缺陷不太大或有局部缺陷时,通过调整和试划,使各待加工表面都有足够的加工余量,加工后误差和缺陷便可排除,或使其影响减小到最低程度。这种划线时的补救方法,则称为借料。

借料的具体方法可通过下面两例来说明。

①如图 2.24 所示的圆环,是一个锻造毛坯,内孔和外圆都需要加工。如果毛坯比较精确,划线工作比较简单。但如果毛坯由于锻造误差使外圆与内孔产生了较大的偏心,则划线就不是那样简单了。如图 2.24(a)所示,不顾及内孔去划外圆,内孔的加工余量就不够;反之,如果不顾及外圆去划内孔,则外圆的加工余量也要不够(见图 2.24(b))。因此,只有在内孔和外圆都兼顾的情况下,恰当地选好圆心位置,划出的线才能保证内孔和外圆都具有足够的加工余量(见图 2.24(c))。这就说明通过借料以后,使有误差的毛坯仍能很好地加以利用。当然,误差太大时也无法补救,只能报废。

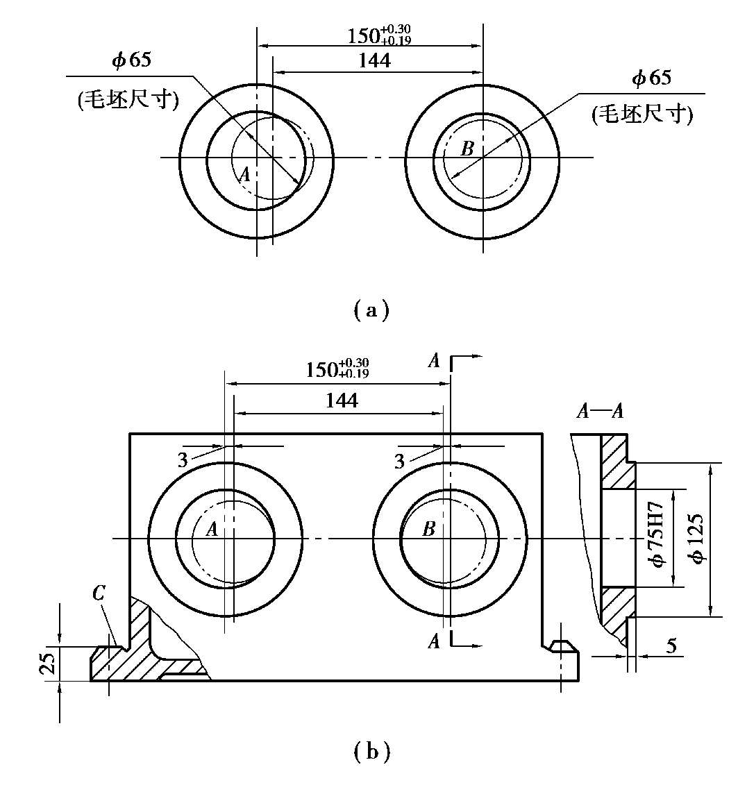
②如图 2.25 所示的齿轮箱体是一个铸件。由于铸造误差,使 A B 两孔的中心距由150 mm缩小为 144 mm( A 孔偏移 6 mm)。按照简单的划法,因为凸台的外圆 ϕ 125 mm是不加工的,为了保证两孔加工后与其外圆同心,首先就应以此两孔的凸台外圆为找正依据,分别找出它们的中心,并保证两孔中心距为 150 mm,然后划出两孔的圆周尺寸线 ϕ 75H7。

图 2.24 圆环划线的借料

但是,现在因 A 孔偏心过多,按上述简单方法划出的 4 孔便没有足够的加工余量(见图2. 25(a))。

图 2.25 齿轮箱体的划线

如果通过借料的方法来划线,即将 A 孔向左借过 3 mm, B 孔向右借过 3 mm,通过试划 A B 两孔的中心线和内孔圆周尺寸线,就可发现两孔都有了适当的加工余量(最少处约有2 mm,见图 2.25(b)),从而使毛坯仍可利用。当然,由于把 A 孔的误差平均反映到了 A B 两孔的凸台外圆上,因此,划线结果要使凸台外圆与内孔产生一定偏心。但这样的偏心程度仅对外观质量有些影响,一般还是符合要求的。

划线时的找正和借料这两项工作是有机地结合进行的。如上例的箱体除了 A B 两孔的加工线外,毛坯其他部位实际上还有许多线需要划(图中未把全部尺寸都注出)。在划底面加工线时,因为平面 C 面是不加工面,为了保证此不加工面与底面之间的厚度 25 mm在各处均匀,划线时要首先以 C 面为依据进行找正,而且在对 C 面进行找正时,由于必然会影响 A B 两孔中心的高低,就可能又要作适当的借料。因此,一定要在互相兼顾的基础上,把找正和借料结合起来进行,才能同时使有关的各方面都满足要求,只考虑某一方面,而把其他有关方面疏忽掉,是不可能做好划线工作的。

2.1.6 划线的步骤和实例

(1)划线的步骤

①看清楚图样,详细了解工件上需要划线的部位;明确工件及其划线有关部分在产品上的作用和要求;了解有关的后续加工工艺。

②确定划线基准。

③初步检查毛坯的误差情况。

④正确安放工件和选用工具。

⑤划线。

⑥仔细检查划线的准确性以及是否有线条漏划。

⑦在线条上冲眼。

划线工作不仅要求要认真细致(尤其是立体划线),同时还要求具备一定的加工工艺和结构知识,才能胜任,所以要通过实践锻炼和学习,逐步提高。

(2)平面划线实例

如图 2.26 所示为一种划线样板,要求在板料上把全部线条划出。具体划线过程如下:

①沿板料边缘用直尺划水平线,几何作图划另一边缘垂直线,完成基准线。

②划尺寸 42 和 75 的两条水平线;划尺寸 34 垂直线交 75 水平线于 O 1 点。

③以 O 1 为圆心、 R 78 为半径作弧并截 42 水平线得 O 2 点,通过 O 2 点作垂直线。

④分别以 O 1 O 2 点为圆心, R 78 为半径作弧相交得 O 3 点,通过 O 3 点作水平线和垂直线。

⑤划 ϕ 32、 ϕ 80、 ϕ 52、 ϕ 38 圆。

⑥把 ϕ 80 圆周作 3 等分,定 O 11 O 12 O 13 3 个圆心,划出 3 个 ϕ 12 圆。

⑦以 O 1 为圆心、 R 52 为半径划弧,以 O 11 为圆心、 R 12 为半径作 R 52 内切圆弧。

⑧以 O 3 为圆心、点 R 47 为半径划弧,与 R 20 圆弧外切。

⑨以 R 42 为半径,作圆弧,与水平、竖直基准线分别外切。

⑩在水平基准线截点 95,过点作直线与 R 47 圆弧相切。

⑪划线过程中找出圆心后,随即打样冲眼,以备划弧时圆规定心。

至此全部线条划完。

(3)立体划线实例

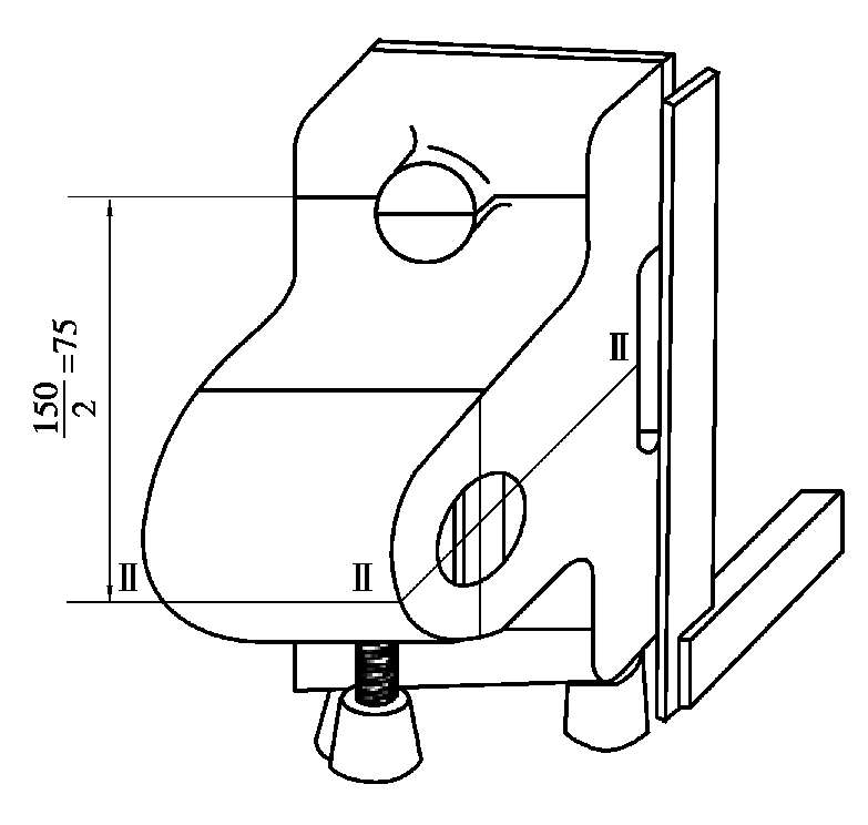
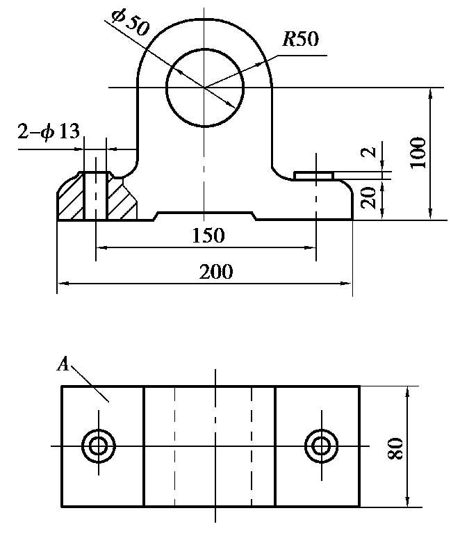
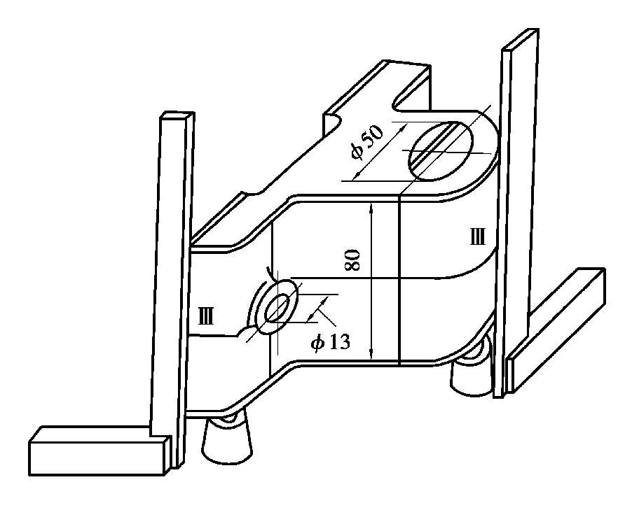
现以如图 2.27 所示的轴承座为例来说明其立体划线的方法。

此轴承座需要加工的部位有底面、轴承座内孔、两个螺钉孔及其上平面、两个大端面。需要划线的尺寸共有 3 个方向,工件要安放 3 次才能划完所有线条。

图 2.26 划线样板

划线的基准确定为轴承座内孔的两个中心平面Ⅰ—Ⅰ和Ⅱ—Ⅱ,以及两个螺钉孔的中心平面Ⅲ—Ⅲ(见图 2.28—图 2.30)。值得注意的是,这里所确定的基准都是对称中心假想平面,而不像平面划线时的基准都是一些直线或中心线。这是因为立体划线时每划一个尺寸的线,一般要在工件的四周都划到,才能明确表示工件的加工界线,而不是只划在一个面上,因此,就需要选择能反映工件四周位置的平面来作为基准了。

图 2.27 轴承座

图 2.28 划线面加工线

1)应划底面加工线(见图 2.28)

因为这一方向的划线工作将牵涉主要部位的找正和借料。先划这一方向的尺寸线可正确地找正好工件的位置和尽快了解毛坯的误差情况,以便进行必要的借料,防止产生返工现象。

先确定 ϕ 50 轴承座内孔和 R 50 外轮廓的中心,由于外轮廓是不加工的,并直接影响外观质量,因此应以 R 50 外轮廓为找正依据而求出中心,即先在装好中心塞块的孔的两端,用单脚划规或划规分别求出中心,然后用划规试划 ϕ 50 圆周线,看内孔四周是否有足够的加工余量。如果内孔与外轮廓偏心过多,就要适当地借料,即移动所求的中心位置。此时,内孔与外轮廓的壁厚如果稍为不均匀,只要在允许该范围内就可以了。

用 3 只千斤顶支承轴承座底面,调整千斤顶高度并用划线盘找正,使两端孔的中心初步调整到同一高度。与此同时,由于平面 A 也是不加工面,为了保证在底面加工后厚度尺寸 20在各处都比较均匀,还要用划线盘的弯脚找正 A 面,使 A 面尽量处于水平位置。但这与上述两端孔的中心要保持同一高度往往会有矛盾,而这两者又都比较重要,所以不应任意偏废某一方面,而是要两者兼顾,把毛坯误差恰当地分配于这两个方面。必要时,要对已找出的轴承座内孔的中心重新调整(即借料),直至这两个方面都达到满意的结果。此时,工件的第一划线位置便安放正确。

接着,用划线盘试划底面加工线,如果四周加工余量不够,还要把孔的中心抬高(即重新借料)。到确实不需再变动时,就可在孔的中心点上冲眼,并划出基准线Ⅰ—Ⅰ和底面加工线。两个螺钉孔上平面的加工线可以不划,加工时控制尺寸不难,只要使凸台有一定的加工余量就行。

在划Ⅰ—Ⅰ基准线和底面加工线时,工件的四周都要划到,这除了明确表示加工界线外,也为下一步划其他方向的线条以及在机床上加工时找正位置提供方便。

2)应划两螺钉孔中心线(见图 2.29)

因为这个方向的位置已由轴承座内孔的两端中心和已划的底面加工线确定,只需按下述方法校准就可:将工件翻转到图示位置,用千斤顶支承,通过千斤顶的调整和划线盘的找正,使轴承座内孔两端中心处于同一高度,即Ⅰ—Ⅰ基准平面与平板平行,并用 90 ° 角尺按已划出的底面加工线找正到垂直位置。这样,工件的第二划线位置已安放正确。

接着,就可划Ⅱ—Ⅱ基准线。然后再按尺寸划出两个螺钉孔的中心线。两个螺钉孔中心线不必在工件四周都划出,因为加工此螺钉孔时只需确定中心位置(可用单脚划规按两凸台外圆初定两螺钉孔的中心)。

3)划出两个大端面的加工线(见图 2.30)

将工件再翻转到图示位置,用千斤顶支承并通过调整和 90 ° 角尺的找正,分别使底面加工线和Ⅱ—Ⅱ基准平面处于垂直位置,这样,工件的第三划线位置的安放已正确。

接着,以两个螺钉孔的初定中心为依据,试划两大端面加工线。如果加工余量一面不够,则可适当调整螺钉孔中心(借料),当中心确定后,即可划出Ⅲ—Ⅲ基准线和两个大端面加工线。

图 2.29 划螺钉孔中心线

图 2.30 划大端面加工线

用划规划出轴承座内孔和两个螺钉孔的圆周尺寸线。

划线后应作检查,确认无错误也无遗漏。最后在所划线条上冲眼,划线便告完成。

2.1.7 分度头在划线工作中的应用

分度头是一种较准确的等分角度的工具。在钳工划线中常用它对工件进行分度划线。它的主要规格是以顶尖中心到底面的高度表示的。例如,FW125 即表示一种万能分度头,其中心高度为 125 mm。一般常见的型号有FW100,FW125,FW160 等。

(1)FW125 型万能分度头的结构

如图 2.31 所示为这种分度头的外形。它主要由主轴、底座、鼓形壳体、分度盘及分度叉等组成。

图 2.31 分度头外形图

1—顶尖;2—主轴;3—刻度盘;4—游标;5—敲形壳体;6—插销;7—手柄;8—分度叉;9—分度盘;10—缩紧螺钉;11—底座

分度头主轴 2 安装在鼓形壳体 5 内,主轴前端可装入顶尖 1 或安装三爪自走心卡盘(图中未画出)以装夹划线工件。鼓形壳体以两侧轴颈支承在底座 11 上,可绕其轴线回转,使主轴在水平线以下 6°至水平线以上 95°范围内调整一定角度。主轴倾斜的角度可从鼓形壳体侧壁上的刻度看出。若需要分度时,拔出插销 6 并转动手柄 7,就可带动主轴回转至所需的分度位置。手柄转过的转数,由插销 6 所对分度盘 9 上孔圈的小孔数目来确定。这些小孔在分度盘端面上,以不同孔数等分地分布在各同心圆上。FW125 型备有 3 块分度盘,供分度时选用,每块分度盘有 8 圈孔,孔数分别为:

第一块:16,24,30,36,41,47,57,59。

第二块:23,25,28,33,39,43,51,61。

第三块:22,27,29,31,37,49,53,63。

插销 6 可在手柄 7 的长槽中沿分度盘半径方向调整位置,以便插入不同孔数的孔圈内。

(2)简单分度法

钳工在划线工作中,主要是采用简单分度法。分度前,先用锁紧螺钉 10 将分度盘 9 固定使之不能转动,再调整插销 6 使它对准所选分度盘的孔圈。分度时,首先拔出插销,转动手柄7,带动分度头主轴转至所需分度位置,然后将插销重新插入分度盘孔中。

简单分度的原理是:当手柄转过 1 周,分度头主轴便转动 1/40 周。如果要求主轴上装夹的工件作 z 等分,即每次分度时主轴应转过 1/ z 周,则手柄每次分度时应转的转数为

2.1 要在一圆柱面上划出 4 条等分的平行于轴线的直线,求每划一条线后,分度头手柄应转几周后再划第二条线?

已知 z =4,代入上式得

即每划一条线后,手柄应转过 10 周再划第二条线。

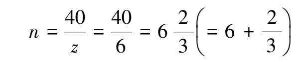
2.2 要在一圆盘端面上划出六边形,求每划一条线后,手柄应转几周后再划第二条线?

已知 z =6,则

即手柄应转过 周,圆盘(工件)才转过 周。

由上例可知,经常会遇到 z <40 的情况,这时可计算为

式中 a ——分度手柄的整转数;

P ——分度盘某一孔圈的孔数;

Q ——手柄在孔数为 Q 的孔圈上应转过的孔距数。

即手柄在转过整周后,还应在 Q 孔圈上再转过 P 个孔距数。具体方法如下所述:

上述例 2.2 中,手柄转过 6 周后,还要转 2/3 周。为了准确转过 2/3 周,此时可把分母扩大到分度盘上有合适孔数的倍数值。于是,2/3 便扩大为 16/24,即在 24 孔的孔圈上转过 16个孔距数。当然,2/3 也可扩大为 42/63(21 倍),即在 63 孔的孔圈上转过 42 个孔距数是同样准确的。还可扩大为其余多种倍数值,究竟选用哪一种较好?一般来说,孔数较多的孔圈,由于离轴心较远,摇动手柄比较方便,故应尽量选用它为好。

(3)分度叉的调整方法

分度叉 8(见图 2.31)是分度盘上的附件。它的作用能使分度准确而迅速。

分度叉的形状如图 2.32 所示。它由两个叉脚 1 和 2组成。两叉脚间的夹角可根据孔距数进行调整。在调整时,夹角间的孔数应比需转过的孔距数多一个,因为第一个孔是作零来计数的,要到第二个孔才算作一个孔距数。例如,要在 24 孔的孔圈上转 8 个孔距数,调整方法是先使定位销插入紧靠叉脚 1 一侧的孔中,松开螺钉 3,将叉脚 2 调节到第 9 个孔,待定位销插入后,叉脚 2 的一侧也能紧靠定位销时,再拧紧螺钉把两叉脚之间的角度固定下来。当划好一条线后要把分度叉调整到下一个分度位置时,可将分度叉的叉脚 1 转到叉脚 2 旁紧靠定位销的位置即可。此时,叉脚 2 也同时转到了后面 8 个孔距数的位置上(如图 2.32 中双点画线所示),并保持原来的夹角不变。

图 2.32 分度叉

(4)分度时的注意事项

①为了保证分度准确,分度手柄每次转动必须按同一方向。

②当分度手柄将转到预定孔位时,注意不要让它转过了头,定位销要刚好插入孔内。如发现已转过了头,则必须反向转过半圈左右后再重新细心转到预定的孔位。

③在使用分度头时,每次分度前必须先松开分度头侧面的主轴紧固手柄,分度头主轴才能自由转动。分度完毕后仍要紧固主轴,以防主轴在划线过程中松动。

复习题

1.零件加工以前为什么常常要先划线?

2.划线的准确程度对零件的加工精度有何影响?

3.什么叫平面划线?平面划线是否只是指在板料上的划线?

4.什么叫立体划线?立体划线时为什么只在一个表面上划线是不行的?

5.使用划线平板要注意哪些维护保养规则?

6.对划针的主要要求是什么?用划针划线时的要点是什么?

7.对划规的要求有哪些?用划规划圆时的要点是什么?

8.用划线盘划线时要掌握哪些要点?

9.用千斤顶支承工件时应注意哪些问题?

10.用样冲冲眼要注意哪些要点?

11.什么叫划线基准?平面划线和立体划线时各要确定几个基准?为什么?

12.为什么要确定划线基准?怎样确定平面划线时的两个基准?

13.划线时找正和借料的作用是什么?试结合实例说明。

14.划线工作的全过程包括哪些步骤?

15.立体划线时的 3 个基准为什么都是平面(或中心平面)而不是直线(或中心线)?

16.立体划线时 3 个划线位置是按什么原则决定其先后顺序的?

17.试述分度头的简单分度原理。

18.用简单分度法,分别求出 z =8, z =9 的手柄转数和孔距数。

19.用分度头划线时,要注意哪些问题? +qM5yAaay5bWbarXQshSMsSWjVgBDCyvVlHYdewxr+qr+PiRIu/3OdduEtvXQHjv

点击中间区域
呼出菜单
上一章
目录
下一章
×

打开