



元器件技术的发展和变化,直接促使电气互联技术的变革。表面贴装元件(Surface Mounted Component,SMC)和表面贴装器件(Surface Mounted Devices,SMD)的产生与发展使20世纪后期的电子产品发生了质的(性能提高)和量的(微型、轻量)突变,也使以SMT为代表的新一代组装技术得到了突飞猛进的发展。
1.片式元器件
片式元器件主要有以厚/薄膜工艺制造的片式电阻器和以多层厚膜共烧工艺制造的片式电容器,它们是开发最早和应用最广泛的片式元器件。随着对电子产品小型化、高性能、高可靠性、安全性和电磁兼容的需求,片式元器件进一步向小型化、多层化、大容量化、耐高压、集成化和高性能化方向发展。在铝电解电容和钽电解电容片式化后,高 Q (品质因数)值、耐高温、低失真的高性能多层陶瓷电容器、介质厚度为10μm和层数高达100层之多的电容器已商品化,出现了片式多层压敏和热敏电阻、片式多层电感器、片式多层扼流线圈、片式多层变压器等各种片式多层复合元器件,规格尺寸经历了从6432→5025→4832→3225→3216→2012→1608→1005→0603→0402→03015→008004的发展。国巨股份有限公司在2011年研发出03015贴片元器件并得到了应用,其贴片面积比0402贴片元器件减少了44%。在2014年,村田公司推出了008004多层陶瓷电容,这是目前已知尺寸最小的片式元器件。然而,片式元器件尺寸的继续减小会导致生产困难,同时增加了贴装工艺的难度。因此,现在的片式元器件也朝着片式组合元器件方向发展,如片式电阻网络、片式电容网络、片式电阻-电容(RC)滤波器、片式晶体振荡器等。此外,集成化也是片式元器件的一个新发展趋势,它能减少组装焊点数目和提高组装密度。集成化的元器件可使硅效率(芯片面积/基板面积)达到80%以上,并能有效地提高电路性能。由于不在印制电路板上安装大量的分立元器件,因此可极大地减少焊点失效引起的可靠性问题。
2.电子元器件的发展
电子元器件的发展历程可以追溯到20世纪初。1904年,英国物理学家弗莱明发明了世界上第一个电子二极管;1906年,美国发明家德福雷斯特在二极管内巧妙地添加了一种栅栏式的金属网,形成电子管的第三个极,从而发明了第一个真空三极管;1947年,美国物理学家肖克利、巴丁和布拉顿3人合作发明了晶体管。晶体管的发明替代了电子管,推动了电子元器件的发展,使得电子元器件变得更小、更轻,同时提高了电子元器件的可靠性和灵活性。随着科技的发展,电子元器件不断持续改进,从简单的电子管到复杂的晶体管、集成电路和微处理器,发展迅速。而电子元器件的发展离不开电子封装技术的发展。电子封装是衔接芯片与系统的重要界面,同时是电子元器件电路的重要组成部分。对电子产品而言,封装技术是非常关键的一环,封装工艺技术的进步推动着一代电子元器件、电路的发展,牵动着整机系统的小型化和整体性能水平的升级换代。下面将从封装工艺的角度对电子元器件的发展进行论述。
20世纪50年代,随着晶体管的发明与应用,晶体管外形(Transistor Outline,TO)封装开始得到发展,材质从塑料发展至金属。早期的晶体管大多采用同轴封装,后来被借鉴应用到光通信中,称为TO封装,这是最早的电子封装技术之一。常用的TO封装系列有TO-92、TO-252、TO-126等,如图1-7所示。由于TO封装具有易制造和低成本的优势,因此其霸占了主流的光器件市场应用。
图1-7 常用的TO封装系列
20世纪60年代,集成电路的发明使电子元器件的发展进入了新阶段,这些集成电路可以容纳更多的电子元器件,并且比晶体管更小、更轻。1964年,快捷半导体公司的Bryant Buck Rogers发明了第一个双列直插式封装(Dual In-line Package,DIP)元器件,其外形为长方形,有14个引脚,相较于更早期的圆形元器件,长方形元器件可以提高印制电路板中元器件的密度。一种标志性的DIP元器件—Intel 8008如图1-8所示,这是最早的现代微处理器之一。DIP是早期集成电路采用的封装技术,具有成本低廉的优势,其引脚数一般不超过100个,适合小型且不需要接太多输入/输出(I/O)口的芯片。但由于DIP大多采用塑料,散热效果较差,无法满足现行高速芯片的要求,因此目前这种封装元器件市场逐渐萎缩。同时期,飞利浦公司研制出可表面组装的纽扣状微型元器件供手表工业使用,这种元器件已发展成现在表面组装用的小外形集成电路(Small Outline Integrated Circuit,SOIC)。它的引线分布在元器件两侧,呈鸥翼形,引线的中心距为1.27mm(50mil),引脚数多达28个以上。SOIC是在小外形封装(Small Outline Package,SOP)的基础上发展而来的。除此之外,SOP还派生出J形引脚小外形封装(Small Outline J-Leaded Package,SOJ)、薄小外形封装、甚小外形封装(Very thin Small Outline Package,VSOP)、缩小型小外形封装、薄的缩小型小外形封装以及小外形晶体管封装等,它们在集成电路中都起到了举足轻重的作用。
图1-8 Intel 8008微处理器
20世纪70年代初期,日本开始使用QFP封装的集成电路来制造计算器。QFP的引脚分布在元器件的四边,呈鸥翼形,引脚的中心距仅为1mm(39.4mil)、0.8mm(31.5mil)、0.56mm(22mil)或更小,而引脚数可达几百个。由于QFP、SOIC都采用塑料外壳且不是全气密性元器件,很难满足军事要求。因此,美国研制出无引脚陶瓷芯片载体(Leadless Ceramic Chip Carrier,LCCC)气密性元器件,它以分布在元器件四边的金属化焊盘代替引脚。LCCC无引脚地组装在电路中,引进的寄生参数小,噪声和延迟特性有明显改善。然而,LCCC直接组装在基板表面,没有引脚来帮助吸收应力,因此,在使用过程中易造成焊点开裂。此外,由于使用陶瓷金属化封装,因此LCCC元器件的价格要比其他类型的器件价格高,这也一定程度地限制了它的应用。
20世纪80年代,从通孔插装型封装元器件向表面贴装型封装元器件的转变,从平面两边引脚型封装元器件向平面四边引脚型封装元器件发展。一些适应表面贴装技术的封装形式,如带引脚的塑料芯片载体(Plastic Leaded Chip Carrier,PLCC)、塑料方形扁平封装(Plastic Quad Flat Package,PQFP)、塑料小外形封装以及无引脚方形扁平封装等应运而生。20世纪80年代后期开发了MCM技术,它能够将多个裸芯片直接组装在同一基板以及同一壳体内。与一般SMT元器件相比,MCM元器件面积减小至原来的14%~25%,质量减轻至原来的25%以下。但是,MCM元器件要求使用经过测试并确认完全符合规格需求的芯片(Known Good Die,KGD),而KGD通常难以获得,这将导致MCM元器件成品率低。
20世纪90年代进入了VLSIC时代,特征尺寸缩小到0.18~0.25μm,这就要求集成电路封装向更高密度和更高速度的方向发展。因此,封装的引脚从平面四边引脚型向平面BGA型封装方向发展,引脚技术从金属引脚向微型焊球方向发展,其典型产品为BGA元器件和平面栅格阵列(Land Grid Array,LGA)元器件。其中,BGA元器件按封装基板不同可分为塑料球栅阵列(Plastic Ball Grid Array,PBGA)封装元器件、陶瓷球栅阵列(Ceramic Ball Grid Array,CBGA)封装元器件、载带球栅阵列(Tape Ball Grid Array,TBGA)封装元器件、带散热器球栅阵列封装元器件以及倒装芯片球栅阵列(FCBGA)封装元器件等。随着高密度集成电路的发展,在BGA的基础上又发展了芯片级封装(Chip Scale Package,CSP)技术。CSP元器件以其芯片面积与封装面积接近相等(日本电子工业协会对CSP的定义是芯片面积与封装尺寸面积之比大于80%,美国JEDEC给CSP的定义是芯片封装面积小于或等于芯片面积120%),可进行与常规封装IC相同的处理和试验,也可进行老化筛选,具备制造成本低等特点。1994年,日本各制造公司已有各种各样的CSP方案提出,1996年开始有小批量产品出现。
为了最终接近集成电路本征传输速率,满足更高密度、更高功能和更高可靠性的电路组装的要求,从20世纪90年代后期以来,裸芯片及其倒装芯片技术得到快速发展,其应用面已涉及微处理器、高速内存和硬盘驱动器、电话机和传呼机等。同时,由于电子产品对高性能的要求和小型化的发展趋势,大量使用裸芯片技术,以及与其他技术集合形成集成度和封装密度更高的系统级元器件或模块是一个必然的趋势。
21世纪后,电子元器件发展趋势是表面组装化、微型化、多芯片集成和系统元器件化,以及向扁平、窄小、细间距和多引脚、引脚阵列化方向进一步发展。元器件封装形式将在BGA、CSP、MCM等形式基础上向WLP、多芯片组装(MCP)、PoP、SiP、2.5D封装、3D封装等先进封装的方向发展。电子元器件及封装技术的发展历程与趋势如图1-9所示。
图1-9 电子元器件及封装技术的发展历程与趋势
2000年前后,WLP元器件问世,其具有较小的寄生电容和电感、较低的制造成本以及较好的散热性能等优势。WLP具有两种形式:扇入型WLP(Fan-In Wafer Level Package,FIWLP)和扇出型WLP(Fan-Out Wafer Level Package,FOWLP)。得益于WLP的使用,摩托罗拉(Motorola)推出了Razr手机且成为当时最薄的手机,苹果(Apple)公司推出的iPhone 14也采用了WLP技术。2016年,台积电在FOWLP的基础上,开发了集成式扇出型封装(Integrated Fan-Out Package,InFO)元器件,其可以理解为多个芯片的FOWLP工艺集成。2017年,三星(SAMSUNG)推出了扇出型面板级封装元器件,其借鉴了FOWLP的思路和技术,采用更大的面板,从而量产出数倍于300mm硅晶圆芯片的产品。2018年,Intel公司推出了EMIB元器件。相比于传统的SoC芯片(CPU、GPU、内存控制器以及I/O控制器等)只能使用一种工艺制造,采用EMIB技术可以将CPU、I/O、GPU、FPGA(现场可编程门阵列)等封装到一起,能够把10nm、14nm、22nm等多种不同工艺芯片封装制成单一芯片。
上述的先进封装元器件均是基于2D封装工艺制造的。2012年,台积电开发了2.5D封装技术并推出了CoWoS封装元器件,其通过把芯片封装到硅转接板(中介层)上,并使用硅转接板上的高密度布线进行互联,再安装到封装基板上,如图1-10所示。同年,美光联合三星、微软等推出了基于3D封装的HMC(混合内存立方体)元器件,其使用了堆叠的DRAM(动态随机存储器)芯片以实现更大的内存,应用于高端服务器市场。此外,Wide-IO(Wide Input Output)、高宽带内存(High-Bandwidth Memory,HBM)以及面对面异构集成芯片堆叠(Face to Face Chip Stack for Heterogeneous Integration,Foveros)等3D封装元器件也陆续研发出来。由于3D封装缩短了芯片之间的信号距离,元器件的数据传输速率和能效都能得到大幅提升。近年来,元器件逐渐朝着基于3D封装技术的方向发展,如2020年台积电推出的集成片上系统(System-on-Integrated-Chips,SoIC)元器件、三星推出的扩展立方体(eXtended Cube,X-Cube)元器件以及2022年Graphcore公司基于SoIC技术开发的全球首颗3D封装芯片“Bow IPU”等。
图1-10 CoWoS封装结构
互联基板技术即互联基板制造技术。互联基板作为电子信息时代最基础、最活跃的电子部件,是半导体芯片封装的载体、搭载电子元器件的支撑以及构成电子电路的基盘。小到芯片、电子元器件,大到电路系统、电子设备整机,从消费类到投资类电子产品、从民用到军用电子设备,互联基板均发挥着重要的功能和作用,是电子产业中不可缺少的组成部分。
互联基板按结构可分为封装基板、PCB以及特种基板等几大类。在封装基板的制造技术中,有厚/薄膜基板技术、共烧陶瓷基板技术以及内埋芯片基板技术。PCB在原有单面板、双面板以及多层板的基础上,又出现积层多层板,它是实现高密度布线的有效方式。积层多层板基板也被称为高密度互联(High Density Interconnection,HDI)基板。基于此,PCB互联基板技术包括单面PCB基板技术、双面PCB基板技术、多层PCB基板技术以及HDI技术。特种基板技术包括绝缘金属基板技术、金属芯基板技术、挠性和刚-挠结合特种基板技术、异形基板技术以及微波特种基板技术等。互联基板技术正向着高密度、高板厚/孔径比以及多层基板、金属基板、挠性基板、内埋基板等高性能和特殊用途基板的趋势发展。
1.元器件封装基板技术
元器件封装基板技术主要有陶瓷基板、低温共烧陶瓷(Low Temperature Co-fire Ceramic,LTCC)基板、内埋芯片基板以及厚(薄)膜多层基板等技术。目前,应用于陶瓷基板的内埋元器件技术已经相当成熟,它利用LTCC基板将需内埋元器件一起在基板内成型,适合应用在高频通信电路设计及射频模块等产品上;但由于制作过程中产生的高温以及陶瓷基板成本过高,普遍应用还受到限制。树脂基板内埋元器件技术也在快速发展中,因其具有低成本优势,将会大量取代以陶瓷为基板的内埋基板和元器件外露的基板。传统基板有导电、绝缘、支撑三大功能,当它实现了内埋元器件和IC芯片等电子组件之后,其功能便出现了转变,“基板”的概念也发生了变化。这种内埋组件的基板可以看作是元器件、组件和配线一体化的“功能板”,或者认为是“集成系统板”。内埋基板所要实现的技术,是SMT发展的“延长线”上所无法寻找到的技术。从它的材料开发到设计和制造方法,都要符合新的产品形式要求。为此,围绕它的工艺、设备、检查、修复等新技术的开发和基础设施的建立,都将成为本技术领域中非常重要的课题。
2.PCB技术的发展
PCB技术在受到手机小型化、多功能化的驱动下,朝着更细的线路、更小的孔、更高的互联密度方向发展。其代表性的技术为HDI技术,目前有40%以上的手机板采用了全积层的HDI技术,如图1-11所示。此外,PCB技术与产品技术(如埋铜/嵌铜、埋置元器件等)进行进一步融合(见图1-12和图1-13),广泛地应用于通信产品中。这类PCB也可归类于特殊类别的PCB。
图1-11 全积层HDI PCB
图1-12 埋铜/嵌铜PCB
图1-13 埋置元器件PCB
目前高水准的多层PCB布线图形设计技术,其导体线宽和间距已达到50μm和25μm的微细化水平,在集成电路的引脚之间,可以通过5条以上印制导线。以BGA、CSP为典型代表的塑料封装基板得到了迅速发展。一些采用不含溴(Br)、锑(Sb)的绿色阻燃的新型基板迅速兴起和走向市场。十几层基板的生产和应用已较普遍,也有三四十层的应用实例,日本日立公司已能生产60层以上的陶瓷PCB,但常用的还是几层的基板,挠性、刚-挠结合、柔性、金属基等类型基板的应用也还较少。
高密度布线还要求缩小通孔的孔径,传统的钻孔加工技术已不能适应,为此,化学加工法和激光技术得以应用。传统布线图形采用的光刻法精度有限,现已使用激光直接成像技术,它无须制作图形底片和制版,可以通过计算机辅助设计(Computer Aided Design,CAD)或计算机辅助制造(Computer Aided Manufacturing,CAM)系统直接绘制出超精密布线图形,这缩短了设计和生产周期。为适应BGA和CSP等新型封装的实用化,已采用焊料预涂覆工艺新技术,可以在窄间距焊盘上形成高度任意、尺寸一致的焊点。
电子元器件如同电路设备的细胞,板级组装技术是电子设备制造的基础。不同类型的电子元器件的出现必然导致板级组装技术的变革。
1.高密度板级组装互联技术
与集成电路兴起同时出现的通孔插装技术(THT),随着大规模集成电路(Large Scale Integration,LSI)的蓬勃发展,被第一代SMT所代替。以QFP为代表的周边引脚型封装成为当时的主流封装技术。20世纪90年代后,随着QFP的细间距化,板级组装技术面临新的挑战,特别是间距在0.4mm以下的板级组装良率难以突破。为了解决高密度板级组装的工艺问题,最理想的解决方案是20世纪90年代前期美国提出的BGA封装技术以及进一步微型化的CSP封装技术,它们成为20世纪90年代末人们关注的焦点。例如,组装实用化困难的400针以上的QFP由焊球间距为1.0~1.5mm的PBGA和TBGA所代替,成为这类元器件组装的主流。由于IC封装一直落后于IC芯片本身固有的能力,为了减小裸芯片和封装芯片之间的性能差距,促进了新的设计和新的封装技术的发展。在新的封装设计中,CSP包含两个或两个以上的芯片,相互堆积,通过线焊或倒装焊接技术实现芯片间的高密度互联,进一步减小了元器件质量和所占空间。而FCBGA在芯片和封装基板的连接上采用了倒装焊接技术,在超级计算机、工作站中得到应用。为了满足半导体器件多针化和高性能化的要求,提出了第三代SMT,即直接芯片板级组装,其代表的封装技术有晶圆级封装(WLP)和倒装芯片(FC)。这些技术将进一步提高板级组装的密度。
2.焊料的无铅化
先进制造的绿色化是大势所趋,板级组装技术也向着绿色化发展,特别是焊料的无铅化。
目前运用最广的无铅焊料是Sn-Ag-Cu(简称SAC)合金,其具有与Sn-Pb焊料差异巨大的物理特性。例如,熔点,SAC的熔点基本在217~221℃范围内,比传统的共晶Sn-Pb焊料的熔点高30℃;润湿性,SAC在Cu表面的润湿角为35°左右,比Sn-Pb(18°)高出近一倍,即润湿能力弱;凝固特性复杂,Sn-Pb焊料为共晶或准共晶焊料,凝固特性简单,SAC存在Cu、Sn、Ag等多元化合物的先后析出过程,并且凝固组织与过冷度等关系密切,凝固特性复杂。这些物理特性给组装工艺带来了一系列的影响。
无铅化引起的变化如下。
(1)工艺窗口变窄。再流焊工艺中的峰值温度、液相线以上时间等关键变量需严格控制,以减少对元器件和板材的热冲击。焊料温度的提高使得焊接温度的工艺窗口减小,由有铅工艺的50℃减小到15℃,如图1-14所示,同时返修将变得更加困难。除此之外,温度的提高对于焊料的设计,以及元器件的湿度、温度的敏感程度均有一定的影响。
图1-14 焊接温度工艺窗口
(2)材料的兼容性问题。焊盘与元器件电极(包括引脚和焊端的形式)的表面处理多元化,出现了兼容性的问题。在有铅工艺时代,PCB焊盘的表面处理绝大部分是63Sn-37Pb,而在无铅工艺条件下,仅PCB使用的表面处理就有化学镍/浸金(Electroless Nickel/Immersion Gold,ENIG)、有机可焊性保护涂层(Organic Solderability Preservative,OSP)、浸银(Im-Ag)工艺和化学沉锡工艺等,元器件电极使用的镀层种类更多。这就有一个兼容性的问题,包括工艺的兼容性(如BGA焊球熔化与不熔化)、镀层的兼容性(如使用Sn-Bi合金焊料时,元器件电极表面镀层中不能使用含铅的成分)。
此外,无铅化还带来焊剂、设备、元器件等相应的耐高温问题,各类无铅工艺缺陷以及有铅与无铅的混合组装工艺、检测、返修、清洗工艺、潜在的锡须等可靠性问题。
3.低温组装
为了延续甚至超越摩尔定律,板级电路的组装密度不断提高,这也导致其功率以及服役温度不断提高,传统的电子组装技术已很难满足电子元器件“低温组装,高温服役”这一要求。采用低温电子组装技术能够解决电子元器件在组装过程中因温度过高而引起的可靠性问题,同时能满足其在高温环境下稳定服役。
在电子产品的制造过程中,芯片的集成与封装一直以来都是行业的焦点,由于芯片与封装体存在热膨胀系数(Coefficient of Thermal Expansion,CTE)差异,在组装温度很高的情况下产生的热应力会降低其可靠性,甚至导致电路失效。近年来,低温组装逐渐成为行业主流,其相关研究已在中国、美国、日本及欧洲等诸多大学和研究机构中广泛开展。降低组装温度的方法主要包括以下3种。
(1)采用超声辅助、激光瞬时加热或局部加热等特殊的低温组装方法。
(2)选用低熔点的焊料、纳米焊料或混合焊料等低温焊接材料。
(3)表面活化处理、表面纳米化(图形+结构)或表面无氧保护等母材表面处理技术。
1)低温组装方法
用于低温组装的方法主要包含超声互联技术、飞秒激光技术以及局部加热技术等。
超声互联技术具有连接时间短、温度低、压力小、接头导电性能好和机械性能好以及对环境友好等优点,广泛应用于电子封装领域。其原理是:当超声波作用于液体(或熔体)焊料时,液体内局部出现拉应力而形成负压,压强的降低使原来溶于液体的气体过饱和而从液体中逸出,形成小气泡,这些小气泡在超声波作用下产生振动,当声压达到一定值时,气泡将迅速膨胀,然后突然闭合,在气泡闭合时产生的冲击波可形成瞬时的高温高压,使得某些在常温常压条件下不能够发生的化学反应得以进行,或者使一些本来熔点较高的焊料局部熔化并形成结合,这种作用称为超声的“空化效应”;当超声波作用于固体焊料时,在超声振荡下,焊料与母材发生激烈碰撞,若焊料是固体颗粒,则将加速破除氧化膜,超声的高能量和焊料颗粒的高活性引发并加速界面反应。超声互联技术主要是运用上述超声波在液体或熔体中产生的空化效应和在固体中对固体焊料颗粒以及母材表面氧化膜的破除作用,所以在连接过程所需额外施加的温度较低,从而实现低温组装。超声互联技术主要应用于与Al和Cu等金属材料基板以及陶瓷材料之间的连接。
飞秒激光应用于低温组装主要有以下两个机制。
(1)用于制备连接母材表面的微纳结构,即利用飞秒激光超短的脉冲持续时间和极高的辐照强度,通过调整激光功率、扫描速度和扫描间隔等加工参数,可以对材料表面进行处理或改性,进而方便地在材料表面制备出微纳结构。例如,当中间焊料使用烧结纳米Ag浆时,通过制备Cu微锥阵列微纳结构(见图1-15),在较低的连接温度和外加压力下纳米Ag浆便可以烧结成型,并与Cu微锥阵列形成良好的结合。
图1-15 飞秒激光辐射后的Cu界面的扫描电子显微镜(SEM)图
(2)利用激光产生的巨大热量,达到瞬时加热的目的。由于激光瞬时加热具有功率密度高、加热迅速和热影响区小等特点,在总热量较低的情况下能完成连接。
局部加热技术是指在封装过程中使热量仅集中在键合区的微小局部,虽然有部分热量会从加热键合区传导出来,但由于加热时间短、热容量有限,衬底仍然保持低温,因此能有效避免高温对温度敏感部件的不利影响,降低键合热应力,从而提高封装质量和成品率。此外,局部加热也能降低整体加热组装过程中母材间的杂质扩散,提高元器件性能。局部加热技术通常采用电磁局部感应或激光加热的方式实现连接,有效避免高温对温度敏感的芯片或电路造成损坏。
此外,搅拌摩擦钎焊以及脉冲电流键合(又称为火花等离子烧结)也可作为电子元器件的低温板级组装工艺。
2)低温焊接材料
用于板级组装互联的低温焊接材料可以分为3类:本身具备低熔点的焊料,如Sn-Bi和Sn-In焊料等;纳米材料,如Ag、Cu纳米尺度的焊料等;混合焊料,即包含纳米和微米尺寸颗粒的焊料。
与Sn-Pb(熔点为183℃)和Sn-3.0Ag-0.5Cu(熔点为217℃)焊料相比,Sn-Bi和Sn-In焊料共晶成分的熔点分别为138℃与118℃,是低温电子封装技术的理想焊料。然而,Sn-Bi合金太脆,Sn-In合金太软,均具有一定局限性。为了改善它们的力学性能,通常会在焊料合金中添加一些如Cr、Cu、Ag等的微量元素以及纳米材料。
纳米材料是指三维空间尺度至少有一维处于纳米量级(1~100nm)的材料,它是由尺寸介于原子、分子和宏观体系之间的纳米粒子所组成的新一代材料。纳米材料具有许多特性,如体积效应、表面效应、量子尺寸效应等。由于这些效应,纳米材料有着与普通材料不同的物理或化学性质。例如,当Ag颗粒尺寸达到纳米级别后,其熔点会显著降低至100℃左右,故可用低温烧结纳米Ag颗粒作为电子组装中材料的黏结层。除了纳米Ag,还有纳米Cu以及金属膜、有机盐等包裹的纳米颗粒。运用纳米材料的结构和物化特性,可以在较低的温度下达到金属熔点或实现原子扩散和再结晶形成连接,使器件的封装温度和性能得到大幅改进。但该类技术过分依赖纳米材料的制备,纳米材料的性质在很大程度上决定了连接的可靠性。
纳米颗粒和微米颗粒混合可以同时弥补两种不同粒径焊料的不足,如纳米颗粒可以使烧结接头更为致密,提高接头连接性能,而微米颗粒可以减轻烧结时颗粒的团聚和裂纹的形成,如纳米Ag颗粒与微米Ag颗粒混合、纳米Cu颗粒与微米Cu颗粒混合等。此外,还可以在瞬时液相键合(TLPB)中通过在被连接母材中间加入低熔点的中间层,使中间层与部分母材表面反应,或者在中间层中加入其他金属颗粒以及其他中间层形成混合焊料,在加热过程中,中间层与母材部分熔化,通过重新凝固或扩散作用生成高熔点的金属间化合物(Intermetallic Compound,IMC)或固溶体而形成连接,从而降低焊接温度。
3)母材表面处理
对母材表面处理也是实现低温组装的一种途径。常用的母材表面处理有:表面活化处理;表面纳米化。母材表面活化键合技术是通过氩(Ar)原子或离子高速轰击材料表面,使材料表面具有高活性以及材料表面的有机物及杂质在真空环境下分解;然后通过施加一定压力,使两个已被活化的表面在真空环境中紧密接触,依靠化学键的作用,使表面能量降低,实现原子尺度上的牢固结合,在低温条件下就能达到良好键合强度的真空低温键合方法。该方法可以应用于陶瓷材料与陶瓷材料、金属材料与金属材料、陶瓷材料与金属材料的低温键合,如图1-16所示。母材表面活化键合技术要求极高的真空系统,因此生产成本较高。母材表面纳米化是指在母材表面溅射纳米连接层或形成纳米尺寸结构,利用纳米材料特殊的物化性质,同样能达到降低组装温度、提高连接可靠性的目的。
4.电子封装/组装技术的融合
除了上述3点,如今元器件级互联也正朝着与板级组装互联相互融合的趋势发展。近年来,在封装行业中,MCM技术和SiP技术发展迅速,特别是芯片堆叠(3D封装)技术的兴起使半导体技术发展出现新的增长点,3D IC成为目前延续摩尔定律的关键。无论是MCM、SiP,还是3D IC,其技术范畴已经超出传统封装技术,开始向组装技术渗透与延续。在器件级封装和板级组装方面,对于MCM和SiP,均有经典的封装技术用于微组装或高密度组装,也有组装技术直接运用于MCM或SiP中,或者将两者混合集成使用形成系统级产品或模块或结构功能一体化产品。一方面采用硅通孔和多层PCB实现多芯片之间互联;另一方面采用SMT技术把不容易集成的无源元器件组装到封装基板上,在一个封装模块内集成不同工艺和材料的半导体芯片以及无源元器件,形成一个功能强大的功能模块或系统级电路模块。现在有些产品的制造既可以先封装后组装,也可以直接组装。例如,SiP产品,既可以由半导体封装厂完成系统封装(如BGA、CSP等),然后通过SMT将SiP元器件装配到印制电路板上,也可以在SMT车间进行芯片和其他元器件的2D或3D装配,将SiP系统嵌入到终端产品中。这种技术的集成浓缩和交汇将是未来微小型化、多功能化产品制造的发展趋势。传统的观念认为封装技术属于半导体制造,其尺寸精度和技术难度高于组装技术,属于高技术范畴,而组装技术则属于工艺范畴。但是在电子产品微小型化和多功能化市场需求的强力推动下,特别是近年兴起的多芯片、模块化的3D封装/组装技术,其实质上是封装技术和组装技术的综合应用,从而使“封装”和“组装”的界限日益模糊,二者正在向着交汇的方向发展。这种技术的融合,在封装领域称为模块化多芯片3D封装,而在组装领域称为微组装,其实二者是殊途同归,如图1-17所示。
图1-16 Cu-Cu、SiO 2 -SiO 2 、Cu-SiO 2 接头的单步活化、协同活化和低温键合过程
图1-17 封装技术与组装技术的融合示意图
1)1.5级封装—板上芯片
板上芯片(COB)是一种典型的介于封装和组装之间的制造技术,它是将裸芯片直接安装到PCB上,而不是先“封装”后组装到PCB上。COB的制造工艺与传统裸芯片封装相似,只是封装基板换成了常规PCB,通过打线、载带或倒装芯片的方式使裸芯片直接连接到电路中。为了保护裸芯片不受环境影响,防止芯片和连接线损坏,需要用胶把芯片和键合引线包封起来。COB工艺也称为“邦定”(Bonding),用COB工艺提供的集成电路或电路模块也称为“软包封”或“软封装”电路。由于传统封装成本较高,一般占集成电路总成本的40%,甚至更高,采用COB技术省去了封装成本,可显著降低产品制造成本,在大批量生产时尤为突出。此外,COB连接技术是封装技术中比较成熟的技术,相应的工艺、设备都可使用,不存在技术难题。由于COB技术兼有封装技术与组装技术要素,介于1级封装和2级封装之间,因此又称为1.5级封装。
2)封装/组装技术交融—微组装
微组装的概念产生于20世纪80年代,当时是作为SMT之后一个新的技术分支提出的,一直没有明确的界定。微组装有两个英文缩写:MPT(Micro Packaging Technology)和MAT(Micro Assembling Technology)。现在中文一般把“Packaging”译为“封装”、“Assembling”译为“组装”,由此也可看出封装与组装并没有严格的界限。有关微组装技术目前有以下3种说法。
(1)微组装是组装技术的一个类型。这种说法把组装技术按照工艺精度分为几种类型,即根据集成电路引线间距尺寸或元器件相互距离以及基板单位面积上焊点数目进行分类(见图1-18)。
图1-18 电子组装技术的分类
在上述分类中,“微组装”和“高密度组装”是从不同角度区分的,二者在有些情况下可能相互覆盖。实际上,当0603、0402(公制)片式元器件应用之后,元器件间距已经小于0.3mm,但人们并没有认为已进入了微组装技术领域。
(2)微组装技术实质上就是高密度组装技术。随着多芯片组件、倒装芯片和多层陶瓷基板技术的发展,在高密度多层互联电路板上,运用组装工艺和封装工艺把微小型电子元器件组装成高密度、高速度、高可靠性立体结构的电子产品,这种高密度组装技术就是微组装技术。这种说法对于“高密度组装”的概念超出了前面“基板单位面积上焊点数目”的定义,有了“立体组装”的新概念。显然,这是将组装和封装融合在一起的说法。
(3)微组装技术是SMT发展的高级阶段。这种说法认为微组装技术是SMT发展到微尺寸组装的高级阶段,指最小组装元素的尺寸在数微米到100μm之间,以板上芯片、芯片堆叠、倒装芯片、多层高密度基板等为基础技术,不采用常规SMT工艺完成组装的高密度组装技术。其包括板上芯片、多芯片组件、系统级封装、3D封装/组装等1级、2级封装混合的技术集成,可以理解为除半导体裸芯片制造工艺之外的微电子产品制造技术或是SMT之后的新一代组装技术。
若以一个统一术语涵盖当前众多封装/组装新概念、新技术,如高密度封装、高密度组装、三维封装、三维组装、三维叠加互联、多芯片组件、低温共烧陶瓷、3D IC、叠层封装等,则第三种说法最为恰当。对现代高新技术而言,技术的交叉和融合是大势所趋。传统的划分行业概念逐渐模糊,产业链上下游技术联系密不可分,因而在解决组装技术问题和考虑组装技术发展时,思路不能仅仅局限于传统“行业”技术范围,而要以综合化、系统化的思路去研究和拓展技术思维,在技术的交叉和融合中创新发展。
先进封装技术、SMT、封装与组装的融合等互联技术的快速发展,在促进电子产品向微型化和高性能化发展的同时,带来了从电路设计、焊点设计到焊接工艺设计、热设计与动态特性设计等一系列可靠性设计方面的新问题,特别是高度集成化与微型化条件下的热-电(磁)-力高度耦合问题。主要内容有:电路性能可靠性设计;电路布局布线及其抗干扰设计;互联焊点可靠性设计;组装质量可靠性设计;热可靠性设计;电磁兼容设计;振动、冲击、热应力等环境下的动态特性设计等。为了解决这些问题,必须采用计算机多物理场耦合仿真技术、基于数字孪生的综合优化设计技术等先进的技术手段与方法。
1.电路及其电路模块的CAD与优化技术
美国EESOF、COMPACT和HP等公司的电路CAD软件已广泛流行,其不仅具有模拟功能强、应用频率范围宽、功能更新快等特点,而且有完备的分级软件体系,分别有适用于系统及分系统设计、电路设计、单元器件特性设计等不同设计需求的CAD软件。电路CAD软件不仅取代了电路设计和制造工艺中的许多试验调试环节,而且已成为先进的薄膜集成电路、单片微波集成电路(Monolithic Microwave Integrated Circuit,MMIC)和微系统组件等难以在试验板上进行调试的电路设计的唯一方法。电路CAD软件的发展趋势是CAD、计算机辅助参数性能测试(CAT)和计算机辅助工程(CAE)有机结合的自动设计系统,并已向着智能化和设计专家系统方向发展。这些高层次系统将是电路设计、制造、调试、维护的综合体。
电路模块可靠性设计的重要性已被人们普遍接受,国内外在电路模块的电路设计过程中采用计算机辅助手段、专用设计工具、计算机模拟、动态仿真分析和验证等技术,面向制造、测试、维护的可靠性综合设计方向发展。
图1-19所示为日本某公司提出的一种电路可靠性设计软件系统的组成示意图。利用它可以进行面向制造、测试和维护的综合性可靠性设计。近些年,国内投入电路及其电路模块的CAD与优化技术方面研究工作的单位和部门越来越多,但总体水平还不高,尚无自主研发的微波电路设计实用软件和电路模块级的电路可靠性多学科综合设计实用软件面世。实际应用的设计软件基本为引进的非综合性设计软件以及利用通用商品化软件进行如热分析等单学科的可靠性设计。
2.表面贴装组件焊点可靠性设计技术
采用SMT形成的PCB级表面贴装组件(Surface Mount Assembly,SMA)中的焊点既承担电气连接又承担机械连接,其可靠性是产品的生命。SMA焊点微小、密集、组装与返修技术难度大、成本高,使它的可靠性在设计阶段显得尤为重要。由此,在运用传统方法进行焊点可靠性设计的同时出现了应用SMA焊点虚拟成型技术等新技术、新方法进行焊点可靠性的设计。
图1-19 电路可靠性设计软件系统的组成示意图
SMA焊点的成型预测、寿命分析和相关参数优化设计的虚拟成型技术原理如图1-20所示。该方面的研究工作国内外基本同步,目前尚处于各种单项技术的离散研究和应用阶段,如焊点形态建模、应力应变分析等,还未见形成工程化系统软件的公开报道。其研究难点是各种型号SMC/SMD合理形态库建立、各种单项技术模型的转换和集成以及分析评价专家系统设计等。
图1-20 SMA焊点的虚拟成型技术原理
3.互联工艺仿真技术
互联过程中的关键工艺仿真设计是保障产品互联质量的一种重要方法,该技术方向的研究近些年也很活跃,这里以SMA的焊接工艺为例。组装密度的增加和元器件尺寸及其引脚间距的减小,使SMA的焊接工艺难度增大,焊接温度曲线参数的设置范围变窄,并且极易引发焊接质量问题。焊接工艺的正确设计,尤其是焊接温度曲线的准确设置,已成为保障SMA组装质量的关键内容之一。在焊接温度曲线的设置过程中,采用传统的试验测试、分析方法不仅费用昂贵,而且很难保证参数设置的正确性与最优化。利用计算机仿真再流焊工艺过程进行再流焊温度曲线参数设计,不仅能够提高设计的科学性,而且可以减少传统试验方法所用的时间和费用。
图1-21所示为再流焊工艺仿真与预测系统框图。该系统利用计算机仿真技术显示再流焊工艺过程中SMA上的温度分布状态,从而进行焊接温度曲线的预测和温度曲线参数优化设计。针对SMA再流焊工艺仿真与温度曲线设计技术的研究,国内外均已进行多年,但由于SMA品种繁多、焊接过程影响因素复杂,要形成具有普遍意义的工程化再流焊工艺仿真系统难度很大,因此至今尚无成熟的商品化产品面市。
图1-21 再流焊工艺仿真与预测系统框图
4.表面贴装组件的动态特性分析技术
SMA的动态特性包含温度、应力应变、电磁兼容等机械性能和物理性能的动态变化。随着SMA的微型化,这些动态特性对产品组装质量、性能的影响越来越大。因此,在设计三维高密度SMA产品时,科学的设计和优化变得至关重要。
图1-22所示为三维立体组件在不同频率下的振型动态显示图。利用软件工具对SMA的各种动态特性进行分析,是目前普遍采用的设计分析方法。这种分析方法能解决电路模块设计中的不少问题。但是,由于电路模块产品的机-电耦合特性以及电、磁、光、热综合因素的影响特性,因此通用软件工具往往无法解决所有问题,尤其是针对多因素的综合设计,通用软件工具更是难以胜任。为此,该技术领域的研究趋势是电路模块单因素动态特性分析设计专用软件和多因素综合分析设计系统。目前,国内外在该方面处于在研阶段,尚无商品化专用分析设计软件面世。
图1-22 三维立体组件在不同频率下的振型动态显示图
1.互联设备的高速化与高精度化
互联设备包含器件级封装设备、PCB组装设备、焊接设备、测试设备等。随着电气互联技术的快速发展,各类互联设备的功能、性能也在快速进步中,尤其是用于表面组装的SMT设备,其技术和性能的发展速度更为快速,具有典型性。以贴片机为例,其进步主要体现在:自动化程度快速提高、贴片速度和精度等主要性能指标不断提高、备料与检测等功能不断加强以及能贴装的元器件品种和类型不断增加等方面。贴片机经历了手动、半自动、全自动等阶段。目前,能同时适用于SOIC、PLCC、QFP、BGA等封装形式元器件的全自动组装已经成为贴片机的基本性能要求。此外,许多贴片设备已经具备异形组件、表面贴装连接器、倒装芯片和直接芯片的贴装功能,适用于各种PCB尺寸的设备也相继涌现。对于一些尺寸比较特别的PCB,同样可以找到合适的贴装设备。例如,MIMOT的Advantage Ⅲ贴片机可以应用于1200mm×800mm的大尺寸PCB;而Multitroniks的Flexplacer16型贴片机可以应用于19mm×19mm的超小尺寸PCB。
当今的表面组装设备基本都是光、机、电一体化的典型高科技产品。例如,全自动贴片机由交(直)流伺服系统、交(直)流或直线电机、滚动丝杠与直线滚动导轨组成多轴驱动系统,负责驱动印制电路板和贴装头的高速运动;由气、液控制系统驱动和控制贴装头的拾、放等动作;由光学自动检测系统对元器件进行自动检测和剔除工作;由计算机控制系统进行全自动过程控制和人机界面交互。
表面组装设备的发展还体现在设备的模块化、智能化上。例如,智能化解决了贴片过程中相互制约的诸如贴片速度、精度、灵活性等几个因素,并使贴片机成为可以满足所有组装工艺需求的生产设备。智能化所涉及的技术范围甚至包括贴片机的自动供料器,而模块化则可使贴装头等部位能够自由拆卸与组合,以适应不同的贴片环境和贴片要求等。
2.互联系统的模块化与智能化
互联系统较典型的有器件级封装互联的封装系统和典型的板级SMT组装系统。这里以SMT组装系统为例,与一般计算机集成制造系统的研究和发展相同,SMT组装系统集成技术朝着集成形式的多样化与实用化、设计制造一体化、制造网络化以及将产品数据管理(PDM)、制造资源计划(MRPII)、企业资源计划(ERP)等技术与方法应用于SMT计算机集成组装系统中的方向发展。
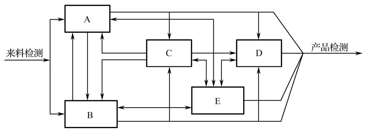
图1-23所示为能够顺应组装产品和组装工艺变化需求的可柔性组合的SMT组装系统的组成示意图。它由A、B、C、D、E 5个部分组成,能够适应双面混合组装要求和单、双面表面组装要求。其中A和B两部分均为单面SMT生产线,二者串接可形成双面SMT生产线;C部分为插装元器件成型机和插装机(也可用人工插装流水线代替);D部分为波峰焊机及清洗机;E部分有返修站、返修工具、半自动贴装机等设备。各部分的不同组合,可以形成5种不同的工艺流程以适应不同的组装要求。
这5种不同的工艺流程分别为:A、B部分独立完成线的单面SMT生产;C部分独立完成插装生产;A、B部分组合的双面SMT生产;A或B与C部分组合的单面混装SMT生产;A、B、C部分组合的双面混装SMT生产。另外,A和B部分的组成设备可以不同,由此可形成能适应批量要求、精度要求不同的单面SMT生产的不同流程。
图1-23 可柔性组合的SMT组装系统的组成示意图
图1-24所示为包含基板制造、芯片组装的内在SMA设计制造一体化系统。该系统采用了面向制造、测试和可靠性的设计技术以及并行设计的思想,将与SMA组装质量相关的设计、制造、测试、质量测控等环节集于一体,是具有更大意义的SMT产品集成制造系统。在该技术方面,日本等国家已有应用系统,我国尚处于探索研究阶段。
图1-24 SMA设计制造一体化系统
SMA虚拟组装技术是利用计算机仿真技术,对SMA组装生产过程进行模拟仿真;以焊点形态理论方法和SMA焊点虚拟成型技术为基础对SMA焊点质量进行分析与评价;以SMA焊点质量为优化目标,面向PCB级电路模块制造过程中工艺参数优化的虚拟制造技术,其原理如图1-25所示。
图1-25 SMA虚拟组装技术原理
以系统工程和计算机集成技术为基础,再利用网络技术沟通异地信息,还可以实现异地设计、集中制造的网络化SMT产品制造系统或体系的建立,如图1-26所示。该类系统或体系的建立,对SMT和SMT生产系统资源的充分利用,以及SMT在多品种小批量电子产品中的应用和低成本制造,具有较大的现实意义和技术、经济价值。SMT组装系统的集成形式除上述设计制造一体化SMT产品集成制造系统、异地设计和集中制造的网络化SMT产品制造系统之外,应用PDM、MRP、ERP的集成技术也在发展中。目前,国内已经有基于PDM、ERP等系统集成技术在SMT生产系统中的具体应用。这些研究和发展是SMT生产系统控制技术与集成技术向高层次发展的一个标志,它将与动态制造联盟、网络化制造、全球制造等先进制造技术理念相融,在SMT生产系统控制和集成技术的发展与进步中起到主导作用。
图1-26 网络化SMT产品制造系统框架
1.驱动力强劲,技术发展快
由于数字化、网络化、智能化带来的强大需求,驱动电子互联技术的飞速发展,因此电气互联技术已进入先进封装、高密度组装、立体组装、系统级封装、系统级芯片元器件混合组装技术发展阶段。发达国家的SMT应用普及率已超过90%,0.3mm引脚间距元器件组装不良率已达10ppm以内,单机贴片速度已达10万片/时以上,高密度组装已达100点/cm 2 以上的实际应用水平。多芯片组装技术已发展到多芯片层叠组装技术阶段和对尚未划分成芯片的圆片进行层叠组装阶段。电路互联密度大幅度提高,线宽和间隔分别小至10μm和20μm以下,组装延迟降低至几纳秒,各类新型元器件、组件或模块不断涌现。
在集成电路系统构成上,目前有3种方式构成系统大规模集成电路:①将整个系统的功能完全集成在单一芯片上的片上系统(SoC);②将整个系统的功能完全集成在一块基板上的板上系统(SoB);③将整个系统的功能完全集成在一个半导体封装中的系统级封装(SiP)。它们的问世使圆片级、芯片级、组件级、系统级的技术界限开始逐渐模糊、混沌。原来一些仅仅用于圆片级的技术,已经开始应用于封装和组件(基板)级组装之中,SMT也在MCM类的组件或系统中得以应用。
另外,电气互联技术中的大部分设计内容已经可以借助CAD或电子设计自动化(EDA)工具实现,许多设计内容可以通过计算机仿真手段进行分析和验证。互联质量的检测已大量采用以光学、X射线、激光、超声等为代表的非接触式测试技术。
2.综合性越来越强,技术难度加大
高密度组装、立体组装和三维高密度组装使元器件与微系统的功率密度高达100W/cm 2 以上,高功率密度引起的热设计问题突出。高密度组装与互联对抗干扰、屏蔽隔离、电子兼容性设计提出了新要求。微组件或微系统的动态特性设计重要性和难度增加。微焊接互联点的机械和电气连接可靠性设计的重要性增加,难度增加。微组装、芯片级封装和倒装芯片等新型元器件组装、微系统互联等高精度组装、无铅焊接、光电互联等新工艺,以及元器件的微型化和密集化使互联工艺技术难度增加,互联质量的检测、保障难度增加。
3.多级互联边界模糊,融合趋势明显
随着电气互联新技术的不断涌现和发展,微型化和集成化带来新的趋势,即传统的前道工艺和后道工艺、封装与组装之间相对清晰的边界越来越模糊,融合发展的趋势越来越明显。
在前道半导体工艺与器件级封装互联工艺方面,由于先进封装互联,如RDL等需要采用前道的半导体制造工艺技术,使得封装公司有向前道布局的强大动力,而上游前道半导体制造公司考虑到既然后道的先进封装需要上游相对成熟的工艺技术,便自然会想到向下延伸,如图1-27所示。
图1-27 半导体产业链融合发展趋势
FAB—晶圆制造厂商;BAT—半导体封装及测试厂商;FEOL—前道工序;BEOL—后道工序;HEP—高端封装;LEP—低端封装;WLP—晶圆级封装;PLP—面板级封装
4.技术内涵不断发展和丰富
主要体现在:以SMT为基础,微组装、高密度组装、立体组装等为代表的新一代组装技术已成为现代电气互联技术的主要技术,其应用面越来越广;以新一代封装、组装技术为标志的现代电气互联技术,内容越来越丰富,已逐步形成完整的技术体系,成为电子先进制造的重要技术,占电子产品整体制造时间与成本的比重越来越大,特别是在集成电路制造工艺越来越接近物理极限的情况下,电气互联技术越来越成为超越摩尔的重要技术路径。电气互联技术已发展成为一门新兴的综合性工程学科。
21世纪的电气互联技术仍在快速发展中。例如,随着电子产品向高性能、高功能、轻薄短小方向的进一步发展要求,特别需要采用元器件复合化、三维封装的形式。但是,分别制作基板和电子元器件后再利用SMT将其组装在一起的传统组装方式,在实现更高性能、更加小型和薄型化等方面,因受到组装间距极限等因素制约,显得有些无能为力。在这种背景下,出现了将无源元器件及IC等全部埋置在基板内部的三维封装形式。这种封装形式在大幅提高封装密度的同时,可使连接元器件间的引线大大缩短,从而有效抑制由布线分布参数产生的电感(L)、电容(C)、电阻(R)延迟及噪声、发热等,并能充分发挥IC芯片的性能。这意味着电子组装技术正从SMT向后SMT(Post-SMT)转变。与之相应,SMT的典型互联技术也面临着新的挑战,电气互联技术的内涵还将进一步丰富。