购买
下载掌阅APP,畅读海量书库
立即打开
畅读海量书库
扫码下载掌阅APP

2.3
包封、密封与成品处理工艺技术

2.3.1 包封技术

1.包封类型

为实现对IC元器件进行化学保护和物理支撑的作用,通常需要对其进行包封处理,即非气密性封装。由于其封装成本较低,在汽车、3C电子等领域应用非常广泛。包封可以分为模塑封、顶部包封、灌封和底部填充等。

2.传递模塑封

模塑封工艺可分为传递模塑封(又称为转移模塑封)、注射模塑封、反应注射模塑封和压缩模塑封。其中,使用最广泛、技术最为成熟的是传递模塑封,其封装过程如图2-41所示。通过加热加压的方式使热固性塑封料熔化,并通过流道传递到型腔内,保压固化后形成对元器件的封装。传递模塑封可以采用一模多腔的结构,因此可以大大提高生产效率,适合大批量的元器件封装。

图2-41 传递模塑封的封装过程

图2-42所示为传递模塑封的工艺流程。在传递模塑封的工艺流程中,需要先将冷冻储存的塑封料取出,室温下进行24h的醒料处理,减少塑封料中吸附的水分,并使其内外温度均匀,预热后软硬度适宜。

图2-42 传递模塑封的工艺流程

此外,在注塑工序前,需要进行等离子清洗,目的是清除前道工序对框架或芯片产生的沾污和氧化,降低塑封元器件在封装后,出现内部气孔或界面分层的不良现象。由于在该封装工艺过程中,塑封料的固化是由外向内进行的,短时间无法使其完全固化,因此在开模顶出后,需要进行后固化处理,通常的处理方式是在恒温175℃的烘箱中放置6h以上。

3.液体包封

液体包封是先以液体的形式分配封装材料,然后固化形成固态的封装形态,如图2-43所示。相比于传递模塑封,液体包封的材料利用率更高,且封装压力小,不容易产生与封装料流动性相关的问题,如金线偏移。液体包封可分为顶部填充、底部填充和灌封。

图2-43 液体包封

2.3.2 密封技术

1.密封概述

密封是指使用金属、陶瓷或玻璃做结构材料,将需要保护的元器件密封在一个受控的环境中,即气密性封装。与非气密性封装相比,气密性封装的元器件所能适应的使用环境更广,因此常用于工作环境恶劣、可靠性要求高的军事、航空和航天领域。

2.气密性封帽

气密性封帽是气密性封装工艺流程的最后一道封装工序,也是关键工序。气密性封帽也为气密性封盖或封口,其主要作用是完成元器件壳体密封,保证环境气氛与元器件内腔气氛的扩散及渗透限制在规定的限额内。低温合金焊料封帽前后的外形变化如图2-44所示。

图2-44 低温合金焊料封帽前后的外形变化

对绝大多数电子元器件而言,密封主要是为了防止潮气渗透和氧气扩散,也有部分密封是为了保持真空或高压状态。潮气是引起元器件失效的主要原因,常导致金属-氧化物半导体(MOS)元器件中的电荷泄漏、金属化的腐蚀(原电池效应)、电解导电(水汽含量大于1.5%时)等失效现象的产生。表2-3所示为在环境温度100℃条件下测试得到的元器件失效与水汽的浓度关系。在一般情况下,采用气密性封帽技术可使元器件内部水汽浓度小于5000ppm,则可避免上述失效现象的发生。氧气是含锡等抗氧化性弱的焊料引起元器件焊接强度下降,导致失效的主要原因之一,为此防止氧气扩散也是必需的。

表2-3 元器件失效与水汽浓度的关系

气密性封帽有低温合金焊料熔封、平行缝焊、低温玻璃熔封,以及储能焊等工艺。其中储能焊适用于低密度封装的功率元器件等的封口,使用越来越少;激光焊接、超声封口等新的密封工艺一般只少量应用于一些特殊结构的密封元器件。这里仅介绍前3种常用的气密性封帽工艺。

1)低温合金焊料熔封工艺

采用低温合金焊料熔封工艺的气密性封帽的特点是工艺温度低,它在考虑气密可靠性(如耐腐蚀性、较高的机械强度等)、封帽工艺性、器件额定承受高温能力达到要求的前提下,选择尽量低的工艺温度。常用的低温合金焊料有80Au-20Sn共晶焊料和SAC焊料等。80Au-20Sn共晶焊料的熔点为280℃,封帽峰值温度为320℃左右,峰值温度保持时间为1~2min。80Au-20Sn共晶焊料对镀金表面具有适宜的浸润性和接触角,封接后不易产生焊料“爬盖”(封帽后有焊料出现在盖板上)现象,常温下储存不易氧化,焊接强度高,封口的气密性及气密性成品率高,已被广泛用作镀金等密封口的封接焊料。

低温合金焊料熔封工艺所采用合金焊料必须是低氧化物含量的,预先被制作成所需厚度、所需形状的焊料环/框/片,再用点焊设备将预成型的焊料环/框/片点焊在盖板/帽的封接面,最后进行封帽。封帽时通过整体或局部加热的方法,对焊料加热使之熔化并使盖板/帽与外壳密封口融合密闭。整体加热方法一般将带焊料片的盖板或帽与外壳用弹簧夹等夹住,使用烘箱、红外加热炉等对其进行整体加热,完成焊料熔合和封帽。局部加热方法一般采用电阻局部加热完成焊料熔合和封帽。相对而言,整体加热方法工艺和设备要求高,局部加热方法工艺和设备要求较简,但整体加热方法的封口外观比局部加热方法的封口外观要好、封口质量更容易保证。

整体加热方法的低温合金焊料熔封的典型工艺流程如图2-45所示,主要由焊料环/框/片预制、焊料片与盖帽点焊固定、封帽前元器件内部目检和预烘、盖帽与外壳装夹固定、装架、熔封、焊缝外观检查和X射线密封界面无损检查等环节组成。为保证元器件的可靠性,封帽工艺过程中必须严格控制元器件内部的气氛,如水汽含量、氧气含量等;真空封帽工艺还需控制真空度;封帽前的预烘、装架过程,以及熔封过程也都必须在受控的环境气氛中进行。

图2-45 低温合金焊料熔封的典型工艺流程

低温合金焊料熔封工艺的常见问题有焊料飞溅、焊料“爬盖”、焊缝断点、焊缝空洞、芯片腔体内有焊料颗粒、内部水汽含量超标、内部氧气含量超标等。其缺陷产生的影响因素常是多方面的,镀层及其表面质量、装片工艺、封帽的环境气氛和封帽温度-时间工艺曲线、封口结构以及外形尺寸等均能影响或引起缺陷的产生,分析、解决所产生的问题一定要综合考虑。在常见的缺陷中,焊料飞溅、焊料“爬盖”、焊缝断点等缺陷通过外观检查可以发现;焊缝空洞、芯片腔体内大的不牢固的焊料颗粒等缺陷可以用X射线无损检查出;芯片腔体内小的自由焊料颗粒一般只能通过粒子碰撞噪声检测试验来判别;内部水汽含量和氧气含量一般只能借助质谱仪进行破坏性抽样检测。

2)平行缝焊工艺

平行缝焊工艺利用脉冲大电流通过焊接处高的接触电阻所产生的热量熔解接触面金属,将盖板与焊环相接触的小区域熔接起来,当平行、重叠的焊点连接起来时即形成密封,从而达到元器件盖帽熔封的目的。平行缝焊属于电阻熔焊,工作时对元器件局部加热,不需要整体加热,对某些受高温参数容易漂移甚至损坏的元器件而言,有明显好处,而且具有封口不需要焊料,焊缝强度高,气密性封帽成品率较高等特点,因此被广泛使用。某型号元器件平行缝焊封帽前后的外形变化如图2-46所示。

图2-46 平行缝焊封帽前后的外形变化

平行缝焊的典型工艺流程如图2-47所示,主要由内部目检、封帽前预烘、点焊固定盖板、缝焊、外观检查等环节组成。其局部熔接的温度一般在1000~1500℃,根据焊接处镀层表面结构和材料成分选择确定。例如,镀Ni-P等材料的焊接熔点要低于镀Ni,镀Au-Sn等材料的焊接熔点要低于镀Au。镀Ni-P层、Au-Sn层等可降低缝焊的熔点,起到良好的熔焊介质作用。

图2-47 平行缝焊的典型工艺流程

平行缝焊封帽过程中需要特别加强封帽环境气氛的控制,以使密封腔体内的水汽浓度、氧气含量达到工艺规定的要求。一般工艺要求在100℃时烘24h,水汽浓度小于5000ppm,氧气浓度低于200ppm。平行缝焊封帽的缺点是在缝焊过程中会使焊缝处镀层及其材料受到破坏,焊缝处的抗盐雾耐腐蚀能力变弱,所以有较高的耐腐蚀要求的器件应尽可能不采用平行缝焊封帽。

3)低温玻璃熔封工艺

低温玻璃熔封工艺类似于低温合金焊料封口,其典型工艺流程如图2-48所示。低温玻璃熔封的封装结构比较简单,封装体通常由上、下两片带腔的陶瓷片和用于电连接的金属引线框共三部分组成,预先将低温玻璃涂于带腔的陶瓷片等密封界面上,再在高温下将玻璃熔融从而实现密封。玻璃熔封批量生产通常采用充氮链式炉,熔封过程中可以依靠元器件自重将封口密封;当封装数量比较少时,也常用金属或石墨模夹具等对组件进行固定后,再加热熔封。

图2-48 低温玻璃熔封的典型工艺流程

低温玻璃的气密性、抗机械冲击等性能相对于陶瓷要弱,为保证有足够的机械强度,玻璃熔封材料的温度要求一般不得低于385℃。玻璃熔封不可在低气压下进行,否则容易引起玻璃中的气泡长大,从而降低封口强度和封口的气密性。低温玻璃具有多孔性,容易吸水,为减少电路密封腔内部水汽含量值,应避免玻璃涂覆组装后长时间保存,一般均应在熔封前将金属引线框与陶瓷片进行组装。若组装并存放了一段时间后熔封,则需要在高温下经较长时间烘烤后再进行熔封。

低温玻璃密封的元器件在电镀过程中若未控制好电镀前处理工艺,则可能会产生以下典型现象:电镀前进行去氧化层等处理时出现玻璃封口发白甚至有粉末状的物质大量产生;在做盐雾、高低温循环等试验中出现玻璃封口有“变白”等现象。这些现象的发生并不是低温玻璃熔封工艺存在问题,而是低温硅酸盐玻璃在酸碱液和水作用下发生了玻璃水解现象。为此,在电镀前等过程中需要注意控制好处理工艺,以减少水解发生。

3.气密性检测

元器件封口后必须进行气密性检测,这种检测一般都采用非破坏性的检测方法。一般以漏气速率的大小来表示元器件密封性能的好坏,漏率越小,气密性越好。常用的检测指标有标准漏率、测量漏率 R 1 、等效标准漏率 L 等。

标准漏率是指在25℃、高压为一个标准大气压(101.33kPa)和低压低于0.13kPa的情况下,每秒钟通过一条或多条泄漏通道的干燥空气量,单位为Pa·cm 3 /s。测量漏率 R 1 是指在规定条件下,采用规定的试验媒质测得的给定封装的漏率,其单位为Pa·cm 3 /s;如采用He作为试验媒质,其测量读数就是氦的测量漏率。为了便于与用其他测试方法得到的漏率进行比较,测量漏率必须转换成等效标准漏率。等效标准漏率 L 是指除放射线同位素细检漏之外,同一种封装在规定条件下测量得到的测量漏率 R 1 ,若测试的规定条件是标准条件,其测得的漏气速率即是 R 1 的等效标准漏率,单位为Pa·cm 3 /s。

一般将 L ≥1.0×10 -1 Pa·m 3 /s的称为“粗漏”, L <1.0×10 -1 Pa·m 3 /s的称为“细漏”,适用于“粗漏”和“细漏”的检测方法分别称为粗检漏、细检漏。检漏的顺序一般是先细检漏再粗检漏,以减少粗检漏可能引起的微漏孔被堵住而造成误判。若顺序相反,则需在对元器件进行细检漏前做漏孔恢复处理。

常用的气密性检测方法有示踪气体氦(He)细检漏、放射线同位素细检漏、碳氟化合物粗检漏、染料浸透粗检漏、增重粗检漏、光学粗/细检漏等。每一种检漏方法均有其检漏的范围,细检漏和粗检漏需要组合使用,其中使用最广泛的是示踪气体氦(He)细检漏与碳氟化合物粗检漏的组合。因为放射线同位素细检漏安全性不易控制、染料浸透粗检漏(一般用于粗漏部位分析定位)和增重粗检漏适应性较弱、光学粗/细检漏需要较多的投入和较多数据积累等,所以导致这几种方法使用的广泛性受到了一定的限制。

利用质谱仪充压方法进行示踪气体氦(He)细检漏的基本工作原理如图2-49所示。待测元器件若漏气则有气体被压入,压入的气体经质谱仪离化室离子化,再由分析器分出氦离子,收集器收集氦离子并经放大器放大处理或数据转换处理,最后通过数表显示或终端设备输出。示踪气体氦(He)细检漏工艺流程如图2-50所示。

图2-49 示踪气体氦(He)细检漏的基本工作原理

图2-50 示踪气体氦(He)细检漏工艺流程

细检漏读数合格的元器件,若漏孔大则也有可能在质谱仪打开前抽真空时就已将元器件内部的氦气全部从漏孔抽出,所以细检漏合格的元器件不一定不漏气,还必须进行粗检漏。

碳氟化合物粗检漏工艺流程如图2-51所示。浸泡在低沸点氟油(如约65℃沸点的氟利昂F113)中的元器件若有漏孔,则在高压空气或氮气等挤压下,氟油会进入元器件内部;经过一段时间后取出元器件并将之浸入到125℃高温氟油(如165~185℃沸点的FC43)中,元器件受热后内部的低沸点氟油就会沸腾变成气体,且随着压力的升高而由元器件的漏孔溢出形成气泡。这种方法的最小可检漏率约为10 -6 Pa·m 3 /s。需要注意的是,元器件表面沾污、涂覆层起皮等也容易产生“气泡”,对这种假漏现象要防止误判。另外,由于F113会对大气臭氧层造成破坏,未来的检漏技术发展趋势是采用激光干涉光学粗/细检漏等新方法。

图2-51 碳氟化合物粗检漏工艺流程

2.3.3 打标与成型剪边

1.打标

打标的作用是将元器件的型号、生产周期、商标、质量等级等相关属性标识在元器件上,便于在元器件的运输、保存、使用中对这些信息进行辨别,并使其具有可追溯性。打标工艺有油墨印章移印、油墨丝网印刷、激光打标、墨汁喷码、蚀刻等,常用的是油墨印章移印、油墨丝网印刷、激光打标。

其中,采用激光打标不需要油墨和油墨固化,打印质量高,但它是通过烧毁熔融元器件表面形成标识的,使用场合有一定限制。激光打标按工作方式可分为掩模式、阵列式和扫描式打标等。扫描式打标又分为机械扫描和振镜扫描,较普遍采用的是振镜扫描。振镜扫描式激光打标系统主要由激光器、 XY 偏转镜(振镜)、场镜(聚焦透镜)、控制计算机等部分组成,其基本工作原理是将激光器发出的激光束入射到 XY 偏转镜(振镜)上,用计算机控制两个振镜的反射角度,使它们沿 X Y 轴扫描,从而实现激光束偏转,使高能量的激光聚焦点通过场镜在被打印材料上按要求的轨迹运动,从而熔融元器件表面材料形成永久的打印标记,如图2-52所示。

图2-52 振镜扫描式激光打印的工作原理

油墨印章移印类似盖图章,方法最简单,但打标效率低,质量较难控制。油墨丝网印刷类似书报印刷,适合批量操作,打标效率高。表2-4所示为激光打标与油墨打标工艺特点的比较。

表2-4 激光打标与油墨打标工艺特点的比较

2.成型剪边

成型剪边是去除元器件加工过程中为上、下料传递方便或起保护作用而设计的工艺边、保护性结构,同时是为了使元器件引出脚的尺寸、形状等符合规定,适应组装要求。

需要成型剪边的有陶瓷双列直插封装(CDIP)、陶瓷小外形封装(CSOP)、陶瓷方形扁平封装(CQFP)等型号元器件,带引脚的陶瓷芯片载体CLCC、CBGA等型号元器件一般不需要成型剪边。

常说的剪边即为剪去工艺连筋(边),将CDIP、CQFP、CSOP等封装形式的元器件引脚弯曲成“翼形”等工艺称为成型。剪边和成型可以用剪边刀具或剪边-成型模具来完成。几种元器件成型剪边前后对比如图2-53所示。

图2-53 几种元器件成型剪边前后对比

成型剪边工艺过程中常遇到的问题有:钎焊引脚脱落、瓷体缺损,以及引脚表面镀层刮掉、压伤、留有毛刺、弯曲处有疲劳微裂纹、不整齐、共面性差、沾污等。钎焊引脚脱落、瓷体缺损一般是由外壳外形尺寸偏差太大被模具挤压而引起的;引脚表面镀层刮掉、压伤、留有毛刺则可能主要是模具的配合间隙过紧或引脚过厚(如引脚焊料爬行到表面增厚等)以及成型机压力过大导致的;共面性差则一般是由成型模具脱模过快或模具剪切刀口变钝等引起的;有时剪切后的细小金属边吸在模具上也可能使引脚歪斜、压伤甚至断裂,外来物、手汗渍等容易在元器件表面形成沾污;引线弯曲处有疲劳微裂纹则与外壳引线材料加工性、模具配合间隙、成型速度等相关。要控制好成型剪边的质量,需仔细操作成型工艺,并分析产生缺陷的原因和及时排除。

2.3.4 包装

包装主要是为了使元器件在封装后的筛选考核、运输,以及存储、组装到整机板等过程中不被静电击穿、损伤表面、沾污、引脚挤压变形,以及方便使用等。包装的主要形式有编带包装、棒式包装、托盘包装等。

1.编带包装

编带包装的特点是应用广泛、适应性强、贴装效率高,并已经标准化(见图2-54)。除QFP、PLCC、LCCC等大型元器件之外,其余元器件均可采用这种包装方式。编带包装所用的编带主要有纸编带、塑料编带和黏结式编带3种,带宽尺寸主要有8mm、12mm、16mm、24mm、32mm、44mm。

1)纸编带

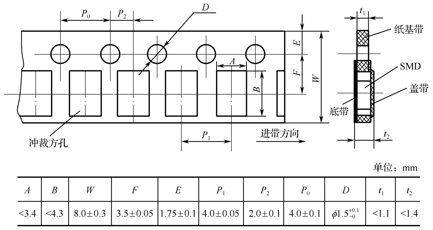
纸编带由基带、纸带和盖带组成(见图2-55和图2-56),是使用较多的一种编带。带上的小圆孔是进给定位孔。矩形孔是片式元器件的定位孔,也是承料腔,其尺寸由元器件外形尺寸而定。纸编带的成本低,适合高速贴装机使用。大多数片式电阻、片式瓷介电容包装都用这种编带。

图2-54 编带包装外形

图2-55 8mm纸编带

纸编带的包装过程是在专用设备上自动完成的,其过程为:基带传送→冲裁(冲切承料和进给的定位孔)→底带经加温后与基带黏合→片式元器件进位(元器件被专用吸嘴高速地吸取后编入基带内)→盖带黏合(对盖带加温后,覆盖在基带上)→卷绕(经带盘卷绕后完成编带包装)。

图2-56 8mm纸编带尺寸

2)塑料编带

塑料编带因载带上带有元器件定位的料盒也被称为“凸形”塑料编带(见图2-57和图2-58)。它除了带宽范围比纸编带大,包装的元器件也从矩形扩大到圆柱形、异形及各种表面组装元器件,如铝电解电容、滤波器、SOP电路等。

图2-57 塑料编带外形

塑料编带由附有料盒的载带和薄膜盖组成。载带和料盒是一次模塑成型的,其尺寸精度高,编带方式比纸编带简便。在包装时,由专用供料装置,将元器件依次排列后逐一编入载带内,然后贴上盖带卷绕在带盘上。为防止静电使元器件受损或影响贴装,通常事先在塑料载带的基材内添加某些有机填料。

图2-58 塑料编带尺寸

3)黏结式编带

黏结式编带主要用来包装SOIC、片式电阻网络、延迟线、片式振子等外形尺寸较大的片式元器件,由塑料或纸质基带和黏结带组成,如图2-59所示。其包装方式是在基带中心部预制通孔(长圆形孔),编带时将黏结带贴在元器件定位的基带反面,利用通孔中露出的黏结带部分固定被包装元器件。图2-59(b)中的虚线表示元器件包装状态,图2-59(a)中用虚线表示的 A B 尺寸则是被包装元器件的尺寸范围。基带两边的小圆孔,与上述编带一样,是传动编带时的进给定位孔。黏结式编带元器件的供料过程为:当编带进到料口时,由黏结带后面的针形销把元器件顶出,使元器件在与黏结带脱离的同时被贴装机的真空吸嘴吸住,然后贴放在印制电路板上。

图2-59 黏结式编带尺寸

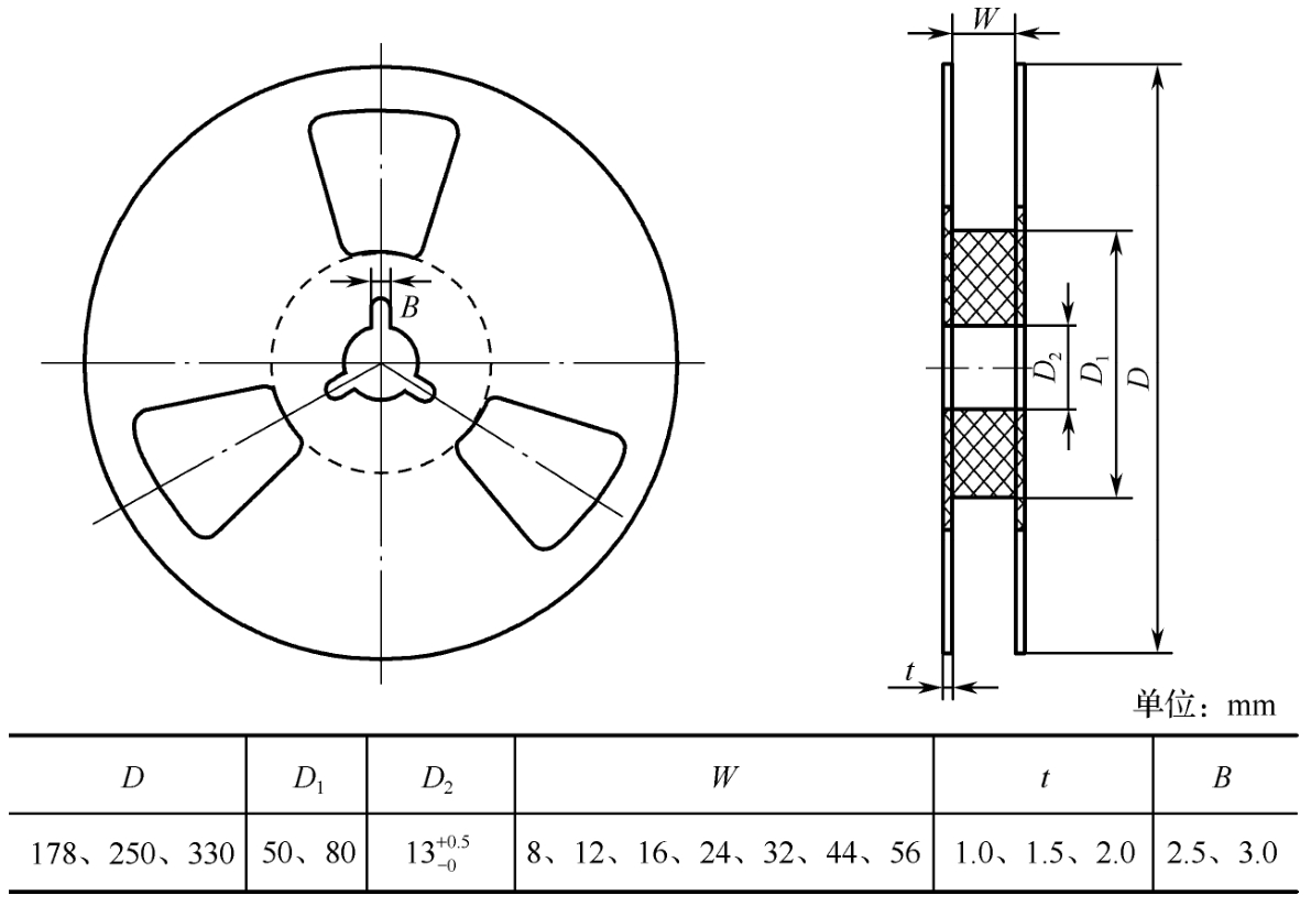
编带盘主要有纸质带盘和塑料带盘两种,如图2-60所示。纸质带盘结构简单、成本低,常用来包装(卷绕)圆柱形的元器件。它由纸板冲成两盘片,和塑料轴心黏结成带盘。塑料带盘的使用场合与纸质带盘基本相同。带盘的尺寸除前述常用的 φ 178mm、 φ 330mm之外,还可使用 φ 250mm、 φ 360mm等尺寸。带盘尺寸如图2-61所示。

图2-60 纸质带盘和塑料带盘外形

图2-61 带盘尺寸

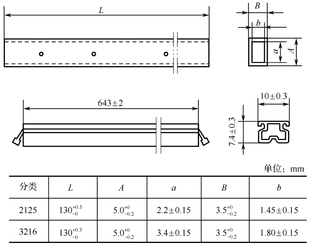
2.棒式包装

棒式包装也称条料,主要用来包装矩形片式电阻、电容,以及某些异形和小型元器件,主要用于SMT元器件品种很多且批量小的场合。

包装时将元器件按同一方向重叠排列后依次装入塑料棒内(一般为100~200只/棒),棒两端用止动栓插入贴装机的供料器上,将贴装盒罩移开,然后按贴装程序,每压一次棒就给基板提供一只片式元器件。

棒式包装的包装材料成本高,且包装的元器件数受限。另外,若每棒的贴装压力不均衡,则元器件易在细狭的棒内卡住。但对表面组装集成电路而言,采用棒式包装的成本比托盘包装式要低,不过贴装速度不及编带方式。

棒式包装的有关尺寸如图2-62所示,其外形如图2-63所示。包装棒的端面型腔为矩形的则包装矩形元器件,型腔为异形的则只用来包装微调电容等异形元器件。

图2-62 棒式包装的有关尺寸

3.托盘包装

托盘包装是用矩形隔板使托盘按规定的空腔等分(见图2-64),再将元器件逐一装入盘内,一般为50只/盘,装好后盖上保护层薄膜。托盘有单层,也有3层、10层、12层、24层自动进料的托盘送料器。这种包装方法在刚应用时,主要用来包装外形偏大的中、高、多层陶瓷电容,后来也用于包装引线数较多的SOP等元器件。

图2-63 棒式包装外形

图2-64 托盘包装外形

托盘包装的托盘有硬盘和软盘两种。硬盘常用来包装多引线、细间距的QFP元器件,这样封装体引出线不易变形。软盘则用来包装普通的异形片式元器件。托盘包装尺寸示例如图2-65所示。

图2-65 托盘包装尺寸示例

4.散装

散装是将片式元器件自由地封入成型的塑料盒或袋内,贴装时把料盒插入料架上,利用送料器或送料管使元器件逐一送入贴装机的料口。这种包装方式成本低、体积小,但适用范围小,多为圆柱形电阻采用。在实际应用中,各企业采用的散装料盒不一定相同,但散装料盒的型腔与元器件、外形尺寸与供料架要匹配。

5.包装形式的选择

SMT元器件的包装形式选择也是组装工艺中一项关键内容,它直接影响组装生产的效率,必须结合贴片机送料器的类型和数目,以及其他相关工艺的要求,进行最优化设计。

SMT元器件已有的包装类型如表2-5所示。

表2-5 SMT元器件已有的包装类型

注:“0”表示已有成品供应或已有应用。 JrQ5p6ZLWZD7CVPB4ocJBhs+nqtHBh7v5zVLhra4z/GrlRMAqj1v/O887EA4RarF

点击中间区域
呼出菜单
上一章
目录
下一章
×