



准分子激光应用于屈光手术已经有30多年的历史了,为了让使用者更加深入地了解准分子激光的特性,本章将简述光的物理学本质,激光及准分子激光的定义。
17世纪,英国物理学家牛顿(I.Newton),在开普勒等人的理论基础上,进一步肯定了光是一种特殊的微粒,构成一种特殊的物质,光的颜色是由微粒的大小而定的。他认为光是由亿万个光子或“微粒”组成的,光子由发光体向各个方向射出。在同一世纪中,荷兰物理学家惠更斯(C.Huygens),提出了与牛顿微粒理论截然不同的理论,即光的波动理论。他认为光是一种波,而不是微粒。1690年,惠更斯出版《光论》,提出光的波动说,导出了光的直线传播和光的反射、折射定律,并解释了双折射现象。牛顿的微粒说和惠更斯的波动说都可阐明一定的现象,而又都有一些现象无法解释。所以当时的科学技术水平不能断定哪一个学说更加优越。牛顿在1704年正式公开发行《光学》一书。整个18世纪,几乎无人向微粒说挑战,光的微粒学说占上风,惠更斯的波动学说的观点被忽视,甚至被遗忘了近百年之久。
直到19世纪,杨氏的干涉实验证实了光的波动,因为只有波动才会产生干涉和衍射现象。菲涅耳进一步确定了光是横波,即振动方向垂直于光的传播方向。自此,光的波动理论完全确立。光的波动学说战胜了光的微粒学说而居于主导地位。
19世纪中期,电磁理论得到大力发展,1872年英国物理学家麦克斯韦(J.C.Maxwell)完成了《电磁学通论》,他把神秘的电磁学理论转化成人们所能接受的两组微分方程——麦克斯韦方程组,方程解决了当时所知的所有的电磁学问题,而且他根据方程推导出电磁波存在的可能性,这种波应当按光速传播,而且具有光的一切物理性质。1892年赫芝通过实验证实了电磁波的存在。这样就确立了光的电磁波理论,光学实际成了电磁理论的一部分。后来,德国普朗克在做了大量的实验后又提出了电磁波是一种形式的能量辐射。从而使人们认识到电磁波是某种粒子,爱因斯坦则大胆假设:光和原子、电子一样也具有粒子性。为了强调光的粒子属性,光量子被称之为“光子”。光既表现出明显的波动性,又表现出粒子性,被称为“波粒二象性”。光作为电磁波,遵守波动的基本规律。描述波动最基本的物理量是波速、波长和频率,它们满足如下关系:光速=波长×频率。
电磁波按照其频率由低向高排列后的次序大致为:长波、中波、中短波、短波、超短波、微波、红外线、可见光、紫外线、X射线、γ射线。准分子激光属于紫外波段。其中可见光的频率范围:4.0×10 14 Hz(红光)~7.6×10 14 Hz(紫光)。从光的量子理论可以得知,辐射的频率为光子的能量。从波动理论可以了解到,不同的振动波,其频率 v 是不一样的。量子理论又说明,在其间存在着 E = hv 系。其中h为普朗克常数h=6.626×10 -34 焦耳秒(J•S)。
这表明了光具有波动性和微粒性两重属性,也就使人们对光的波动性和微粒性两个矛盾,得以辨证统一起来,并用以叙述光的本质。
分子由原子组成的,而原子又由原子核和电子构成。原子核带正电荷,电子带负电荷。原子核中所带的正电荷与核外电子带的负电荷在数值上相等,其代数和是零,使原子整体呈中性。原子核是原子的核心,密度很大,核外电子质量很小,可以不计,原子的质量可以由核的质量来决定。核外电子一面绕原子核转,一面不停地自转。这样的运动与太阳系中各个星球围绕太阳的旋转相似。
原子核由带正电的质子及不带电的中子组成(核内质子与中子的数量是相等的),每个质子与电子所带的电量相等且质子和电子数量相等,从而使原子整体呈中性。在原子核周围的电子由静电引力把它们吸引在原子核的周围,并且电子与原子核保持一定的距离。如在某种原因的作用下失去核外电子,使原子转变成离子而带电,即具有电的性质。
原子核外的电子排列比较规律,不是杂乱无章的,是以不同层次及不同轨道排列的。最靠近原子核的第一层电子与原子核的结合力最强,离原子核越远的电子层,电子与原子核之间的作用力就越小,两者之间的作用力越小,越容易推动电子。外层电子与原子核的结合力松散,因此其在较小能量的作用下就可以使电子脱离原子核,使原子变成离子。在光学中,最外层电子参与光学过程,如光的吸收,光的反射等,因此,在光学中最外层电子叫光学电子。
原子中的电子总是不停地在自行轨道上运动,由于电子在运动时产生一定的动能,电子被核吸引则有一定势能,这两个能在原子中构成了原子内能。内能取决于核外电子与核的距离,距离增大,内能增大,反之缩小。由于核与电子距离对内能有影响,原子内的电子从一个自行轨道跳跃到另一轨道,就反映了整个原子内能量的变化。一般表示原子能量的方法是把能量的大小,按比例画出数条横线,每一条线代表一个能量值,从而体现出原子能量的不连续性,即只有在这些横线上能量存在,其他的地方无能量。这主要是由于原子中的电子运动轨道是固定的。每一横线称原子的一个能级,把这些线画在坐标轴中,所形成的图为原子能级图。但实际上要比这复杂。最下面的能级为E1,在E1能级上原子的能量状态称原子基态,基态以上的能级称高能级,如E2、E3等,均为激发态。一般正常情况下,大多数原子都处于低能级上,只有少数在高能级中。
原子能量单位用电子伏特(ev)表示。1ev是一个电子通过1V电位差时改变的能量:1ev=1.6×10 -19 J。
在正常条件下,原子外层电子总是处于最低能级轨道,以保持稳定状态。当外界有足够的力量作用于基态的原子时,就可以使基态原子中的电子从它所在的轨道能级跃迁到外层高能级的轨道。这种由低能级跳跃到高能级的过程称激发。激发态的原子不稳定,总要从高能级回到低能级,以致回到基态的趋势。当原子从高能级跃迁到低能级时,把所吸收的能量以光波的形式发散出来,形成大家熟知的发光现象。无论是原子所吸收的能量,还是原子所放出的能量,都是相应能级上的能量之差。即 v =( En - Ek ) /h ,在此公式中 v 是发射光波的频率, h 是普朗克常数(6.626×10 -34 JS), En 是原子在高能级上的能量, Ek 是过渡到低能级上的能量。原子核中的电子跃迁越高,在复回原级位置上时,释放的能量就越高。这就是产生原子光谱的原因。
激光又称镭射(light amplification by stimulated emission of radiation,laser),即英文各字头的缩写,中文意思是通过受激辐射实现的光放大。世界上第一台激光器是红宝石激光器,是梅曼(Maiman)等人在1960年研制成功的。激光是一种特殊的光源。我们了解到的阳光、灯光等,都是向四面八方辐射的,没有一个确定的方向传播。但激光具有高亮度、单色性、方向性及相干性好等特点。广泛应用于工业、农业、科学技术、国防、医疗等领域,且在医疗方面的应用尤为广阔。想要能较好地了解激光,就必须了解物质的分子、原子结构。
前文述及光、原子、能级和光谱;而物质则由一些同类微粒所组成(即原子、分子、离子)。这些微粒处于不同的能级上,而在这些能级中,用 E 1 及 E 2 分别表示两个能级量, E 1 所带的能量少,属低能级; E 2 所带的能量多,为高能级(图2-1-1)。粒子所含的能量不同,总的来说在低能级的粒子占多数,高能级的占少数。因此,在低能级( E 1 )中的粒子数大于高能级中( E 2 )的粒子数。可用图表示高、低能级( E 1 、 E 2 )上粒子数的分布。
光与物质的相互作用有三种过程:受激吸收、自发辐射、受激辐射。
图2-1-1 粒子二能级分布图
当处于低能级 E 1 的粒子吸收一定频率( v )的外来光能时,粒子的能量就会增到 E 2 =E 1 +hv ( h 表示普朗克常数),从而使粒子由低能级 E 1 跃迁到高能级 E 2 上(图2-1-2),这一过程称受激吸收,其中粒子进行跃迁不是自发的,要靠外来光子刺激而进行,同时外来光的能量被吸收,使光减弱。粒子是否能吸收发来的光子,与其方向、位相等方面则无任何限制;而是与两个能级( E 1 和 E 2 )的性质和趋近于粒子的光子数的多少有关。
通常情况下,处于高能级的粒子很不稳定,它会自发想低能级跃迁,不可能长时间的停留在高能级上。同时以光子的形式放出能量 hv = E 2 - E 1 ( v 为辐射光子频率)(图2-1-3)。这种与外界无关的、自发进行的辐射称为自发辐射。自发辐射的特点是:其中每一个粒子的跃迁都是自发、孤立地进行,所也就是相互独立,彼此无联系。产生的光子也是杂乱无章,无规律性的。因此这一过程所产生的光没有一定规律,其相位和方向都不一致。
图2-1-2 E 1 低能级上的粒子被激发到 E 2 高能级上
图2-1-3 粒子跃迁到低能级 E 1 上,同时发射出一束光子
处于高能级的粒子,在某种频率( v )的光子诱发下,从原来所在的能级 E 2 上跃迁至低能级 E 1 上,能量减少△ E = hv ,放出与外来光子完全相同的光子,此时产生了一个光子(受激发后共有2个光子),这个过程称为受激辐射(图2-1-4)。
图2-1-4 处于高能级 E 2 上的粒子跃迁到低能级 E 1 上,同时发射出一个光子
受激辐射的特点是受外来光子的刺激产生,不是自发跃迁的,这与自发辐射不同。受激辐射所释放的光子与外来光子的频率、传播方向、相位及偏振等完全一样,无法区别。受激辐射中由于光辐射的能量与光子数成正比,因而在受激辐射以后,光辐射能量增大一倍。外来光子量越过,受激发的粒子数越多,产生的光子量越大,能量越高。从波动观点来看,假设外来光子为一种波,受激辐射产生的光子为另一种波,由于两个波的相位、振动方向,传播的方向及频率相同,两个波合在一起能量就增大一倍,即通过受激辐射光波被放大(图2-1-5)。
图2-1-5 受激辐射时光束放大
在受激辐射中怎样把更多的粒子数提升到高能级上,总的来说,粒子数在能级上的分布有两种:一种是热平衡分布,一种是非热平衡分布。热评很分布即粒子体系(同种粒子)在热平衡状态下,各能级上的粒子数遵从玻耳兹曼分布。其主要原理是高能级上的粒子数,要比低能级的粒子数少。光辐射在热平衡状态下的粒子体系中,经相互作用,粒子体系吸收光子的数大于受激辐射产生的光子数,光吸收起主导作用。所以一般的情况下观察不到光的放大现象,但可以观察到光的吸收现象。而肺热平衡分布,就是把热平衡分布倒转过来,使粒子数在能级中进行另一种新的分布。这种新的分布主要原理是高能级上粒子分布的数量大于在低能级上的粒子数。这时粒子的受激辐射过程大于吸收过程,从而实现光放大,一般常称为粒子反转分布。所谓“反转分布”,是相对热平衡分布比较而言的。
粒子数反转,指的就是高能态的粒子数多于低能态的粒子数的状态实现粒子数反转是是实现受激辐射的必要条件之一,因为处于高能级被反转上去的粒子很不稳定,通常情况下会自发的或在外加的刺激下辐射出能量,从高能级粒子跃迁到低能级上,使粒子体系回到热平衡分布状态。实现粒子数反转分布,涉及到两个方面:①工作物质的内部结构;②给工作物质施加外部作用。其中工作物质是指在特定条件下能使两个能级间达到非热平衡状态,从而实现光放大。
但在粒子体系中,有些粒子的寿命很短暂,是不能用来做工作物质的,而有些粒子的寿命相对较长些,这些粒子能级叫做亚稳态能级,亚稳态能级可以在一定时间内与某一能级实现粒子数反转,以达到对特定频率的辐射光进行光放大。光放大仅仅靠粒子数反转还是不够的,同时还需要对亚稳态能级粒子体系(主要工作物质)增加某种外部的作用。这是由于在热平衡的分布中,处于高能级的粒子数总是少于处在低能级上的粒子数,想要实现粒子数反转,就得给粒子体系增加某种外部的作用,促使大量低能级的粒子反转到高能级,这个过程被叫做激励。
到目前为止。通过大量实践,人类已经掌握了一些粒子数反转的有效方法。如对固体型的工作物质常利用强光照射的办法,即为光激励;对气体型的工作物质,常应用放电的办法,促进特定储存气体物质按一定的规律经放电而激励;如工作物质为半导体物质,采用注入大电流方法激励发光,这类注入大电流的方法被叫做注入式激励法;此外,还可应用超音速绝热膨胀法(热激励)、化学反应方法(化学激励法)、电子束甚至用核反应中生成的粒子进行轰击(电子束泵浦)等方法,都能实现粒子数反转分布。从能量角度看,激励过程就是外界给粒子体系提供能量的过程,而实现激励所需要的能量,由激励装置从其他形式的能量(光、电、化学、热能等)转换而来。
虽然处于粒子数反转的工作物质可以对特定频率的光进行放大,但是激光振荡器中工作物质发出的光是工作物质本身自发跃迁而产生的,即自发辐射,如上所述,自发辐射中每一个粒子的跃迁都是孤立、自发地进行,所产生的光子也是杂乱无章,无规律性,因此这一过程所产生的光没有一定规律,其相位和方向都不一致。为使自发辐射频率单一性,就需要有一特殊装置来实现,即光学谐振腔。
解决自发辐射方向和频率混乱的问题,使其呈单一性的方法就是在工作物质的两侧放置两块反射镜。而且两块反射镜必须彼此平行,并与工作物质的光轴垂直(图2-1-6)。两个反射镜中,一个是全反射镜,反射有效率为99.8%;一个是半反射镜,反射率为40%~60%。谐振腔即指两块反射镜构成的空间。在谐振腔中,初始的光辐射是来自自发辐射,即处于高能级上粒子自发辐射光子跃迁到低能级,所以由于这类辐射出来的光子初相位无规律地向四面八方射出,这种光不是激光。
图2-1-6 激光振荡反射示意图
自发辐射光子不断产生,同时射向工作物质,再激发工作物质产生很多新光子(受激辐射)。光子在传播中一部分射到反射镜上,另一部分则通过侧面的透明物质跑掉。光在反射镜的作用下又回到工作物质中,再激发高能级上的粒子向低能级跃迁,而产生新的光子。在这些光子中,不在沿谐振腔轴方向运动的光子,就不与腔内的物质作用。沿轴方向运动的光子,经过谐振腔中的两个反射镜多次反射,使受激辐射的强度越来越强。促使高能级上的粒子不断地发出光来。如果光放大到超过光损耗时(衍射、吸收、散射等损失)产生光的振荡,使积累在沿轴方向的光,从部分反射镜中射出就形成了激光。
在谐振腔的反馈过程中,我们了解到光只能沿谐振腔的轴向传播,且由于谐振腔中两个反射镜之间距离不同,光在腔内不断地反射,得到加强,而其他波长的光在腔内很快被衰减掉,谐振腔就可以选择一固定波长,因此可以看出,激光具有很高的方向性且也具有单色性。而激光的亮度高则是由光放大产生的。
激光的产生,必须有激光器,而激光器必须具备三个主要部分。
这是激光器的核心,必须具备有亚稳态能级性质,只有能实现能级跃迁的物质才能够作为激光器的激活物质。目前,激活物质已有数千种,激光波长已由X光远至红外光。
能使激活物质发生粒子数反转分布的能源,即称激励装置。如各种激光器所具备的电源。
能使光子在其中重复振荡并多次被放大的一种由硬质玻璃制成的谐振腔。这是激光器的重要部件,其作用一是使工作物质的受激辐射连续进行;二是不断给光子加速;三是限制激光输出方向。
产生激光的过程归纳为:激励→激活物质(工作物质)实现粒子数反转;被激励后的工作物质中偶然发出的自发辐射→其他粒子的受激辐射→光子放大→光子振荡及光子放大→激光产生。
基于以上所述,在激光产生的过程中,上述因素缺一不可。
临床上应用的激光器种类很多,如以组成激光器的工作物质来说可分为气体激光器、液体激光器、固定激光器、半导体激光器、化学激光器等。在同一类型的激光器中又包括有许多不同材料的激光器,如固体激光器中有红宝石激光器、钇铝石榴石(Nd:YAG)激光器。气体型的激光器主要有准分子激光、He-Ne(氦-氖)激光、CO 2 激光及氩离子激光器等。从工作方式上分类,有的激光器可连续工作,如He-Ne激光;有的以脉冲形式发光工作,如红宝石激光;而另一些激光器既可连续工作,又可以脉冲形式工作,如CO 2 激光及Nd:YAG激光。以激励能源来分类,可分为电激励、光激励等。
准分子激光产生于1975年,英文名称为excimer laser。“excimer”由excited dimer两个字合起来产生,原意是“受激发的二聚体”。dimer所指的二聚体是惰性气体和卤素两种元素。
基态下的惰性气体原子,其电子壳层全部被填满,故化学性能稳定,不可能与其他原子结合成为稳定的分子,但是当它们受激发时,由于电子被激发到更高轨道上,最外层的满壳层电子分布被打破,则可和另一原子形成一个短寿命的分子,这种处于激发态的分子被称为受激准分子,简称准分子。
准分子的寿命只有10 -8 ~10 -13 s,准分子处于激发态时,有很短的时间形成粒子数反转。准分子从激发态通过中间的两个能级跃迁回基态时,释放出光子,经谐振腔振荡,发射出激光。同时,惰性气体和卤素气体从准分子状态迅速解离成两个原子。
不同的惰性气体和卤素的短暂性的结合混合物于解离时会释放出不同波长的光。例如,ArF:193nm;KrF:248nm;XeCl:308nm;XeF:351nm。现在用于激光近视手术的氩氟混合物产生的是193nm波长的紫外光,其光量子能量很大,与生物组织作用时发生光化效应,使细胞组织气化,但对周围组织无影响。
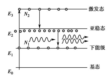
图2-1-7 准分子激光产生原理
准分子激光属于四能级系统(图2-1-7)。这四个能级就是基态 E 0 ,下能级 E 1 ,亚稳态 E 2 ,激发态 E 3 。在泵浦源的激励下,基态 E 0 的粒子大量地跃迁到激发态 E 3 ,在这里形成准分子。由于 E 3 状态不稳定,粒子便迅速转移至亚稳态 E 2 。亚稳态就是指粒子在这一能级停留的时间相对较长。而粒子在下能级 E 1 处的停留时间很短,落在这个能级上的粒子很快便回到基态 E 0 ,所以粒子数反转是在 E 2 和 E 1 之间实现的。由于准分子是在激发态下形成的,而且回到基态后便迅速解离,所以处于基态 E 0 的准分子总是几乎没有的,从而下能级 E 1 也总是空的,所以容易形成粒子数反转,从而使准分子激光器可以获得较高的输出功率。
用于屈光手术的准分子激光工作物质为氩氟混合气(ArF),我们有时称所用的气体是氟化氩气体,这是不科学的,因为不存在稳定的基态氟化氩分子。其激励装置为高压电激励,电压可高至80000至300000伏。光学谐振腔由两块镜片组成,一片为全反射镜片,反射率为97%~98%,另一片为半透半反射镜片。镜片材质为氟化镁晶状体或者光学玻璃。谐振腔内一般还装有搅动泵和电风装置,以利于得到稳定的激光输出。
准分子激光与生物组织作用时发生的不是热效应,而是光化反应。所谓光化反应,是指组织受远紫外光激光作用时,会断裂分子之间结合键,将组织直接分离成挥发性的碎片而消散无踪,对周围的组织则没有影响。ArF准分子激光能量为6.4电子伏特,组织分子结合键能量为3.5电子伏特。因此,光子可以打断分子之间的结合键,将组织分离成挥发性的碎片。ArF准分子激光单脉冲准确地击中细胞的分子键,使用不同的能量密度,可以移除0.2μm至0.25μm深度的角膜组织(图2-1-8)。
图2-1-8 准分子激光作用
A.准分子激光光化作用;B.准分子激光作用于角膜。
准分子激光的能量几乎完全被角膜细胞吸收。用氩氟准分子激光对动物角膜作切除,并进行超微结构检查,实验发现切口精确,边界清晰,周围无热损伤现象(图2-1-9)。
准分子激光应用于近视治疗已经有30余年的历史,总体来说,利用准分子激光改变角膜曲率矫正屈光不正是安全和精确的。但是,我们必须注意,医师和技师对治疗参数的不恰当选择和错误输入都可能造成患者的终生痛苦或不适。对激光和准分子激光性质的充分了解和对使用的设备特性的熟练掌握可以给患者提供更好、更安全的治疗。
图2-1-9 准分子激光作用于组织无热损伤
A.钇铝石榴石激光;B.二氧化碳激光;C.准分子激光。
飞秒激光(femtosecond laser)是一种以脉冲形式运转的红外线激光,目前用于角膜手术的波长为1053nm。由于它能对眼角膜组织进行高精确的切割,而且不影响切割区以外的组织,具有极高的安全性。近年来被逐渐应用到眼科领域,如准分子激光手术中制作角膜瓣、飞秒激光透镜状角膜基质取出术(femtosecond lenticule extraction,FLEx)、小切口透镜状角膜基质取出术(small incision lenticule extraction,SMILE)、角膜移植、角膜基质环植入、散光角膜切开等等,都显示出极好的应用前景。
(廖荣丰 胡 浩)