



在复杂电路中,如何求解电参数?什么是电荷守恒定律?什么是电压守恒定律?
复杂电路示例如图1-36所示, U =10V, I S =0.15A,X 1 、X 3 为5V/1W的白炽灯,X 2 、X 4 、X 5 为4V/0.5W的白炽灯。计算流过各白炽灯的电流和各白炽灯的端电压及电流源的端电压,分析各白炽灯的工作状态。
图1-36 复杂电路示例
1)将图中1-36中的白炽灯用理想元件来等效,计算各白炽灯的电阻值,完成表1-10。
表1-10 复杂电路中的等效电阻
2)用理想化电路模型重新绘制图1-36电路于图1-37中。
3)图1-37中包含哪些支路、节点、回路和网孔,填入表1-11。
4)由图1-37可知,电路有__________个未知电参数,分别是:__________;电路中共有__________个节点,可列__________个独立的KCL方程;共有__________个网孔,可列__________个独立的KVL方程。分别列出求解电参数所需的独立的KCL、KVL方程于表1-12中。
图1-37 理想化电路模型
表1-11 复杂电路中的支路、节点、回路和网孔
表1-12 复杂电路KCL、KVL方程
5)支路电流 I 1 、 I 2 、 I 3 、 I 4 、 I 5 分别为流过白炽灯X 1 、X 2 、X 3 、X 4 、X 5 的电流。代入参数,联立求解各电参数并填入表1-13中。
表1-13 电路中电参数的求解
6)支路电流 I 1 、 I 2 、 I 3 、 I 4 、 I 5 分别为流过白炽灯X 1 、X 2 、X 3 、X 4 、X 5 的电流。基于Multisim求解图1-36中各支路的电流和元器件的端电压,完成表1-14。
表1-14 基于Multisim求解的电参数
7)根据计算和仿真结果,分析各白炽灯的工作状态,说明该工作状态在实际电路中是否被允许。
______________________________
在一个电路内部,各部分电流、电压之间相互影响、相互制约,成为一个统一的整体,基尔霍夫定律从电路的整体和全局上,揭示了电路各部分电流、电压之间所必须遵循的规律。
介绍基尔霍夫定律之前,先来学习几个电路中常用的名词:
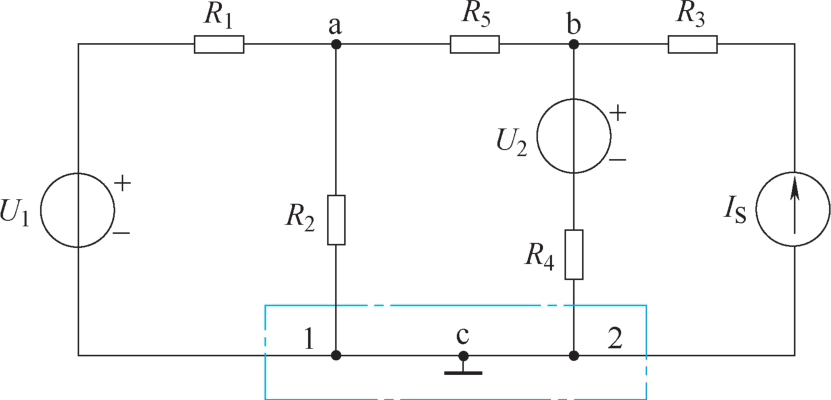
1)支路: 一段 包含电路元件 的 无分支电路 ,如图1-38所示,1 -U 1 -R 1 -a为一个支路。
2)节点: 三条或三条以上支路的交汇点。图1-38中,a、b均为节点,但1、2之间是一条电阻为零的导线,两者是等电位点,从电气特性上看是同一点,我们将其标注为c,c也是一个节点。
3)回路: 电路中任一个由支路组成的闭合路径。图1-38中, U 1 -R 1 -a -R 5 -b -U 2 -R 4 -2-c-1 -U 1 为一个回路。
4)网孔: 中间没有支路穿过的回路称为网孔。图1-38中,1 -R 2 -a -R 5 -b -U 2 -R 4 -2-c-1为一个网孔。
可以认为,网孔是最简单的回路。图1-38中,1 -R 2 -a -R 5 -b -U 2 -R 4 -2-c-1是网孔,而 U 1 -R 1 -a -R 5 -b -U 2 -R 4 -2-c-1 -U 1 是回路,但不是网孔。因此网孔一定是回路,但回路不一定是网孔。
基尔霍夫定律包含基尔霍夫电流定律和基尔霍夫电压定律。
图1-38 复杂电路示例
基尔霍夫电流定律(英文缩写KCL)是有关节点电流的定律,用来确定各支路及各部分电流之间的关系。其内容可表述为,在任意时刻,流入某一节点的电流总和等于流出该节点的电流总和。
以图1-39所示电路中的a节点为例, I 1 流入该节点, I 2 、 I 3 流出该节点,所以有
式(1-11)也可以改写为
可得基尔霍夫电流定律普遍适用的表达形式
图1-39 基尔霍夫电流定律
式(1-13)表明, 任意时刻,流经任意节点的电流代数和等于零 。
可以规定流入节点的电流为正、流出节点的电流为负。当然,也可以做相反的规定。
基尔霍夫电流定律的理论依据是电流的连续性原理,即电荷在电路中的运动是连续的,在任何地方都不能消失、不能创造。该定律体现了电荷守恒定律。
图1-40 基尔霍夫电流定律的扩展应用
依据电流连续性原理,基尔霍夫电流定律不仅适用于节点,还可扩展应用于电路的某一部分。以图1-40所示电路为例,将这部分电路用一个假想的封闭面包围起来,可看作是一个大节点,称为广义节点,则有
基尔霍夫电压定律(英文缩写KVL)是确定一个回路内各部分 电压 之间 关系的定律 。其内容可表述为,在任意时刻,沿 任意闭合路径 绕行一周,各段 电压的代数和为零 。用公式表示为
关于电压“代数和”中正、负号的规定:电压参考方向与绕行方向一致的,取正号,即沿着绕行方向电压由“+”到“-”,即该段电压为正;反之,取负号。
图1-41 基尔霍夫电压定律
以图1-41所示电路为例,从A点出发,取顺时针方向为绕行方向(如图中虚线所示),绕行一周,再回到A点。
基尔霍夫电压定律方程
基尔霍夫电压定律的理论依据是 电位的单值性原理 ,即相对于电位参考点,任何一点都有确定的电位值。沿任意闭合路径绕行一周,其间有电位升,也有电位降。但 电位升的总和一定等于电位降的总和 ,即代数和是零,以确保重新回到原出发点,该点电位值不变,体现了 能量守恒定律 。
式(1-15)是基尔霍夫电压定律 普遍适用 的形式。由于不涉及电路元件的性质,所以既适用于线性电路,也适用于非线性电路。
如果电路中只包含线性电阻元件和电压源,且用欧姆定律表示电阻元件的端电压,用电动势表示电压源的端电压,则基尔霍夫电压定律可表示式为
式(1-17)可表述为,任意时刻,沿闭合回路绕行一周,各线性电阻电压降的代数和等于各电压源电动势的代数和。
图1-42 基尔霍夫电压定律(电压源用电动势表示)
同样,式(1-17)中代数量的正、负号也有规定:电流 I 的参考方向与绕行方向一致的,电阻电压降 IR 取正号;反之,电流 I 的参考方向与绕行方向相反的,电阻压降 IR 取负号。当电压源电动势的方向与绕行方向一致的,取正号;反之,取负号。
因此,图1-42中的电路用线性电阻压降的代数和等于各电压源电动势代数和来表示,则有
基尔霍夫电压定律也有扩展应用。即基尔霍夫电压定律不仅适用于实际的闭合回路,也 适用于假想的闭合回路 。例如,要计算图1-43所示电路中A、C两点间的电压 U AC ,可假想A、C之间是连通的,构成了闭合回路A-B-C-A。条件是A、C两点间的电压 U AC 保持不变。
图1-43 基尔霍夫电压定律扩展应用
可得KVL方程为
电路分析、计算的主要任务是,在给定 电路结构及元器件参数 的条件下,计算出 各支路的电流和元器件的端电压 。简单电路可以用电阻串联、并联等效变换的方法,把电路化简后用欧姆定律求解。复杂电路则不能用电阻串联、并联等效变换的方法求解。可以用什么方法来求解复杂电路中的电流呢?支路电流法就是多种分析、计算复杂电路的方法之一,也是一种最基本的方法。
支路电流法是以 支路电流为未知量 ,按照KCL、KVL列出足够数量的 独立 方程,然后联立求解。
以图1-44为例,求解各支路的电流和电流源的端电压,已知电压源 U 1 、电流源 I S ,以及线性电阻 R 1 、 R 2 和 R 3 。
求解步骤如下:
1)明确电路结构、电路参数及待求量。
图1-44 支路电流法
本电路有两个节点、三条支路、三个回路(两个网孔)。三个支路电流、电流源的端电压是待求量。
2)在列写KCL、KVL方程之前,首先要假定各支路电流的参考方向,支路电流 I 1 、 I 2 、 I 3 和电流源端电压 U 的参考方向如图1-44所示。
3)列写KCL方程。
显然,以上两个方程只有一个是独立的,另一个可以从前一个方程经过变换、推导得出,对于联立求解没有意义,不需列出。由此可知,该电路共有两个节点,只能列出一个独立的KCL方程。
4)列写KVL方程。
先要选择绕行方向。假设选择顺时针方向作为绕行方向,并用虚线带箭头的线段标示在图中。该电路有三个回路,能列出三个KVL方程,但其中只有两个是独立的。
对于左侧网孔 U 1 -R 1 -a -R 2 -b -U 1 ,按顺时针的方向可列KVL方程为
对于右侧网孔b -R 2 -a -R 3 -I S -b,按顺时针的方向可列KVL方程为
还可以对 U 1 -R 1 -a -R 3 -I S -b -U 1 回路列写KVL方程,但这个方程可以由以上两个方程相加得到,不是独立的,不需要列出。
综上所述,对于本电路可列出一个独立的KCL方程、两个独立的KVL方程,能够联立求解三个未知的支路电流( I 3 = I S 是隐含的已知条件)。
5)代入数据后,联立求解。
用支路电流法计算复杂电路的 关键 之一是 列出足够数量的独立方程 ,总结规律如下:如果电路总共有 n 个节点 ,则 只能列出 n -1个独立的KCL方程 ,即对最后一个节点所列方程是不独立的,不需要列出。用 网孔列岀的KVL方程都是独立的 。
根据上述规律列出的KCL、KVL独立方程的数量一定与待求的支路电流的数目相等,即所列方程是 必要且充分 的。
电路如图1-45所示,已知 U 1 =45V, U 2 =40V, R 1 = R 3 =5Ω, R 2 =10Ω,用支路电流法计算各支路的电流。
______________________________
图1-45 支路电流法求解电流电路