



生产生活中的照明电路(如手电筒电路)存在几种工作状态?为什么有时灯不亮?为什么有时灯不够亮或者太亮?开关设备为什么会跳闸?
基于亮度可调的手电筒电路,分析电路的工作状态,总结各种工作状态中电参数的特点。
1)如图1-28所示,当开关QS断开时,电路中两个万用表的数值是多少?其中万用表1(XMM1)用来测量白炽灯的端电压,万用表2(XMM2)用来测量电路中的电流。
____________________
2)当图1-28中开关QS闭合时,电路中两个万用表的数值是多少(假设电位器RP的调节量 α =50%)。
______________________________
3)如图1-29所示,开关QS闭合,电位器调到最小档位(电位器调节增量 α =0),白炽灯的两端用一导线连接时,电路中两个万用表的数值是多少?
______________________________
图1-28 开关QS断开时手电筒电路中各电参数的特性
图1-29 用导线短接灯泡
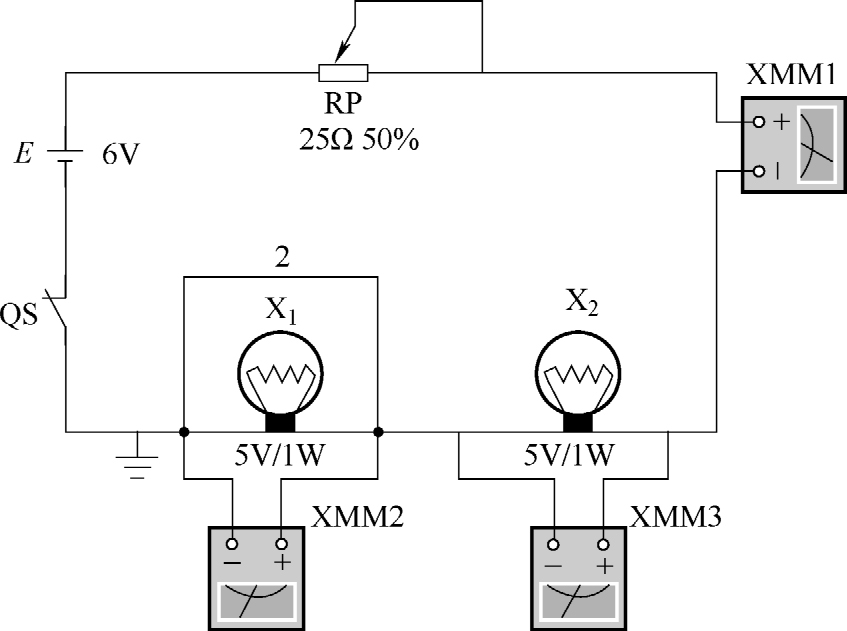
4)如图1-30所示,开关QS闭合,电路中串联两个白炽灯X 1 、X 2 ,其中白炽灯X 1 用导线短接,电路中三个万用表的数值是多少(假设电位器RP的调节量 α =50%)?其中万用表1(XMM1)测量电路中的电流,万用表2(XMM2)测量白炽灯X 1 的端电压,万用表3(XMM3)测量白炽灯X 2 的端电压。
______________________________
图1-30 导线短接的应用
5)思考第4步中把白炽灯X 1 用导线短接的做法在实际工程中是否有应用?(提示:可从电路检修、排故等方面分析)
______________________________
当负载不用电或者检修电源设备及排除电路故障时,都需要把负载与电源隔开,如图1-31所示, E 为电源电动势, R 0 为电源的等效内阻,QS为开关, R 为负载。负载与电源之间用开关QS隔开,电路的这种状态称为开路,又称断路。
开路状态下,电路电流为零。电源不向负载释放功率,又称为空载状态。
负载一侧的电压 U 1 =0。电源一侧的电压 U = E ,利用这个特点可以用电压表测出电源的电动势。
图1-31 电路开路状态
从广义上说电路的任何一部分被电阻等于零的导线连接起来(图1-32中虚线连接部分),使该电路两端电压等于零,这种现象称为短路。图1-32所示是电源两端被短路的情况,其中, E 为电源电动势, R 0 为电源的等效内阻,QS为开关, R 为负载, U 为负载端电压, I 为流过负载的电流, I SC 为短路电流。
由于电源两端直接经过短路导线形成闭合回路,使其端电压 U =0,流过负载的电流 I =0,负载吸收的电功率为零。
此时流过电源的电流
,称为短路电流。通常电源的内阻
R
0
很小,所以短路电流
I
SC
很大,可能是正常工作电流的几十倍,甚至更大。电源产生的电功率
P
全部消耗在内阻上,
将产生大量热量,会造成人员伤害或设备损坏,是一种严重的事故,应尽力避免。为此要在电路上加装保护电器,如熔断器。
除了电源短路之外,有时还根据需要,将电路的某一部分或某一元件短路。如图1-33所示,当不需要测量电流时,可以用闭合开关QS的方法,将电流表短路,以保护电流表。
图1-32 电路短路状态
图1-33 有用短路
如图1-34所示,当开关闭合,电源与负载接通,电源向负载提供电功率,这种状态就是负载工作状态。其中, E 为电源电动势, R 0 为电源的等效内阻,QS为开关, R 为负载, U 为负载端电压, I 为流过负载的电流。
负载工作状态下,电路中的各电参数如下:
1)电流
图1-34 负载工作状态
2)电源的端电压,即负载电压
3)电压平衡方程
式(1-9)两边乘以 I ,得到功率平衡方程为
式(1-10)表明,电源产生的总电功率 P E = EI ,是电源内阻 R 0 和负载 R 吸收电功率之和,满足功率平衡关系。
负载吸收的电功率为 P R = I 2 R = UI 。
电源输出的电功率为 P = EI-I 2 R 0 ,且 P R = P 。
对于任何一个电气设备,所能承受的电压、电流等都有一定的限额,使用时如果超过其承受限额,会导致设备发热、温升过高或内部绝缘材料受损,降低设备使用寿命。为了使电气设备长期安全可靠运行,就必须规定一些必要的限额使用数值,如额定电压 U N 、额定电流 I N 、额定功率 P N 等,总称为设备的额定值。电气设备的额定值一般都标示在设备的铭牌上或列入产品说明书及产品使用手册中。
实际使用时,如果设备刚好运行在额定值下,则称为额定工作状态。这时设备得到最充分、最经济合理的应用。设备在低于额定值的状态下运行,设备不仅未被充分利用,还会出现工作不正常的情况(如照明灯具亮度不足、电动机转速过低等),严重时还会损坏设备。设备在高于额定值下运行,若超过不多,持续时间不长,不一定造成明显事故,但可能影响设备的使用寿命,所以一般也是不允许的。
每一个电气设备及电路元件都有若干个额定值,这些额定值之间有确定的关系。因此,在它们的铭牌上或产品说明书中往往只给出最主要、最常用的部分额定值,其他额定值可自行计算。对于电阻性质的负载,由于其 P N 、 U N 、 I N 及电阻 R 之间有确定的关系,只要给出其中任意两个,另外两个值就可容易地计算出来。所以一般家用照明灯具生产厂商往往只给出额定功率 P N 和额定电压 U N ,电子电路中使用的电阻器也只给出额定功率 P N 和电阻值 R N 。
1.通路、__________、__________是电路的三种状态。
2.如图1-35所示,直流电源 E 为18V,两个5V/1W的白炽灯X 1 、X 2 ,QS为开关。
图1-35 电路工作状态图
1)求白炽灯的电阻是多少?
______________________________
2)开关QS闭合时,电路工作在什么状态?
______________________________
3)电路中电流为多少?两个白炽灯能正常工作吗?
______________________________