



工程中经常需要测量电路中电流的大小或某元器件的端电压,通过查找电流、电压的测量案例,思考在测量电流、电压时仪表应如何接线,以及是否需要考虑正、负极性。
基于Multisim仿真软件(简称Multisim)绘制任务一中的手电筒电路模型并进行仿真分析,测出白炽灯的端电压和流过白炽灯的电流,观察电位器改变时白炽灯亮度的变化情况,记录过程中的数据,根据电路中电参数的大小和方向总结白炽灯的伏安特性。然后,更改直流电源的方向,观察万用表的测量值将如何变化。
1)根据图1-16a所示手电筒电路的电路原理图,基于Multisim构建仿真电路,进行仿真接线,完成图1-16b。
图1-16 手电筒电路的电路原理图及仿真接线
2)图1-17所示为Multisim仿真软件中的万用表。写出其测量模式和参数类型,完成表1-1和表1-2。
图1-17 Multisim中的万用表示意图
表1-1 Multisim中万用表电参数的含义
表1-2 Multisim中万用表交/直流模式选择
3)应用Multisim中万用表测量电参数时,如何选择其测量模式和参数类型,写出操作步骤。图1-18所示的万用表XMM1和XMM2分别表示对什么电参数进行测量?
______________________________
图1-18 Multisim中万用表的测量模式和参数类型的选择
4)根据仿真结果完成表1-3,表中 U 1 为白炽灯X的端电压, I 为流过白炽灯的电流, α 为电位器的调节增量(0~100%)。
表1-3 基于Multisim的手电筒电路的电压、电流仿真参数记录表
(续)
5)观察调节电位器时白炽灯的亮灭变化情况,并总结规律。
______________________________
6)总结白炽灯的端电压 U 1 和流过的电流 I 与电位器调节增量 α 的变化之间的关系。(提示:从电参数大小进行分析)
______________________________
7)总结手电筒电路中的电压和电流之间的数值关系(提示:从两种电参数之间的关系进行分析)。
______________________________
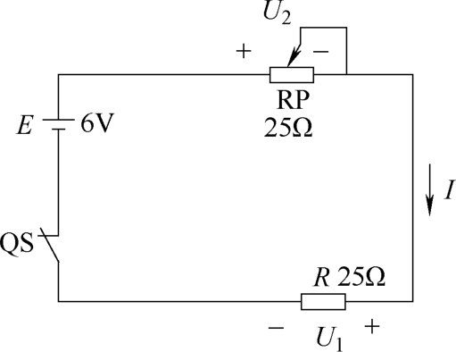
8)通过仿真数据总结电路中各元器件的电压之间的关系,用数学公式表示(假设直流电压源用 E 表示,白炽灯等效电阻 R 的端电压为 U 1 ,电路中流过的电流为 I ,各参数的参考方向已在图1-19中标出)。
______________________________
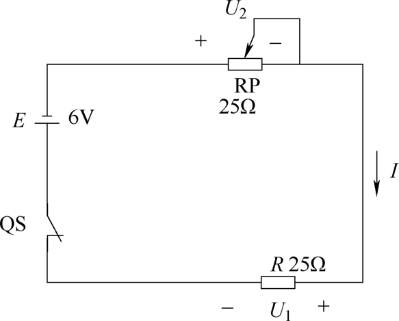
9)仅更改直流电源的方向,如图1-20所示。保持万用表的接线不变,重新记录仿真中的参数,填入表1-4。
图1-19 手电筒电路中各参数的符号及参考方向
图1-20 仅更改直流电源方向后的手电筒电路
表1-4 更改直流电源方向后的电压、电流参数记录表
(续)
10)分析更改直流电源方向后的电路仿真结果,总结规律并说明结果变化的原因。(提示:从电流、电压的方向进行分析)
______________________________
11)电路中电流、电压的实际方向如何确定?
______________________________
12)根据欧姆定律、串联回路方程,求解图1-19中电阻 R 的端电压 U 1 、电位器RP的端电压 U 2 、回路中的电流 I ,完成表1-5。
表1-5 手电筒电路中各电参数的计算公式及结果
13)将RP中 α =50%时各电参数的 仿真结果 填入表1-6中,与表1-5中的计算结果进行对比。
表1-6 理想化电路模型中各元器件的电参数
14)根据图1-20,计算直流电源 E 、电阻 R 和电位器RP的功率,指出各元器件是吸收功率还是释放功率,完成表1-7,验证回路中功率是否守恒。
表1-7 直流电路中各元器件的功率计算表
电流、电压是表示电路状态及对电路进行定量分析的基本物理量。电流、电压都是 矢量 ,既有大小,也有方向,如何确定电流、电压的实际方向呢?
什么是电流?带电粒子有规则地定向运动形成电流 。电流的大小用单位时间内通过某导体横截面的电荷量来表示。在直流电路中,电流的大小和方向都不随时间变化。假设在时间 t 内,通过某导体横截面的电荷量为 Q ,则电路中的电流 I 可表示为
在国际单位制中,电荷 Q 的单位是库[仑](C),时间 t 的单位是秒(s),电流 I 的单位是安[培](A)。
电流的实际方向如何确定?一般规定电流的实际方向为 正电荷的运动方向 。在简单电路中,电流的实际方向很容易确定。例如,在图1-5所示电路中,电流的实际方向是由电源的正极流出、经过电阻(白炽灯)、流回电源负极。但在较为复杂的电路中,一段电路中电流的实际方向有时很难预先确定。为了分析和计算电路需要,引入 电流参考方向 这一概念。参考方向也称 假定正方向 ,简称 正方向 。
什么是参考方向?所谓参考方向,就是在一段电路里,电流的方向有两种可能,在电流 可能的两个实际方向中 ,任意选择一个作为标准,也就是作为参考,并用 实线带箭头的线段标出 ,如图1-21所示。当电流的实际方向(用 虚线带箭头的线段标出) 与该参考方向相同时,电流 I 为正值( I >0);当电流的实际方向与该参考方向相反时,电流 I 为负值( I <0),图1-21中的方框是表示一段电路的普遍适用方法,它既可以是一个电路元件,也可以是多个电路元件的组合。
通过以上分析可知,电流的参考方向是 人为规定的 ,是用来求解电流实际方向的一种办法。在选定电流的参考方向后,电流 I 为一个代数量(带有正、负符号的数值),可正、可负。参考方向与该代数量结合,才能确定电流的实际方向。
图1-21 电流的参考方向
电压 是衡量 电场力(推动正电荷运动)对电荷做功的能力的物理量 。在电路中,A、B两点之间的电压在数值上等于电场力把单位正电荷从A点移动到B点所做的功。若电场力移动的电荷量是 Q ,所做的功是 W ,则A、B两点之间的电压可用式(1-3)计算:
在国际单位制中,功(能量) W 的单位是焦[耳](J)。
电压也有方向,电压的实际方向如何确定?规定电压的实际方向为从 高电位点指向低电位点 。电场力推动正电荷沿着电压的实际方向运动,电位逐点降低。此时,电场力对正电荷做正功。
如同确定电流的实际方向一样,首先需要对电流选定参考方向。在分析、计算电路问题时,往往也很难预先知道一段电路中电压的实际方向。为此,对电压也要选取参考方向。在图1-22所示中,规定A为高电位点,标以“+”号,B为低电位点,标以“-”号,即选取该段电路电压的参考方向从A指向B。当电压的实际方向与参考方向一致时,电压是正值;
不一致时,电压是负值。这表明,引入了电压的参考方向之后,电压是一个代数量(带有正、负符号的数值)。借助于电压的正、负值,并结合它的参考方向,就能够确定电压的实际方向。
电压的参考方向可以用以下两种方法表示:
1)用“+”“-”号分别表示假设的高电位点和低电位点。
2)用双下标字母表示,如 U AB ,第一个下标字母A表示假设的高电位点,第二个下标字母B表示假设的低电位点,因此有 U AB = -U BA 。
图1-22 电压参考方向
这两种方法所代表的意义相同,使用时,可任选其中一种。
从前面的分析可知,电流、电压的参考方向可以任意选取。但是为了分析、计算方便,对于同一段电路的电流和电压,往往采用关联参考方向,什么是关联参考方向?如图1-23a所示,电流、电压的关联参考方向就是使两者的参考方向一致,电流自假设的高电位点“+”流向低电位点“-”,即电流的流向与电压降的方向一致(电流的流向由“+”到“-”,或者由“高”到“低”)。与之相反,电流、电压之间采用非关联参考方向,如图1-23b所示。
对于线性电阻元件来说,在电流、电压为关联参考方向时,电阻元件的端电压与流过的电流之间满足的欧姆定律关系式为
若为非关联参考方向,则电阻元件的端电压与流过的电流之间满足的欧姆定律关系式为
图1-23 电流、电压的关联参考方向与非关联参考方向
为了简便,今后在分析、计算电路时,同一段电路的电流、电压一般均假设为关联参考方向。
一段电路或某一电路元件在单位时间内所吸收(消耗)或释放(产生)的电能称为电功率。在直流电路中,电功率为
在国际单位制中,功率的单位是瓦[特](W)。1瓦(W)功率等于每秒吸收或提供1焦[耳](J)的能量。
相对于确定的参考方向, U 和 I 都有可能是正值或负值,所以用式(1-6)算出的电功率 P 可能是正值,也可能是负值。以图1-23a所示电路为例,当电流 I 和电压 U 为关联参考方向时,若计算得出的 P 为正值,则表明这一段电路是吸收电功率的。这是因为 P 为正值,必然是 U 、 I 同为正或同为负。物理意义是,这时电流(正电荷)在电场力作用下从高电位点流向低电位点,是电场力做功,将电能转换成其他形式的能量。反之,在电流 I 和电压 U 为关联参考方向时,若计算得出的 P 为负值,则表明这一段电路是释放电功率。
当电流 I 和电压 U 为非关联参考方向时,计算得出的 P 是正值,这一段电路是释放电功率的。反之,计算得出的 P 是负值,则表明这一段电路是吸收电功率的。
Multisim仿真软件提供的普通虚拟数字万用表外观与实际的万用表相似,但测量面板的操作更加方便、灵活,测试功能更加强大。
数字万用表可以用来测量电流、电压、电阻和分贝值等电参数,还可以对直流信号或交流信号进行测量,并根据被测参数的大小自动修正量程。
图1-24所示为Multisim仿真软件中数字万用表的图标及面板。理想的数字万用表在电路测量时,对电路不会产生任何影响,即电压表不会分流、电流表不会分压,但在实际中都达不到这种理想要求,总会产生测量误差。
虚拟仪器为了仿真这种实际存在的误差,引入了内部设置。在Multisim仿真软件中,可以通过设置虚拟数字万用表的内部参数来真实模拟实际仪表的测量结果。在功能设置区有6个按钮,当需要选择某项功能时,只需单击相应的按钮即可。
图1-24 数字万用表的图标及面板
1)A(电流档):测量电路中某支路的电流。测量时,数字万用表应串联在待测支路中。用作电流表时,数字万用表的内阻非常小(1nΩ)。
2)V(电压档):测量电路两节点之间的电压(某段电路的端电压)。测量时,数字万用表应与两节点并联。用作电压表时,数字万用表的内阻非常高,可以达到1GΩ。
3)Ω(欧姆档):测量电路两节点之间的电阻。被测节点与节点之间的所有元件当作一个“元件网络”。测量时,数字万用表应与“元件网络”并联。
4)dB(分贝档):测量电路两节点之间电压降的分贝值。
5)交流信号(~)或直流信号(—):用于选择被测量是交流信号或直流信号。
6)设置:单击“设置”按钮,弹出如图1-25所示的“Multimeter Settings”(数字万用表设置)对话框,从中可以对数字万用表的内部参数进行设置。
①“Electronic setting”(电气特性设置)选项区的各选项功能如下:
Ammeter resistance(R):设置测试电流时表头的内阻,其大小影响电流的测量精度。
Voltmeter resistance(R):设置测试电压时表头的内阻。
图1-25 数字万用表设置对话框
Ohmmeter current(I):设置测试电阻时流过表头的电流值。
dB relative value(V):用于设置分贝相对值,预先设置为774.597mV。
②“Display setting”(显示特性设置)选项区各选项功能如下:
Ammeter overrange(I):设置电流表的测量范围。
Voltmeter overrange(V):设置电压表的测量范围。
Ohmmeter overrange(R):设置欧姆表的测量范围。
设置完成后,单击“OK”按钮保存设置;单击“Cancel”按钮取消本次设置。
电阻 R 1 、 R 2 并联,电阻值比为 R 1 : R 2 =2:5,则电流比为__________,电压比为__________,功率比为__________。
1.两个阻值相同的电阻器串联后的等效电阻与并联后的等效电阻之比是( )。
A.4:1
B.1:4
C.1:2
D.2:1
2.电阻串联的主要作用是串联分压,其分压规律为( )。
A.大电阻分低电压
B.小电阻分高电压
C.大电阻分高电压
D.电压保持不变
3.电阻上的伏安关系称为欧姆定律,是指( )。
A.电阻的电压与通过的电流成反比
B.电阻的电压与通过的电流成正比
C.电阻的功率与通过的电流成正比
D.电阻的功率与通过的电压成反比
4.某电阻元件的额定参数为“2kΩ/5W”,正常使用时允许流过的最大电流为( )。
A.25mA
B.2.5mA
C.50mA
D.20mA
5.一个电阻元件,当电流减小为原来的1/2时,功率减小为原来的( )。
A.1倍
B.1/2倍
C.1/4倍
D.1/8倍
1.电阻并联时的等效电阻值比其中最小的电阻值还要小。( )
2.若干电阻串联时,其中阻值越小的电阻,通过的电流也越小。( )
1)在图1-26所示的电路中,有一个直流电源 E 为24V,两个白炽灯X 1 、X 2 均为12V/10W,QS为开关。
图1-26 仿真电路图1
①基于Multisim测出电路中的电流 I 和两个白炽灯的端电压 U 1 、 U 2 ,完成表1-8。
表1-8 仿真电路的电参数
②计算白炽灯的电阻。
______________________________
③总结电路中的电流和电压特性,并用公式表示。
______________________________
2)在图1-27所示的电路中,直流电源 E 为12V,两个白炽灯X 1 、X 2 均为12V/10W,QS为开关。
①测出电路中的总电流 I 、流过白炽灯X 1 的电流 I 1 、流过白炽灯X 2 的电流 I 2 及两个白炽灯的端电压 U 1 、 U 2 ,完成表1-9。
图1-27 仿真电路图2
表1-9 仿真电路的电参数
②总结电路中的电流和电压特性。
______________________________