



请列举生活中用到的简单电路实例,说明电路中包含哪些组成部分,各起什么作用?
现有一个6V直流电源、一个5V/1W的白炽灯、一个安培表、一个电压表、一个标称阻值为25Ω的电位器、一个开关、若干导线,将这些元器件连接成一个亮度可调的手电筒电路,并简述该手电筒电路的工作过程,绘制出设计原理图。
1)将手电筒电路的接线示意图绘制在图1-1中。接线要点:直流电源、电位器、开关、白炽灯通过导线串联组成一个闭合回路;安培表用来测量流过白炽灯的电流,串联在电路中;电压表用来测量白炽灯两端的电压,并联在白炽灯两端。
图1-1 亮度可调的手电筒电路连接示意图
2)简述手电筒电路的工作过程。(提示:什么情况下白炽灯能亮,如何调节其亮度,什么情况下白炽灯不亮)
______________________________
3)白炽灯的能量转换过程如何?白炽灯可以等效为什么样的理想电气元器件模型。
______________________________
4)还有哪些理想电气元器件?分别写出它们的文字符号和图形符号。
文字符号:____________________
图形符号:____________________
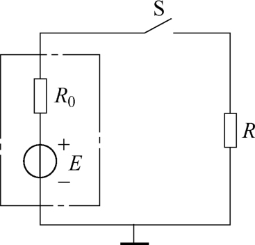
5)将亮度可调的手电筒电路中的元器件都用理想电气元器件来表示,按照国家标准中的电气制图规范,将手电筒电路的理想电路模型绘制在图1-2中。
6)当白炽灯用纯电阻 R 来等效时,写出其阻值的计算公式,计算出5V/1W的白炽灯的电阻(额定功率为 P N ,额定电压为 U N )。
____________________
图1-2 手电筒电路的理想电路模型
单位时间内通过导体横截面的 电荷量 叫作 电流强度 ,简称 电流 。什么是电路?所谓 电路 ,就是由一些电气设备和电子元器件组成的 电流流通的闭合路径 。随着科技的进步,电的应用越来越广泛。例如,大到跨地区的输电、配电网络电路,小到方寸之间的微电子技术的集成芯片电路,电路的形式多种多样。但是,不论电路的具体形式和复杂程度如何变化,从能量转换的角度看,它们都是由一些最基本的元器件组成。下面以图1-3所示的手电筒电路为例,来探析电路的基本组成。
组成电路的基本元器件如下:
1) 电源 ——把其他形式的能量转换为电能,是电路中能量的来源,是“生产方”。例如,干电池将化学能转换成电能,发电机将机械能转换成电能。电源在电路中起激励作用,是事物的“因”,在其作用下产生的响应(电流和电压)是事物的“果”。
图1-3 手电筒电路
2) 负载 ——电路中的用电设备,是电路中的“消耗方”,把电能转换成其他形式的能量。例如,白炽灯将电能转换成热能和光能,电动机将电能转换成机械能。
3) 中间环节 ——电路中的连接导线及控制电路通断的开关电器,将电源和负载连接起来,形成电流通路。中间环节还包括保证安全用电所需的保护电器(如熔断器、热继电器)等。
实际中的电路是由一些电气设备(如各种电源、电动机)和电阻器、电容器、线圈及晶体管等组成的,人们使用这些电气设备和电子元器件是为了利用它们的某种电磁性质,进行电能与其他形式能量之间的转换。按照它们在电路中所表现的电磁性质和能量转换过程,可以归纳为以下几种:
1)向电路提供 电能 ,表现为 电源性 。
2)在电路中对流过的电流呈现阻碍作用,将电能转换成 热能 , 不可逆的损耗掉 了,这种性质称为 电阻性 。
3)在电路中,电流建立 磁场 ,储存 磁场能 ,表现为 电感性 。
4)在电路中,带电体上的电荷建立 电场 ,储存 电场能 ,表现为 电容性 。
当电流流过实际电气设备和电子元器件时,所发生的电磁现象是很复杂的。例如,电路中最常用的电阻器除了具有电阻性之外,电流通过电阻器时还会产生磁场和电场,具有电感性和电容性。如果把所有的电磁性质都考虑进来,会使电路的分析与计算变得非常复杂,甚至难以进行。值得注意的是,实际电气设备和电子元器件所表现出的多种电磁性质在主次和强弱程度上是各不相同的。例如, 电阻器、白炽灯 、 电阻炉 等,它们的 电磁性质 主要表现为 电阻性 ,其电感性和电容性则十分微弱,在一定条件下可忽略不计。实际应用中 电感线圈 的主要电磁性质是电流 建立磁场 、储存 磁场能 ,突出表现为 电感性 。而 电容器 的主要电磁性质是电荷建立 电场 、储存电场能,突出表现为 电容性 。因此,在一定条件下,忽略实际电气设备和电子元器件的一些次要性质, 只保留一个主要电磁性质 ,并用一个足以反映该主要性质的电路模型——理想电气元器件来表示。每一种 理想电气元器件都只包含一种电磁性质 ,例如,理想的电阻元件只包含电阻性,理想的电感元件只包含电感性,理想的电容元件只包含电容性。几种常用的理想电气元器件的 图形符号 和 文字符号 如图1-4所示。
图1-4 理想电气元器件的图形符号和文字符号
理想电气元器件 简称 理想电路元件(或理想元件) 。图1-4中的电压源和电流源是根据实际电源建立的电源模型,称为 有源元件 。与之对应的,电阻、电感和电容这三种理想元件则称为 无源元件或负载元件 。
有些电气设备或电子元器件可只用一种电路元件模型来表示,但有一些则需用几种电路元件模型的组合来表示。例如,干电池为一直流电源,既有电源性(具有一定大小的电动势),又有一定的内阻,因此,用电压源与电阻元件的串联组合来表示。这样图1-3所示的手电筒电路就可以用图1-5所示的电路模型表示。所谓 电路模型 就是由 理想电路元件来表示电路的组成 。电路模型中的 导线 也等效为理想 导体 ,其 电阻为零 。
图1-5 手电筒电路的简化电路模型
电路模型是对 实际电路中电磁性质 的 科学抽象与归纳 ,具有普遍适用意义。以图1-5为例,电压源 E 和电阻元件 R 0 的串联组合既可以表示成干电池,也可以表示成任何实际的直流电源。电阻元件 R 既可以表示成白炽灯,也可以表示成电阻炉、电烙铁,不同的只是它们的电参数(阻值)不一样。
本书后面所讨论的电路都是由理想电路元件组成的电路模型。
电路的基本 作用 是进行 电能 和 其他形式能量 之间的转换。根据侧重点不同,电路可以分为两大类。
一类用于 电能的传输、分配与转换 。例如,发电厂发电机产生的电能,通过升压变压器升压后,经高压输电线进行高压输电,再通过降压变压器降压后供给用户使用,最后通过电气负载把电能转换为其他形式的能量,这就组成了一个复杂的 供配电系统 。这类电路的主要要求是 传输的电能要足够大、效率要高 ,通常称这种电路为 电力电路 ,如图1-6所示。
图1-6 电力电路示意图
另一类电路用于 信息的传递和处理 。例如,各种测量仪器、计算机、自动控制设备及日常生活中的收音机、电视机中的电子电路,在这类电路中的电流或电压携带某种确定的信息,通常 电压较低、电流较小 ,称为 信号电路 。对信号电路的主要要求是电信号不失真、抗干扰性强。图1-7所示为调频式电涡流位移测量电路,该系统用于测量位移信号。其工作过程:电感线圈与被测金属物体之间的距离为 x ,线圈中的交变磁场 H 1 会在金属物体表面产生电涡流,该电涡流产生的交变磁场 H 2 与 H 1 方向相反,将抵抗 H 1 的变化,受电涡流磁场的作用,线圈电感量 L 将发生变化,即位移量 x 的变化转换为线圈电感量 L 的变化,导致 LC 振荡器中振荡频率发生变化,频率可由数字频率计直接测量,也可以通过频率-电压的转换,转换为用电压表测量其电压,并通过所测的频率或电压的变化量来推算出位移的变化量。
图1-7 调频式电涡流位移测量电路
电阻器也称为电阻,在电路中起 调节电流、电压 的作用(如作为分流器、分压器等),并将 电能转换为热能 。据统计,在电子产品中,电阻器约占所用元件总数的35%,是使用最多的电子元件。电阻器在电路模型中可以用理想电阻元件表示。图1-8所示为常见电阻器。
图1-8 常见电阻器
常用的电阻器可分为 固定电阻器、可变电阻器 和 敏感电阻器 。
固定电阻器依据电阻体所用材料和制造工艺的不同,又可分为薄膜电阻器、线绕电阻器、实心电阻器等。
常用的可变电阻器有滑线变阻器和电位器。
敏感电阻器是指器件特性对温度、电压、湿度、光照、气体、磁场、压力等作用敏感的电阻器。常见的敏感电阻器有热敏电阻器、气敏电阻器、压敏电阻器、湿敏电阻器、光敏电阻器、磁敏电阻器、力敏电阻器等。敏感电阻器的符号是在普通电阻器的符号中间加一斜线,并在旁边标注敏感电阻器的类型。
随着微电子技术的发展,又出现了一种新型电阻器件——表面贴装电阻器,又称 贴片电阻 。其最主要的特点是小型化和标准化。这种新型电阻体积很小,没有电极引线或引线极短,并可直接贴装在印制电路板表面,极大提高了印制电路板的元件密度和布线密度。这种新型的电子工艺技术称为表面组装技术(Surface Mount Technology,SMT)。
贴片电阻有矩形片状电阻和圆柱形固定电阻,图1-9是其外形图,电阻的两端即为其外部电极。矩形片状电阻的厚度仅为0.5~0.6mm,长度和宽度也仅为几毫米,功率为1/20~1/2W。圆柱形固定电阻的直径通常为1~2mm,其特点是噪声小、工作稳定。
图1-9 贴片电阻
了解电阻器的主要参数是合理选择和使用电阻器的前提。其主要参数有标称阻值、额定功率和误差。
标称阻值 就是电阻器的“名义”阻值。
额定功率 是指在规定使用条件下,电阻器上允许消耗的最大功率。为了保证使用安全,一般要求额定功率比在电路中实际消耗的功率高1~2倍。
误差 即电阻器的允许误差,表示其阻值的精度。线绕电阻器的允许误差一般小于±10%,薄膜电阻器的允许误差一般小于±20%。
电阻器的参数有两种标示方法:
1)直标法。 把标称阻值、额定功率和误差直接标注在电阻体上, 如图1-10 所示。
2)色标法。 随着新电阻材料的不断出现,再加上集成电路的应用、所需电阻器阻值的减小,使得电阻器的体积越来越小,直标法遇到了困难,色标法的应用得到推广。色标法是用标注在电阻体上的四条或五条不同颜色的色环,表示电阻器的标称阻值和误差。
图1-10 电阻直标法示意图
电阻元件对电流的阻碍作用可用其 两端的电压 U 与通过 元件的电流 I 的关系表示,这种关系称为 伏安特性 。在 U-I 直角坐标平面上表示这一关系的曲线称为伏安特性曲线。 线性电阻元件 的伏安特性曲线是 一条通过坐标原点的直线 ,如图1-11所示。
电位器是具有3个引出端、阻值可按某种变化规律调节的电阻元件。电位器通常由电阻体(碳膜)和可移动的电刷(滑片)组成。当调节电位器的转轴或滑柄时,动触点在电阻体上滑动,此时在电位器的输出端可获得与电位器外加电压和可动臂转角或行程呈一定关系的输出电阻值或电压。如图1-12所示,A、B为电阻滑轨的两个引出端,是电阻体的两端,P与可移动滑片的一端连接,转动转轴即可改变滑片在电阻滑轨中的位置,从而改变AP和PB之间的电阻值。
图1-11 线性电阻元件的伏安特性曲线
对于线性电阻元件,其伏安特性遵循欧姆定律,即线性电阻元件的伏安特性曲线表明,流过电阻元件的电流 I 与加在其两端的电压 U 成正比。当电流和电压的参考方向为关联参考方向时(见图1-11),欧姆定律表示为
式中, R 为电阻元件的电阻,其定量表示电阻元件对电流阻碍作用的大小。在国际单位制中,电阻的单位是欧[姆](Ω)。
图1-12 电位器的结构、符号和内部原理简图
需要注意的是,线性电阻 元件的电阻值 R 是 常数 ,与通过它的电流或端电压无关,是 电阻器自身的参数,可利用欧姆定律的公式来计算电阻值 。
非线性电阻元件的伏安特性不遵循欧姆定律,它的电阻值 R 并不是常数,而是与通过它的电流或端电压有关。
万用表(Multimeter)又称多用表,是一种带有整流器并可以测量交/直流电流、电压及电阻等多种电参数的磁电式仪表。对于每一种电参数,万用表一般都有几个量程。万用表是由磁电系电流表(表头)、测量电路和选择开关等组成的。通过选择开关的变换,可方便地对多种电参数进行测量。常见的万用表有 指针式万用表和数字万用表 。表笔分为红、黑两只。在使用时应将红色表笔插入标有“+”号的插孔,黑色表笔插入标有“-”号的插孔。图1-13所示为指针式万用表和数字万用表。
万用表的操作规程如下:
1)使用前应熟悉万用表各项功能,根据被测量的不同,选择合适的档位、量程及表笔插孔。
图1-13 指针式万用表和数字万用表
2)对于指针式万用表,当被测数据大小不确定时,应先将量程开关置于最大值,再逐步由大量程档往小量程档切换,为减小误差,应使指针指示在满刻度的 1/2以上 。
3)使用指针式万用表测量电阻时,在选择适当倍率档后,将两表笔相碰,使指针指在零位,如果指针偏离零位,则调节“调零”旋钮,使指针归零,以保证测量结果准确。如果不能调零或万用表发出低电压报警,应及时检查。
4)在测量某电路 电阻 时,务必 切断被测电路的电源 ,不得带电测量。
5)在测量直流 电压 时,应把万用表 并联 在被测电路上,需注意被测点电压的极性,即把 红表笔 接 电压高 的一端, 黑表笔 接 电压低 的一端,防止指针反向偏转。
6)在测量直流 电流 时,应把万用表 串联 在被测电路中,应注意电流的方向,即把 红表笔 接电流 流入 的一端, 黑表笔 接电流 流出 的一端,即电流“+”进“-”出。
7)使用万用表进行测量时,要注意人身和仪表设备的安全,测量中 不得用手触摸表笔的金属部分 ,不允许带电切换档位开关,以确保测量准确,避免发生触电和烧毁仪表等事故。
1.电路的作用是( )。
A.把机械能转换为电能
B.把电能转换为机械能、光能、热能
C.把电信号转换为语言和音乐
D.实现电能的传输和转换,以及信号的传递和处理
2.下列各电压中,最高的是( )。
A.380V
B.220V
C.-36V
D.-110kV
3.以下不属于电路主要物理量的是( )。
A.电流
B.电压
C.功率
D.质量
电路可以说成是由__________、__________、__________三部分组成的。
设计由两个开关控制两盏灯的电路,要求两盏灯相互独立,互不影响,所给元器件有一个电源模块、两个按钮开关、两盏灯、导线若干,如图1-14所示。
1)完成图1-14所示电路中元器件的连接。
2)用理想电路元件(按电路图绘制标准)在图1-15中画出对应的电路连接图。
图1-14 双灯独立控制电路元器件示意图
图1-15 双灯独立控制电路连接图