



常用的两种电源为电压源和电流源,理想的电压源和电流源具有哪些基本性质?
利用可调直流稳压电源(0~30V可调)、恒流源(0~1A可调)、直流数字电压表、直流数字电流表、实验电路板等建立电源模型,根据测试结果分析并验证电压源和电流源特性。
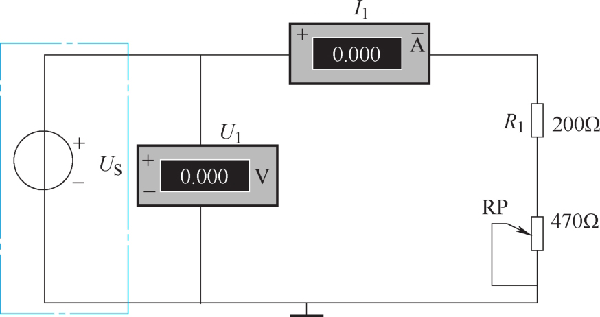
(1)测定恒压源的外特性
如图1-47所示,电源 U S 用恒压源中的+5V的输出端, R 1 为200Ω的固定电阻,调节电位器RP(470Ω),令其阻值由大到小变化,分别将电流表、电压表的读数 I 1 、 U 1 记录至表1-17中。
图1-47 电压源外特性测试图
表1-17 恒压源的外特性测量值记录表
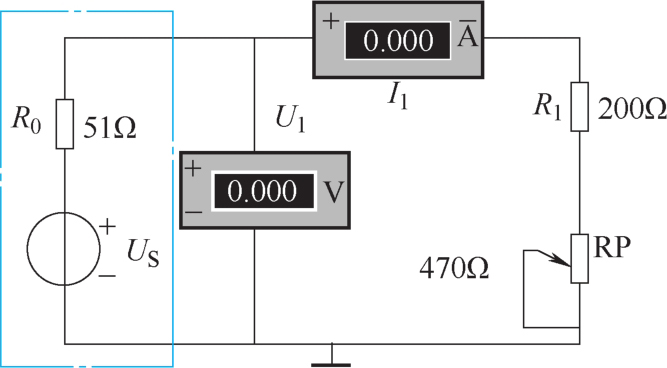
(2)测定实际电压源的外特性
如图1-48所示,将恒压源改成实际电压源, R 0 为51Ω的固定电阻,调节电位器RP,令其阻值由大到小变化,分别将电流表、电压表的读数记录至表1-18中。
表1-18 实际电压源的外特性测量值记录表
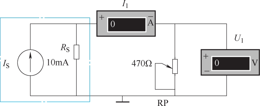
如图1-49所示, I S 为恒流源,调节其输出为10mA(用毫安表测量),在 R S 分别为1kΩ(接入)和∞(断开)两种情况下,调节电位器RP,令其阻值由大至小变化,将电流表、电压表的读数计入表1-19和表1-20中。
测定电流源(恒流源)与实际电流源的外特性。
1)当 R S 为∞时,模拟理想电流源,测得电路中的 I 1 、 U 1 填入表1-19中。
图1-48 实际电压源的外特性测试图
图1-49 电流源外特性测试电路
表1-19 恒流源的外特性测量值记录表
2)当 R S 为1kΩ时,模拟实际电流源,测得电路中的 I 1 、 U 1 填入表1-20中。
表1-20 实际电流源的外特性测量值记录表
1)在测电压源外特性时,要测一次空载时的电压值,即 I 1 =0A。
2)在测电流源外特性时,要测一次短路时的电流值,即 U 1 =0V。
3)连接电路时,必须关闭电源开关。
4)直流仪表的接入应该注意极性与量程。
从实验中可以得出电压源和电流源的哪些特性?
______________________________
电阻元件、电感元件和电容元件都属于无源元件,而电压源、电流源是两种电源元件,实际使用的电源种类繁多,但它们在电路中所起的作用却是相同的。电源在电路中起激励作用,在电源的作用下,电路产生电流和电压(响应)。因此,在电路理论中,有时就把 电源 称为 激励 ,而把 电流和电压 称为 响应 。从能量的观点看,电源是电路中电能的来源。在分析、归纳了所有电源的共性之后,可以得到两种电源模型: 电压源和电流源 。
如图1-50a所示,点划线框内的元件是一种理想的电源元件,称为 理想电压源 ,简称电压源。理想电压源具有 两个基本性质 :
1)元件的端电压 U 等于电动势 E ,并保持为 恒定值 。该恒定值 U 与外电路无关,与流过它的电流无关。因此,理想电压源又称 恒压源 。
2)流过理想电压源的 电流 完全由 与之相连的外电路确定 。
电源元件的特性用它的端电压 U 与输出电流 I 的关系表示,这就是电源的伏安特性,又称电源的外特性。理想电压源的外特性如图1-50b所示,它是一条 平行于水平轴( I 轴)的直线 。图中表明当外接负载电阻变化时,电源提供的电流变化,但其端电压始终保持恒定 U = E 。
图1-50 理想电压源的电路模型及其外特性
理想电压源的这种理想情况显然是不存在的。以电池为例,随着输出电流的加大,其端电压不是保持不变,而是略有降低。这是因为实际电源总会有一定的内电阻,当输岀电流增加时,内阻电压降增加,造成电源的端电压降低,图1-51a点划线框内为实际电压源模型。这种实际电源的特性可以用一个理想电压源(电动势为 E )与等效内电阻 R 0 的 串联电路 模型表示,称为实际电源的电压源模型。这种实际电源模型的伏安关系式为
伏安特性曲线表示在图1-51b中。端电压 U 随着电流 I 增加而下降,内阻 R 0 越小,特性曲线就越靠近图中的虚线,就越接近理想情况。
图1-51 实际电压源的电路模型及其伏安特性曲线
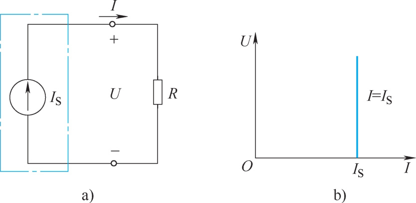
图1-52a中点划线框内的元件是 理想电流源 ,简称 电流源 。理想电流源也具有 两个基本性质:
1)产生并输出 恒定电流 I S ,该电流与所接外电路无关,与其端电压 U 无关。
2)理想电流源的 端电压 U 由与之相连的外电路决定 。
理想电流源的外特性如图1-52b所示。这是一条平行于纵轴( U 轴)的直线,表明它输出的电流 I 始终等于 I S ,保持恒定,所以理想电流源又称 恒流源 。
图1-52 理想电流源的电路模型及其外特性
一个实际电流源的特性可以用理想电流源 I S 与内阻 R S 的 并联组合 表示,图1-53a所示点划线框图中的电流源和内电阻 R S 的并联表示实际的电流源,称为实际电源的电流源模型。
由于有内阻 R S 的分流作用,所以输出到负载 R 的电流 I 小于 I S 。流过 R S 的电流是( U / R S ),故 I S = I +( U / R S )。可得实际电源中电流源模型的伏安关系式为
经变换可得
由式(1-27)得到实际电流源模型的伏安特性曲线如图1-53b所示。当负载端开路时,电流 I =0,此时电流源模型的端电压( U = I S R S )最高。随着输出电流 I 的增加,电压 U 降低,表明这个电路模型能够表示实际电流源的伏安关系。
图1-53 实际电流源电路模型及其伏安特性曲线
通过以上分析可知,实际电源的电压源模型与电流源模型都能够表示实际电源的特性。
因此,一个实际电源在电路中所起的作用,既可以用电压源模型表示,也可以用电流源模型表示。
由若干元件组成的部分电路,不论其内部如何复杂,但最终只有两个端口与电路的其他部分相连。在电路分析中就可以把这部分电路看作一个整体,称为 单口网络或二端网络 ,例如,图1-54中点划线所框部分即为单口网络。单口网络分为两类,图1-54a中不包含电源,称为 不含源单口网络 ;图1-54b中包含电源,称为 含源单口网络 。
图1-54 不含源单口网络和含源单口网络
单口网络作为一个整体,它在电路中所起的作用,对电路其余部分的影响 完全由其端口间的电流、电压确定,即由端口的伏安关系确定。
前面介绍了实际电源的两种模型——电压源模型和电流源模型,而一个实际电源在电路中所起的作用既可以用电压源模型表示,也可以用电流源模型表示。这表明两种电源模型之间存在等效变换的关系。
图1-55a所示是一个电压源 E 与电阻 R 0 并联的模型,根据戴维南定理,得到其等效电路如图1-55b所示。这样就把一个电压源模型用电流源模型来等效变换,等效变换的条件是
同样,把一个电流源模型等效变换成电压源模型,等效变换的条件是
图1-55 两种电源模型的等效变换
1.理想电压源输出恒定的电压,其输出电流( )。
A.恒定不变
B.等于零
C.由内电阻决定
D.由外电路决定
2.理想电流源输出恒定的电流,其输出端电压( )。
A.恒定不变
B.等于零
C.由内电阻决定
D.由外电路决定
1.与理想电压源并联的支路,对外等效时可以去掉。( )
2.与理想电流源串联的支路,对外等效时可以去掉。( )