购买
下载掌阅APP,畅读海量书库
立即打开
畅读海量书库
扫码下载掌阅APP

2.4 LCD的驱动

LCD通过对输出到LCD电极上的电信号进行相位、峰值、频率等参数的调制来建立交流驱动电场,以实现LCD的显示效果。LCD的驱动方法有很多种,常用的有静态驱动和动态驱动两种。

2.4.1 LCD的基本参数

前面虽提及了各类液晶显示模式在视角、响应速度、对比度等方面的不同,但响应时间没有详细介绍。在介绍LCD的驱动之前,需要详细介绍与响应时间相关的一些参数及基本概念。

1.LCD的等效电路及交流驱动

如图2-36所示,液晶在电路中虽可以等效成无极性的容性负载,用直流或交流来偏转,但长时间施加直流电压可能导致液晶材料因电化学反应而劣化,有时也会使杂质离子偏析于单侧的电极,无法对液晶层施加有效的电压,液晶分子无法动作。为了防止这些情况,通常采用交流驱动,延长液晶的使用寿命。交流驱动的电光响应只与电压有效值有关。

图2-36 LCD的等效电路及交流驱动

2.电光响应曲线

电光响应曲线是透过率和外加电压的关系曲线。对于常白模式的液晶,其透过率随外加电压的升高而逐渐降低,在一定的电压下达到最低点,此后略有变化,具体如图2-37所示。根据电光响应曲线可得出液晶的阈值电压和饱和电压。

(1)阈值电压是指透过率为90%时的电压, V t = V 90 ,对于TN液晶, V t 为1~2V。该值越小,电光效应越好。

(2)饱和电压是指透过率为10%时的电压, V s = V 10

(3)阈值锐度被定义为饱和电压与阈值电压之比,

3.开关响应时间

开关响应时间是指当施加在液晶上的电压改变时,液晶分子改变原排列方式所需要的时间(黑—白—黑)。如图2-38所示,上升时间 T on 为透过率由最小值上升到最大值的90%时所需的时间;下降时间 T off 为透过率由最大值下降到最大值的10%时所需的时间。

图2-37 电光响应曲线

图2-38 开关响应时间的定义

开关响应时间是LCD的一个重要特性参数。开关响应时间过长,容易造成动态画面拖影。开关响应时间的长短与液晶的黏度、弹性常数、液晶盒厚度等因素有关。

2.4.2 LCD的静态驱动

静态驱动是指每个笔段或像素的驱动电压在显示时间内一直保持的驱动方式。

静态驱动的基本原理为:如图2-39(a)所示,每个笔段或像素都有一对电极,包括公共电极C和笔段或像素电极X;如图2-39(b)所示,若公共电极C的电压 V C 和像素电极X的电压 V X 是同极性的方波脉冲,则液晶两端电压差 V CX =0,液晶分子不会翻转;若 V C V X 极性相反,则液晶两端产生电压差,即产生电场。当矩形波的电压比液晶阈值电压高时,液晶分子随电场方向翻转。根据液晶分子的翻转程度,透过率逐渐变化。

图2-39 LCD的静态驱动

静态驱动需要的驱动单元较多,只适用于显示单元少的LCD,例如图2-40所示的笔段式和点阵式LCD。

图2-40 两种适用静态驱动的LCD

2.4.3 LCD的动态驱动——PM驱动

当LCD上的显示像素众多时,如点阵式LCD,若使用静态驱动结构,则会产生众多的引脚及庞大的硬件驱动电路,不易实现。为了解决这个问题,在LCD电极的制作与排布上做了改进,实施了动态驱动(又称为矩阵寻址驱动),简单来说,就是把横纵两个方向上的电极群构成矩阵,让行电极按顺序选通,列电极为每一行施加信号,即将 m × n 个交点构成的像素用 m + n 个电路驱动。

如图2-41所示,把一组水平显示像素底面的电极连在一起并引出,称为行电极,又称为扫描线(行线);把一组纵向显示像素顶面的电极连在一起并引出,称为列电极,又称为数据线(列线)。每个显示像素都由所在的行与列的位置唯一确定。驱动方式采用类似于C RT显示器的光栅逐行扫描方法,循环为每行电极施加选择脉冲,所有列电极给出该列像素的选择或非选择的驱动脉冲,实现某行所有显示像素的驱动。我们把LCD的这种扫描驱动方式称为动态驱动。根据像素电路是否采用TFT,动态驱动又可分为两类:被动矩阵(Passive Matrix,PM)驱动和主动矩阵(Active Matrix,AM)驱动。

PM驱动又称为无源矩阵驱动,如图2-42(a)所示,将上下基板的条状电极互相正交,交叉点为像素。如图2-42(b)所示,通过行线逐个选通,列线同步施加信号,每行的显示时间占比,也就是占空比=1/行数 N 。行数越多,占空比越小,对比度越低。假设一帧时间为 T ,则单行扫描时间为(1/ N T

图2-41 LCD的动态驱动

图2-42 PM驱动

如图2-43所示,若在选通第1行时,给出列线信号使第1列和第4列选通,则D11和D14像素被选通;若在选通第2行时,给出列线信号使第2列和第3列选通,则D22和D23像素被选通;以此类推,在一帧结束时,完成了整幅图像的动态选址,只要一帧时间 T 小于人眼的视觉暂留时间(1/24s左右),人眼就能够看到连续的动画,即视觉暂留现象。

图2-43 PM驱动行列扫描信号及显示结果

由于液晶没有极性,可双向导通,且等效为容性负载,因此容易使邻近像素导通,造成串扰。如图2-44所示,若像素A1被选通,则与该像素在同一行或同一列的像素均有选择电压加入,称为半选择点,A1邻近的半选择点由于像素串扰,往往会出现不应有的半显示现象,使得显示对比度下降,称为交叉串扰。

图2-44 交叉串扰

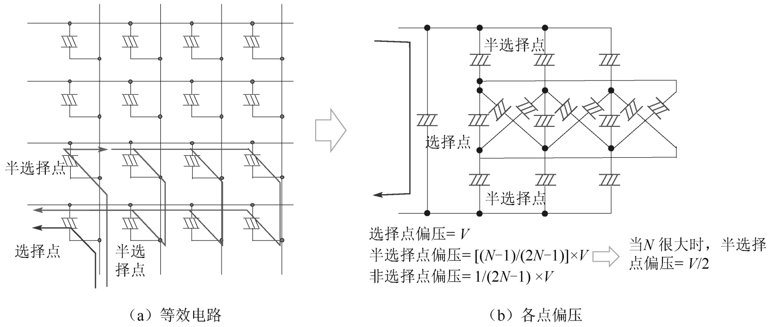
随着行列数的增加,交叉串扰更明显,导致画面不均匀。选择点最邻近的点称为半选择点,假设图2-45中选择点的两端偏压为 V ,则半选择点偏压= ,非选择点偏压=1/(2 N -1)× V ,当 N 很大时,半选择点偏压= V /2。

图2-45 PM矩阵液晶屏的等效电路及各点偏压

为了减小交叉串扰的影响,通常采用偏压法,如平均偏压法,即把半选择点上的电压和非选择点上的电压平均化:给非选择点加电压以降低半选择点偏压。例如,给图2-46中的第4行施加电压 ,让其选通,其余各行电压为0,给第1列施加-(1/ b )× V 电压,其余均为非选通电压(1/ b )× V ,则选择点偏压= V ,半选择点偏压= 或(1/ b )× V ,非选择点偏压=-(1/ b )× V 。其中, b 为偏压比,即选择点与非选择点电压值比。这样就能将半选择点偏压、非选择点偏压控制在阈值电压以下。例如,当 b =3,选择点偏压= V 时,半选择点偏压=(1/3)× V ,非选择点偏压=-(1/3)× V

图2-46 平均偏压法

2.4.4 LCD的动态驱动——AM驱动

PM驱动[见图2-47(a)]在行数较多时存在问题,导致对比度下降。这是由于占空比下降(1/ N ),交叉串扰增加,因此可以采用由开关器件构成的AM,将控制电压和驱动电压分离,提高占空比( N -1)/ N ,减少交叉串扰,如图2-47(b)所示。其中,开关器件主要是TFT。

图2-47 PM驱动到AM驱动的变化

TFT一般是三端口器件,虽与金属-氧化物-半导体场效应晶体管(MOSFET)相似,但沟道材料不同,通常采用非晶硅(a-Si)、多晶硅(Poly-Si)、非晶金属氧化物半导体(如IGZO)等。TFT的端口包括栅极、源极和漏极。栅极相当于水龙头开关,可以通过控制栅极和漏极两端电压来控制像素的选通。TFT有不同的结构,分别是背栅TFT的背沟道刻蚀(Back Channel Etch,BCE)型和刻蚀阻挡层(Etch-Stop Layer,ESL)型,还有顶栅TFT等,具体如图2-48所示。这些TFT将在第10章进行详细介绍。采用TFT作为开关,可分离驱动信号和数据信号,像素状态也可以长时间保持。

图2-49和图2-50所示分别为TFT有源矩阵液晶显示(TFT-LCD)的结构示意图的斜视图和截面图。与无源矩阵LCD类似,TFT-LCD也是在两块玻璃基板之间封入液晶材料构成液晶盒。在下基板上制备作为像素开关的TFT器件、透明的像素电极(Pixel Electrode)、存储电容(Storage Capacitor)、控制TFT栅极的扫描线(也称为行线或门线)、控制TFT漏极的数据线(也称为列线)等,如图2-49所示。除了图2-48所示的部分,在上基板上制备滤色片和遮光用的黑矩阵,并在其上制备透明的公共电极,在两块玻璃基板内侧制备取向层,使液晶分子定向排列,以实现显示的需求。此外,如图2-50所示,在上下玻璃基板外侧分别贴有偏光片,配合液晶的旋光效应。由于液晶面板本身并不发光,因此在液晶面板后面加上了一个背光源和一块背光板,为液晶面板提供了一个亮度高且亮度分布均匀的光源。

图2-48 TFT的原理和结构示意图

图2-49 TFT-LCD的结构示意图(斜视图)

图2-50 TFT-LCD的结构示意图(截面图)

对于TFT-LCD来说,每个像素单元从结构上可以看作像素电极和公共电极之间夹一层液晶,液晶层可等效为一个液晶电容 C LC ,其值约为0.1pF;在实际应用中,这个电容无法将电压保持到下一次更新画面的时刻(以一般60Hz的刷新率,需要保持约16.7ms,也就是说,当TFT对这个电容充好电时,无法将电压保持住。这样一来,电压有了变化,显示的灰阶就会不正确,因此一般在设计面板时,会再加一个存储电容 C s (一般由像素电极与公共电极走线形成),其值约为0.5pF,以便让电压能保持到下一次更新画面的时刻。下面描述TFT驱动的两个阶段。

阶段1为写入阶段。扫描线将TFT选通,数据线上的数据电压 V 写入存储电容,这个阶段的时间占一帧的1/ N ,如图2-51(a)所示。

阶段2为维持阶段。扫描线将TFT关闭,液晶两端电压由存储电容维持,维持亮度,直到下次写入,这个阶段的时间占一帧的( N -1)/ N ,如图2-51(b)所示。

图2-51 TFT驱动的两个阶段

如图2-52(a)所示,当与TFT栅极相连的行线G i 加高电平脉冲时,连接在G i 上的TFT全部被选通,图像信号经缓冲器同步加在与TFT漏极相连的引线(D1~D3)上,经选通的TFT将信号电荷加在液晶像素上。G i 每帧被选通一次,D1~D3每行都要被选通。当TFT栅极被扫描选通时,栅极上加一个正高压脉冲 U G ,TFT导通,如果此时漏极有信号 U D 输入,则导通的TFT提供开态电流 I on ,对液晶像素进行充电。液晶像素就被施加上了信号电压 U D ,该电压大小对应于所显示的内容。包括液晶电容和存储电容在内的总电容 C LC +C s 上的电荷将保持一帧的时间,直至下一帧再次被选通后新的 U D 到来, C LC +C s 上的电荷才会改变,具体所加的行、列线信号如图2-52(b)所示。经过逐行重复选通便可显示出一帧图像。由于扫描信号互不交叠,在任一时刻,有且仅有一行TFT被扫描选通而开启,其他行处于关态,显示的图像信息不会影响其他行,在理论上消除了串扰。

图2-52 TFT-LCD驱动

2.4.5 防老化和防闪烁

液晶分子的驱动电压不能固定在某个值,否则随着时间的推移,液晶分子会逐渐失去光学性质。因此,有必要翻转液晶分子的驱动电压,以避免液晶分子的特性被破坏。当像素电极的电压高于公共电极的电压时,称为正极性;当像素电极的电压低于公共电极的电压时,称为负极性。为了防止液晶老化,LCD像素可以采用帧反转(Frame Inversion)、列反转(Row Inversion)、行反转(Column Inversion)、点反转(Dot Inversion)的方式。

如图2-53所示,对于逐帧反转法,在同一帧中,整个屏幕的所有相邻点极性相同,相邻帧极性不同;对于逐行反转法,同一行的极性相同,相邻行的极性不同;对于逐列反转法,同一列的极性相同,相邻列的极性不同;对于逐点反转法,每个点与其相邻的上、下、左、右点的极性都不同。

图2-53 基本的极性反转方式

上述不同的极性反转方式会引起不同程度的闪烁现象。所谓闪烁现象,是指屏幕给人一种闪烁的感觉,不是刻意的视觉效果,而是因为屏幕每次更新时,屏幕的灰度都会发生轻微的变化,让人觉得屏幕在闪烁。

使用逐帧反转方法最有可能发生这种情况,逐行/列反转方法不明显,使用逐点反转方法时屏幕几乎没有闪烁。因为一帧一帧倒过来的整个画面是同极性的,所以这次画面是正的,下次画面就变成负的了。正负极性本应该是相同的灰度,如果公共电压有微小误差,则正负电极的灰度也会不同。连续切换屏幕时,正负极性屏幕交替出现,会造成屏幕闪烁。列/行/点反转面板的极性反转模式也可能存在闪烁现象,整个屏幕的极性会同时发生变化。只有一行或一列,甚至一个点会改变极性。就人眼而言,闪烁效果不会很明显。为了防止屏幕闪烁,可以调整公共电极的电压和选择极性反转方式来进行优化。 RFRBj9OutKngtAWAl0kNRAzLDTUaAMM0aCEUibzndGRpA8iBzmGGX8Dad8psgOJZ

点击中间区域
呼出菜单
上一章
目录
下一章
×

打开