



【内容提要】
本任务主要通过学习刀开关、熔断器、按钮开关、接触器、低压断路器等低压电器的用途、基本结构、工作原理及主要参数和图形符号,完成三相异步电动机点动控制电路的安装与调试。
【学习要求】
①掌握常用低压电器的工作原理、图形符号及用途。
②了解各低压电器的技术参数,以便正确选取电器元件。
③随着电器技术的不断发展,为提高系统的可靠性,应根据实际控制要求尽量选用合适的电器元件。
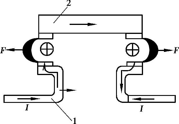
作为电气控制中常见的传动设备,三相异步电动机的手动控制电路如图 1.1 所示。其电路结构简单,但不适合频繁操作,操作劳动强度大且不能进行远距离自动控制。应怎样实现三相异步电动机的自动控制?
图1.1 三相异步电动机的手动控制电路
在完成具体电路控制前,让我们先来了解与之相关的基础知识链接。
电器是根据外界特定的信号和要求,自动或手动接通和断开电路,断续或连续地改变电路参数,实现对电路或非电路对象的切换、控制、保护、检测、变换和调节的电气设备。
电器的种类繁多,构造各异。根据其工作电压的高低,电器可分为高压电器和低压电器两种。工作在交流额定电压 1 200 V及以下,直流额定电压1 500 V及以下的电器称为低压电器。
1)常用低压电器分类
由于低压电器的功能、品种和规格的多样化,工作原理也各不同,因而有不同的分类方法。根据低压电器与使用系统之间的关系,习惯上按用途可分为以下几类。
(1)低压配电电器
低压配电电器主要用于低压供电系统。这类低压电器有刀开关、自动开关、隔离开关、转换开关以及熔断器等。对这类电器的主要技术要求是分断能力强,限流效果好,动稳定及热稳定性能好。
(2)低压控制电器
低压控制电器主要用于电力拖动控制系统。这类低压电器有接触器、继电器、控制器等。对这类电器的主要技术要求有一定的通断能力,操作频率高,电器和机械寿命长。
(3)低压主令电器
低压主令电器是主要用于发送控制指令的电器。这类电器有按钮、主令开关、行程开关和万能开关等。对这类电器的主要技术要求是操作频率较高,抗冲击,电气和机械寿命较长。
(4)低压保护电器
低压保护电器是主要用于对电路和电气设备进行安全保护的电器。这类低压电器有熔断器、热继电器、电压继电器、电流继电器和避雷器等。对这类电器的主要技术要求要有一定的通断能力,反应要灵敏,可靠性要高。
(5)低压执行电器
低压执行电器是主要用于执行某种动作和传动功能的电器。这类低压电器有电磁铁、电磁离合器等。
2)低压电器的电磁机构和执行机构
(1)电磁机构
电磁机构的作用是将电磁能转换为机械能并带动触点的闭合或断开,完成通断电路的控制作用。
电磁机构由吸引线圈、铁芯和衔铁组成,其结构形式按衔铁的运动方式可分为直动式和拍合式,图 1.2 和图 1.3 分别是直动式和拍合式电磁机构的常用结构形式。图中,吸引线圈的作用是将电能转换为磁能,即产生磁通,衔铁在电磁吸力作用下产生机械位移使铁芯吸合。通入直流电的线圈称为直流线圈,通入交流电的线圈称为交流线圈。
图1.2 直动式电磁机构
1—衔铁;2—铁芯;3—吸引线圈
图1.3 拍合式电磁机构
1—衔铁;2—铁芯;3—吸引线圈
对于直流线圈而言,铁芯不发热,只是线圈发热,因此,线圈与铁芯接触以利散热。将线圈做成无骨架、高而薄的瘦高型,以改善线圈自身散热。铁芯和衔铁由软钢或工程纯铁制成。
对于交流线圈而言,除线圈发热外,由于铁芯中有涡流和磁滞损耗,铁芯也会发热。为了改善线圈和铁芯的散热情况,在铁芯与线圈之间留有散热间隙,并且把线圈做成有骨架的矮胖型。铁芯用硅钢片叠成,以减小涡流。当线圈通过工作电流时产生足够的磁动势,从而在磁路中形成磁通,使衔铁获得足够的电磁力,克服反作用力而吸合。在交流电流产生的交变磁场中,为避免因磁通过零点造成衔铁的抖动,需在交流电器铁芯的端部开槽,嵌入一铜短路环,使环内感应电流产生的磁通与环外磁通不同时过零,使电磁吸力总是大于弹簧的反作用力,因而可以消除铁芯的抖动。
另外,线圈根据在电路中的连接方式可分为串联线圈(即电流线圈)和并联线圈(即电压线圈)。串联(电流)线圈串接在线路中,流过的电流大,为减小对电路的影响,线圈的导线粗,匝数少,线圈的阻抗较小。并联(电压)线圈并联在线路上,为减小分流作用,降低对原电路的影响,需要较大的阻抗,因此线圈的导线细且匝数多。
(2)触点系统
触点的作用是接通或分断电路,因此,要求触点具有良好的接触性能和导电性能。电流容量较小的电器,其触点通常采用银质材料。这是因为银质触点具有较低和较稳定的接触电阻,其氧化膜电阻率与纯银相似,可以避免触点表面氧化膜电阻率增加而造成接触不良。
触点结构有桥式和指形两种,如图 1.4 所示为触点结构形式。
桥式触点又分为点接触式和面接触式。点接触式适用于电流不大且触点压力小的场合,面接触式适用于大电流的场合。指形触点在接通与分断时产生滚动摩擦,可以去掉氧化膜,故其触点可以用紫铜制造,它适合于触点分合次数多、电流大的场合。
图1.4 触点结构形式
(3)灭弧系统
触点分断电路时,由于热电子发射和强电场的作用,使气体游离,从而在分断瞬间产生电弧。电弧的高温能将触点烧损,缩短电气的使用寿命,又延长了电路的分断时间。因此,应采用适当措施迅速熄灭电弧。
低压控制电器常用的灭弧方法有以下几种。
①电动力吹弧。电动力吹弧示意图如图 1.5 所示,桥式触点在分断时本身具有电动力吹弧功能,不用任何附加装置便可使电弧迅速熄灭。这种灭弧方法多用于小容量交流接触器中。
②磁吹灭弧。在触点电路中串入吹弧线圈,如图 1.6 所示,该线圈产生的磁场由导磁夹板引向触点周围,其方向由右手定则确定(如图中“× ”所示),触点间的电弧所产生的磁场,其方向为“
”“☉”所示。这两个磁场在电弧下方方向相同(叠加),在弧柱上方方向相反(相减),因此,弧柱下方的磁场强于上方的磁场。在下方磁场作用下,电弧受力的方向为力
F
所指的方向,在力
F
的作用下,电弧被吹离触点,经引弧角引进灭弧罩而熄灭。
图1.5 电动力吹弧示意图
1—静触点;2—动触点
图 1.6 磁吹灭弧示意图
1—磁吹线圈;2—绝缘套;3—铁芯;4—引弧角;5—导磁夹板;6—灭弧罩;7—动触点;8—静触点
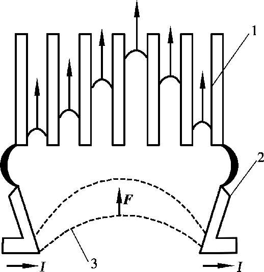
③栅片灭弧。栅片灭弧是一组薄铜片,它们彼此之间相互绝缘,如图 1.7 所示。当电弧进入栅片被分割成一段段串联的短弧,而栅片就是这些短弧的电极。每两片电弧之间都有150 ~ 250 V的绝缘强度,使整个灭弧栅的绝缘强度大大加强,以致外电压无法维持,电弧迅速熄灭。由于栅片灭弧效应在交流时要比直流强得多,因此交流电器常常采用栅片灭弧。
刀开关是一种手动配电电器,主要用来手动接通或断开交、直流电路,通常只作为隔离开关使用,也可用于不频繁地接通与分断额定电流以下的负载,如小容量电动机、电阻炉等。
刀开关按极数可分为单极、双极和三极,其结构主要由操作手柄、触刀、触点座和底座组成。依靠手动来实现触刀插入触点座与脱离触点座的控制。
刀开关安装时,手柄要向上,不得倒装或平装,避免由重力自由下落而引起误动作和合闸。接线时电源线接上端,负载线接下端。刀开关文字符号为QS,图形符号如图 1.8 所示。
图1.7 栅片灭弧示意图
1—灭弧栅片;2—触点;3—电弧
图1.8 刀开关图形符号
熔断器是低压电路和电动机控制线路中主要用作短路保护的电器,使用时串联在被保护的电路中。当电路发生短路故障,通过熔断器的电流达到或超过某一规定值时,以其自身产生的热量使熔体熔断,从而自动分断电路起保护作用。熔断器具有结构简单,价格便宜,动作可靠,使用维护方便等优点,因此得到广泛应用。
1)熔断器的分类
熔断器种类繁多,常用的有以下几种。
(1)插入式熔断器(无填料式)
插入式熔断器常用的有RC1A系列,主要用于低压分支路及中小容量的控制系统的短路保护,也可用于民用照明电路的短路保护。
RC1A系列结构简单,它由瓷盖、底座、触点、熔丝等组成,其价格低,熔体更换方便,但其分断能力低。
(2)螺旋式熔断器
螺旋式熔断器有RL1,RL2,RL6,RL7 等系列,其中RL6 和RL7 系列熔断器分别取代RL1 和RL2 系列,常用于配电线路及机床控制线路中作短路保护。螺旋式快速熔断器有RLS2 等系列,常用作半导体元器件的保护。
螺旋式熔断器由瓷底座、熔管、瓷帽等组成。瓷管内装有熔体,并装满石英砂,将熔管置入底座内,旋紧瓷帽就可以接通电路。瓷帽顶部有玻璃圆孔,其内部有熔断指示器,当熔体熔断时,指示器跳出。螺旋式熔断器具有较高的分断能力,限流性好,有明显的熔断指示,可以不使用工具就能安全更换熔体,在机床中被广泛采用。
(3)无填料封闭管式熔断器
常用的无填料封闭管式熔断器有RM1,RM10 等系列,主要用于低压配电线路的过载和短路保护。
无填料封闭管式熔断器分断能力较低,限流特性较差,适合于线路容量不大的电网中,其最大的优点是熔体便于拆换。
(4)有填料封闭管式熔断器
常用的有填料封闭管式熔断器有RT0,RT12,RT14,RT15 等系列,引进产品有德国AEG公司的NT系列。有填料封闭管式熔断器主要作为工业电气装置、配电设备的过载和短路保护,也可配套用于熔断器组合电器中。有填料快速熔断器有RS0,RS3 系列,用作硅整流元件和晶闸管元件及其所组成的成套装置的过载和短路保护。
有填料封闭管式熔断器具有高的分断能力,保护特性稳定,限流特性好,使用安全,可用于各种电路和电气设备的过载和短路保护。
2)熔断器型号及主要性能参数
(1)熔断器型号的含义
熔断器型号的含义如下所示。
(2)主要性能参数
①额定电压:保证熔断器能长期正常工作的电压。
②额定电流:保证熔断器能长期正常工作的电流。它是由熔断器各部分长期工作时允许温升决定的,与熔体的额定电流是两个不同的概念。熔体的额定电流是指在规定的工作条件下,长时间通过熔体而熔体不熔断时的最大电流值。通常一个额定电流等级的熔断器可以配用若干个额定电流等级的熔体,但熔体的额定电流不能大于熔断器的额定电流值。
图1.9 熔断器的时间-电流特性
③极限分断电流:熔断器在额定电压下所能断开的最大短路电流。
④时间-电流特性:在规定的工作条件下,表征流过熔体的电流与熔体熔断时间关系的函数曲线,也称为保护特性或熔断特性,如图 1.9 所示。
按钮是一种手动且可以自动复位的主令电器,其结构简单,使用广泛,在控制电路中用于手动发出控制信号以控制接触器、继电器等。
按钮由按钮帽、复位弹簧、桥式触点和外壳等组成。触点额定电流 5 A以下,其结构如图 1.10 所示,图形符号及文字符号如图 1.11 所示。
按钮按用途和结构不同,可分为启动按钮、停止按钮和复合按钮等。
启动按钮带有常开触点,手指按下按钮帽,常开触点闭合;手指松开,常开触点复位。启动按钮的按钮帽一般采用绿色。停止按钮带有常闭触点,手指按下按钮帽,常闭触点断开;手指松开,常闭触点复位。停止按钮的按钮帽一般采用红色。复合按钮带有常开触点和常闭触点,手指按下按钮帽,常闭触点先断开,常开触点后闭合;手指松开时,常开触点先复位,常闭触点后复位。
控制按钮可做成单式(一个按钮)、复式(两个按钮)和三联式(有三个按钮)的形式。为便于识别各个按钮的作用,避免误操作,通常将按钮帽做成不同颜色以示区别,其颜色有红、绿、黄、蓝、白、黑等。
图1.10 控制按钮结构示意图
1—按钮帽;2—复位弹簧;3—动触点;4—常闭触点;5—常开触点
图1.11 控制按钮的图形符号和文字符号
接触器是一种自动电磁式电器,适用于远距离频繁接通或断开交直流主电路及大容量控制电路。其主要控制对象是电动机,也可用于控制其他负载,如电焊机、电容器、电阻炉等。它不仅能实现远距离自动操作和欠电压释放保护及零电压保护功能,而且控制容量大、工作可靠、操作频率高、使用寿命长。常用的接触器分为交流接触器和直流接触器两大类。
1)接触器结构及工作原理
图 1.12 为CJ20 交流接触器结构示意图,交流接触器由以下 4 个部分组成。
(1)电磁机构
电磁机构由电磁线圈、铁芯和衔铁组成,其功能是操作触点的闭合和断开。
(2)触点系统
触点系统包括主触点和辅助触点。主触点用在通断电流较大的主电路中,一般由三对常开触点组成,体积较大。辅助触点用在通断小电流的控制电路,体积较小,它有“常开”和“常闭”触点(“常开”“常闭”是指电磁系统未通电动作前触点的状态)。常开触点(又称为动合触点)是指线圈未通电时,其动、静触点处于断开状态,当线圈通电后就闭合。常闭触点(又称为动断触点)是指在线圈未通电时,其动、静触点处于闭合状态,当线圈通电后,则断开。
线圈通电时,常闭触点先断开,常开触点后闭合;线圈断电时,常开触点先复位(断开),常闭触点后复位(闭合),其中间存在一个很短的时间间隔。分析电路时,应注意这个时间间隔。
(3)灭弧系统
容量在 10 A以上的接触器都有灭弧装置,常采用纵缝灭弧罩和栅片灭弧结构。
图 1.12 CJ20 交流接触器结构示意图
1—动触桥;2—静触点;3—衔铁;4—缓冲弹簧;5—电磁线圈;6—静铁芯;7—垫毡;8—触点弹簧;9—灭弧罩;10—触点压力簧片
(4)其他部分
其他部分包括弹簧、传动机构、接线柱及外壳等。
当交流接触器线圈通电后,在铁芯中产生磁通,由此在衔铁气隙处产生吸力,使衔铁向下运动(产生闭合作用);在衔铁带动下,动断(常闭)触点断开,动合(常开)触点闭合。当线圈断电或电压显著降低时,吸力消失或减弱,衔铁在弹簧的作用下释放,各触点恢复原来位置。这就是接触器的工作原理。
接触器的图形符号如图 1.13 所示,文字符号为KM。
图1.13 接触器的图形符号
直流接触器的结构和工作原理与交流接触器基本相同,仅铁芯结构和灭弧系统等方面不同。
2)接触器的型号及主要技术参数
目前,我国常用的交流接触器主要有CJ20,CJX1,CJX2,CJ12 和CJ10 等系列。引进产品应用较多的有德国BBC公司制造技术生产的B系列、德国SIEMNS公司的 3TB系列、法国TE公司的LC1 系列等。常用的直流接触器有CZ18,CZ21,CZ22,CZ10,CZ2 等系列,CZ18 系列是取代CZ0 系列的新产品。
(1)型号含义
交流接触器的型号含义如下:
直流接触器的型号含义如下:
(2)主要技术参数
①额定电压:指主触点的额定工作电压。
②额定电流:指主触点的额定电流。表 1.1 列出了交、直流接触器的电压、电流额定值。
表 1.1 接触器的额定电压和额定电流的等级表
③线圈额定电压:常用的额定电压等级见表 1.2。
④接通和分断能力:接触器在规定条件下,能在给定电压下接通或分断的预期电流值。在此电流值下接通或分断时,不应发生熔焊、飞弧和过分磨损等。在低压电器标准中,接触器的用途规定了它的接通和分断能力,可查阅相关手册获得。
⑤机械寿命和电寿命:机械寿命是指需要维修或更换零、部件前(允许正常维护包括更换触点)所能承受的无载操作循环次数;电寿命是指在规定的正常工作条件下,不需修理或更换零、部件的有载操作循环次数。
⑥操作频率:指每小时的操作次数。交流接触器最高为 600 次/ h,而直流接触器最高为1 200 次/ h。操作频率直接影响接触器的电寿命和灭弧罩的工作条件,交流接触器还影响线圈的温升。
表 1.2 接触器线圈的额定电压等级表
(3)接触器的选用
接触器的选用应遵循以下原则:
①根据被接通或分断的电流种类选择接触器的类型。
②根据被控电路中电流大小和使用类别选择接触器的额定电流。
③根据被控电路电压等级选择接触器的额定电压。
④根据控制电路电压等级选择接触器线圈的额定电压。
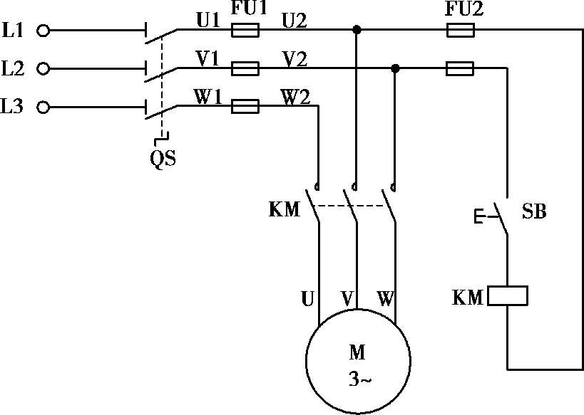
电动机点动控制电路是用按钮开关、接触器来控制电动机运转的,是最简单的控制电路之一,其控制电路如图 1.14 所示。
图1.14 三相异步电动机点动控制电路
三相异步电动机点动控制电路的工作过程如下:启动时,合上刀开关QS,将主电路引入三相电源。按下启动按钮SB,KM线圈得电,主触点闭合,电动机接通电源开始启动。当松开启动按钮SB后,KM线圈失电,主触点断开,切断电动机电源,电动机自动停车。
(1)元件选择与检查
根据之前的学习情境知识,请参照图 1.14 选出合适的低压电器元件并检查其功能完好性。
(2)电路的安装与连接
装接电路的原则:应遵循“先主后控,先串后并;从上到下,从左到右;上进下出,左进右出”的原则进行接线。其意思是接线时应先接主电路,后接控制电路;先接串联电路,后接并联电路;并且按照从上到下,从左到右的顺序逐根连接;对于电气元件的进出线,则必须按照“上面为进线,下面为出线,左边为进线,右边为出线”的原则接线,以免造成元件被短接或接错。
(3)电路的检查
接好电路后,应使用万用表等电气仪表对电路进行检查,确保线路无误后方可通电试车。
(4)通电试车
通电试车时应注意安全,观察按钮的按下情况与电动机的运行状态。
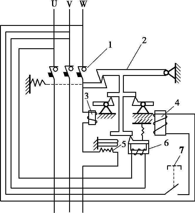
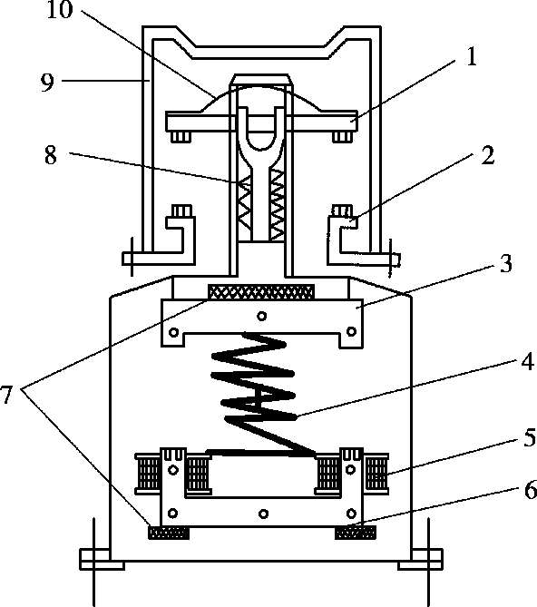
低压断路器(又称为自动开关)可用来分配电能,不频繁地启动异步电动机,对电源线路及电动机等实行保护,当它们发生严重的过载或短路及欠电压等故障时能自动切断电路,其功能相当于熔断器式断流器与过流、欠压、热继电器的组合,而且在分断故障电流后一般不需要更换零部件,因而得到广泛的应用。
1)低压断路器结构及工作原理
低压断路器由操作机构、触点、保护装置(各种脱扣器)、灭弧系统等组成。低压断路器工作原理如图 1.15 所示。
图 1.15 低压断路器的工作原理示意图
1—主触点;2—自由脱扣机构;3—过电流脱扣器;4—分磁脱扣器;5—热脱扣器;6—欠压脱扣器;7—按钮
图1.16 低压断路器的图形符号
低压断路器的主触点是靠手动操作或电动合闸的,主触点闭合后,自由脱扣机构将主触点锁在合闸位置上。过电流脱扣器的线圈和热脱扣器的热元件与主电路串联,欠电压脱扣器的线圈和电源并联。当电路发生短路或严重过载时,过电流继电器的衔铁闭合,使自由脱扣器机构动作,主触点断开主电路。当电路过载时,热脱扣器的热元件发热使双金属片向上弯曲,推动自由脱扣机构动作。当电路欠电压时,欠电压脱扣器的衔铁释放,也使自由脱扣器机构动作。分磁脱扣器则作为远距离控制用,在正常工作时,其线圈是断电的,在需远距离控制时按下启动按钮,使线圈得电,衔铁带动自由脱扣器机构动作,使主触点断开。
低压断路器的图形符号如图 1.16 所示,文字符号为QF。
2)低压断路器类型及主要参数
①万能式断路器:具有绝缘衬垫的框架结构底座将所有的构件组装在一起,用于配电网络的保护。其主要型号有DW10 和DW15 两个系列。
②塑料外壳式断路器:具有用模压绝缘材料制成的封闭外壳将所有构件组装在一起。用作配电网络的保护和电动机、照明电路及电热器等控制开关。其主要型号有DZ5,DZ10,DZ20 等系列。
③模块化小型断路器:由操作机构、热脱扣器、电磁脱扣器、触点系统、灭弧室等部件组成,所有部件都置于一个绝缘壳中。在结构上具有外形尺寸模块化(9 mm的倍数)和安装导轨化的特点,该系列断路器可作为线路和交流电动机等的电源控制开关及过载、短路等保护用。常用型号有C45,DZ47,S,DZ187,XA,MC等系列。
④智能化断路器:传统断路器的保护功能是利用了热磁效应原理,是通过机械系统的动作来实现的。智能化断路器的特征是采用了以微处理器或单片机为核心的智能控制器(智能脱扣器)。它不仅具备普通断路器的各种保护功能,同时还具有实时显示电路中的各种电参数(电流、电压、功率因数等),对电路进行在线监视、测量、试验、自诊断、通信等功能;能够对各种保护功能的动作参数进行显示、设定和修改。将电路动作时的故障参数存储在非易失存储器中以便查询。智能化断路器原理框图如图 1.17 所示。
目前,国内生产的智能化断路器主要型号有DW45,DW40,DW914(AH),DW18(AE-S),DW48,DW19(3WZ),DW17(ME)等系列。
图1.17 智能化断路器原理框图
1.自行画出三相异步电动机点动控制的电路图,标注出元器件符号及其中文名称。
2.说明画出的电路图中具有哪些电气保护环节,说明保护类型及保护器件。