



电阻器在电路中主要用于调节、稳定电流和电压,可作为分流器、分压器,也可作为匹配负载。
阻碍电流的流动是电阻器最基本的功能。根据欧姆定律,当电阻器两端的电压固定时,阻值越大,流过的电流越小,因而电阻器常用作限流元器件,如图2-17所示。
图2-17 电阻器的限流功能
鱼缸加热器仅需要很小的电流,适度加热即可满足鱼缸水温的需求,在电路中设置一个阻值较大的电阻器,即可将鱼缸加热器的电流控制为小电流,如图2-18所示。
图2-18 电阻器限流功能的应用
电阻器的降压功能是通过自身的阻值产生一定的压降,将送入的电压降低,以满足电路中的低压供电需求,如图2-19所示。
图2-19 电阻器的降压功能
将电阻器并联在电路中,可将送入的电流分流,如图2-20所示。
图2-20 电阻器的分流功能
电阻器的分压功能如图2-21所示。
图2-21 电阻器的分压功能
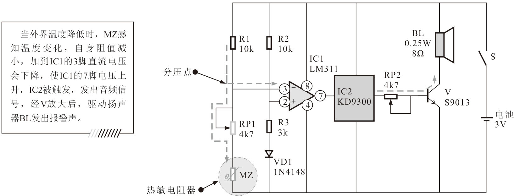
图2-22为热敏电阻器的典型应用,是一种温度检测报警电路,采用灵敏度较高的正温度系数热敏电阻器作为核心检测元器件,当检测的温度超出范围时,便可报警。
图2-22 热敏电阻器的典型应用
图2-23为光敏电阻器的典型应用,是一种光控开关电路,通过感知外界环境的光照强度控制开关。
图2-23 光敏电阻器的典型应用
图2-24为湿敏电阻器的典型应用,选用对湿度敏感的湿敏电阻器来感知湿度的变化,用于检测干湿程度。
图2-24 湿敏电阻器的典型应用
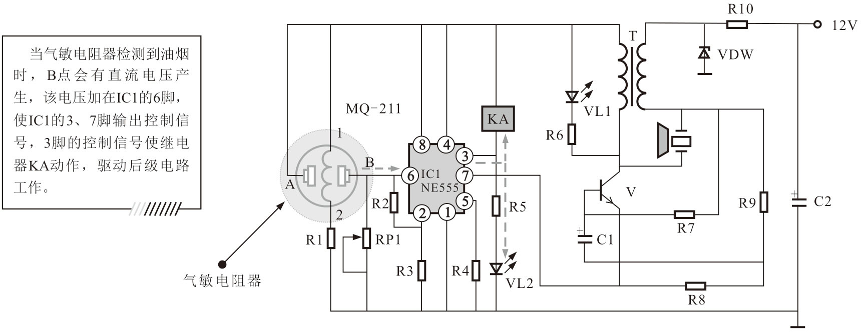
图2-25为气敏电阻器的典型应用,是抽油烟机的检测和控制电路。
图2-25 气敏电阻器的典型应用
图2-26为压敏电阻器的典型应用,用于检测输入电压是否过高。当输入电压过高时,压敏电阻器短路,熔断器熔断,进行断电保护。
图2-26 压敏电阻器的典型应用
图2-27为可调电阻器的典型应用。
图2-27 可调电阻器的典型应用