



1.几种常见的报警主机组成系统图。
2.开关电源与集中供电电源。
3.热敏打印机的简介。
4.报警主机的线路连接。
5.常用消防设备的故障分析。
6.如何学习“听懂”主机的话。
7.维修故障常用的方法有哪些。
8.处理故障时的判断顺序是什么。
9.如何做实验。
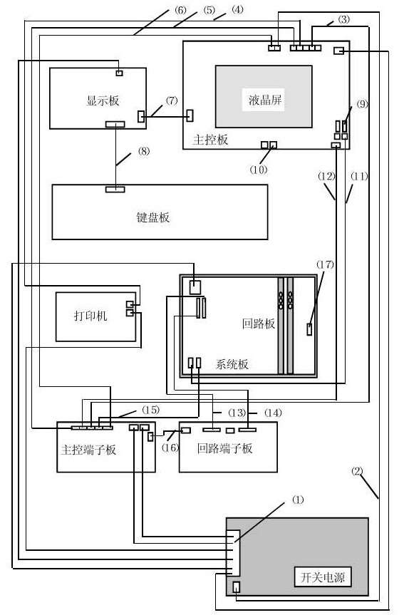
消防报警控制器,就像电脑主机一样,也是多个独立的单元组成的,通常包括以下几部分。如图1.3.1所示(参考赋安主机结构)。
图 1.3.1 赋安主机主板结构图
主控板:类似于电脑的主板,通常是面积最大的那块电路板,显示屏安装在此板上。
显示板:面板上会有很多指示灯,例如:“火警”灯、“故障”灯、“屏蔽”灯等。显示板通过排线与主控板连接,有些主机,这两块电路板是集成在一起的。
键盘板:面板上有很多按键,用于向主机输入程序或操作查看相关信息。
打印机:打印火警、故障、联动事件等信息。目前主机上配置的多数是 热敏型打印机 ,早期的主机配置的是 色带打印机, 如图1.3.2所示。
图 1.3.2 ⾊带打印机
多线键盘控制板:用于启动/停止重要的消防设备,如风机、水泵、雨淋电磁阀等。
多线接线端子板:重要消防设备的专线启动接线端子板。
系统板:回路板安装在该主板上,某些品牌将系统板与回路板集成在了一起。
回路板:为回路中的设备提供电源与通讯信号,保证设备的正常巡检、正常报警、启动与接收反馈信息等。
回路端子板:用于连接报警设备的接线端子板。
主控端子板:通常含有联网接线端子、火警继电器接线端子、小容量可复位24 V电源接线端子等。大部分机器已将回路端子板与主控端子板集成在了一起。
开关电源:为上面各个部件提供电源信号。
通过这部分内容,朋友们对消防主机的组成结构能够有个简单的认识了解即可,主机的品牌多种多样,功能组件是大体相同的。
一套完整的消防联动控制系统,通常包含 火灾报警联动控制器 (包含多线联动单元,现在这两部分已合为一个整体)、24 V智能供 电电源、消防广播分配盘、应急广播功率放大器、CRT图形显示装 置、消防电话主机、气体灭火控制主机、电气火灾监控主机、消防电 源监控主机、防火门监控主机、可燃气体报警主机等 。
根据项目的设计情况,搭配消防控制系统。当然还会遇到一些不常见的系统,如:大空间火灾探测系统、吸气式火灾探测系统等。
(一)主控板、显示板、系统板常见故障的分析方法
1.了解各个主板之间的通讯方式
每个单元主板都有独立的地址,常通过拨码开关进行设置(如图1.3.3所示,拨码开关常用于设置地址,或着设置某种功能)。这些主板之间的通讯方式,常采用CAN通讯、RS485通讯及RS232通讯。RS232通讯, 属于一对一单点通讯方式 ,需要主控板专线到达该主板,如打印机常采用这种通讯方式。
图 1.3.3
2.了解每个主板正常工作时的电压
下面给大家举例说明一下(以上面赋安主机内部结构图为例)。
主控板故障:首先需要检测一下主控板的供电电源,电压数值是否满足正常工作的要求。如果输入电压正常,则需要检测一下它的输出电压,是否符合要求。若输出电压异常,说明主控板发生了故障。判断到这一步就可以了,至于主控板上什么电子元件损坏,就不再细说了,后面交由厂家维修或购买新板更换即可。
系统板故障:假设这个主机含有两块系统板,第二块系统板出现故障。
首先,检测一下系统板输入电源的电压,数值是否满足正常工作的要求,其次检测一下系统板的输出电压是否满足要求。测量输入输出电压的方法,是判断内部各个主板故障常用的方法。
一个主板正常工作的基本条件:有正常的输入信号(电压信号+网络信号),必须有正常的输出信号(电压信号+网络信号)。若输入信号正常,输出信号异常,则可以判断主板存在故障。
如果系统板芯片程序错误,输入输出电压检测正常,则可以使用替换法判断故障。更改第一块系统板的地址为二号板的地址,替换掉第二块系统板,上电检查二号板异常现象是否消除。若无异常现象,则判断第二块系统板故障。
验证刚才的结论:更改第二块系统板的地址为一号板的地址,安装接线完成,上电检查一号板是否异常。若异常现象存在,则确认第二块系统板故障。
(二)液晶屏常见故障的分析方法
1.液晶屏亮度偏低,字符显示不清晰
报警主机使用时间久了,液晶显示屏会出现变暗的现象。在主控板上有一个如1.3.4左图所示的可调电位器,用小“一”字螺丝刀正反旋转一下,观察屏幕亮度会有无好转。若液晶屏亮度无变化,则说明液晶显示板有故障,交由厂家维修或更换新配件即可。
2.液晶屏出现花屏,无法正常显示字符
液晶屏出现花屏,常见的故障原因:排线松动或接触不良;排线接触点有铜锈;液晶屏损坏。
重新拔插排线,或使用酒精擦洗排线触点,去除铜锈,花屏现象会有改善。若无变化,则判断液晶屏损坏,更换新的屏幕即可。
(三)打印机常见故障的分析方法
打印机故障,是常见的,其故障的原因,大概可以分为以下4种。
图 1.3.4 左图+右图
1. 打印机缺少打印纸: 更换打印纸即可。热敏打印纸有正反面之分,安装时可以先用手指甲快速滑一下,若有黑色的指痕,则为正面。安装打印纸时要让这一面紧贴打印机。如1.3.4右图所示。
注意:有指痕的一面紧贴打印机。
2.打印机通讯故障:出现这种故障时,打印机无法打印任何信息。打印机常采用的通讯方式有:RS232通讯、RS485通讯或CAN通讯。通讯端口如图1.3.5所示。
图 1.3.5 打印机主板
通讯用的排线直接接自主控板,则为RS232通讯;若接自报警主机的其他配件,如多线控制盘、应急广播分配盘、消防电话主机等,则为RS485通讯或CAN通讯。
(1)RS232通讯方式,通常会用一根3芯的排线,如图1.3.6左所示。打印机电路板通讯接口常有RXD、TXD和GND的标识,分别测量RXD和TXD对GND的电压(两个端口都要测量),数值范围3~12 V,测量结果正负没有关系。说明一下,RS232通讯是交叉接线,如图1.3.6右图所示。
图 1.3.6
测量电压数据正常,接线正确,则判断打印机主板故障。
(2)RS485通讯方式,常用图1.3.5中的排线,线的数量虽然很多,不过其中只有两根线有效,电压数值5 V左右。
使用替换法判断故障:把打印机通讯端口的插头插入通讯正常的其他设备,如消防电话主机,若消防电话通讯正常,说明通讯线没有问题,故障在打印机主板。
(3)CAN通讯方式,常用图1.3.6中的3P通讯线,通讯接口常有“H、L”或“CAN+、CAN-”这样的标识。CAN口对GND的电压数值在2 V左右,测量结果正负没有关系(取决于不同的品牌,有时候测不出数值)。判断故障的方法,同样使用替换法。
3.打印机无电源工作指示:测量一下打印机的输入端口电压是否正常,电压信号的数值通常有 5 V、12 V、24 V3种 。
4.打印机字库芯片与主机字库芯片版本不同:打印的时候会出现乱码或有些字体打印不出来,需要联系厂家进行字库升级。
打印机主板如图1.3.5所示,白色的插槽为电源输入端,长方形插槽为通讯接口。
(四)开关电源常见故障的分析方法
1.开关电源主电故障的分析方法
首先测量一下 主电源输入电压 是否正常,数值范围180~240 V,有些品牌的输入电压信号范围比较小,以开关电源的参数为准。
其次检查一下主电源 保险管 是否烧毁。如果这两方面都没有问题,把备用电源开关关掉,测量一下开关电源输出电压是否正常。到这一步,开关电源的内部故障就已经确定了。这里还是应用了第一个案例中使用的技巧:有正常的输入信号,必须有正常的输出信号,否则,就是设备损坏。
2.备用电源故障的分析方法
首先用万用表的通断档测量一下备电源的保险管是否损坏。若无损坏,则关掉主电源开关,测量电源是否有正常的电压输出信号。若有正常电压输出,则说明开关电源内部元件损坏——比如 信号监测模 块损坏 。若无电压输出,则有两种情况:一种是电池损坏——无法充电或是电池电压太低,另一种是开关电源损坏。
开关电源的接线端子,通常有以下几部分,如图1.3.7所示。
交流电源输入端 :端子标有“L”“N”“地线”的符号,输入220 V的交流电源信号。
电池输入端 :连接备用电池。
电源输出端 :输出电源信号,供主机组件正常工作。输出电压的数值看电源端口的标识,如24 V、30 V或5 V输出。
图 1.3.7
电源状态信号端子 :把电源的状态信号——主电源故障信号、备电源故障信号传递给报警主机。
电池故障的判断,最简单有效的还是替换法:找一组正常工作的电池,接入电源的输入端。若故障消除,则为电池损坏;若故障仍然存在,则说明电源损坏。
(五)回路接线端子常见故障的分析方法
回路接线端子,都设有保护线路防雷击或防强电的保护器件(有些品牌设有独立的器件:如交流隔离器),该器件损坏后,会使回路无电压输出或者带负载能力减弱。
这种故障,与线路接地现象类似,即回路连接负载设备后,电压拉低很多,达不到设备的正常工作电压。
故障的判断方法,仍然使用替换法。假设3回路故障:首先,把3回路的报警线接入正常的2回路,测得输出电压正常,则排除了3回路线路接地故障。然后把2回路报警线接入3回路,电压降低,则判断为3回路端子板故障或回路板故障。
替换法,在故障判断时经常使用。需要注意一点,替换主机配件时,必须把电源关掉再进行操作。
电池好坏的判断,需要用专门的电池内阻测试仪检测。或者可以接入一个负载,通过计算内阻大小判断电池好坏。电池在使用一段时间后,内阻会变大,使得电池的容量变小。
一般12 AH的蓄电池内阻在14.4 mΩ,20 AH的蓄电池在10.6 mΩ左右,蓄电池的容量越大内阻会越小。计算内阻的方法判断电池损坏,有些复杂,在这里跟大家分享一下如何用主机正常的回路总线判断。将回路总线接到电池两端,测量输出电压,若低于正常电压3 V以上,则说明电池放电能力差,需要更换电池了。
测量电池两端的电压时,一定要把开关电源关掉测量。若测得电池(单节电池)两端电压低于12V(小2 V左右),基本可以判断是电池故障。
(一)消防报警主机常用到的接线端子
1.回路接线端子:用于连接回路总线。
2.24 V电源接线端子:为外部设备 提供电源信号,如输入输出模块、声光报警器等。
说明,这个接线端子通常不使用,触点的容量小,联动设备多,容易烧坏,需要采用集中供电电源装置。
如果是一个小型系统,声光报警器、控制模块数量很少,可以应用这组端子供电。
3.多线启动接线端子:专线启动设备接线端子,例如:风机、水泵、雨淋阀等重要消防设备。
4.电话线接线端子:连接消防电话分机或电话插孔,后面有单独内容跟大家分享。
5.消防广播接线端子:应急广播信号输出端子。
6.联网通讯线接线端子:CAN总线通讯、RS232通讯、RS485通讯。用于连接区域控制器、CRT图形装置、火灾显示盘(专线)、气体灭火控制器、电气火灾监控器、防火门监控器(同品牌)等设备。
(二)常用接线端子的识别
1.施工的朋友可以阅读主机的安装使用说明书,对于刚刚从事消防维保的朋友,接触到不认识的设备,可能无法识别。这里给大家准备了近20多个厂家的消防报警主机的使用说明及产品的设计安装手册,扫描下面二维码获取资料。
2.根据设备内部的连线方式判断接线端子
图1.3.8中两箭头指向同一根通讯线,根据我们熟知的操作板,可以判断出接线板的类型。
图 1.3.8
3.让主机告诉你,大胆操作,动线先拍照。
对于刚刚接触消防主机的朋友,可能还是不能识别,那么就让主机亲自告诉你吧。消防报警主机,内部包含多种保护电路——短路保护、接地保护、强电压冲击保护等,不会那么容易损坏。当然这些保护还是以“牺牲”某些保护电子元件为代价的。
如何让主机亲自告诉你呢?就是“拆线”。拆线前,一定要先拍照(而且最好关机操作)比如,随便拆掉一组线,如图1.3.9所示。
图 1.3.9
拆掉图中红、蓝线中任意一根线,然后打开主机,主机提示回路设备掉线,说明该端子为回路接线端子。
再看一下图1.3.10,有8组独立的接线端子。拆掉任一组端子中的任意一根线(红、黄、绿、蓝),主机提示多线几号故障,说明该端子是多线启动接线端子。
图 1.3.10
通过此方法,来判断各种接线端子,是非常不错的,特别是遇到一个从没有见过的机器。拆线时,记得先关掉主机的电源。
4.让报警设备告诉你
报警设备的接线端子符号标识,都会与主机相关的接线端子板符号标识相同。如下图1.3.11示。
图 1.3.11
烟感、手报按钮等符号标识与回路接线端子等符号标识一致,同样的方法,可以找到电话、多线、联网等接线端子。
(三)接线调试注意的几个细节
1.某些消防主机,没有编写程序时,回路端子无输出电压,大部分设备是可以直接输出电压的。测量并记录一个正常回路的电压数值,方便在后面排查故障时进行比较,每个主机的回路电压是略有区别的。
2.CAN网络通讯端子,不太容易测量电压,可以选取端子板上的接地端作为基准点来测量。
3.尽管现在大部分设备是无极性(不分正负)连接,还是建议大家按极性来接线,方便调试时处理棘手的故障问题。
4.记录好一个正常设备的所有参数:回路电压信号、外部电源信号及极性、终端电阻的大小(有时一个品牌会用到多个不同的终端电阻,避免使用错误)等,这一点非常重要。
5.线路连接主机调试时,必须要做以下的工作。
(1)主机做好接地连接;
(2)测量每一组线对地阻值、线间阻值;
(3)交叉测量颜色相近、回路位置相近、接线点相近的线阻值,检查是否有混接现象。
回路位置相近:例如,车库防火分区交接处的防火卷帘,两侧的探测器通常属于两个回路,容易出现混接情况;或者包含多个回路的单体楼,两个回路相交接的楼层,特别是声光报警器的接线盒内,容易出现混接情况。
接线点相近:一个接线盒内,有多种功能的线做接头连接时,容易出现混接。
(一)感烟探测器常见的故障分析
1.感烟探测器地址丢失故障分析
每一个探测器在报警主机里都有自己的位置和名字,安装在哪个分机、哪个回路,它的地址码是多少。排查故障时,首先要了解这些信息,找到故障设备。
感烟探测器地址丢失常见的故障原因如下。
(1)设备安装面不平,底座固定螺丝用力不均,底座发生变形,使得底座接线端子与探测器触点接触不良。
(2)用万用表(直流200 V档位)测量底座接线端子,没有 正确的电 压信号 (正确的电压信号是一个 跳动变化的电压数值 ,且数值不得低于探测器的工作电压,这里有时候会误接入24 V)。
(3)探测器的地址编写错误,或探测器损坏。用编码器检测一下地址是否正确;用编码器检测一下感烟探测器功能是否正常:编码器可以读出探测器地址,同时还能编写地址,通常可以判断探测器是好的,最有效的方法是用正常的设备替换,判断探测器的好坏。
很多品牌的编码器都有调试功能,可以检测设备的好坏。如图1.3.12所示。
(4)探测器接错回路,比如3回路15号探测器故障,编写15号地址后,却接在了4回路,那么3回路的故障是无法消除的。
(5)探测器线路接地故障。
(6)线路干扰。
图 1.3.12 编码器检测设备
2.感烟探测器污染故障分析
大部分的感烟探测器采用的是光电感烟技术,有灰尘、风吹草动,很容易误报火警。灰尘多了,便报污染故障,需要进行清洗。
污染故障处理方法:
(1)粉刷涂料、喷漆等造成污染严重的,直接更换新的探测器;
(2)日常灰尘积累,污染不严重的,清洗探测器即可。
探测器清洗的方法:用水冲洗防尘罩、迷宫式烟道,并用毛刷清扫干净;棉棒蘸取适量酒精或清水,擦拭光电信号发射器、光电信号接收器。待水分晾干,组装探测器。如图1.3.13所示。
图 1.3.13 探测器的迷宫结构
清洁完成后,与其他位置的探头对调地址和位置,让探头重新适应一下新环境,防止探头误报火警信息。
3.感烟探测器异常火警分析
每一个感烟探测器都可以实时记录自己所处位置的环境参数,用“报警阈值”表达这个参数。每一个探测器的阈值是不一样的,因为安装的位置不同,环境状况也不同。
感烟探测器异常火警,可以根据阈值判断一下。若达到报警值,是正常的;若没有达到报警值,显示火警的话,则可能存在重号、线路接地等情况。比如手报按钮、模块等与探头重号,恰好报火警或反馈信息,那么重号的烟感肯定会报火警的。
4.感烟探测器设备类型不符的故障分析
报警设备的编码方式,常见的有如下两种方式。
(1)探头和模块分为两种类型分别编码,最典型的设备——深圳赋安消防设备。比如,烟感地址为1~54号,温感地址为55~102号,手报按钮地址为1~15号,消报按钮地址为16~35,声光警报器地址为36~48。探头和模块分开编写地址。
(2)探头和模块混编,典型的设备有海湾、青鸟、依爱、北京利达等。比如烟感地址为1~5号,手报按钮地址为6~10号,温感地址为11~45号,输入输出模块地址为46~52,如表1.3.1所示。
第一种编码方式,不会出现类型不符的情况;第二种编码方式。
目前国内的消防主机设备登陆有两种方式。
1.预先设定程序的登陆方式。例如赋安消防报警主机,采用预先设定的程序登陆。好比结婚预定酒席,先统计好人数,根据人数安排好等数量的座椅。谁没有来,直接看空座就可以。
2.根据回路所接设备的后登陆方式。例如海湾、青鸟等,采用后注册的登陆方式,是根据可以正常工作的设备登录的。就好比预计来30人参加婚宴,实际来了22人,根据来的人数安排座椅,不容易看出谁没有来。
表 1.3.1 报警设备编码表
常会出现类型不符的情况。比如,现场安装的是手报按钮,设备类型编成烟感,则会出现这种故障。
施工时,最好先在图纸上编写好地址码(附带设备类型),设备类型与地址码用清晰的表格做好,可以避免出现类似的故障,还可以避免出现重码的情况。如图1.3.14所示。
图 1.3.14
(二)感温探测器常见的故障分析
1.输入输出模块与烟感重码:切断24 V电源,复位主机,火警信号消失。(此法适用于四线制模块)
2.手报按钮、消报按钮、输入模块与烟感重码:将主机断电10分钟左右,重新上电,火警信息会立即报出。说明:烟感误报火警,重新上电后,不会立即报火警,污染严重的烟感除外,或传感器损坏的温感除外。
3.多个烟感探测器重码:主机重新上电,火警信息没有立即报出,说明是探测器出现重码。如何查找呢?
举例说明:办公楼1~3层为一个回路,烟感25号报火警,更换新的探测器,主机复位后火警信息仍然存在,则推断出回路中存在与该烟感重码的设备,恰巧这个设备报火警信息或反馈信息。
使用方法一:切断24 V电源,主机复位,火警信息仍然存在,说明与该烟感重码的设备不是输入输出模块。
使用方法二:主机断电约10分钟左右,重新上电,火警信息没有立即报出。说明与该烟感重码的设备不是手报按钮、消火栓按钮或输入模块,而是烟感探测器。
分别拆除1~3层的报警总线(已知位置的25烟感已拆除),主机复位观察。发现拆除2层回路线后,主机不再显示火警信息,说明重码的烟感安装在2层。恢复2层设备的接线,逐一查找显示火警指示灯的烟感即可。
1.感温探测器地址丢失故障的分析
参考烟感探测器相关类型的故障分析。
2.感温探测器异常火警分析
感温探测器异常火警,指没有热源刺激,探测器报火警,常有以下几种情况。
(1)感温探测器温度传感器损坏,直接更换新的探测器即可。
(2)设备安装类型错误,现场安装的是感烟探测器,类型编成手动报警按钮等,这种情况有些主机不报类型错误。
(3)设备重码、线路接地。
3.感温探测器设备类型错误
参考烟感探测器相关类型的故障分析。
(三)其他类型探测器常见的故障分析
1.普通类可燃气体探测器的故障分析
普通类型的可燃气体探测器,需要信号总线与24 V电源线,独立式的探测器仅需要电源信号:24 V/220 V。
故障分析,首先要确保24 V电源电压是否正常,在探测器背面,有正常工作的电压范围标识,要确保24 V电源电压在这个范围内。可燃气体探测器24 V电源线最好单独走线。图1.3.15是独立式燃气探测器。
图 1.3.15 独⽴式燃气探测器
其次判断信号总线(针对总线式燃气探测器,如图1.3.16),故障分析参照烟感故障分析即可。
图 1.3.16 总线式燃气探测器
2.化工类或厨房内专用可燃气体探测器故障分析,如图1.3.17所示。
图 1.3.17
(1)两线制故障分析,与感烟探测器分析方法相同。
(2)三线制故障分析,常见的类型:
1)电源信号异常(电压不在正常工作范围)/极性错误(确保极性正确);
2)4~20 mA模拟信号线路断路、短路、接地;
3)将万用表调至电流测量档位(红表笔插入电流测量孔),测量模拟信号线的电流,是否在4~20 mA范围之内,或者电流大小与探测器所测浓度值的对应比例是否相符,使用这个方法可以确定传感器是否完好。
(3)四线制通讯故障分析,常见的就是 通讯线极性(一定区分正负 接线)错误和布线方式出现错误 ,导致通讯异常( CAN/RS485通讯布 线方式,必须采用双绞线,并且是手拉手连接方式) 。
3.大空间探测器故障分析
红外对射探测器,双波段火焰探测器,线型感温电缆,吸气式感烟探测器这几种探测器在第11章节,再做详细的分享。
这里的故障有两种:
(1)监管的输入模块故障;
(2)探测器本身报故障(这类探测器内部结构复杂,工作原理却比较容易理解)。
监管的输入模块故障,在后面部分会讲解。第二种故障类型,先用万用表测量探测器的电源输入信号是否正常,其次检测各端子的输出电压信号是否正常(需要通过一个正常工作的探测器获取准确的参数)。注意,测量输出信号时,需要拆掉输出线检测(正常的设备,有正确的输入信号,必然有正确的输出信号,否则,设备损坏)。
(四)手动报警按钮常见的故障分析
手动报警按钮(电话插孔在后面内容讲解)常见的故障如下。
1.手报按钮地址丢失故障分析
(1)目前大多数手报按钮为插拔式,底座固定不平衡,容易导致接触片不能很好接触,从而报故障。
(2)用万用表测量,显示不正确的电压信号。
(3)设备地址编写错误,或设备损坏,用编码器进行校验。
报警主机的设备代码,用于定义设备的类型,如烟感探测器、手报按钮、消火栓钮、排烟阀等。为什么有的代码会报火警信息,有的代码会报反馈信息呢?这是由主机内部设定好的。代码常有以下3种分类。
1.预定的设备代码:经常使用的设备类型,如烟感探测器、温感探测器、手报按钮、消火栓钮、水流指示器、信号蝶阀等。这些设备代码不允许修改;
2.可以自定义的设备:这些设备代码,也会预编辑上一些设备名称,用来区别报火警/报反馈信息。例如用输入模块接收火焰探测器的火警信息,可以将输入模块的代码更换为报火警信息的代码。
3.声光报警器的特殊代码:声光报警器的代码,主机里面通常有两种类型:
代码a——主机在“手动状态”,有报警信息(探测器或手报按钮报警)时自动启动所有的声光报警器;
代码b——主机在“自动状态”,有报警信息,联动启动相关区域的声光报警器。
(4)所接回路错误。
(5)线路接地。
(6)与插孔电话线混接。
2.手报按钮异常报火警
异常报火警,是指没有触发按钮动作,主机显示该地址号报火警,常见的原因如下。
(1)手报按钮损坏,更换其他按钮测试。
(2)与其他设备重码,即某个设备报火警或动作,恰巧与手报地址码相同。
(3) 线路接地,总线电压无明显变化,但是总线电流异常 。
3.手报按钮“动作”信息
手报按钮,在动作后是报“火警”信息,消火栓钮、输入输出模块会报“动作”信息。每一种设备类型(手报按钮,排烟阀、水流指示器等)有相应的报警信息,设备类型选择错误,则报警信息也是错的。
故障原因:手报按钮类型选择错误。
(五)消火栓按钮常见的故障分析
说明:目前 某些地区的验收规范,去掉了消报按钮的启泵功能 ,布线方式同不带电话插孔的手报按钮,故障分析可以参照感烟探测器故障分析思路。这里跟大家分享一下,带有启泵功能的消报按钮常见的故障分析方法。
1.消火栓按钮的布线(旧规范)
图 1.3.18 四线制消火栓按钮
(1)四线制( 信号总线+启泵线,按钮的回答灯是由消防泵的运行 反馈信号点亮 ),如图1.3.18所示。
四线制消报按钮,有一组信号总线接线端子,还有一组启泵接线端子,相当于一个开关,控制24 V正极,这些开关都是并联的,只要有一个按钮被按动(开关闭合),就可以启泵。
(2)五线制(信号总线+启泵线+消防泵运行反馈线)
这种线路敷设的方式,启泵线与消防泵运行反馈线共用了一根24 V正极线。消火栓按钮到消防泵房需要3根线,控制室到消防泵房必须敷设24 V电源线,如图1.3.19所示。
图 1.3.19 启泵反馈原理图
大家好好理解一下这个原理图,当线路的数量因为故障减少时,可以采用共线的方法救急。 注意,这种接法有一个缺陷,假如负极线 路接地,回答灯是一直亮的 。
(3)六线制(信号线+启泵线+消防泵运行反馈线),如图1.3.20、1.3.21所示。
这里的启泵线与消防泵运行反馈线没有共用,假如4根线中有1根线损坏,可以采用“共线法”进行救急。
六线制消报按钮,启泵线两根,24 V电源信号由泵房经按钮开关回到泵房控制柜;回答线两根,24 V电源信号由泵房经消防泵运行反馈开关到消报按钮回答灯,后经过负极回到泵房。
图 1.3.20 六线制消火栓按钮
2.消报按钮常见的故障如下
(1)消报按钮地址丢失(离线)故障分析
参照手报按钮地址丢失(离线)故障分析。
(2)消报按钮复位后,消防泵无法停止故障分析
正常情况,消报按钮被按动后,消防泵正常启动,按钮复位后,消防泵应停止运行。若按钮复位后,消防泵无法停止,分析思路如下。
1)看:消报按钮控制的启泵继电器触点是否复位。
2)测:用万用表直流档测量控制继电器线圈的电压。继电器的动作电压通常在工作电压的70%~110%,假如线圈质量不好,在有5~8 V左右的感应电压时无法断开触点,这种情况只能更换质量好的继电器。
3)消报按钮损坏,使的受控继电器线圈的电压仍为24 V,无法复位。
4)消报按钮开关控制的24 V电源负极,且负极线路存在接地,建议按钮开关控制24 V电源正极。
5)启泵线路出现短路故障。
6)启泵线路错接到回答灯,当回答灯点亮时,相当于闭合的开关。
图 1.3.21 启泵反馈原理图
7)消火栓按钮的启泵控制回路,带有自锁功能,无法停泵。
(3)消防泵没有启动,回答灯异常亮起故障分析
1)回答线路有短路点(如何快速查找短路位置,在后面第14章节跟朋友们分享)。
2)回答线路接地。
3)消防泵控制柜辅助触点接线错误,或者有虚接。
4)消报按钮接错。
3.施工时消报按钮的调试方法
消报按钮在进行接线时,线路多,难免有接错的。在施工调试的时候,按下面的方法进行。
(1)在消防主机上,排除所有消报按钮的故障及动作信息,复位所有的消火栓按钮。
(2)用万用表测量回答灯线路是否短路,无短路现象时,直接接入24 V( 记得分正负 ),然后挨个检查消火栓按钮的回答灯,没有亮灯的则为接错线路,调整线路,确保每个回答灯都亮。
(3)在启泵线路上接入调试继电器,用该继电器的常开点控制回答灯的点亮。然后挨个消报按钮进行按动测试,按下按钮,回答灯亮,复位按钮,回答灯灭。遇到不正常的,进行线路调整。
接线如图1.3.22所示。
图 1.3.22 消火栓调试继电器的接法
视频参考资料:扫描二维码,观看消报按钮调试继电器接法。
(六)输入模块常见的故障分析
1.地址丢失(离线故障)
2.输入模块异常反馈
地址丢失(离线故障)参照手报按钮或消报按钮故障分析。主要跟朋友们分享一下输入模块(输入输出模块)异常反馈的故障及处理方法。
输入模块(输入输出模块)显示异常反馈,即受控设备并没有提供反馈信号,模块显示反馈信息。
(1)外控设备提供的反馈信号是有源信号。
有源信号与无源信号的区分,在前面已做详细说明,大多数模块需要的都是无源反馈信号,改换为无源触点即可。
(2)外控设备提供的反馈信号有干扰电信号,无法用万用表测量出电压信号,可以使用万用表的频率档位测量。
外控设备提供的反馈端子有干扰电信号,以防火卷帘的反馈接线为例,如图1.3.23所示。
图 1.3.23 异常反馈处理方法图
图中,外控设备提供的无源反馈触点“下位反馈”,因为有干扰信号,模块总是无规律的报反馈信息。在该触点中通入24 V信号,使其控制外加的24 V继电器,然后选取继电器的任一组无源常开触点,接入输入模块即可。说明:此种接法必须确认设备提供的反馈点为无源信号,否则容易烧毁外控设备主板。此种方法通用于有干扰信号的情况,灵活使用该方法,可以解决好多不易处理的故障问题。
(3)极性接反,出现在多个模块共用一组反馈点的情况。
外控设备提供2组无源反馈点,且有一个公共点。两个输入模块在接反馈信号的时候,要确保有正确的极性,这种情况多出现在卷帘门控制中,如图1.3.24所示。
图 1.3.24
卷帘的中位反馈与下位反馈接线时,必须考虑控制模块反馈线的极性,接混了容易误报反馈信号。模块反馈端子的负极接公共端子,中位反馈与下位反馈接模块反馈端子正极。
(4)接地,接地引起的故障,不能用常理来判断,接地可以引起模块离线,也可以使模块有异常反馈。
(5)模块存在重码。
(七)输入输出模块及输出模块常见的故障分析
1.地址丢失(离线)故障分析
模块地址丢失(离线)故障,参考探测器、消报按钮或手报按钮故障分析方法,在这里要增加一条:输入模块或者输入输出模块的输入端线路接地,也可以使模块报地址丢失故障。
2.模块故障分析
这里的模块故障,不同于地址丢失(离线)故障,常见的有如下类型。
(1)输入输出模块电源信号故障
四线制输入输出模块没有正常的24 V电源,会报故障。两线制输入输出模块,不需要24 V电源。
(2)输入输出模块输入端开路故障(未检测到正确的终端电阻)
输入输出模块输入端开路故障,或者终端电阻损坏,或者终端电阻不匹配,或者反馈输入线断路。
(3)输入输出模块输出端故障(未检测到负载线圈)
输出端故障,通常是因为未检测到负载线圈,或者输出线路断路,或者负载线圈损坏。
3.输入输出模块异常反馈故障分析
参照输入模块异常反馈故障处理办法即可。
(八)输出模块故障分析
1.地址丢失(离线)故障
2.输出端故障
3.模块故障
故障分析参考前面输入输出模块故障分析即可。
(九)火灾显示盘常见故障分析
1.总线式火灾显示盘故障分析(信号总线+24 V电源线)
(1)地址丢失(离线)故障
参考模块或探测器的故障分析方法。说明:火灾显示盘的地址编写,通常不需要编码器设置,个别品牌除外。操作方法:火灾显示盘接入24 V电源,通过其上面的按键操作,即可完成地址的设置。
(2)不显示相应区域的火警信息
这种情况出现的原因常见的有以下几种情况:
火灾显示盘未做登记(可以拆除此设备,观察主机有无该火灾显示盘的故障信息);
火灾显示盘设备类型错误;
火灾显示盘接错回路;
火灾显示盘通讯故障;显示区域信息设置错误;
火灾显示盘损坏。
2.专线式火灾显示盘的故障分析
(1)通讯故障
未按产品设计的布线方式敷设线路(包括线型:通常采用屏蔽双胶线);敷设线路过长,在网络首尾端并接120 Ω的终端电阻,可以提高通讯质量;线路接地(查找接地点);火灾显示盘损坏。
(2)火灾显示盘遗漏火警信息
案例:某酒店前台,安装有专线通讯的火灾显示盘,要求它可以显示整个酒店的报警信息。做火警测试时,发现火灾显示盘显示的火警数量与报警控制器的数量出入太大,有时候测试了很多报警点位,火灾显示盘却只显示一条(如图1.3.25所示)。
故障分析思路如下。
1)翻阅近1~2个月的历史记录,查找一下关于该火灾显示盘相关的信息,图1.3.25所示。
2)通过历史记录看到,火灾显示盘多次出现通讯故障,后自行恢复。因酒店装修风格,维修难度大,这里采用“替换法”,即使用接地对系统工作影响最小的线路替换。
3)通过接地电阻仪测试,选择使用广播主线替换。
4)线路替换完成,测试结果正常。
图 1.3.25
补充说明:火灾显示盘采用CAN/RS485通讯时,可以在首尾两接线端子添加120 Ω的终端电阻,提高通讯质量。某些品牌的专线通讯方式并不是采用这种通讯协议,不可以随意添加该电阻。
对于刚接触消防工作的朋友来说,见到屏幕上显示很多的信息,如火警信息、故障信息、联动信息等,不知道从哪里下手。如果能听懂主机的话,就方便多了。
如何听懂主机的语言呢,就是大胆谨慎的做实验。每一台消防主机,都可以拿来做实验的,我也并不是见过很多的设备,遇到陌生的主机,就是通过实验的方法来快速了解主机。
对于接线端子的识别,可以用前面教给大家的方法,来判断端子的功能。
对于模块或探测器来说,通过一个正常的设备来学习它的语言。比如说,探测器离线故障、探测器通讯故障、探测器丢失故障等,通过拆线(总线或24 V线),错接线(极性反接、相似线交叉错接等),终端匹配电阻拆除,回路线短接等,可以看到主机所报故障,就可以很好地了解主机的语言了。
大胆谨慎的做实验,只要不接入强电,主机都会有很好的保护,有时候也会“牺牲”一些保护器件。
表 1.3.2 实验内容表1
表 1.3.3 实验内容表2
判断故障原因,常用的方法:实验法、替换法、排除法、对比法、测量电压法、测量电流法等。这些方法在后面章节的案例中都会使用,这里不单独详细分享了。
进行故障维修时,推荐使用下面的顺序:
1.测量设备的电压信号/电流信号;
2.使用短接线模拟模块的启动过程,判断故障所在,是受控设备损坏还是模块损坏;
3.使用替换法判断是否为探头/模块故障;
4.最后判断线路故障。
原则:首先确定设备功能正常,再判断线路故障(接地、干扰、错接等)。
大家在遇到一个新主机的时候,特别是新工程调试,可以做如下的实验(表1.3.2、1.3.3),快速掌握主机的语言,方便更好的跟主机进行“沟通”。
实验内容不仅仅是表格中提到的,发挥自己的想象力,制作各种错误,了解主机针对错误做出的各种反应。