



本节以一个型号为TPS54620RGYR的带有异形焊盘的芯片为例,创建一个QFN-15-EP的封装,以讲解使用嘉立创EDA专业版创建异形焊盘PCB封装的方法。
(1)单击“文件—新建—封装”,弹出“新建封装”对话框,填写封装名称“QFN-15-EP”。
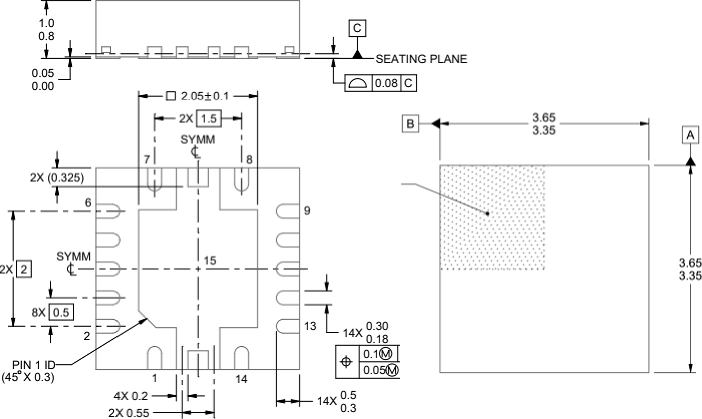
(2)下载器件型号为TPS54620RGYR的数据手册,查看数据手册中器件的外形图,据此来创建它的PCB封装,如图4-42所示。
图4-42 TPS54620RGYR数据手册
(3)需要先根据数据手册计算出中间异形焊盘的尺寸,计算好尺寸后放小焊盘在八个顶点,选中小焊盘,在右侧栏的属性面板中分别设置小焊盘坐标,用来定位,如图4-43所示。
(4)单击“放置—异形焊盘”,在顶部工具栏中单击布线拐角按钮“
”,将布线拐角调到“线条90°”,将八个定位焊盘连好,如图4-43所示。
注意:在1号引脚处需要画出斜边,利用顶部工具栏中的“线条45°”选项画出斜边,通过调整线条角度、圆弧角度可以绘制半圆形等其他形状的异形焊盘。
(5)异形焊盘绘制好后将八个定位焊盘删除,如图4-44所示;然后在四周放置14个焊盘,按照以下尺寸、间距一一放置。
图4-43 放置异形焊盘
图4-44 完成的异形焊盘
焊盘参数:引脚尺寸取中间值,长为0.4mm,宽为0.2mm,考虑裕量加入补偿值,宽方向补偿单边0.05mm,长方向外侧补偿0.2mm,内侧补偿0.1mm,补偿后焊盘长为0.7mm,宽为0.3mm。
焊盘间距参数:相邻焊盘间距为0.5mm,相对焊盘跨距为3.2mm,如图4-45所示。
(6)按照数据手册中的引脚排列顺序,依次给焊盘编号排列,如图4-45所示。
(7)根据数据手册中的器件外形,选择器件体宽度中间值3.5mm绘制丝印框;单击“放置—线条—圆形”,在顶层丝印层的1号焊盘旁边放置圆形的1脚标识,如图4-46所示。
图4-45 放置焊盘图
图4-46 创建完成的封装
(8)根据规格书核对以上参数,单击“工具—检查尺寸”,查看封装各项间距,检查焊盘编号是否正确。设置完成后封装即创建完成,如图4-46所示。