



(1)单击“文件—新建—封装”,弹出“新建封装”对话框,填写封装名称“SOP-8”。
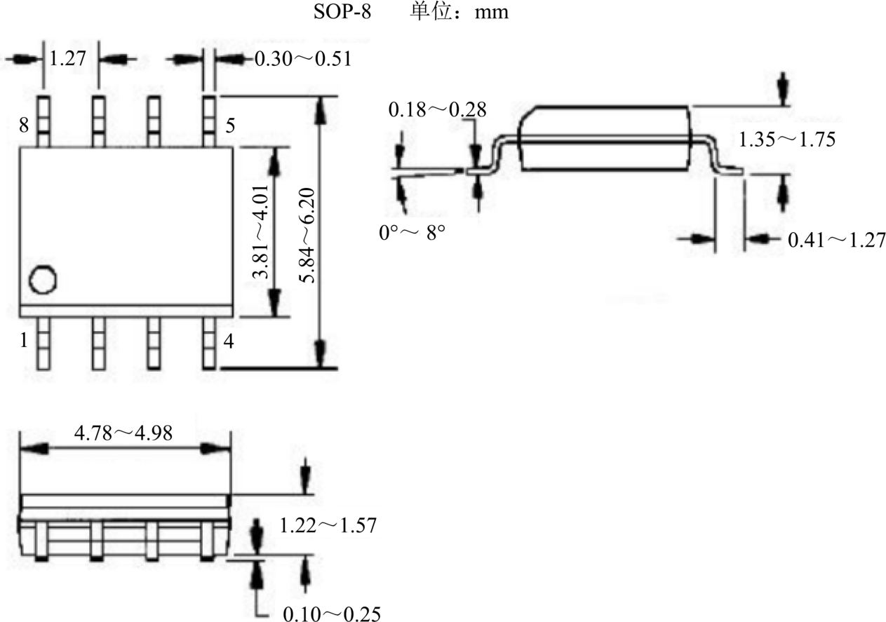
(2)下载相关器件数据手册,此处以DS1302M/TR为例;查看数据手册中器件外形图,据此来创建它的PCB封装,如图4-29所示。
(3)引脚长为0.41~1.27mm,取偏大中间值1mm,加上外侧补偿0.6mm,内侧补偿0.4mm,引脚长加上补偿等于2mm;引脚宽为0.30~0.51mm,选取中间值0.4mm加上两侧各补偿0.1mm,宽等于0.6mm。
图4-29 DS1302M/TR数据手册
(4)单击顶部工具栏中的条形多焊盘按钮“
”,横向放置条形多焊盘,间距为1.27mm,放置4个焊盘;选中焊盘,单击“右侧栏—属性”,在其中设置焊盘属性,图层设置为顶层,形状设置为矩形,设置焊盘尺寸。
(5)横向间距按照数据手册设置为1.27mm;焊盘纵向间距为6.2+0.6+0.6-2=5.4mm(器件体宽+外侧补偿-焊盘长度=焊盘纵向中心距)。
(6)以第(5)步方法从右往左放置第二排焊盘;选中第二排焊盘,单击“布局—偏移—相对偏移”,单击1号焊盘中心,偏移X设置为1.905mm,偏移Y设置为5.4mm,如图4-30所示。
(7)设定焊盘中央点为器件原点,单击“放置—画布原点—从焊盘中央”。
(8)按照数据手册,在顶层丝印层绘制器件主体丝印,丝印线宽一般选择0.15mm;单击“放置—线条—圆形”,在顶层丝印层1号焊盘旁边放置1脚标识。
(9)核对以上参数,单击“工具—检查尺寸”,查看封装各项间距,对照数据手册检查焊盘编号是否正确。此时即完成2D封装的创建,如图4-31所示。
图4-30 相对偏移命令
图4-31 创建完成的SOP-8