



电机控制器的电流采样方式一般由硬件电路方案决定。如果采用了霍尔电流传感器,那么从理论上来讲,软件可以选择在一个PWM周期的任意时刻对电机电流进行采样。但若使用电流采样电阻采样则不然,因为在某些开关状态下,电机相电流并没有通过对应的电流采样电阻,所以不能进行采样。
电流电阻采样方案一般将电流采样电阻串接在驱动电路的下桥与地之间,此时,采样电路参考地与电源地共地,电路实现起来比串接在上桥更为简单方便。对于下桥的电流采样电阻,对应相电流是否流过它取决于此时的电流方向和桥臂的开关状态。当上桥开通且电流方向为正时,电流将由直流母线经过上桥开关管流入电机绕组,但不会经过电流采样电阻,即此时无法对此相电流进行采样。
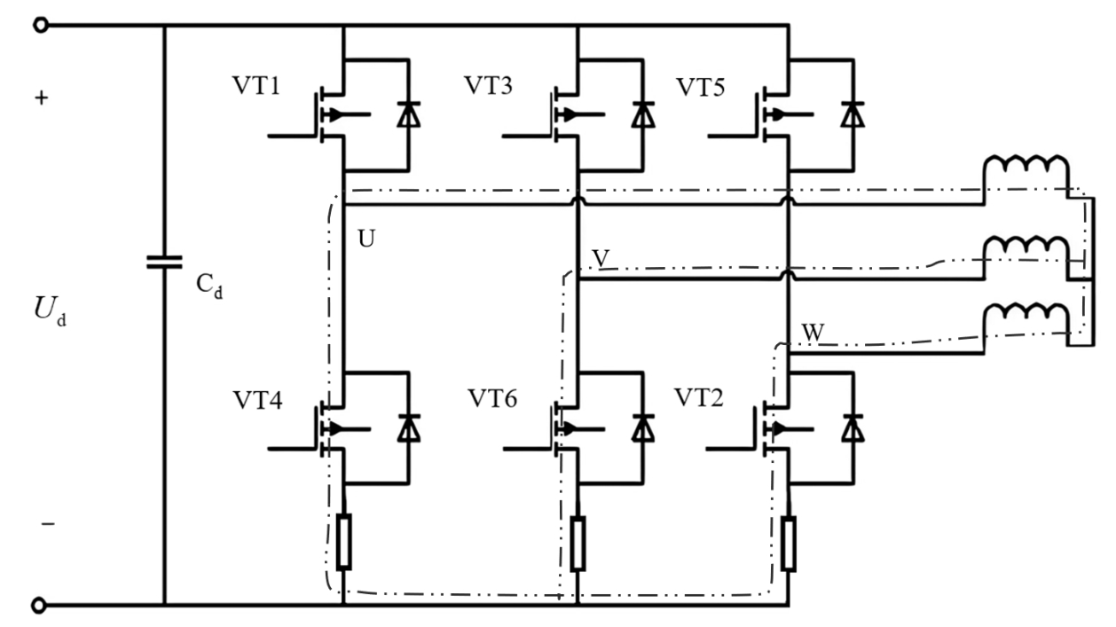
那么,有没有这样一种开关状态:无论对应电机电流方向如何,电流都流经电流采样电阻呢?答案是肯定的,在三相下桥导通时,电机三相绕组经过下桥开关管和电流采样电阻短接在一起,此时,无论电机电流方向如何,电流都流经对应的电流采样电阻,如图1-1所示。其中,VT1~VT6为MOS管,C d 为母线电容, U d 为母线电压,U、V、W表示三相桥臂,分别连接电机U、V、W的三相绕组。
图1-1 三相下桥电流采样电阻
三相下桥导通时可以方便地对三相电流进行采样。在SVPWM调制模式下,三相下桥导通意味着输出电压矢量为0或7,对应一个PWM周期的起始时刻或中间时刻。
随着开关状态的切换,电流采样电阻两端的信号建立需要一定的时间,即采样要求三相下桥导通状态能够维持一段时间。这就意味着对应上桥导通占空比不但不能达到100%,而且必须留有裕量。因此,控制器最大输出电压将受到限制,电机运行可能需要牺牲一部分转速。
下面列举一个因输出占空比过大而导致采样异常的例子。如图1-2所示,横轴为数据对应序号,纵轴为数据值,3条曲线从上到下分别为U相PWM比较值、V相PWM比较值、三相电流采样值之和。在此例中,当PWM输出占空比为100%时,对应的比较值为2625。
可以看到,第25个数据点处U相上桥全开(U相PWM比较值达到2625),与之对应的三相电流采样值之和远远偏离预期值0,达到-8731。在第25个数据点及其附近,由于U相上桥导通时间过长,导致这一段时间内的采样数据偏差都比较大,进而使三相电流采样值之和明显偏离预期。
图1-2 U/V相PWM比较值和三相电流采样值之和
考查此时三相输出电压比较值,如图1-3所示。除U相的输出电压比较值达到最大值2625以外,V相和W相的输出电压比较值并不大。也就是说,除U相下桥导通时间很短而不能正确采样电流外,V相和W相都能正常采样电流。因此,在三采样电阻采样方式下,可以抛弃比较值最大相对应的采样值,转而使用剩余两相的采样值将其替代。
图1-3 采样异常时的三相输出电压比较值
在编写软件时,电流以流入电机绕组为正、流出电机绕组为负。若令控制芯片MCU的AD采样模块参考电压为 v ref ,则在大多数情况下,当电流为0时,电流采样AD口的电压(中点电压)为 v ref /2。当有电流通过时,AD口的电压为
式中, k 为电流采样调理电路的放大倍数; R shunt 为电流采样电阻的阻值; i x 为流过电流采样电阻的电流(下标x表示对应电流和电压是未知的)。由于AD口的电压最大值为参考电压,因此采样电流的最大值 i max 满足
假设电流采样所用的AD采样模块是12位的,那么电流 i x 通过时对应的AD采样值AD_ i x 为
将式(1-2)代入式(1-3)可得
去掉其中的直流偏置,得到电流 i x 真正对应的AD采样值AD_ i x _1:
许多芯片会采用所谓“左对齐”的方式存储AD采样值,即将式(1-5)的结果左移4位,于是有
可以看到,此时的AD采样值AD_ i x _Q15是以最大电流 i max 为基值的标幺化数据,并且是以Q15格式表示的。如果选择 i max 作为基值建立标幺值系统,那么电流采样值经过去除零点漂移、增益校正等处理后即可使用。相对而言,这样处理的运算量最小,在一些控制器与电机“绑定”使用的场合应用特别广泛。对于类似变频器的应用,控制器所匹配的电机不是固定的,控制器容量和电机功率也可能存在一定的差距。这时一般会使用电机额定电流作为基值进行标幺化,如此一来,可以清晰地知道当前电流相对于电机额定电流的大小,对电流进行控制或限制都非常方便。在这种情形下,还需要对电流采样值做一些运算,如变换其基值及Q格式。