



用一个晶体管构成的放大电路,称为单级放大电路。实际运用时常常要把多个单级放大电路级联起来,组成多级放大电路。多级放大电路的第一级称为输入级,对输入级的要求往往与输入信号有关;中间级的用途是进行信号放大,提供足够大的放大倍数,常由几级放大电路组成;多级放大电路的最后一级是输出级,它与负载相接,因此对输出级的要求要考虑负载的性质。
信号源和放大器之间,放大器中各级之间,放大器与负载之间的连接方式称为耦合方式。常用的耦合方式有3种:阻容耦合、直接耦合和变压器耦合。变压器耦合在放大电路中的应用逐渐减少,本书将不再具体分析,请读者需要时参考相关书籍。
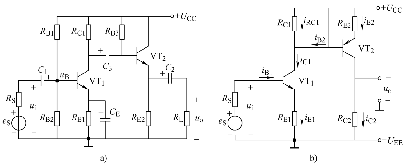
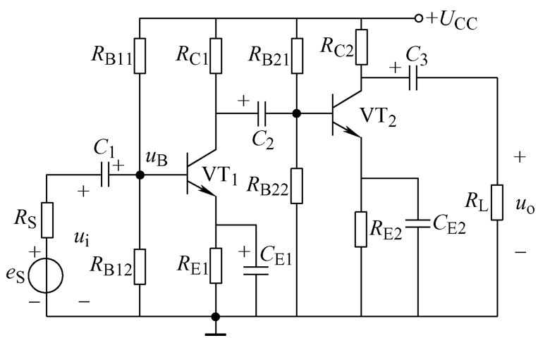
阻容耦合应用于分立元件多级交流放大电路,不能放大缓慢变化信号和直流信号,也不便于集成化。在如图2-30a所示的阻容耦合多级放大电路中,级与级之间通过电容 C 3 耦合,各级的直流通路各不相通,各级的静态工作点相互独立。
图2-30 阻容耦合多级放大电路
如图2-30b所示为直接耦合多级放大电路,这种电路既能放大交流信号,也能放大变化缓慢的直流信号,便于集成化。直接耦合多级放大电路前后级之间存在着直流通路,各级静态工作点相互影响,存在零点漂移问题,这部分内容将在后面章节涉及时再进行具体分析。
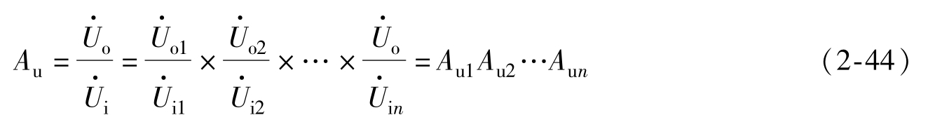
1.电压放大倍数
图2-31所示方框图为
n
级放大电路的交流等效电路。由图可知,放大电路中前级的输出电压就是后级的输入电压,即
、
、…、
。根据放大电路电压放大倍数的定义,可得
上式表明,多级放大电路的电压放大倍数等于组成它的各级放大电路电压放大倍数之积。
2.输入电阻和输出电阻
根据放大电路输入电阻和输出电阻的定义,多级放大电路的输入电阻就是输入级(即第一级)的输入电阻,而多级放大电路的输出电阻就是输出级(即最后一级)的输出电阻。在具体计算输入电阻或输出电阻时,有时它们不仅仅决定于本级参数,也与后级或前级的参数有关。
图2-31 多级放大电路方框图
【 例2-5 】电路如图2-32所示的阻容耦合两级放大电路中,其中 β 1 =100、 β 2 =60、 U CC =24V、 R B11 =36kΩ、 R B12 =24kΩ、 R C1 =2kΩ、 R E1 =2.2kΩ、 R B21 =33kΩ、 R B22 =10kΩ、 R C2 =3.3kΩ、 R E2 =1.5kΩ、 r be1 =0.96kΩ、 r be2 =0.8kΩ、 R S =360Ω、 R L =5.1kΩ。求:1)各级的输入电阻和输出电阻。2)放大器的放大倍数 A u 。3)放大电路的输入电阻 r i 和输出电阻 r o 。
图2-32 【例2-5】题图
解 :微变等效电路如图2-33所示。
图2-33 【例2-5】微变等效电路
1)分别求两级的输入电阻和输出电阻。
第一级:
r i1 = R B11 // R B12 // r be1 ≈ r be1 =0.96kΩ、 r o1 = R C1 =2kΩ
第二级:
r i2 = R B21 // R B22 // r be2 ≈ r be2 =0.8kΩ、 r o2 = R C2 =3.3kΩ
2)两级的放大倍数和放大器对信号源的放大倍数 A u 。
第一级:
第二级:
则放大器对信号源的放大倍数 A u 为
A u = A u1 A u2 =(-59.4)×(-150)=8910
3)放大电路的输入电阻 r i 和输出电阻 r o 为
r i = r i1 =0.96kΩ、 r o = r o2 =3.3kΩ
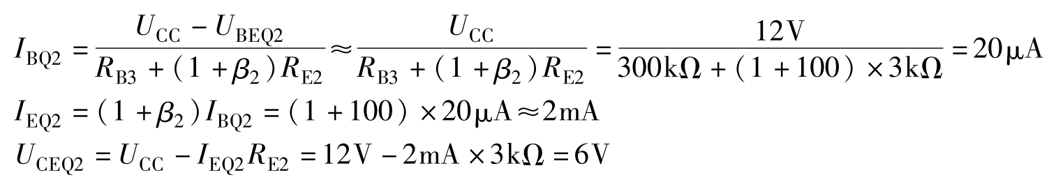
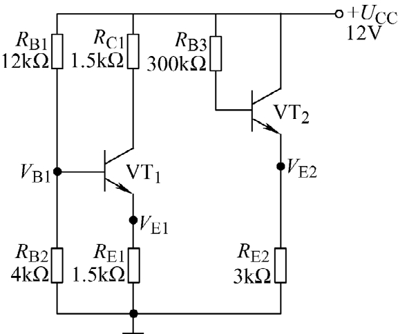
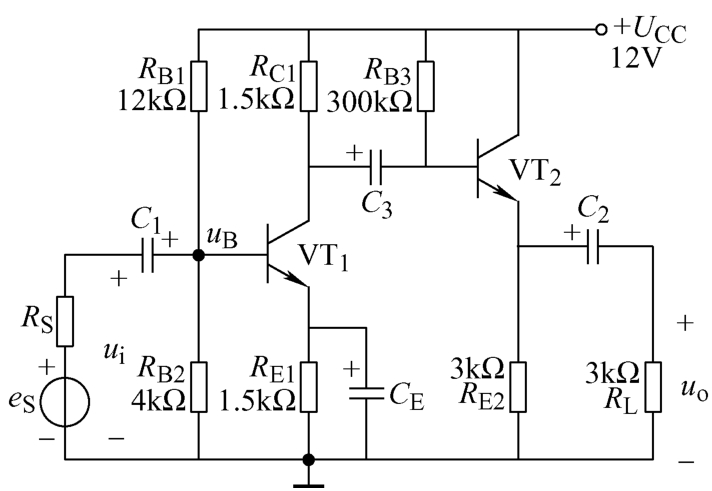
【 例2-6 】电路如图2-34所示的阻容耦合放大电路中,其中 β 1 =100、 β 2 =100,忽略 U BEQ1 和 U BEQ2 ,请根据图中所标注的参数试计算各级静态工作点。
解 :根据要求画出直流通路,如图2-35所示,并计算两级的静态工作点。
图2-34 【例2-6】题图
图2-35 【例2-6】放大电路的直流通路
第一级为共发射极放大电路,静态工作点的计算为
取: I EQ1 ≈ I CQ1
U CEQ1 ≈ U CC -I EQ1 ( R E1 + R C1 )=12V-2mA×(1.5kΩ+1.5kΩ)=6V
第二级为共集电极放大电路,静态工作点的计算为