



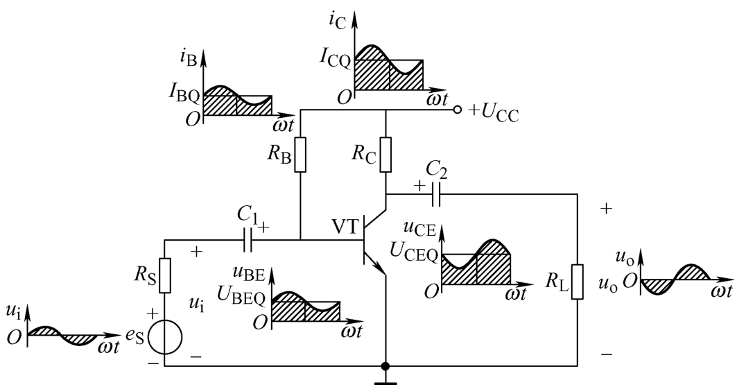
如图2-3a所示为共发射极放大电路实际电路图,图中直流电源用 U CC 表示,它给放大电路提供能源,且通过与 R B 和 R C 的配合,使晶体管发射结正偏,集电结反偏。习惯上会简化 U CC 的画法,只在放大电路与 U CC 正极相连的一端标出它对地的电压值 U CC 和极性,如图2-3b所示。
图2-3 共发射极放大电路
a)实际电路 b)简化 U CC 画法
在放大电路中,通常把公共端接“地”,设其电位为零,作为电路中其他各点电位的参考点;信号源接到放大电路输入端, e S 是交流信号源,作为待放大信号, R S 信号源内阻,输入电压为 u i ; u i 经放大后在负载 R L 两端得到输出电压 u o 。
晶体管VT:被称为放大元件,是放大电路的核心器件,电路工作在放大状态下时,基极电流 i B 与集电极电流 i C 的关系为 i C = βi B 。
基极偏置电阻 R B :用来调节基极偏置电流 I B ,使晶体管有一个合适的工作点,一般为几十千欧到几百千欧。
集电极偏置电阻 R C :将集电极电流 i C 的变化转换为电压的变化,以获得电压放大,一般为几千欧。
电容 C 1 和 C 2 :利用电容“隔直通交”作用,一方面用来传递交流信号,起到耦合的作用;另一方面使放大电路和信号源及负载间直流相隔离。 C 1 和 C 2 通常选用几微法至几十微法的电解电容器。
当 e S =0时,放大电路中的输入电压 u i =0,此时电路中只有直流电压源 U CC 起作用,放大电路中各处电压、电流都是直流分量,这种状态称为放大电路的直流工作状态或静止状态,简称静态。静态分析又称直流分析,用来确定晶体管是否工作在其输出特性曲线的放大区。在实际调试电路时,要确保电路的静态工作正常。
当放大电路处于静态时,电容视为开路,电感视为短路,电路中只有直流流过的路径称为放大电路的直流通路。图2-4a所示的共发射极放大电路的直流通路如图2-4b所示,图中的电压、电流用直流分量的符号可表示为 I B 、 I C 、 U BE 和 U CE 。
图2-4 放大电路的直流通路
放大电路中的静态工作点用 Q 表示。在输出特性曲线上,静态工作点 Q 是由 I BQ 、 I CQ 和 U CEQ 确定的,图2-5所示为静态工作点 Q 的计算电路。
图2-5a所示电路为 I BQ 的计算电路。 I BQ 称为基极偏置电流,是流过电阻 R B 后流入晶体管的基极电流,由基尔霍夫电压定律可知, U CC = I BQ R B + U BEQ ,可得
式(2-1)中,硅晶体管的 U BE ≈0.7V,锗晶体管的 U BE ≈0.3V,在计算过程中可忽略不计,当 U CC 和 R B 选定后, I BQ 即固定不变,故图2-4a所示的放大电路又称为固定偏置放大电路。
图2-5 静态工作点 Q 的计算电路
a) I BQ 的计算电路 b) U CEQ 的计算电路
当晶体管处于放大状态,由晶体管的电流放大原理可得流过电阻 R C 的集电极电流 I CQ 为
图2-5b所示电路为 U CEQ 的计算电路。由基尔霍夫电压定律可知, U CC = I CQ R C + U CEQ ,可得
由式(2-3)可知,当
U
CE
=0时,
;当
I
C
=0时,
U
CE
=
U
CC
。
在晶体管输出特性曲线的坐标系中,可以得到一条
U
CE
和
I
C
关系的直线,即输出回路的直流负载线,其与横轴的交点坐标为(
U
CC
,0),与纵轴的交点坐标为
,斜率为
,如图2-6所示,它与由
I
BQ
确定的输出特性曲线相交于
Q
,
Q
点对应的集电极电流是
I
CQ
,对应的电压值是
U
CEQ
。
图2-6 静态工作点 Q 的确定
【 例2-1 】图2-7a所示的放大电路中,设 U CC =12V、 R C =3kΩ、 R B =600kΩ,晶体管VT的 β =100,忽略 U BE 。求:1)放大电路的静态工作点 Q ( I BQ 、 I CQ 、 U CEQ )。2)在输出特性曲线中画出直流负载线。
图2-7 【例2-1】对应的电路图
解 :
1)画出放大电路的直流通路如图2-7b所示。忽略 U BE ,即取 U BEQ ≈0V,得
I CQ = βI BQ =100×0.02mA=2mA
U CEQ = U CC -I CQ R C =12V-2mA×3kΩ=6V
2)由已知条件可知: U CE = U CC -I C R C 。
当
U
CE
=0时,
;当
I
C
=0时,
U
CE
=
U
CC
=12V。
放大电路输出的直流负载线如图2-8所示,这条直线与 I BQ =20μA的交点就是静态工作点 Q , Q 点的 I CQ =2mA、 U CEQ =6V。
图2-8 【例2-1】输出直流负载线和静态工作点
在静态工作点的计算过程中,忽略晶体管 U BE 的取值,对静态工作点的数值是有一定的影响,但在工程应用上是允许的,本书中若不专门强调,均取 U BE ≈0V。
1.共发射极放大电路的交流通路
在直流电压源 U CC 和信号源 e S 的共同作用下,放大电路的输入电压 u i ≠0,晶体管各电极的电流和电压都是叠加量,即在静态值的基础上叠加有交流分量,可得
放大电路的这种状态称为动态,如图2-9所示。对放大电路的交流分量 i B 、 u BE 、 i C 和 u CE 的分析称为放大电路的交流分析。
图2-9 U CC 和 e S 共同作用时处于动态的电路
为简化问题,便于交流分析,对如图2-9所示的共发射极放大电路作如下处理,便可以得到它的交流通路,如图2-10a所示,整理后可得到图2-10b所示的电路。
图2-10 e S 单独作用时的交流通路
1)由于 C 1 和 C 2 容量通常很大,对中高频交流信号而言,其呈现的容抗就很小,交流分析时,可视为短路。
2)把直流电压源 U CC 视作理想电压源,对交流信号而言,其内阻很小,可视为短路。
2.晶体管的微变等效模型
由于晶体管是非线性元件在进行放大电路的交流分析时,需要将晶体管线性化,等效为一个线性元件,进而将放大电路等效成为一个线性电路,即微变等效电路,这样就可用分析线性电路的方法,来分析晶体管放大电路,计算相关的动态性能指标。
如图2-11a所示,虽然晶体管的输入特性曲线是非线性的,但 U BE 在 Q 点附近小范围内变化时,可以得到Δ U BE 的微小电压变化量,这个变化量在 Q 1 和 Q 2 之间的输入特性曲线近似为一条直线。当 U CE = U CEQ 时,电压变化量Δ U BE 与电流变化量Δ I B 成正比,即
图2-11 晶体管特性曲线的线性化
r be 称为晶体管输入电阻,低频小功率晶体管的输入电阻常用下式估算:
式中, I EQ 为发射极电流的静态值,单位为mA。它与 I BQ 和 I CQ 存在一定的数量关系,因此 I EQ 也可变换成 I BQ 或者取 I CQ ≈ I EQ 进行计算。
在小信号的作用下, r be 是一常数,它是确定交流分量 u be 和 i b 之间关系的动态电阻。因此,晶体管的输入端口(B和E之间)可用 r be 来等效代替;在晶体管的输出特性曲线组中,放大区内输出特性曲线可近似看作一簇等距离的平行直线。当 U CE = U CEQ 时,在Δ U BE 的作用下,会产生的电流变化量Δ I B 和Δ I C ,变化量Δ I B 和Δ I C 之比即为晶体管的电流放大系数 β 。在小信号的作用下, β 是一常数,它表明 i c 受 i b 的控制,即可等效成一个受 i b 控制的受控电流源,如图2-12a所示。
图2-12 晶体管的微变等效电路
在图2-12a中,晶体管C和E两端的电阻 r ce 称为晶体管的输出电阻。在小信号作用下, r ce 是一个常数,相当于受控电流源 βi b 的动态电阻。 r ce 的阻值很高,约为几十千欧到几百千欧,在实际分析过程中可以忽略不计,所造成的误差是在工程估算的允许范围内。未特别说明,本书都采取忽略 r ce 的微变等效电路,如图2-12b所示。
3.用微变等效电路法分析动态工作情况
在晶体管的微变等效模型的基础上,就可以把图2-13a转换成如图2-13b所示的晶体管共发射极放大电路的微变等效电路。晶体管放大电路的动态性能指标主要有:输入电阻 r i 、输出电阻 r o 和电压放大倍数 A u 。
图2-13 整理后的共射极放大电路的交流通路
(1)输入电阻 r i
对信号源而言,放大电路是一个负载,如图2-13b所示。从输入信号
两端看进去,放大电路可以等效为一个电阻,这就是放大电路输入电阻
r
i
,可得
因为 R B >> r be ,所以可得
输入电压
与信号源电压
的关系为
由式(2-8)可知,输入电阻的大小决定了放大电路输入端从信号源获得的信号电压的大小,关系到对信号源电压
是否有效利用。为减小信号源在其内阻
R
S
上的损失,一般要求放大电路的输入电阻
r
i
越大越好。
(2)输出电阻 r o
如图2-13b所示,对负载而言,放大电路可等效为一个信号源,其内阻即为放大电路的输出电阻 r o ,它就是从放大电路输出端看进去的等效电阻。
由图2-14a可得,去掉负载电阻
R
L
后,
R
C
两端的开路电压
,由图2-14b可得短路电流
,所以输出电阻
r
o
为
图2-14 输出电阻 r o 的计算电路
此外,若电压信号
短路,如图2-15所示,流过动态电阻
r
be
上的电流为零,即
=0,故受控电流源
,等同于受控电流源开路。从
R
L
两端向左看进去,也可得放大电路的输出电阻
r
o
=
R
C
。
图2-15 除源观察法求输出电阻 r o
(3)电压放大倍数 A u
在如图2-13所示的共射极放大电路的微变等效电路中,电压放大倍数
A
u
为输入信号与输出信号之比,在这里要提醒读者注意,晶体管放大电路的带载情况对电路的放大倍数是有影响的,首先来分析晶体管放大电路空载(即电路无
R
L
的情况)。设信号源电压
e
S
的输入信号为正弦电压信号,则微变等效电路的输入回路
为
由输出回路
为
则
当电路接入负载电阻时,输入信号不受影响,而交流负载电阻 R ′ L 为 R C 与 R L 并联,即
此时,输出回路有
为
则
由 A u 的计算公式可知, A u 与 β 、 R C 、 R L 和 r be 有关,式(2-12)和式(2-15)中的负号表示输出电压与输入电压反向。
【 例2-2 】如图2-16a所示的放大电路中,设 U CC =12V、 R C =3kΩ、 R B =300kΩ,晶体管VT的 β =50、 R L =3kΩ,忽略发射结正向压降,信号源 e S =40sin314 t mV,其内阻 R S =510Ω。试求:1)放大电路的静态工作点 Q ( I BQ 、 I CQ 、 U CEQ )。2)晶体管的输入电阻 r be 。3)放大电路的输入电阻 r i 、输出电阻 r o 和电压放大倍数 A u 。4)输入电压 u i 和输出电压 u o 。
图2-16 【例2-2】对应的电路图
解 :1)首先画出放大电路的直流通路如图2-16b所示。
忽略发射结正向压降 U BE ,即取 U BEQ ≈0V,得
I CQ = βI BQ =50×0.04mA=2mA
U CEQ = U CC -I CQ R C =12V-2mA×3kΩ=6V
2)取 I EQ ≈ I CQ =2mA,得
3)放大电路的输入电阻为
r i = R B // r be ≈ r be =0.863kΩ
放大电路的输出电阻为
r o ≈ R C =3kΩ
放大电路的电压放大倍数为
4)输入电压为
输出电压为
u o = A u u i ≈-86.9×25.1sin314 t (mV)=-2.18sin314 t (V)
综上所述可得:共发射极放大电路的输入端从信号源 e S 获得按正弦规律变化的输入电压 u i ,经电容C 1 耦合到晶体管的基极,与静态基极电流叠加成 i B , i B 的变化使集电极电流 i C 随之变化,进而在集电极电阻 R C 上产生压降,集电极电压 u CE = U CC -i C R C , u CE 的变化与 i C 的变化相反。 u CE 中的交流分量经过C 2 耦合到输出端获得与输入电压 u i 反向的输出电压 u o 。共发射极放大电路中各点的电压电流波形如图2-17所示。
图2-17 放大电路中电压电流波形图
正常工作的放大电路要求输出信号不能失真。所谓失真是指输出信号偏离输入信号的波形。当放大电路的静态工作点 Q 设置不合适或者当信号源电压 e S 过大,就会使输出信号超出了晶体管的线性放大区,产生非线性失真,放大电路的失真包括饱和失真和截止失真两种情况。
失真现象是在电路动态状态下出现的,在这里需要提到的是交流负载线的概念。当电路有信号源输入,并带有负载电阻
R
L
时,电路动态状态下的
i
C
和
u
CE
的关系是一条经过
Q
点的斜率为
的一条直线,称为交流负载线,如图2-18所示中的直线
MN
。
当静态工作点 Q 设置过低,在信号源 e S 的正半周可以正常工作,但在信号源 e S 的负半周时,输入信号电压的波形进入了截止区,导致输出电压 u o 的正半周波形失真,称为截止失真,如图2-18所示。
图2-18 截止失真
当静态工作点 Q 设置过高时,就会出现与截止失真完全相反的现象。在信号源 e S 的正半周,有些工作点已进入饱和区,引起输出电压 u o 的负半周波形失真,称为饱和失真,如图2-19所示。
图2-19 饱和失真
此外,当信号源 e S 的电压过大时也会导致截止失真和饱和失真的情况,请读者自行分析。