



通过对单级齿轮减速器(图 1-2)的拆装,掌握拆装注意事项,了解减速器的结构组成及各零件的名称,了解机器的制造过程(二维绘图、三维建模及逆向工程)。能够区分标准件、常用件和一般零件,了解《技术制图》《机械制图》国家标准中对图幅、比例、字体、图线及尺寸标注的基本规定,具有严格遵守制图标准的意识,并不断养成习惯。
图 1-2 单级齿轮减速器
学习条件及环境要求 :机械制图实训室,计算机、绘图软件(二维、三维)、多媒体、拆装工具、单级圆柱齿轮减速器模型、教材、参考书、网络课程及其他资源等。
教学时间(计划学时) :4 学时。
任务目标:
①叙述减速器的功用、分类、结构组成、特点及工作原理。
②列出减速器的所有零件明细清单(序号、名称、数量、材料),并区分标准件、常用件和一般零件。
③能够大致说出《技术制图》《机械制图》国家标准中对图幅、比例、字体、图线及尺寸注法的基本规定。
④认识常用的拆装工具,并能够正确使用。
⑤叙述机械、机器、部件、零件等机械术语,并列出它们的关系。
⑥叙述装配体的拆装原则和注意事项。
⑦叙述机器的制造过程(计算机二维绘图、三维建模及逆向工程在其中的作用)。
⑧能够认识各种机械图样,并能够说出它们各自的作用及内容。
⑨具有严格遵守标准的意识,并不断养成习惯。
①常用拆装工具的种类与正确使用、拆装原则及注意事项。
②减速器的结构组成及特点、工作原理。
③机械、机器、部件、零件等机械术语。
④机器的制造过程。
⑤《技术制图》《机械制图》国家标准中对图幅、比例、字体、图线及尺寸注法的基本规定。
⑥装配示意图、草图、零件工作图、装配图的作用及内容。
所用材料、工具分别见表 1-1 及表 1-2。
表 1-1 材料计划表
表 1-2 工具计划表
学生按 4 ~ 6 人一组,通常为 5 人,明确每组的工作任务,填写分组任务表及学生小组任务分配表,每组及每个学生的任务,可以相同也可以有差异性,视具体情况而定。
具体分组情况表见附页。
①减速器的功用、分类、结构如何?
②拆卸减速器的工具有哪些?
③拆卸减速器的方法及注意事项有哪些?
④减速器的拆卸步骤有哪些?
⑤减速器的拆卸和装配顺序是什么?
减速器是一种由封闭在刚性壳体内的传动零件所组成的独立部件,常用作原动机与工作机之间的减速传动装置。在原动机和工作机或执行机构之间起匹配转速和传递转矩的作用,在现代机械中应用极为广泛。产品服务领域涉及冶金、有色、煤炭、建材、船舶、水利、电力、工程机械及石化等行业。使用其目的是降低转速,增加转矩。
减速器的种类繁多,型号各异,不同种类有不同的用途。
①按照传动级数不同可分为单级、二级和多级减速器,如图 1-3(a)、(b)所示。
②按照传动类型可分为齿轮减速器、蜗杆减速器和行星齿轮减速器,如图 1-3(c)、(d)所示。
③按照齿轮形状可分为圆柱齿轮减速器、圆锥齿轮减速器和圆锥-圆柱齿轮减速器。
④按照传动的布置形式又可分为展开式减速器、分流式减速器和同轴式减速器。
图 1-3 减速器的分类
圆柱齿轮减速器的齿轮采用渗碳、淬火、磨齿加工,因此具有承载能力高、噪声低、寿命长、体积小、效率高、质量小等优点。其主要用于带式输送机及各种运输机械,也可用于其他通用机械的传动机构中,广泛应用于矿山、起重、运输、建筑、化工、纺织、制药等领域。
1)扳手类工具
扳手,是一种常用的安装与拆卸工具,是利用杠杆原理拧转螺栓、螺钉、螺母和其他螺纹紧固件的手工工具。扳手通常在柄部的一端或两端制有夹持螺栓或螺母的开口或套孔。使用时沿螺纹旋转方向在柄部施加外力即能拧转螺栓或螺母。
常用扳手有以下分类:呆扳手[图 1-4(a)]、活扳手[图 1-4(b)]、钩形扳手、扭力扳手、内六角扳手[图 1-4(c)]、两用扳手[图 1-4(d)]、套筒扳手[也称套筒,图 1-4(e)]。其中内六角扳手的型号是按照六方的对边尺寸而言的;套筒扳手由套筒、连接件、传动附件等组成,其规格以适用的六角孔对边宽度表示,用于六角螺栓、螺母的拆卸和安装,适用于空间狭小、位置深凹的工作场合。
图 1-4 各类扳手
2)手锤、改锥类工具
手锤、改锥类工具如图 1-5 所示。
图 1-5 手锤、改锥类工具
3)手钳类工具
钢丝钳主要用于夹持弯曲金属薄片、切断金属丝,有尖嘴钳和扁嘴钳,还有管钳等,如图1-6 所示。
图 1-6 手钳类工具
4)其他工具
其他工具还有毛刷、拉拔器等。拉拔器主要用于拆卸轴上的轴承、轮盘等,如图 1-7(a)所示。车间其他常用工具如图 1-7(b)所示。
图 1-7 其他工具
1)“恢复原机”原则
本原则要求对被测零部件在拆卸后能够被恢复到拆卸前的状态,除要保证原部件的完整性、密封性和准确度外,还要保证在使用性能上与原部件相同。
2)不拆卸原则
本原则是指在满足测绘要求的前提下,能不拆的就不拆,能少拆的就少拆。对拆开后不易调整复位的零件,尽量不拆卸。比如,对机器上的不可拆连接,壳体上的螺柱,具有过盈配合的销钉、轴承和丝套等,需要调整才能满足使用要求的部分,配合精度要求较高且重装困难的部分,一般不进行拆卸。
3)无损原则
在拆卸过程中,不要用重力敲击,对已经锈蚀的零件,应先除锈,再进行拆卸,以免造成零件划伤。在测绘、保管过程中,也要注意保证零件无锈蚀、无腐蚀、无冲撞。
4)后装先拆原则
即先拆下的零件后装配,后拆下的零件先装配,也即装配顺序与拆卸顺序正好相反。
1)做好拆卸前的准备工作
①选择并清理好拆卸工作场地,保护好电气设备和易氧化、锈蚀的零件,将机械设备中的油液放尽。
②装配示意图画好后,要准备好带有号码的胶贴,以对图上所有零件进行编号。
③根据需要准备好必要的拆卸工具。
2)了解机器的连接方式
①永久性连接:焊接、过盈量大的配合。
②半永久性连接:过盈量较小的配合,具有过盈的过渡配合。
③活动连接:配合的零件间有间隙,如滑动轴承的孔与其相配合的轴颈。
④可拆卸连接:如螺纹连接、键与销的连接等。
3)确定拆卸的大致顺序
①先将机器中的大部件解体,然后拆成组件。
②将各组件再拆成能够进行测绘的小件或零件。
①注意操作安全。
②采用正确的拆卸步骤,防止零件丢失。
③正确选择和使用拆卸工具,拆卸时尽量采用合适的专用工具,不能乱敲和猛击。用锤子直接打击拆卸零件时,应该用铜或硬木作衬垫。连接处在拆卸之前最好使用润滑油浸润,不易拆卸的配合件,可用煤油浸润或浸泡。
④保管好拆卸的零件,丝杠、轴类零件应涂油后悬挂于架上,以免生锈、变形。拆卸下来的零件应按部件归类并放置整齐,对偶件应打印记并成对存放,对有特定位置要求的装配零件需要做出标记,重要、精密零件要单独存放,注意不要碰伤已拆卸下来零件的加工表面,保护好贵重零件和零件的高精度表面。
⑤注意特殊零件的拆卸及废弃件的处理。
我们必须牢固树立新时代的设计思想,爱岗敬业,具备“工匠”的气质。爱护每一台教具产品,按规矩拆卸、组装;按次序摆放各类零件;按规定摆放各类工具、量具。及时清理工作场地。离开测绘现场时,必须做到关闭窗户、关闭电源,杜绝一切安全事故的发生。
①机械装配有关的术语有哪些?它们之间的关系如何?
②各种机械图样的作用是什么?
③如何画装配示意图?
④标准件、常用件与一般零件的区别是什么?
⑤零件与机器的关系如何?
⑥轴上零件、铆件、焊件、滚动轴承如何拆卸?
⑦拆卸下的零部件如何清洗?
1)机械
机械是执行机械运动的装置,用来变换能量或传递物料,如交通运输机械、工程机械、机床、起重机等。
2)零件
零件是组成产品的最小单元。在机械装配中,一般先将零件装成套件、组件或部件,然后再装配成产品。
3)套件
套件也称合件,是在一个基准零件上安装一个或若干个零件而构成的,它是最小的装配单元。套件中基准零件的作用是连接相关零件和确定各零件的相对位置。为套件而进行的装配称为套装。套件装配好之后,在后续的装配过程中将其作为一个零件,不再分开,如双联齿轮。
4)组件
组件是在一个基准零件上安装若干套件及零件而构成的。组件中唯一的基准零件的作用是连接相关零件和套件,并确定它们的相对位置。为形成组件而进行的装配称为组装。组件中可以没有套件,即由一个基准零件和若干个零件组成。组件与套件的区别在于,组件在以后的装配中可拆卸,如机床主轴箱中的主轴组件。
5)部件
部件是在一个基准零件上安装若干组件、套件和零件而构成的。部件中唯一的基准零件的作用是连接各个组件、套件和零件,并决定它们之间的相对位置。为形成部件而进行的装配称为部装。部件在产品中能完成一定完整的功能,如机床中的主轴箱就是一个部件。
6)产品
在一个基准零件上安装若干部件、组件、套件和零件即成为整个产品。
7)总成
一系列零件或者产品,组成一个实现某个特定功能的整体,这一系统的总称,即为总成。例如,汽车上的大灯总成、发动机动力总成、传动总成以及齿轮总成等。
8)总装
总装一般来说大于或等于总成,看设备复杂到何种程度,如果总成更上一级还需要表达,可以用总装来体现。在一个基准零件上安装若干部件、组件、套件和零件就成为整个产品。同样,一部产品中只有一个基准零件,作用与上述相同。为形成产品而进行的装配称为总装。例如,卧式车床便是以床身作为基准零件,再安装上主轴箱、进给箱、溜板箱等部件及其他组件、套件及零件而构成的。总装体现了整机的意义。
总装≥总成>部件>组件>套件>零件
相对复杂程度不同的装配组合,并不能在不同的机器设备间相比较,有些机器设备的部件,可能会比另一个机器设备的总成还要复杂。
零件的分类如图 1-8 所示。
图 1-8 零件的分类
图 1-9 所示为一常见工具——扳手的实物图。若要制造扳手,必须先将实物转换成工程界通用的技术语言,即图样,这样工厂才能按照图样上的具体形状、尺寸和技术要求,生产出合格的扳手。在加工制造过程中,特别需要“精益求精”的工匠精神(码 1-1),图 1-10 即为扳手的部分图样,包括视图、必要的尺寸标注等。
图 1-9 扳手实物图
图 1-10 扳手的部分图样
制造由多个零件构成的机器或部件时,除螺栓、螺母、垫圈、螺柱、螺钉、键、销等标准件可直接购买外,构成该机器或部件的其他所有零件(包括非标准件)都需画出其零件图样,并需要画出表示该机器或部件中各零件的连接方式、装配关系、工作原理和传动方式的装配图样。
在机械制造业中,零件图样和装配图样统称为机械图样。机械图样,即根据正投影原理,按照《机械制图》国家标准的规定绘制出的图样。机械制图就是研究机械图样的绘制原理、方法和识图方法的一门技术性、专业性很强的机械基础课程。
码 1-1 大国“工匠精神”
1)三维装配图及三维爆炸图
以滑动轴承为例,其三维装配图及三维爆炸图分别如图 1-11(a)、(b)所示。
图 1-11 三维装配图及爆炸图
2)装配示意图
滑动轴承的装配示意图如图 1-12 所示。
图 1-12 滑动轴承的装配示意图
3)零件草图
零件草图是指徒手用铅笔绘制的零件图样。滑动轴承的轴承座及轴承盖的零件草图,分别如图 1-13(a)、(b)所示。
4)零件工作图
零件工作图是用尺、规绘图工具在专用绘图纸上,或者应用绘图软件在计算机上绘制的表达某个零件的图样。图 1-14 所示的滑动轴承的轴承座零件工作图。
5)装配图
装配图是用尺、规等绘图工具在专用绘图纸上,或者应用绘图软件在计算机上绘制的表达整个装配体的图样。图 1-15 所示为滑动轴承的装配图。
图 1-13 滑动轴承的零件草图
图 1-14 滑动轴承的轴承座零件工作图
图 1-15 滑动轴承的装配图
装配示意图的画法没有严格的规定,通常对一般零件,可按零件外形和结构特点用简单的线条形象地画出零件的大致轮廓;对其他零件可参照有关参考资料的机构运动简图符号画出。
对传动部分中的一些零件、部件,可按国家标准《机械制图机构运动简图用图形符号》(GB / T 4460—2013)绘制。
绘图时可从主要零件着手,按装配顺序逐个画出。画装配示意图时,通常对各零件的表达可不受前后层次的限制,对零件的前后层次,可把它们当作透明体,直接画出。
画示意图时,一般只画 1 ~ 2 个视图,应尽可能地将所有零件都集中在一个视图上表达出来,确实表达不清楚时,才画其他视图;示意图要对各零件进行编号或写出零件名称,并应与所拆卸零件的号签相同;装配示意图中的两接触面之间要留有间隙,以便区分不同零件。
图上各零件的结构形状和装配关系可用较少的线条形象地表示,简单的甚至可以只用单线条来表示。目前,较为常见的有“单线+符号”和“轮廓+符号”两种画法,见表 1-3。
①“单线+符号”画法是将结构件用线条来表示,对装配体中的标准件和常用件用符号表示的一种装配示意图画法。用这种画法绘制装配示意图时,两零件间的接触面应按非接触面的画法来绘制。
②用“轮廓+符号”画法画装配示意图时,首先画出部件中一些较大零件的轮廓,其他较小的零件用单线或符号来表示。
表 1-3 示意图的画法
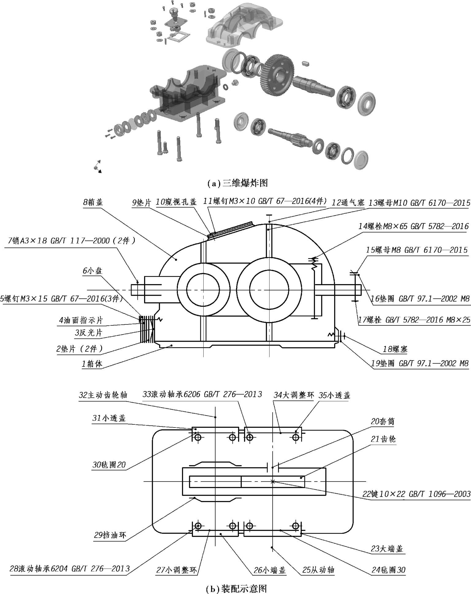
单级圆柱齿轮减速器的三维爆炸图及装配示意图如图 1-16(a)、(b)所示。
图 1-16 单级圆柱齿轮减速器的三维爆炸图及装配示意图
单级齿轮减速器零件明细见表 1-4。
表 1-4 单级齿轮减速器零件明细
减速器的拆卸步骤为:联结件→箱盖→轴组件→出气孔→观察窗孔→放油孔。
第一步,先将连接螺栓、螺钉拆下,使盖与体分离,即可画装配示意图,此时不必全部拆散。首先测量总长、总宽和总高。然后按先后次序,拧出箱盖上 4 个M8×65 的螺栓和 2 个M8×25 的螺栓以及 2 个定位销 3×18。将箱盖和其上的透气塞、窥视孔盖一起卸下。齿轮减速器的输入轴总成和输出轴总成就呈现在眼前,减速箱内 2 根传动轴平行且平面排列,都由滚动轴承支承。通过输入轴上的小齿轮和输出轴上的大齿轮实现变速。在轴的两端分别有透盖和闷盖等零件。
第二步,对于看不清楚的内部结构,再逐步拆开,边拆边画,完成整个装配示意图。在进一步拆卸前先测量输入轴和输出轴中心距 70 mm,中心高 80 mm。箱体内零件的拆卸,主要拆卸输入、输出轴,使用轴承拆卸工具拆下左、右端轴承,对两轴系上的零件套筒、大齿轮和普通平键等零件,整个取下该轴系,即可一一卸下。其他各部分的拆卸比较简单,此处不再赘述。装配时,其顺序与拆卸顺序正好相反,后拆的零件先装,先拆的零件后装即可完成。
从减速器的整个装拆过程,我们可以感受到做任何事情都要有树立远大理想,有爱国情怀、责任感与使命感(码 1-2)。
码 1-2 理想 爱国责任 使命
①检查所需工具、材料是否齐全;检查工作环境是否干净、整洁。
②先观察整个装配体,必要时记录缺损部分,再按顺序拆卸装配体,将各个零件按顺序摆放整齐,并进行编号。
③对照装配示意图填写零件明细表,并认识每种零件,区分其中的标准件、常用件与一般件。
④对照装配示意图,画出传动路线。
⑤对照装配示意图,按照拆卸的相反顺序,逐一装配各个零件,完成单级圆柱齿轮减速器的装配。
⑥仿照已有的减速器装配示意图,按照装配示意图的画图方法和步骤,依据拆卸的零件,仔细分析,依照国家标准中有关示意图的规定符号,绘制减速器装配示意图。
请将填写的减速器的零件明细表、绘制的装配示意图等工作任务成果资料,折叠、粘贴放置在此页。
①我国工程图学发展简介(码 1-3)。
②有关标准的分类、分级及制定原则(码 1-4)。
③列出各机械装配术语之间的区别与联系。标准件、常用件与一般零件的区别是什么?
④列出各种机械图样的作用与内容。
⑤你了解的逆向工程是什么?你了解的在产品设计、加工制造过程中,有哪些款常用的2D、3D计算机绘图软件?它们各自的优势是什么(码 1-5)?
⑥工程图样的种类(码 1-6)。
⑦典型零件的拆卸及零部件的清洗(码 1-7)。
码 1-3 工程图学发展简介
码 1-4 制图标准分类等问题
码 1-5 逆向工程及绘图软件简介
码 1-6 工程图样的种类
码 1-7 零件的拆卸及清洗