



工具热处理的第一步就是加热,因此深入地了解加热时工具钢内部的组织变化情况十分必要。不管是碳素工具钢、合金工具钢、还是高速钢,不管是进行退火、正火、还是淬火,加热时的相变大体是相同的,都必须加热到相变点以上,都必须形成奥氏体。只是因钢的种类和牌号的不同,热处理工艺的不同,有的加热到 A 1 点以上,有的加热到 A 3 ( A cm )点以上,在形成奥氏体相以后,采用不同的冷却方法和冷却速度进行冷却,从而得到不同的组织。
工具钢在热处理之前大都处于退火状态,其组织由铁素体和碳化物两相组成,只是由于各种工具钢中合金元素的含量不同,因此铁素体中的合金元素含量和碳化物种类和数量不同。
当退火状态的工具钢连续加热到高温时依次会发生下列现象:
1)当温度超过 A 1 点时,奥氏体开始形成。
2)碳化物开始溶入奥氏体(亚共析钢铁素体开始溶入奥氏体)。
3)在钢的 A 3 ( A cm )温度,最后部分铁素体(碳化物)溶入奥氏体。
4)奥氏体晶粒开始粗化。
5)在某些工具钢中碳化物的固溶几乎持续到固相线温度。
6)在固相线温度工具钢开始熔化。
利用图2-2可以清晰地说明工具钢加热时在各个相变点发生的相变情况。图2-2a是普通工具钢在加热时发生的相变现象。在 A 1 点以上有一个温度区间,短时间内,铁素体、碳化物与新形成的奥氏体共存。在稍高一些温度,在相图上以 A 3 表示,所有的铁素体全部转化成奥氏体,钢中只存在奥氏体和碳化物。随着温度的升高,碳化物很快溶入形成的奥氏体中,并在 Ac 点温度以上形成单一奥氏体。
图2-2a中 AA 是用于退火的奥氏体化温度。通常它比 A 1 点高100℉(38℃),对低合金钢来说,它比 A 1 点高50℉(10℃)。 AH 用于淬火加热的温度。 Ac 被称作“短固相线”温度,每种工具钢都有一个“短固相线温度”。在此温度以上,所有的碳化物都溶解。退火奥氏体化温度 AA 稍高于 A 1 点温度。淬火奥氏体化温度 AH 要高于退火奥氏体化温度。
在高速钢、高碳高铬工具钢和某些热作模具钢中碳化物颗粒一直存在到固相线以上。图2-2b是高速钢加热时相变情况,淬火加热温度 AH 相当接近固相线,不超过50℉(10℃),就会过热,引起奥氏体晶界熔化。图2-2b中的 S 点是高速钢的固相线温度,由图可见,高速钢中的碳化物一直存在到短固相线以上的温度。
上述的工具钢加热时的相变情况只考虑了不同温度下发生的相变情况,完全没有考虑时间的因素。实际上时间对加热时相变的影响是不可忽略的,但是这一点常常不被人们重视,而且这方面的资料以前几乎没有报道过。
图2-3所示为 w (C)=0.78%的碳素工具钢的奥氏体均匀化过程。 w (C)=0.78%的碳素工具钢接近共析钢,在加热到接近正常淬火奥氏体化温度(788℃)时,从形成0.5%奥氏体到形成99.5%奥氏体所需的时间非常短,只需几秒钟,要完全形成奥氏体也只要1~2min。而要形成均匀化的奥氏体,则需要1h以上的时间。通常人们只注意到形成单一奥氏体,但是形成单一奥氏体以后,还有一个奥氏体中成分均匀化的过程,因此必须适当延长保温时间。当然,在相变过程中,温度比时间作用更重要。由图2-3可以看到温度对相变影响的主导作用,例如形成99.5%的奥氏体在1500℉(816℃)时只需5s,而在1400℉(760℃)时则需要15min才能完成转变。
由于奥氏体是在高温下形成的,在室温下无法观察到奥氏体,所以在以往的著作中很少见到对奥氏体形成过程的直接观察。采用特殊的试验方法可以巧妙地在室温下观察到了奥氏体的形成和数量逐渐增加的过程。
图2-2 工具钢加热时发生的相变示意图
a)普通工具钢 b)高速钢
图2-3 w (C)=0.78%的碳素工具钢的奥氏体均匀化过程
为了能在室温下观察到奥氏体,采用一种独特的试验方法。高温下的奥氏体淬火后会转变成马氏体,淬火马氏体不易被腐蚀,在显微镜下很难与铁素体和碳化物区分。如果将马氏体回火,回火马氏体腐蚀后呈黑色,很容易与铁素体和碳化物区分。因此,采用这种方法可以清晰地显示了伴随加热度的升高,奥氏体数量不断增加的过程。在以下的系列照片中,黑色回火马氏体组织代表高温下的奥氏体。
1.亚共析工具钢的奥氏体形成过程
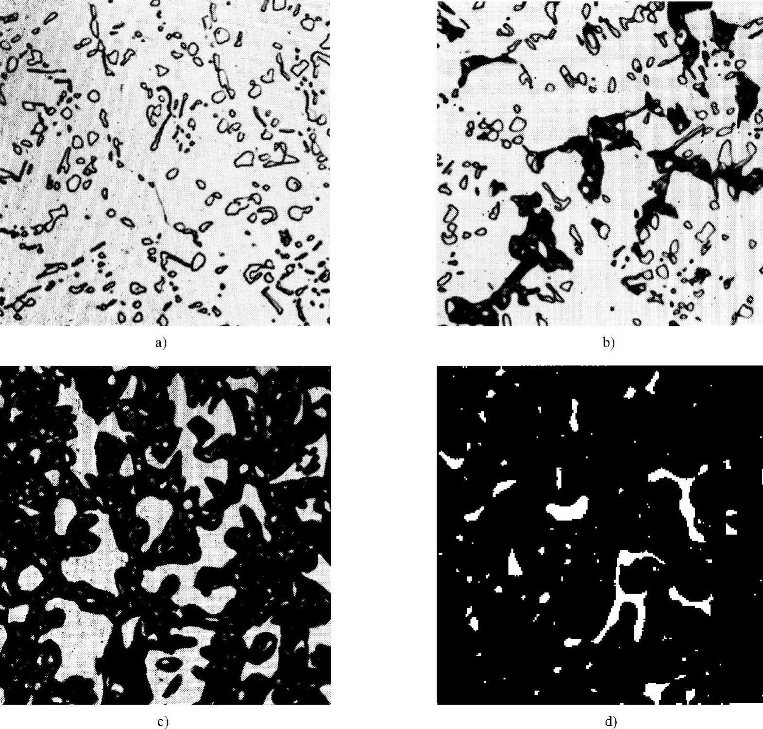
图2-4所示为亚共析工具钢S5[化学成分(质量分数,%):C0.5、Mn0.8、Si1.6、Cr0.25、Mo0.3]从退火状态加热到1600℉(871℃)奥氏体形成的全过程。图2-4a所示为亚共析钢加热前的组织,即退火状态的组织,在铁素体中存在粗大、球状碳化物颗粒。图2-4b所示为1415℉(768℃)×30min加热后淬火并回火后的组织。黑色相是回火马氏体,代表奥氏体化加热时高温下存在的奥氏体,其余部分是尚未转变的铁素体和碳化物。可见,奥氏体开始形成,但数量较少。图2-4c、d所示分别为1450℉(788℃)×30min和1500℉(816℃)×30min加热后淬火并回火的组织。伴随加热温度的升高,黑色组织代表的奥氏体数量增加。在这些照片中,一些小的圆的轻腐蚀的粒子是碳化物,而大大的角状的不规则的相是残留的铁素体,伴随加热温度的升高,残留铁素体的数量在减少。
图2-4e~h所示为保温时间对奥氏体形成的影响。如图2-4e所示,1600℉(871℃)加热15s后,开始形成奥氏体。如图2-4f所示,1600℉(871℃)加热30s后,碳化物继续溶解,奥氏体继续形成,数量增加。如图2-4g所示,1600℉(871℃)加热2min后,碳化物几乎完全溶解,奥氏体接近全部形成。如图2-4h所示,1600℉(871℃)加热30min后,最终奥氏体完全形成,已经转变成100%的奥氏体,所有的碳化物和铁素体完全溶入奥氏体。
图2-4亚共析工具钢S5的奥氏体化过程(1000×)
a)退火状态 b)1415℉(768℃)×30min,淬火并回火状态 c)1450℉(788℃)×30min,淬火并回火状态 d)1500℉(816℃)×30min,淬火并回火状态
图2-4 亚共析工具钢S5的奥氏体化过程(1000×)(续)
e)1600℉(871℃)×15s,淬火并回火状态 f)1600℉(871℃)×30s,淬火并回火状态 g)1600℉(871℃)×2min,淬火并回火状态 h)1600℉(871℃)×30min,淬火并回火状态
2.过共析工具钢的奥氏体形成过程
图2-5所示为过共析合金工具钢O1[化学成分(质量分数,%):C0.9、Mo1.0、Cr0.5、W0.5、Mn1.0]的奥氏体形成过程。图2-5a所示为工具钢的原始组织,铁素体和相当大的球状碳化物。如图2-5b所示,在1475℉(802℃)保温15s后大约形成了30%奥氏体,其余是残留的铁素体和碳化物。如图2-5c所示,1475℉(802℃)保温30s后,残留铁素体和碳化物已被减少到40%。图2-5d所示为在1475℉(802℃)保温30min后的组织,全部转变成奥氏体,有部分残留碳化物。
3.高速钢的奥氏体形成过程
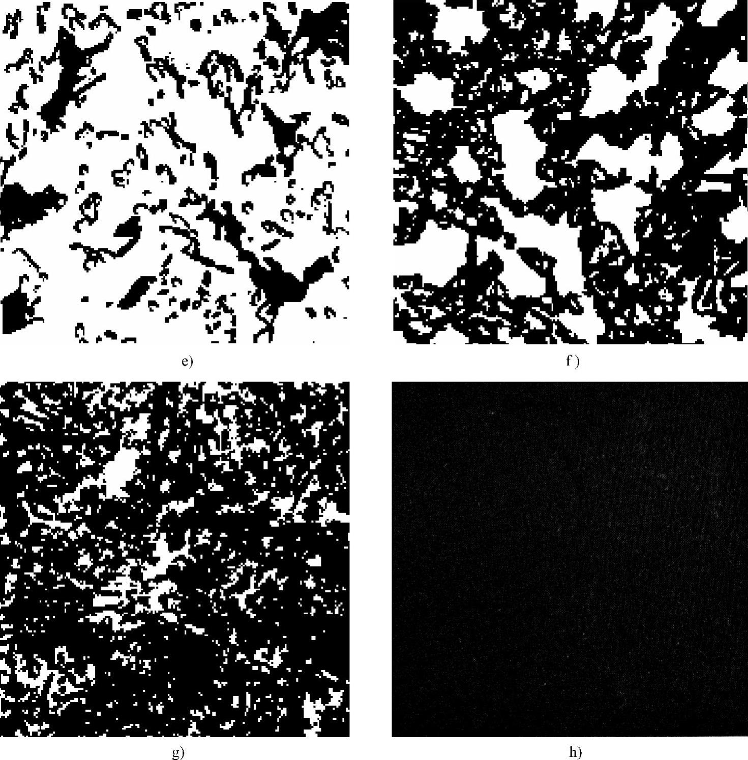
图2-6所示为高速钢的奥氏体化过程。图2-6a所示为W6Mo5Cr4V2高速钢的原始组织,由铁素体和大量的合金碳化物组成的退火组织。如图2-6b所示,1530℉(832℃)保温30min后,已经开始形成一些奥氏体,但大约一半的组织仍然是铁素体和碳化物。这种钢在1600℉(871℃)短时间加热后,就已经完全是奥氏体加碳化物,直到1600℉(871℃)保温1h以后,仍存在大量的碳化物颗粒,如图2-6c所示。碳化物溶入奥氏体的过程相当缓慢,2100℉(1149℃),15min加热后的情况如图2-6d所示。2250℉(1232℃),2min加热后碳化物溶解仍然很缓慢,如图2-6e所示。
图2-5 过共析合金工具钢O1的奥氏体化过程(1000×)
a)退火状态 b)1475℉(802℃)×15s加热,淬火并回火状态 c)1475℉(802℃)×30s,淬火并回火状态 d)1475℉(802℃)×30min加热,淬火并回火状态
工具钢在加热时除形成奥氏体外,还伴随着另一个组织变化,那就是碳化物的溶解。随加热温度的升高碳化物逐渐溶入基体中。
工具钢在加热温度超过 A 1 点温度时,珠光体开始转变成奥氏体,碳化物逐步溶入奥氏体,当温度超过 A cm 温度时,碳化物完全溶入奥氏体。工具钢通常在淬火时不会让碳化物完全溶解,碳素工具钢与普通的合金工具钢大约还有3%~6%的碳化物没有溶解;Cr12型工具钢大约还有8%~9%的碳化物没有溶解;高速钢还有10%以上的碳化物没有溶解。
图2-6 高速钢W6Mo5Cr4V2的奥氏体化过程(1000×)
a)退火状态 b)1530℉(832℃)×30min,淬火并回火状态 c)1600℉(871℃)×1h,淬火并回火状态d)2100℉(1149℃)×15min,淬火并回火(两次)状态 e)2250℉(1232℃)×2min,淬火并回火(两次)状态
图2-7所示为 w (C)=1.05%的碳素工具钢加热时碳化物减少的情况。图2-7a所示为加热1400℉(760℃),保温1h后水冷的显微组织,图2-7b所示为加热到1650℉(899℃),保温0.5h后,水淬后的显微组织。比较两图,可见加热温度升高后碳化物数量明显减少。
图2-7 碳素工具钢加热时碳化物的溶解(750×)
a)1400℉(760℃)×1h,水冷淬火 b)1650℉(899℃)×0.5h,水冷淬火
图2-8所示为合金工具钢A2[化学成分(质量分数,%):C1.0、Cr5、Mo1.0]加热时碳化物数量减少的情况。这是一种易切削钢,图中黑色长条状物是硫化物。图2-8a所示为加热到1525℉(830℃),保温1h后水冷淬火的显微组织。图2-8b所示为加热到1775℉(968℃),保温0.5h后,水冷淬火的显微组织。比较两图,可见加热温度升高后碳化物数量明显减少。
图2-8 合金工具钢A2加热时碳化物溶解情况(750×)
a)1525℉(830℃)×1h b)1775℉(968℃)×0.5h水淬
图2-9所示为高碳高铬工具钢D2[化学成分(质量分数,%):C1.5、Cr12、Mo1.0、V1.0]加热时碳化物数量减少的情况。图2-9a所示为加热到1575℉(857℃),保温1h后水冷淬火的显微组织。图2-9b所示为1875℉(1024℃),保温0.5h后水冷淬火的显微组织。比较两图,可见加热温度升高后碳化物数量明显减少。
图2-9 高碳高铬工具钢D2加热时碳化物溶解情况(750×)
a)1575℉(857℃)×1h b)1875℉(1024℃)×0.5h水淬
高速钢中碳化物的类型不同,因此在淬火加热状态下溶解的情况也不同。在W18Cr4V和W6Mo5Cr4V2高速钢中,M 23 C 6 (以Cr为主的碳化物)碳化物从900℃开始溶解,1100℃基本溶解完了;M 6 C碳化物1150以上的温度逐渐溶解;MC碳化物在1200℃以上才少量溶解,通常淬火后仍然有大量MC碳化物未被溶解。
图2-10所示为高速钢W6Mo5Cr4V2加热温度较高时碳化物溶解和形成角状碳化物的情况。图2-10a所示为W6Mo5Cr4V2在2225℉(1218℃)加热后正常的残留碳化物。如图2-10b所示,在2275℉(1246℃),5min加热后碳化物数量明显减少,并且形成了角状碳化物。如图2-10c所示,当加热温度升高到2300℉(1260℃),保温5min后产生了碳化物拖尾现象。
工具钢在加热过程中还有一种显微组织变化,就是加热到较高温度时奥氏晶粒开始长大,并且伴随加热温度的升高,晶粒不断长大。如果加热温度过高,会造成晶粒过分粗大,造成过热,甚至造成过烧,严重恶化钢的性能,也可能造成废品。
碳素工具钢与合金工具钢通常淬火温度在850℃以下,晶粒非常细小,很难在显微镜下显示出来,因此工具热处理的现场,常常以马氏体的大小来衡碳素工具钢和合金工具钢量晶粒度的大小。如果提高淬火温度,并采用特殊的腐蚀方法还是可以显示碳素工具钢和合金工具钢的晶粒度的。例如把试样表面抛光以后放在空气炉中低温氧化加热,冷却后就可以在显微镜下比较清晰地观察到晶界。图2-11所示为采用氧化法显示的9SiCr钢在1000℃分别保温10min和30min时晶粒长大情况。
高速钢的晶粒度伴随加热温度的升高不断长大。图2-12所示为W18Cr4V高速钢晶粒度长大和显微组织情况。在1240~1260℃加热晶粒度为11~12级;1270~1290℃加热晶粒度为9~10级;1305℃加热开始形成碳化物网,1325℃加热形成莱氏体共晶碳化物和δ共晶体。
图2-10 高速钢W6Mo5Cr4V2加热时碳化物溶解和角状碳化物的形成(1000×)
a)2225℉(1218℃)淬火+1050℉(566℃)×2h×2次回火 b)2275℉(1246℃)×5min淬火+1050℉(566℃)×2h×2次回火 c)2300℉(1260℃)×5min淬火+1050℉(566℃)×2h×2次回火
工具钢加热奥氏体化的目的是为各种热处理工艺做好组织上的准备。不同的热处理工艺选择不同的奥氏体化加热温度。淬火和回火是工具热处理中最重要、应用最多、热处理工作者最熟悉的工序。有的热处理工艺在工具制造业中应用不多,不太普遍,这些工艺奥氏体化加热温度范围有时会不太好区分,为此特将除淬火、回火以外的常见的热处理工艺的奥氏体化加热的情况在这里加以比较。
1.退火的加热温度
如图2-13所示,退火的加热温度与钢的碳含量有关,亚共析钢退火的奥氏体化温度都是略高于 Ac 3 温度,过共析钢退火的温度则略高于 Ac 1 温度。随着钢中合金元素含量的不同,临界点会有一些变化,但是不论钢的成分如何,亚共析钢是加热到奥氏体单相区,过共析钢则加热到奥氏体-渗碳体两相区。过共析钢加热到两相区是为了使渗碳体聚集或球化。如果加热到 A cm 以上温度随后冷却时,碳化物会沿晶界析出形成碳化物网,会降低钢的韧性。
图2-11 加热保温时间对9SiCr钢晶粒度的影响(400×)
a)1000℃×10min b)1000℃×30min
图2-12 W18Cr4V高速钢晶粒度与加热温度的关系(保温10min,400×)
a)1260℃加热 b)1270℃加热 c)1280℃加热 d)1290℃加热 e)1305℃加热 f)1325℃加热
2.正火的加热温度
如图2-13所示,亚共析钢的正火温度要比退火温度高一些,这是为了使奥氏体的组织和成分更加均匀和细化晶粒。因为经过高温机械加工或是钢铸件凝固后的晶粒度非常粗大,当这种粗大晶粒的钢加热通过 Ac 1 或 Ac cm 温度时就会形成新的晶粒,如果温度限制在图2-13所示的范围内,就会得到均匀的细晶粒奥氏体组织。
过共析钢的正火温度要加热到 Ac cm 以上,远高于退火温度,这一方面可以细化奥氏体晶粒,另一方面也是为了使碳化物和前面加工时形成的碳化物网溶解。
3.均匀化处理的加热温度
均匀化处理是一种高温退火,通常是在热轧或锻造之前进行,均匀化处理的温度与热轧和锻造处于同一温度范围。如图2-13所示,均匀化处理是在奥氏体相区的高温范围进行的,均匀化处理的温度高于退火和正火的温度。
均匀化处理的目的是为了减少工具钢的偏析和成分梯度,同时使碳化物尽量溶入奥氏体,并且使奥氏体的成分尽量均匀。均匀化处理后产生的均匀奥氏体不仅改善了热加工性,而且还有助于使钢在随后的退火或淬火操作中获得均匀的组织和性能。
4.球化退火
球化退火的目的是得到碳化物呈球状分布的组织,因为任何一种钢韧性最好和最软的状态,它的显微组织都是呈球状的碳化物均匀弥散分布在铁素体的基体上。球化处理的加热温度如图2-14所示,一般是使工具钢完全或部分的奥氏体化,然后在略低于 Ac 1 温度保温或在 Ac 1 温度上下循环,可以较快的球化。
图2-13 完全退火、正火与均匀化处理的奥氏体化温度
5.低温退火与再结晶退火
如图2-14所示,低温退火与再结晶退火的温度比球化退火的温度低,大约在600~650℃。在钢的 A 1 相变点一以下加热,因此不会发生组织转变,只是产生回复与再结晶过程。
图2-14 低温退火、再结晶退火、去应力和球化退火的加热温度范围
钢由于冷变形使游离铁素体和珠光体中的铁素体沿加工方向拉长,晶粒中引入了高密度的晶体缺陷,产生加工硬化。低温退火加热后,消除了某些晶体缺陷,重新排列成新的形态,这就是“回复”,然后进行再结晶,消除了加工硬化,材料的延性得到恢复。
6.去应力退火
如图2-14所示,去应力的退火是在比再结晶退火更低的温度下进行的,大约在500~600℃。去应力退火是指消除切削加工、磨削加工和焊接等工序产生的应力(热处理工序产生的应力通过回火消除,不在此列)。去应力是通过再结晶之前的回复机制来完成的。