



与直流电动机相比,三相感应电动机具有结构简单、运行可靠、价格便宜、维护方便等一系列优点,尤其是随着电力电子技术的发展和交流调速技术的日益成熟,使得三相感应电动机在调速性能方面完全可以与直流电动机相媲美。因此三相感应电动机的电力拖动已被广泛地应用在各个工业电气自动化领域中,并逐步成为电力拖动的主流。
1.三相异步电动机的组成
三相异步电动机的2个基本组成部分为定子(固定部分)和转子(旋转部分)。此外还有端盖、风扇等附属部分,如图2 - 2所示。
(1)定子
三相异步电动机的定子由定子铁心、定子绕组和机座3个部分组成。
(2)转子
三相异步电动机的转子由转子铁心、转子绕组和转轴3个部分组成。笼型电动机由于构造简单、价格低廉、工作可靠、使用方便,已成为生产上应用得最广泛的1种电动机。
图2-2 三相异步电动机的结构示意图
为了保证转子能够自由旋转,在定子与转子之间必须留有一定的空气隙,中、小型电动机的空气隙约在0.2~1.0mm之间。
2.三相异步电动机的转动原理
(1)基本原理
在磁铁的两极间放置1个闭合导体,当磁铁旋转时,磁铁与闭合的导体发生相对运动,笼型导体切割磁力线而在其内部产生感应电动势和感应电流。感应电流又使导体受到1个电磁力的作用,于是导体就沿磁铁的旋转方向转动起来,这就是异步电动机的基本原理。
(2)旋转磁场
1)产生。图2-3表示最简单的三相定子绕组AX、BY、CZ,它们在空间按互差120°的规律对称排列。并接成星形与三相电源U、V、W相连。则三相定子绕组便通过三相对称电流:随着电流在定子绕组中通过,在三相定子绕组中就会产生旋转磁场(图2-4)。
图2-3 三相异步电动机定子绕组
图2-4 旋转磁场的形成
a) ωt =0° b) ωt =120° c) ωt =240°
可见,当定子绕组中的电流变化1个周期时,合成磁场也按电流的相序方向在空间旋转1周。随着定子绕组中的三相电流不断地做周期性变化,产生的合成磁场也不断地旋转,因此称为旋转磁场。
2)旋转磁场的方向。旋转磁场的方向是由三相绕组中电流相序决定的,若想改变旋转磁场的方向,只要改变通入定子绕组的电流相序,即将3根电源线中的任意2根对调即可。这时,转子的旋转方向也跟着改变。
(3)三相异步电动机的极数与转速
1)极数(磁极对数 p )。三相异步电动机的极数就是旋转磁场的极数。旋转磁场的极数和三相绕组的安排有关。
当每相绕组只有1个线圈,绕组的始端之间相差120°空间角时,产生的旋转磁场具有1对极,即 p =1;当每相绕组为2个线圈串联,绕组的始端之间相差60°空间角时,产生的旋转磁场具有2对极,即 p =2;同理,如果要产生3对极,即 p =3的旋转磁场,则每相绕组必须有均匀安排在空间的串联的3个线圈,绕组的始端之间相差40°(=120°/ p )空间角。极数 p 与绕组的始端之间的空间角 θ 的关系为 θ =120°/ p 。
2)转速
n
。三相异步电动机旋转磁场的转速
n
0
与电动机磁极对数
p
有关,它们的关系为
,旋转磁场的转速
n
0
决定于电流频率
f
1
和磁场的极数
p
。对某一异步电动机而言,
f
1和
p
通常是一定的,所以磁场转速
n
0
是个常数。
3)转差率 s 。电动机转子转动方向与磁场旋转的方向相同,但转子的转速 n 不可能达到与旋转磁场的转速 n 0 相等,否则转子与旋转磁场之间就没有相对运动,因而磁力线就不切割转子导体,转子电动势、转子电流及转矩也就都不存在。也就是说旋转磁场与转子之间存在转速差,因此我们把这种电动机称为异步电动机,又因为这种电动机的转动原理是建立在电磁感应基础上的,故又称为感应电动机。
旋转磁场的转速
n
0
常称为同步转速。转差率
s
用来表示转子转速
n
与磁场转速
n
0
相差的程度的物理量。即
。转差率是异步电动机的1个重要的物理量。异步电动机运行时,转速与同步转速一般很接近,转差率很小。在额定工作状态下约为0.015~0.06之间。
电动机的转速常用公式为 n =(1- s ) n 0 。
1.三相感应电动机的机械特性
三相异步电动机的机械特性是指电动机电磁转矩 T 与转速 n 之间的关系,即 n = f ( T )。
因为异步电动机的转速 n 与转差率 s 之间存在着一定的关系,所以异步电动机的机械特性通常也用 s = f ( T )的形式表示。
(1)固有机械特性的分析
三相感应电动机的固有机械特性是指感应电动机工作在额定电压和额定频率下,按规定的接线方式接线,定、转子外接电阻为零时, n 与 T 的关系。根据电磁转矩的参数表达式可绘出感应电动机的固有机械特性,如图2-5所示。
当同步转速 n 1 为正时,机械特性曲线跨越第一、二、四象限。
在第一象限,旋转磁场的转向与转子转向一致,而0< n < n 1 ,转差率0< s <1。电磁转矩 T 及转子转速 n 均为正,电动机处于电动运行状态;在第二象限,旋转磁场的转向与转子转向一致,但 n > n 1 ,故 s <0, T <0, n >0,电动机处于发电运行状态;第四象限,旋转磁场的转向与转子转向相反, n 1 >0, n <0,转差率 s >1,此时 T >0,电动机处于电磁制动运行状态。
三相异步电动机的第一象限的机械特性曲线有3个运行点值得关注,即图中的 A 、 B 、 C 3点。
图2-5 感应电动机的固有机械特性
1)同步转速点 A :是电动机的理想空载点,即转子转速达到了同步转速。此时, T =0,
n = n 1 =60 f 1 / p , s =0
转子电流 I 2 =0,显然,如果没用外界转矩的作用,异步电动机是不可能运行于这一点的。
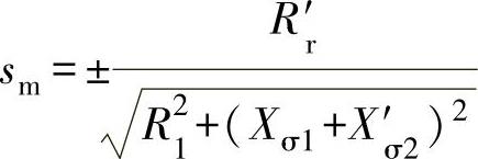
2)最大转矩点 B :是机械特性曲线中线性段( A - B )与非线性段( B - C )的分界点,此时,电磁转矩为最大值 T max ,相应的转差率为 s m 。通常情况下,电动机在线性段上工作是稳定的,而在非线性段上工作是不稳定的,因此,称 s m 为临界转差率。 T max 点由于是 T-s 曲线的最大点,得临界转差率为
再代入转矩方程中,得最大转矩
式中,“+”号适用于电动运行状态(第一象限);“-”号适用于发电动机运行状态或回馈制动运行状态(第二象限)。
根据上述可得以下结论:
①最大转矩 T max 与定子电压 U 1 的平方成正比,而 s m 与 U 1 无关。
② T max 与转子回路电阻 R ′ r 无关, s m 与 R ′ r 成正比。
③ T max 和 s m 都近似与( X 1 + X ′ 2 )成反比。
④若忽略定子电阻 R 1 ,最大转矩 T max 随频率增加而减小,且正比于( U 1 / f 2 ) 2 。
为了保证电动机的稳定运行,不至于因短时过载而停止运转,要求电动机有一定的过载能力。异步电动机的过载能力用最大转矩
T
max
与额定转矩
T
N
之比来表示,称为过载能力或过载倍数,用
λ
m
表示,即
。
过载倍数 λ m 是异步电动机的主要性能技术指标。通常异步电动机的过载倍数 λ m =1.8~2.2,起重冶金用电动机 λ m =2.2~2.8。
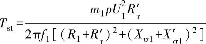
3)起动点 C :在 C 点 s =1, n =0,电磁转矩为起动转矩 T st 。把 s =1代入参数表达式中可得
并得出以下结论:
① T st 与电压 U 1 的二次方成正比;
②在一定范围内,增加转子回路电阻 R ′ r ,可以增大起动转矩 T st ;
③电抗参数(
X
1
+
X
′
2
)越大,
T
st
就越小。异步电动机的起动转矩
T
st
与额定转矩
T
N
之比用起动转矩倍数
K
m
来表示,即
。
起动转矩倍数 K m 也是笼型异步电动机的重要性能指标之一。起动时,当 T st 大于负载转矩 T 2 ,电动机才能起动。
(2)人为机械特性的分析
人为改变电动机的某个参数后所得到的机械特性,称为人为机械特性,如改变 U 1 、 f 1 、 p ,改变定子回路电阻或电抗,改变转子回路电阻或电抗等。
1)降低定子端电压的人为特性。电动机的其他参数都与固有特性相同,仅降低定子端电压,这样所得到的人为特性,称为降低定子端电压的人为特性,其特点如下:
①降压后同步转速 n 1 不变,即不同 U 1 的人为特性都通过固有特性上的同步转速点;
②降压后,最大转矩 T max 随 U 2 1 成比例下降,但是临界转差率 s m 不变,为此,不同 U 1 时的人为特性的临界点的变化规律如图2-6所示;
③降压后的起动转矩 T ′ st 也随 U 2 1 成比例下降。
2)转子回路串对称三相电阻的人为特性。对于绕线转子异步电动机,如果其他参数都与固有特性时一样,仅在转子回路中串入对称三相电阻 R Ω,所得的人为特性,称转子回路串对称三相电阻的人为特性,如图2-7所示。转子串电阻的人为特性曲线有特点如下:
① n 1 不变,所以不同 R Ω的人为特性都通过固有特性的同步转速点;
②临界转差率 s m 会随转子电阻的增加而增加,但是 T max 不变。为此,不同 R Ω时的人为特性如图2-23所示;
③当 s m <1时,起动转矩 T st 随着 R Ω的增加而增加;但是,当 s m >1时,起动转矩 T st 随 R Ω的增加反而减小。
图2-6 感应电动机降低电压时的人为特性
图2-7 转子串接对称电阻时的人为特性
2.三相感应电动机的起动、制动及调速
(1)三相异步电动机的起动
三相异步电动机的起动是指电动机接通电源后,从静止状态加速到某一稳定转速的过程。对异步电动机起动性能的基本要求:具有足够大的起动转矩以保证生产机械能够正常起动;在保证足够大的起动转矩的前提下,电动机的起动电流越小越好,以减小对电网的冲击。
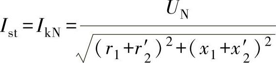
1)异步电动机的固有起动特性。异步电动机还是绕线转子异步电动机,直接接入额定电压 U N 时的起动特性称为固有起动特性。
当 s =1时的起动电流 I st ,又称为堵转电流 I kN ,为
由于通常电动机额定运行时 s N =0.02~0.05,而起动时 s =1,所以 I kN 约为额定电流的4~7倍。同理,可计算出直接接入 U N 时的起动转矩 T st ,又称为堵转转矩 T k ,并得出起动转矩倍数 λ st =0.9~1.3。可见,在异步电动机固有起动特性中,起动电流很大,而起动转矩却不大。因此,根据异步电动机对起动性能的基本要求,异步电动机的固有机械特性并不理想。
2)三相笼型异步电动机的起动。
①直接起动。直接起动是最简单的起动方法。起动时用刀开关、电磁起动器或接触器将电动机定子绕组直接接到电源上,一般对于小型笼型异步电动机如果电源容量足够大时,应尽量采用直接起动方法。
式中, k 1 为笼型异步电动机的起动电流倍数,其值可根据电动机的型号和规格从电动机的产品说明书中查得; k 1 需符合上式中电网允许的起动电流倍数,才允许直接起动。需要注意的是:对于频繁起动的电动机不允许直接起动,否则应采取降压起动。
②降压起动。降压起动是指电动机在起动时降低加在定子绕组上的电压,起动结束时加额定电压运行的起动方式。降压起动时电动机的转矩也减小较多,故此法一般适用于电动机空载或轻载起动。降压起动的方法有以下几种。
a.定子串接电抗器或电阻的降压起动。方法:起动时,电抗器或电阻接入定子电路;起动后,切除电抗器或电阻,进入正常运行,但定子绕组串电阻起动时,能耗较大,实际应用不多。
b.星形-三角形(
-△)降压起动。方法:起动时定子绕组接成
形,运行时定子绕组则接成△形,其接线图如图2-8所示。
-△起动时,定子绕组承受的电压只有做三角形联结时的
,起动电流为直接起动时的起动电流
,而起动转矩也为直接起动时的
。
-△起动方法简单,价格便宜,因此在轻载起动条件下,应优先采用。我国采用
-△起动方法的电动机额定电压都是380V,绕组是△接法。
图2-8 星形-三角形(
-△)降压起动
c.自耦补偿起动。方法:自耦变压器也称起动补偿器。起动时电源接自耦变压器原边,二次侧接电动机。起动结束后电源直接加到电动机上。
3)三相绕线型感应电动机的起动。
①转子串联电阻起动。
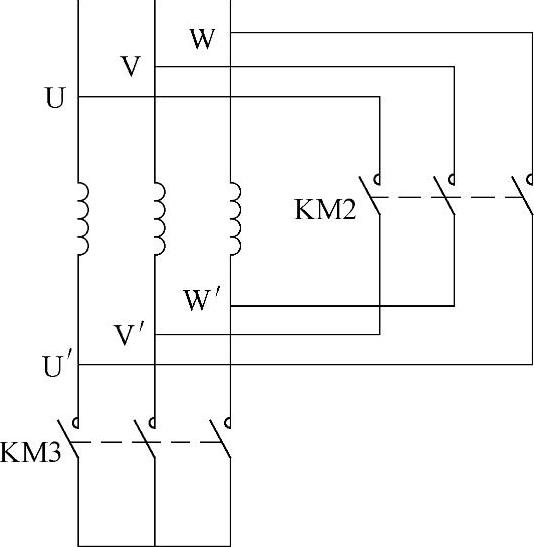
a.起动方法。在转子电路串接起动电阻器,借以提高起动转矩,同时因转子电阻增大也限制了起动电流;起动结束,切除转子所串电阻。为了在整个起动过程中得到比较大的起动转矩,需分几级切除起动电阻。起动接线图和特性曲线如图2-9所示。
b.起动过程。先将3个接触器均断开转子串联全电阻起动,随着转速的升高依次将KM1、KM2、KM3最后将起动电阻全切除,电动机转速上升到稳定运行点,完成起动过程。上述起动过程中,转子三相绕组所接电阻平衡。另外三级平衡切除,故称为三级起动。
②转子串频敏变阻器起动。
频敏变阻器的结构特点:它是一个三相铁心线圈,其铁心不用硅钢片而用厚钢板叠成。铁心中产生涡流损耗和一部分磁滞损耗,铁心损耗相当1个等值电阻,其线圈又是1个电抗,故电阻和电抗都随频率变化而变化,称为频敏变阻器,它与绕线转子异步电动机的转子绕组相接。频敏变阻器起动结构简单,运行可靠,但与转子串电阻起动相比,在同样起动电流下,起动转矩要小些。
(2)感应电动机的电磁制动
1)三相异步电动机的反转。从三相异步电动机的工作原理可知,电动机的旋转方向取决于定子旋转磁场的旋转方向。因此只要改变旋转磁场的旋转方向,就能使三相异步电动机反转。图2-10是利用控制开关SA来实现电动机正、反转的原理线路图。当SA向上合闸时,L 1 接U相,L 2 接V相,L 3 接W相,电动机正转。当SA向下合闸时,L 1 接U相,L 2 接V相,L 3 接W相,即将电动机任意两相绕组与电源接线互调,则旋转磁场反向,电动机跟着反转。
2)三相异步电动机的制动。三相异步电动机的制动是三相异步电动机起动的逆过程。制动的目的是使电动机转速由某一稳定转速迅速降低;或者对于位能性负载,使电动机产生的转矩与负载转矩相平衡,从而使电动机的下降转速保持恒定。三相异步电动机的制动方法有下列两类:机械制动和电气制动。机械制动是利用机械装置使电动机从电源切断后能迅速停转。它的结构有好几种形式,应用较普遍的是电磁抱闸,它主要用于起重机械上吊重物时,使重物迅速而又准确地停留在某一位置上;电气制动是使异步电动机所产生的电磁转矩和电动机的旋转方向相反。电气制动通常可分为能耗制动、反接制动和回馈制动(再生制动)等3类。
图2-9 绕线式异步电动机起动接线图和特性曲线
图2-10 异步电动机正、反转原理线路图
①反接制动。反接制动分为电源反接制动和倒拉反接制动两种。电源反接制动方法:改变电动机定子绕组与电源的连接相序电源的相序改变,旋转磁场立即反转,而使转子绕组中感应电势、电流和电磁转矩都改变方向,因机械惯性,转子转向未变,电磁转矩与转子的转向相反,电动机进行制动,此称电源反接制动。
②能耗制动。方法:将运行着的异步电动机的定子绕组从三相交流电源上断开后,立即接到直流电源上。
这种方法是将转子的动能转变为电能,消耗在转子回路的电阻上,所以称能耗制动。
③回馈制动。方法:使电动机在外力(如起重机下放重物)作用下,其电动机的转速超过旋转磁场的同步转速。起重机下放重物,在下放开始时, n < n 1 电动机处于电动状态。在位能转矩作用下,电动机的转速大于同步转速时,转子中感应电动势、电流和转矩的方向都发生了变化,转矩方向与转子转向相反,成为制动转矩。此时电动机将机械能转化为电能馈送电网,所以称回馈制动。
(3)感应电动机的调速从异步电动机的转速关系式为
可以看出,异步电动机的调速可分以下3大类:改变定子绕组的磁极对数
p
,称为变极调速;变供电电源的频率
f
1
,称为变频调速;改变电动机的转差率
s
,其方法有改变电压调速、绕线式电动机转子串电阻调速和串级调速。
1)变极调速。在电源频率不变的条件下,改变电动机的极对数,电动机的同步转速就会发生变化,从而改变电动机的转速。变极调速主要用于各种机床及其他设备上。它所需设备简单、体积小、质量轻,但电动机绕组引出头较多,调速级数少,级差大,不能实现无级调速。
2)变频调速。三相异步电动机的同步转速为
。因此,改变三相异步电动机的电源频率,可以改变旋转磁场的同步转速,达到调速的目的。
变频调速的条件:三相异步电动机的每相电压
U
为
U
1
≈
E
1
=4.44
f
1
N
1
Φ
m
K
w1
。若电源电压
U
1
不变,当降低电源频率
f
1
调速时,则磁通
Φ
m
将增加,使铁心饱和,从而导致励磁电流和铁损耗的大量增加,电动机温升过高等,这是不允许的。因此在变频调速的同时,为保持磁通
Φ
m
不变,就必须降低电源电压,使
定值。额定频率称为基频,变频调速时,可以从基频向上调,也可以从基频向下调。
从基频向下调变频调速:降低电源频率时必须同时降低电源电压。降低电源电压,有以下两种控制方法:保持
为常数和保持
为常数。
异步电动机变频调速的电源是一种能调压的变频装置。变频器若按性能分类,可以分为交-直-交变频器和交-交变频器。变频器的作用是将直流电源(可由交流经整流获得)变成频率可调的交流电(称交-直-交变频器)或是将交流电源直接转换成频率可调的交流电(交-交变频器),以供给交流负载使用。交-交变频器将工频交流电直接变换成所需频率的交流电能,不经中间环节,也称为直接变频器。
变频调速由于其调速性能优越,即主要是能平滑调速、调速范围广、效率高,又不受直流电动机换向带来的转速与容量的限制,故已经在很多领域获得广泛应用,主要缺点是系统较复杂、成本较高。
3)改变转差率调速。改变定子电压调速,转子电路串电阻调速和串级调速都属于改变转差率调速。这些调速方法的共同特点是在调速过程中都产生大量的转差功率。前两种调速方法都是把转差功率消耗在转子电路里,很不经济,而串级调速则能将转差功率加以吸收或大部分反馈给电网,提高了经济性能。
①改变定子电压调速。对于转子电阻大、机械特性曲线较软的笼型异步电动机而言,如加在定子绕组上的电压发生改变,则负载 T L 对应于不同的电源电压 U 1 、 U 2 、 U 3 ,可获得不同的工作点 a 1 、 a 2 、 a 3 ,如图2-11所示,显然电动机的调速范围很宽。缺点是低压时机械特性太软,转速变化大。
②转子串电阻调速。绕线转子异步电动机转子串电阻的机械特性如图2 - 12所示。转子串电阻时最大转矩不变,临界转差率加大。所串电阻越大,运行段特性斜率越大。若带恒转矩负载,原来运行在固有特性曲线1的 a 点上,在转子串电阻 R 1 后,就运行的 b 点上,转速由 n a 变为 n b ,依此类推。
图2-11 高转子电阻笼型电动机调压调速
图2-12 转子串电阻调速机械特性
转子串电阻调速的优点是方法简单,主要用于中、小容量的绕线转子异步电动机如桥式起动机等。
③串级调速。所谓串级调速,就是在异步电动机的转子回路串入1个三相对称的附加电动势 E f ,其频率与转子电动势 sf 1 相同,改变 E f 的大小和相位,就可以调节电动机的转速。它也是适用于绕线转子异步电动机,靠改变转差率 s 调速。