



(1)了解汽车电气系统的常见故障的类型与特点。
(2)熟悉汽车电路故障诊断常用工具的正确使用方法。
(1)掌握汽车电气系统故障诊断流程与注意事项。
(2)熟悉汽车电气系统故障诊断方法。
(1)培养学生良好的职业道德和较强的社会责任感。
(2)培养学生具备良好的人文素养、科学素养和职业素养,扎实的专业技能,以及运用所学专业知识分析和解决实际问题的能力。
近年来,汽车电子工业发展迅速,新型汽车电子产品不断取代传统的汽车电气设备,普遍实现了电气化、自动化,给汽车工业带来了巨大的效益,促进了现代电器电子化的发展,也使得汽车电气系统越来越复杂。据相关行业的数据统计,日常发生的汽车维修问题中,电气系统故障出现的概率是较高的。
汽车电气系统出现的故障给汽车用户带来了很多困扰,只有掌握现代汽车中电气系统故障的特点,学会分析常见故障产生的种类与原因,明确在维修电气系统故障时的注意事项,针对现代汽车中常见的电气系统故障提出具体的诊断方法,才能对汽车进行有效的维修。
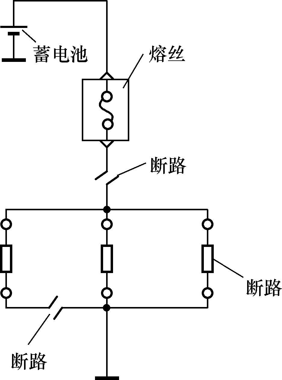
汽车电气系统的故障总体上可分为两种类型:电气设备的故障和控制电路的故障。
电气设备故障是指电气设备自身丧失其原有机能,包括电气设备的机械损坏、烧毁,电子元件的击穿、老化、性能减退等。在实际的汽车使用和维修中,常常因电路故障而造成电气设备故障。电气设备故障一般是可修复的,但一些不可拆的电子设备出现故障后只能更换。
电路故障包括短路、断路、高电阻、接线松脱、接触不良或绝缘不良等。这一类故障有时容易出现一些假象,给故障诊断带来困难。例如,某搭铁线与车身接触不良,就有可能造成电气设备开关失控、电气设备工作混乱。这是因为有的搭铁线为几个电气设备共用,一旦该搭铁线出现接触不良,它就会把多个电气设备的工作电路联系到一起,通过其他电路找到搭铁途径,造成一个或多个电气设备工作异常。
(1)短路故障
①搭铁短路故障。搭铁短路是指电路未经过负载提前搭铁的一种故障现象。汽车电路中大部分搭铁短路故障是由于导线或电路元件的绝缘层破裂,并且搭铁造成的。
图1-4(a)所示为开关和用电设备之间的导线绝缘层破损导致搭铁短路,电流没有通过用电设备而直接返回搭铁端,导致用电设备不工作,电路中的电流升高,熔丝或其他电路保护装置断开。如果电路没有保护装置,还会引起线路或其他部件烧毁甚至燃烧。
图1-4 搭铁短路故障简单示意图
如图1-4(b)所示,电路在用电设备和开关之前搭铁,会导致用电设备不工作并且开关无法控制电路,熔丝也会马上烧断。如果没有电路保护装置,还有可能会烧毁电源。若出现这种情况,即使更换了熔丝,接通电路后,仍然会再次烧断熔丝。
②与电源短路故障。与电源短路通常是一个电路的两个独立分支因导线绝缘层破损而相互连接,导致电路不能正常工作或反应异常甚至烧毁。
如图1-5(a)所示,用电设备前面的导线和用电设备与开关之间的导线短接,这样会造成左边的电路失效,而右边的电路正常。如图1-5(b)所示,两个独立的支路在开关前面短路,会使两个电路都不能单独控制,任何一个开关都可以同时控制这两个电路。
图1-5 与电源短路故障简单示意图
小结
遇到短路故障,不能一概而论,要根据故障的详细情况,参照电路图并利用检测工具正确判断才行。
(2)断路故障
断路故障是一种不连续的、有中断的电路故障。电气部件接触不良就是一种轻微的断路现象。电路中的任何一部分出现问题都有可能导致断路,如导线断裂、电路部件烧毁、接头松动等。
①串联电路中的断路故障。如果一个串联电路中有断路故障,则会导致整个电路都不导通。检测电路中断路的方法是分别测量电路中各个部件两端的电压。如果某一个部件的一端有电压,而另一端没有电压,则这个部件中间肯定有断路存在。如图1-6所示,用万用表测量熔丝后的电路a点处有电压,为12V;再用万用表测量开关后的电路b点处没有电压,为0V,说明开关有故障。
②并联电路中的断路故障。在并联电路中出现的断路故障比较复杂。如图1-7所示,如果在并联电路的主线路或搭铁电路中出现断路,则结果和串联电路中出现断路是一样的,整个电路都会失效;如果在并联电路的某个支路中出现断路,则只有这个出现断路的支路受到影响,其他支路还可以正常导通。
(3)高电阻(高阻抗)
高电阻现象在汽车电路中经常出现,高电阻会使整个电路或某个器件断断续续地导通,或者电路中电流过低。例如,灯泡闪烁或者亮度降低,就有可能是高电阻引起的。电路连接不好,接头松动或者不干净都有可能引起高电阻问题。
图1-6 串联电路断路检测方法
图1-7 并联电路断路简单示意图
小结
由于汽车的工作环境比较恶劣,比如高速、高温、寒冷、颠簸、腐蚀等都会引起电路故障。所以在日常行车过程中,要经常检查和注意保养电气系统。如果发现电气部件有异常或导线破裂、扭结、松动等,一定要及时检修。
跨接线就是一段专用导线,不同形式的跨接线主要是其长短和两端接头不同,如图1-8所示。跨接线两端的接头一般是不同形式的插头或鳄鱼夹,以适应对不同位置的跨接。
跨接线主要用于电路故障诊断。当某个电气元件不工作时,可用跨接线将被检元件的搭铁端子直接搭铁,若电气元件工作恢复正常,则说明该元件搭铁电路有故障。同理,若用跨接线将蓄电池正极跨接到被检元件电源端子上时,电气元件工作恢复正常,则说明该电源电路有故障。
使用跨接线时应注意以下两点。
图1-8 跨接线
(1)用跨接线将蓄电池正极跨接到被检电气元件的电源端子上时,必须弄清被检元件的规定电源电压值。若将12V电源直接加在电气元件上,可能导致电气元件损坏。
(2)不要用跨接线将被检元件的电源端子直接搭铁,以免导致电源短路。
测试灯实际上就是带导线的电笔,主要用来检查电气元件电路的通断。测试灯带有显示电路通断的指示灯,对电路进行检测时,根据指示灯的亮度还可判断被测电路的电压高低。测试灯分为不带电源测试灯(12V测试灯)和自带电源测试灯两种类型。
(1)不带电源测试灯(12V测试灯)
如图1-9所示,不带电源测试灯以汽车电源作为电源,由12V测试灯、导线和各种不同的端头组成,主要用来检查系统内电源电路是否给电气系统各部件供电,举例如下。
图1-9 不带电源测试灯(12V测试灯)
①将不带电源测试灯的一端搭铁、另一端接电气元件的电源端子。如果灯亮,说明该电气元件电路无故障。
②如果灯不亮,再将不带电源测试灯接电源的一端去接电源方向的第二个接点。如果灯亮,说明故障在第一接点和第二接点之间,电路出现断路故障。
③如果灯仍不亮,则去接第三个接点、第四个接点、……,越来越接近电源,直至灯亮为止,且断路发生在最后的被测接点与前一个被测接点之间。
(2)自带电源测试灯
如图1-10所示,自带电源测试灯以其手柄内装有的两节干电池作为电源,其余同于不带电源测试灯,也是用于检查线路断路与短路故障的。
①检查断路。断开电器的电源电路,将自带电源测试灯的一端连接在电路首端,将另一端分别连接其他各接点。如果灯亮,说明检测点与电路首端导通;如果灯不亮,则断路发生在被测接点与前一接点之间。
②检查短路。断开电器的电源电路,将自带电源测试灯的一端搭铁、另一端连接电气元件电路。如果灯亮,表示有短路故障。可一步一步地采取将电路接点脱开、开关打开或拆除元件等办法,直至使电源测试灯熄灭,则短路出现在最后开路与前一开路部件之间。
注意
如无特殊说明,不可用不带电源测试灯和自带电源测试灯检测电控单元(ECU)。
万用表是检测电子电路最常用的仪表之一,它以携带及使用方便、可测参数多等优点深受汽车修理人员的青睐。万用表可用来测量交流与直流电压、电流和导体电阻等。汽车修理人员常用万用表来测量电阻、电压、电压降等,以判断电路的通断和电气设备的技术情况。万用表可分为模拟式(指针式)万用表和数字式万用表两种类型,如图1-11所示。
图1-10 自带电源测试灯
图1-11 万用表
(1)电阻测量的方法
将开关转到电阻挡的适当位置,校零后即可测量电阻。汽车上很多电气设备的技术状态都可用检查电阻的方法来判断,如检查断路、短路和搭铁故障。
注意
测量电阻时绝不能带电操作,否则易烧坏万用表。
(2)直流电压测量的方法
将开关转到直流电压挡的适当位置(选择量程)。注意表针的“+”“−”极应分别和电路两端的正负一致。用测电压的方法可以检查电路上某点是否存在电源电压,以及电路通过电气元件电压降的大小。
万用表检测汽车电气元件的注意事项如下。
①在检测之前,应先检查汽车电气元件中熔丝、线束插接器(插头)是否良好。可参照维修手册说明的安装位置,检查各熔丝的工作状态。
②蓄电池应保持充足的电量,电源线应接触良好,因为当电源电压小于11V时,会使检测结果增大甚至测试错误。
③万用表的输入阻抗应大于10MΩ。若使用低阻抗的万用表,轻者会使测试数据不准确,重者还会使汽车电气设备中的集成电路元件、传感器等损坏,因此,使用前应认真阅读汽车万用表的使用说明书,对输入阻抗的数值进行核对。
④测量电控单元(ECU)各个端子的电压时,各插接器(插头)与各个执行器、传感器之间应保持连接状态,只有这样才能检测出准确的数据。
⑤测量电控单元(ECU)各个端子的电阻时,不允许用普通万用表的电阻挡测量,要特别注意的是不要将较高电压引入电控单元(ECU)内部,以免损坏电控单元(ECU)的内部元件。
汽车专用示波器(见图1-12)主要用来显示汽车电气系统中输入、输出信号的电压波形,以供维修人员根据波形分析、判断汽车电气设备的故障。示波器比一般电子设备的显示速度快,是唯一能显示瞬时波形的检测仪器,是汽车电气系统尤其是点火系统故障诊断中的重要设备。
(1)汽车专用示波器的类型
图1-12 汽车专用示波器
汽车专用示波器可分为模拟式示波器和数字式示波器。模拟式示波器显示速度快,但显示波形不稳定(抖动),且没有记忆功能,给故障波形的分析、判断带来困难。数字式示波器由微处理器控制,由于将模拟信号转换成数字信号需要一定的时间,所以显示速度较模拟式示波器慢,但数字式示波器显示波形稳定,且具有记忆功能,可在测试结束后使故障波形重现,以便于对故障波形进行进一步的分析、判断。
模拟式示波器一般采用开关、按键和旋钮等来实现对波形垂直幅度、水平幅度、垂直位置、水平位置和亮度等的调整。数字式示波器多采用菜单式操作,只需在各级菜单上选择测试项目,无须进行任何设定和调整,就可以直接观测波形,使用起来非常方便。
①四通道示波器(模拟式示波器)。四通道示波器可测试各种传感器、执行元件、电路和点火系统等的电压波形。四通道示波器的连接方法如图1-13所示。
②数字式示波器。数字式示波器除了可测试各种传感器、执行元件、电路和点火系统等的电压波形外,还具有汽车万用表功能,可对测试内容进行记录、回放,能提供在线帮助,包括提供系统工作原理、测试连接方法、接线颜色等。其连接方法如图1-14所示,可测试电压、电阻、闭合角、喷油脉冲、喷油时间、点火电压等。有的示波器内部还存有汽车数据库和标准波形,使判断故障更为方便。
图1-13 四通道示波器的连接方法
l—主机;2—发动机分析测试卡;3—蓄电池;4—蓄电池电缆;5—搭铁电缆;6—示波器电缆;7—连接传感器;8—点烟器电缆
图1-14 数字式示波器的汽车万用表连接方法
1—主机;2—发动机分析测试卡;3—蓄电池;4—蓄电池电缆;5—搭铁电缆;6—示波器电缆;7—连接被测对象;8—点烟器电缆
(2)使用汽车示波器的注意事项
①测试点火高压线时,必须使用专用的电容探头,不能将示波器探头直接接入点火次级电路。
②使用汽车示波器时,注意远离热源(如排气歧管、催化器等),温度过高会损坏仪器。
③使用汽车示波器时,测试线应尽量离开风扇叶片、传动带等转动部件。
④路试中,不要将汽车示波器放在仪表台上方,最好是拿在手中测试。
现代汽车是由许多零件组成的复杂系统。当汽车电气系统出现故障时,不仅故障的种类是多种多样的,而且故障的原因和部位也是多种多样的,既可能是一般的机械故障,也可能是电气系统的故障。因此,在对汽车电气系统进行检修时,要按照一定的原则和维修工艺进行。否则,不但会浪费大量的时间,而且还有可能“旧病未除又添新病”。
汽车电气系统故障诊断的一般流程如图1-15所示。
另外,现代汽车上微型计算机控制系统越来越多,利用故障诊断仪读取故障码和数据流进行故障诊断非常快捷,能有效地缩小故障范围,甚至能直接完成故障定位。因此,在诊断微型计算机控制系统故障或相关故障时,应优先采用故障诊断仪。
①拆卸和安装电气元件时,应切断电源。
②更换熔丝时,一定要与原规格相同,切勿用导线替代。
③正确拆卸导线插接器(插头与插座)。为了防止插接器在汽车行驶中脱开,所有插接器要采用闭锁装置。要拆开插接器时,首先要解除闭锁,然后把插接器脱开,不允许在未解除闭锁的情况下用力拉导线,这样会损坏闭锁装置或连接导线。
④在检修传统汽车的电路故障时,往往采用“试火”的办法逐一判断故障部位。在装有电子设备的汽车上,不允许使用这种方法,否则可能会对某些电路和电子元件造成意想不到的损害。
⑤在发动机工作时,不要拆下蓄电池的连接导线。
⑥不允许使用欧姆表及万用表的R×100以下低阻欧姆挡检测小功率晶体管,以免电流过载,损坏晶体管。
图1-15 汽车电气系统故障诊断的一般流程
为了能迅速、准确地诊断汽车电气系统的故障,下面介绍几种常用的诊断方法。
汽车电气系统发生故障,有时会出现冒烟、火花、异响、焦臭、发热等异常现象。这些现象可通过人的眼、耳、鼻、身感觉到,从而可以直接判断出故障所在部位。
例如,在汽车使用过程中,突然发现转向信号灯与转向指示灯均不亮,用手触摸,如发现闪光器发热烫手,则说明闪光器已被烧坏。
汽车电气设备发生搭铁(短路)故障时,可用断路法判断。将怀疑有搭铁故障的电路段断路后,根据电气设备中搭铁故障是否还存在,判断电路搭铁的部位和原因。
例如,在汽车行驶时,听到电喇叭长鸣,则可以将继电器“按钮”接线柱上的导线拆开。此时,如果电喇叭停鸣,则说明电喇叭按钮至继电器这段电路中有搭铁现象。
汽车电路中出现断路故障,还可以用短路法判断。将怀疑有断路故障的电路短接,观察仪表指针变化或电气设备工作状况,从而判断该电路中是否存在断路故障。
例如,怀疑汽车电路中的各种开关有故障,可用导线将开关短接来判断开关是好是坏。
试灯法就是用一只小功率汽车用灯泡作为试灯,检查电路中有无断路故障。
例如,用试灯的一端和交流发电机的“电枢”接线柱连接,另一端搭铁。如果灯不亮,说明蓄电池至交流发电机“电枢”接线柱间有断路现象;若灯亮,说明该段电路良好。
观察汽车仪表板上的冷却液温度表、燃油表、机油压力表等的指示情况,判断电路中有无故障。
例如,发动机冷态,接通点火开关时,冷却液温度表指示满刻度位置不动,说明冷却液温度传感器有故障或该电路有搭铁。
对高压电路进行搭铁试火,通过观察电火花的状况,判断点火系统的工作情况。
具体方法:取下点火线圈或火花塞上的高压导线,拆下一个火花塞并装回到高压导线上,将火花塞放在缸盖上,然后转动点火开关,使发动机运转,观察火花塞的跳火情况。如果火花强烈,呈天蓝色,且跳火声较大,说明点火系统工作基本正常;反之,则说明点火系统工作不正常。
模拟法就是通过模拟电路故障发生时的环境和条件,使暂时消失的故障显现出来,进而确定故障点的诊断方法。在汽车电路维修实践中,经常会遇到一些不稳定的间歇性故障,故障出现没有规律,时有时无。对于这类故障,可以采用模拟法进行诊断。
常用的模拟诊断方法有振动模拟(见图1-16)、热敏感模拟(见图1-17)、冷冻模拟(见图1-18)、水淋模拟(见图1-19)及电负荷模拟等。在汽车电气系统的故障诊断中,灵活、熟练地运用这些方法,往往可以事半功倍。
图1-16 振动模拟试验
图1-17 热敏感模拟试验
图1-18 冷冻模拟试验
图1-19 水淋模拟试验
随着汽车电气设备的日趋复杂,在维修中,特别是维修安装电子设备较多的车辆,使用一些专用的检测仪器(如汽车专用示波器)能快速、准确地诊断汽车电气系统的故障。
步骤一 用测试灯查找短路位置
如果熔丝已熔断,说明已发生过短路,这时可用测试灯进行检查。
如图1-20所示,首先将开关打开,拆下熔断的熔丝,并将测试灯跨接到熔丝端子上,观察测试灯是否点亮。
如果测试灯亮,说明熔丝盒与开关之间出现短路,应修理熔丝盒与开关之间的线束。
图1-20 短路位置的检查
1—测试灯;2—熔丝;3—开关;4—前照灯
如果测试灯不点亮,再将开关闭合,并断开前照灯插接器,观察测试灯是否点亮。如果测试灯点亮,说明开关与插接器之间出现短路,应修理开关与插接器之间的线束;如果测试灯不亮,说明插接器与照明灯之间出现短路,应修理照明灯与插接器之间的线束。
步骤二 用自带电源测试灯检查开关导通性
用自带电源测试灯检查开关导通性时,其接线方法如图1-21所示。当开关打开时,测试灯应不点亮;当开关闭合时,测试灯应点亮,否则开关有故障。
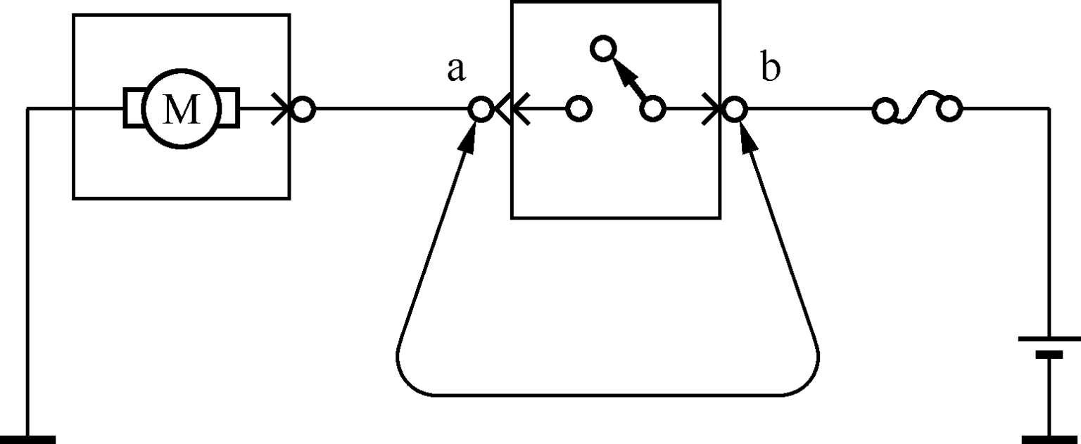
步骤三 用测试灯查找断路位置
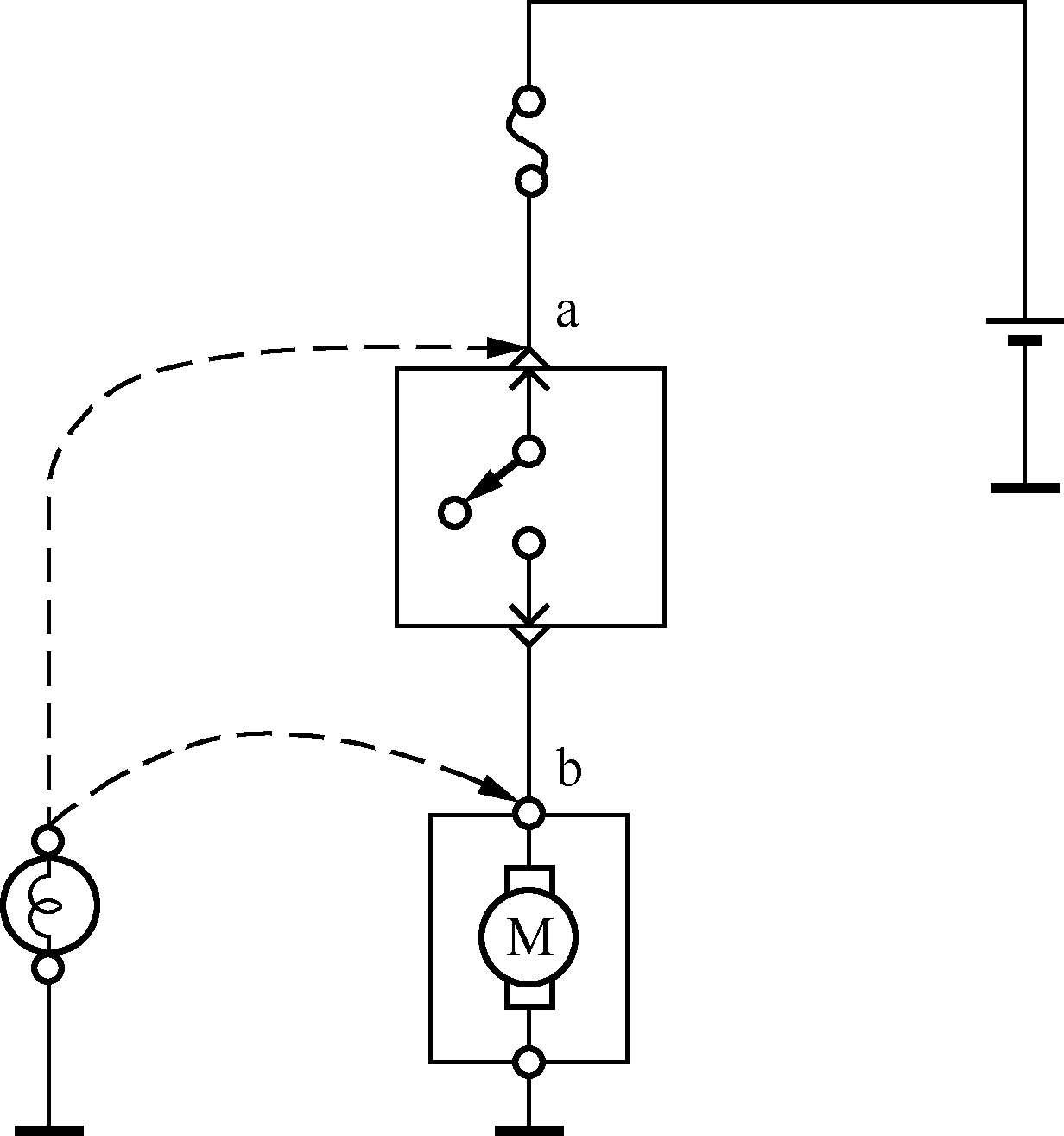
将测试灯的一根引线搭铁,另一根引线连接到开关插接器电源侧的端子上,即图1-22中的a点位置,测试灯应点亮;然后将测试灯连接到电动机插接器上,即图1-22中的b点位置,将开关打开时,测试灯应不点亮;将开关闭合时,测试灯应点亮,否则开关及开关到电动机插接器之间的线路断路。
图1-21 检查开关导通性
1—自带电源测试灯;2—开关
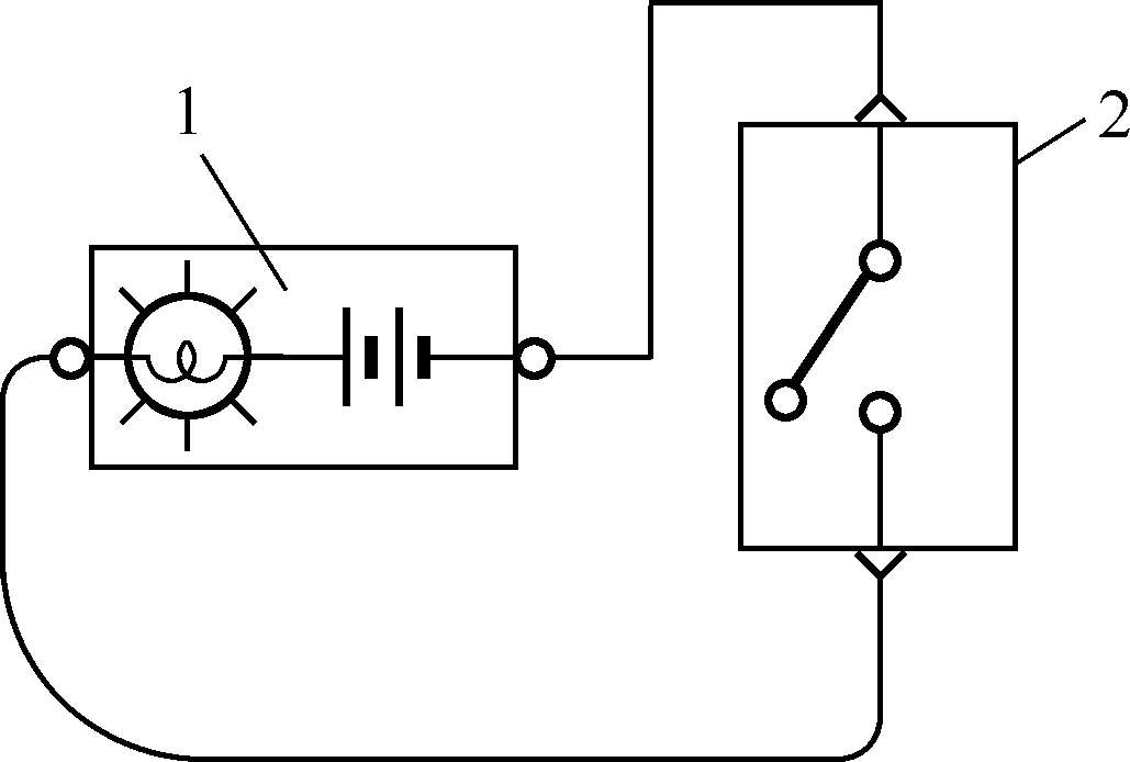
当怀疑某条线路断路时,用跨接线将开关的a、b两端短接,若电动机工作,即可断定开关断路,如图1-23所示。
图1-22 测试灯检查断路位置
图1-23 跨接线法检查断路
步骤一 防水插接器的检测
当对防水插接器的导通性及电压进行测试时,要求使用专用工具,如图1-24所示,以免引起插接器接触不良或防水性能降低。千万不要用探针检测防水插接器,否则会引起端子腐蚀,使电路性能下降。
图1-24 防水插接器的检测
(1)断开插接器进行检测,如果面对的部分是插孔一侧,要选用合适的探针,且接触端子时力量不要太大,探针不要同时接触两个或多个端子,否则可能损坏电路,引起火灾。
(2)如果面对的部分是插针一侧,在检测某一个端子时,不要将探针碰到其他端子。
(3)若需要拉动线束时,应小心轻拉,不要让端子脱离插接器。
(4)当发现插接器端子接合不良时,可以拆下插接器座上的端子,拔出导电片,再维修插接器端子。
步骤二 普通型插接器的检测
对普通型插接器的导通性及电压进行测试时,可以用背测探针的方法直接检测。检测时,注意不要将导线刺透、刺断,也不要碰到其他端子的导线,如图1-25所示。
步骤三 插接器端的拆解
(1)压下闭锁装置,将插接器拉开。在将闭锁装置压下之前,千万不要猛拉导线,以免损坏插接器及导线。
(2)将1.4mm宽的螺钉旋具插入插接器,用螺钉旋具稍微抬起座内的导电片,并拉出端子,如图1-26所示。
图1-25 普通型插接器的检测
图1-26 插接器端的拆解方法
完成实训工作页,见实训工作页1。