



硬件设计
利用单片机实现电子琴演奏的实质是将不同按键和有特定频率的方波信号对应起来,先通过定时器、计数器产生频率不同的信号,再通过功率放大电路将信号送到蜂鸣器的线圈,驱动蜂鸣器发出乐音。下面简单介绍一下乐音的特性。乐音实际上是有固定频率的信号。在音乐理论中,把一组乐音按音调高低的次序排列起来就成了音阶,即do、re、mi、fa、so、la、xi。高音do的频率正好是中音do频率的2倍,而且音阶中各音的频率跟do的频率之比都是整数。
为了发出具有某一特定频率的乐音,可以控制单片机的一个I/O口产生具有该频率的方波信号,电流经过功率放大电路放大后驱动蜂鸣器发出该乐音。对于方波信号的产生,可以启用单片机的定时器进行计时,产生溢出中断。当中断发生时,将输出引脚的电平取反,重新载入计数初值。
因此,正确设置定时器的工作模式和计数初值是发出乐音的基础。例如中音do,其频率是523Hz,周期为 T =1/523≈0.001912s=1912μs,半个周期为956μs。根据单片机计数器的计数周期,就可以算出计数初值。例如,假设采用的单片机计数器的一个计数周期需要12个时钟周期,当采用12MHz晶体振荡器(简称晶振)时,一个计数周期即1μs。要定时956μs,只需设置其计数初值为计数器最大计数值减去956即可。对应不同的按键,调节计数器的溢出时间,即可输出频率不同的乐音,这样就实现了简易电子琴的设计。
形成每个乐音音高的频率是固定的,表1-1列出了C大调及其上下共16个乐音的频率与计数初值(设晶振频率为12MHz)。
表1-1 C大调及其上下共16个乐音的频率与计数初值对照表
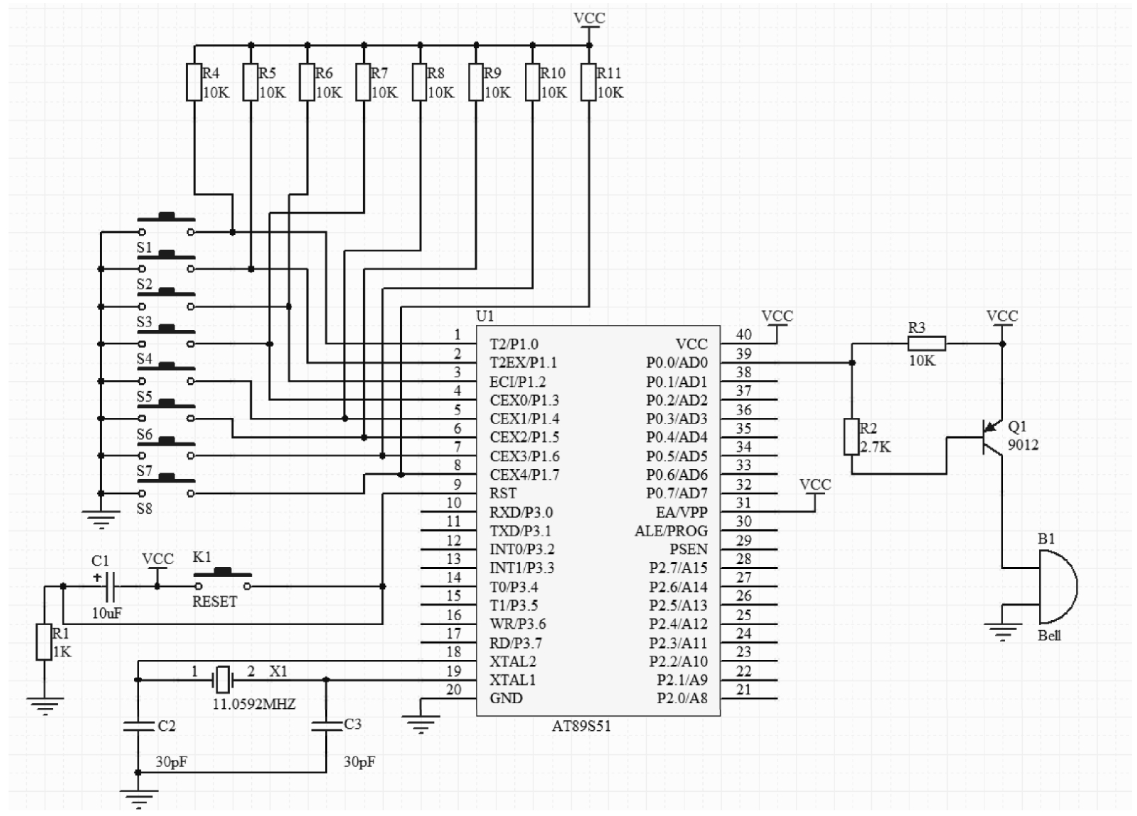
该简易电子琴的硬件电路较简单,通过P1口进行按键扫描,从P0.1引脚输出方波信号,经三极管放大后驱动蜂鸣器发出声响。简易电子琴的硬件电路如图1-1所示。
注意
图1-1只列出了简易电子琴的硬件电路,未包含其他设计电路,读者可根据需要调整单片机口线的应用,扩展系统功能。
图1-1 简易电子琴的硬件电路