



药物处方是由注册的执业医师和执业助理医师(简称医师)在诊疗活动中为患者开具并作为用药凭证的医疗文书,由取得药学专业技术职务任职资格的药学专业技术人员(简称药师)审核、调配、核对。处方权限包括医师处方权和药师调剂权。
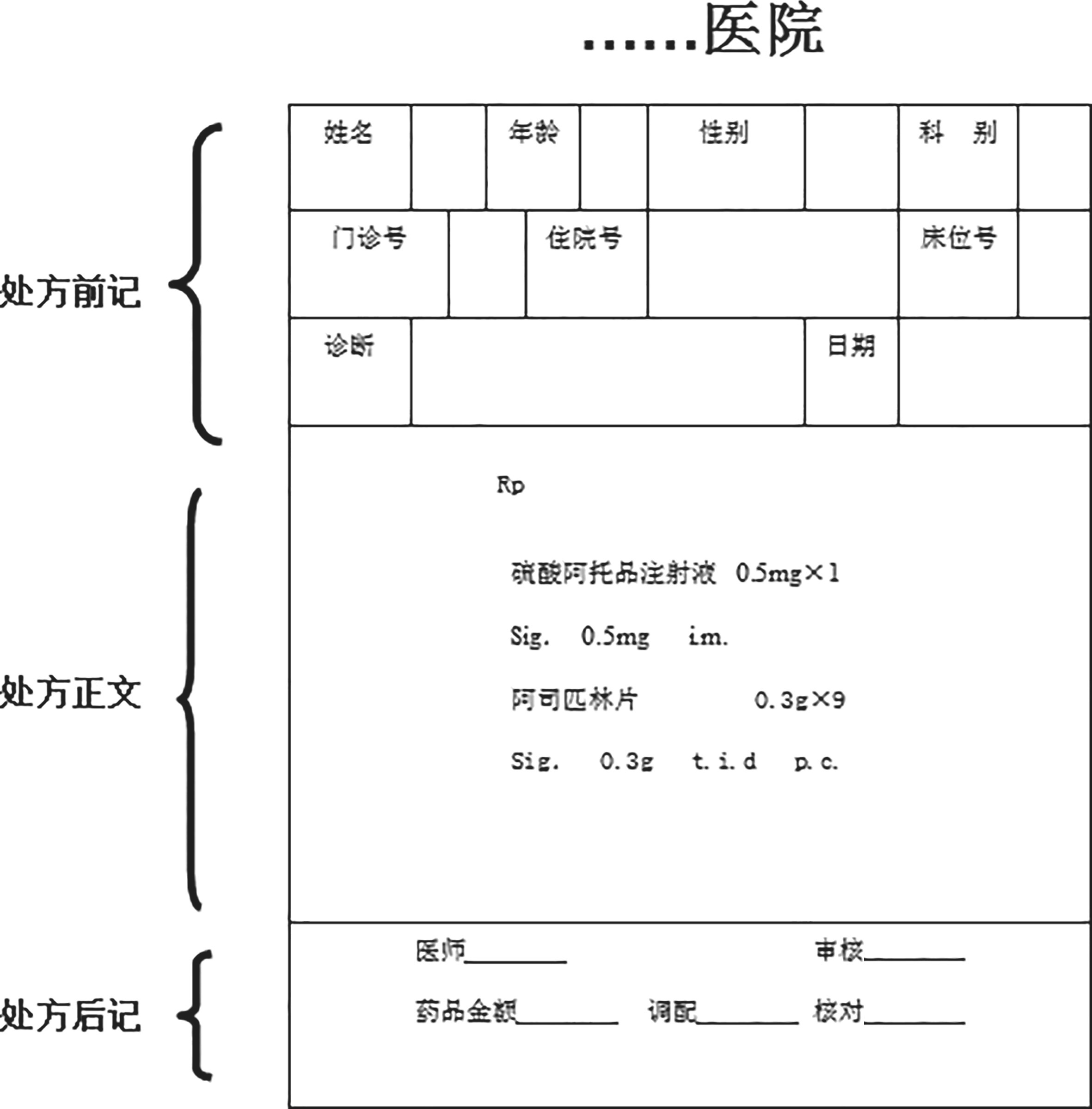
处方由处方前记、处方正文和处方后记三部分组成(图1-3-2-1)。
包括医疗机构名称、就诊科室、门诊或住院病历号、处方编号、患者姓名、性别、年龄、开具日期等。
麻醉药品和第一类精神药品处方还应当包括患者身份证编号,或代办人姓名及身份证编号。
以Rp或R(拉丁文Recipe“请取”的缩写)标示,分列药品名称、剂型、规格、数量、用法用量。药名必须使用通用名。
包括医师签名或者加盖专用签章、药品金额,以及审核、调配、核对、发药药师签名或者加盖专用签章。
白色。
淡黄色(右上角标注“急诊”)。
淡绿色(右上角标注“儿科”)。
淡红色(右上角标注“麻、精一”)。
白色(右上角标注“精二”)。
图1-3-2-1 处方结构
《处方管理办法》第六条规定,处方书写应当符合下列规则及注意事项,现介绍如下。
每张处方限于一名患者的用药。
处方要字迹清楚,不得涂改,如需修改,医师应当在修改处签名及注明修改日期。开具处方用笔应为钢笔、毛笔或不褪色的圆珠笔,能在3年内保持字迹完整清晰;但不得用红笔或铅笔书写。
患者一般情况、临床诊断填写清晰、完整,并与病历记载相一致。
患者年龄应当填写实足年龄,新生儿、婴幼儿写日、月龄,必要时要注明体重。
药品名称应当使用规范的中文名称书写,没有中文名称的可以使用规范的英文名称书写,医疗机构或者医师、药师不得自行编制药品缩写名称或者使用代号。
西药和中成药可以分别开具处方,也可以开具在同一张处方上,但每一种药品应当另起一行,且每张处方不得超过5种药品。中药饮片应当单独开具处方。
中药饮片处方的书写,一般应当按照“君、臣、佐、使”的顺序排列;调剂、煎煮的特殊要求注明在药品右上方,并加括号,如布包、先煎、后下等;对饮片的产地、炮制有特殊要求的,应当在药品名称之前写明。
药品应当按照药品说明书规定的常规用法、用量使用,特殊情况需要超剂量使用时,应当注明原因并再次签名。药品用法可用规范的中文、英文、拉丁文或者缩写体书写,但不得使用“遵医嘱”“自用”等含糊不清字句,不能产生歧义。处方中开具的药物总量一般以3日为宜,7日为限,慢性病或特殊情况可适当增加。麻醉药品和毒性药品不得超过1日量,一类精神药品每处方不超过3日常用量,二类精神药品每处方不超过7日常用量。
除特殊情况外,一般应当注明临床诊断。
开具处方后的空白处画一斜线以示处方完毕。处方只限当日有效,过期需经医师更改日期并签字方能生效。
处方医师的签名式样和专用签章应当与院内药学部门留样备查的式样相一致,不得任意改动,否则应当重新登记留样备案。
药品剂量与数量用阿拉伯数字书写,剂量应使用法定剂量单位。
克(g)、毫克(mg)、微克(μg)、纳克(ng)。
升(L)、毫升(mL)。
国际单位(IU)、单位(U)。
溶液剂以支、瓶为单位;软膏及乳膏剂以支、盒为单位;注射剂以支、瓶为单位,应当注明含量;中药饮片以克(g)为单位;片剂、丸剂、胶囊剂、颗粒剂分别以片、丸、粒、袋为单位。
表1-3-2-1 药物剂型
表1-3-2-2 给药时间
表1-3-2-3 给药方法