



PLC种类很多,但结构大同小异,典型的PLC控制系统组成方框图如图1-5所示。在组建PLC控制系统时,需要给PLC的输入端子连接有关的输入设备(如按钮、触点和行程开关等),给输出端子接有关的输出设备(如指示灯、电磁线圈和电磁阀等)。如果需要PLC与其他设备通信,可在PLC的通信接口连接其他设备;如果希望增强PLC的功能,可给PLC的扩展接口接上扩展单元。
图1-5 典型的PLC控制系统组成方框图
从图1-5可以看出, PLC内部主要由CPU 、 存储器 、 输入接口 、 输出接口 、 通信接口和扩展接口等组成 。
1.CPU
C PU又称中央处理器 , 是PLC的控制中心 , 通过总线 ( 包括数据总线 、 地址总线和控制总线 ) 与存储器和各种接口连接 , 以控制它们有条不紊地工作 。CPU的性能对PLC工作速度和效率有很大的影响,故大型PLC通常采用高性能的CPU。
CPU的主要功能有:
①接收通信接口送来的程序和信息,并将它们存入存储器。
②采用循环检测(即扫描检测)方式不断检测输入接口送来的状态信息,以判断输入设备的输入状态。
③逐条运行存储器中的程序,并进行各种运算,将运算结果存储下来后通过输出接口输出,以对输出设备进行有关控制。
④监测和诊断内部各电路的工作状态。
2.存储器
存储器的功能是存储程序和数据 。 PLC通常配有ROM ( 只读存储器 ) 和RAM ( 随机存储器 ) 两种存储器 , ROM用来存储系统程序 , RAM用来存储用户程序和程序运行时产生的数据 。
系统程序由厂家编写并固化在ROM存储器中,用户无法访问和修改系统程序。系统程序主要包括系统管理程序和指令解释程序。系统管理程序的功能是管理整个PLC,让内部各个电路能有条不紊地工作。指令解释程序的功能是将用户编写的程序翻译成CPU可以识别和执行的程序。
用户程序是由用户编写并输入存储器的程序,为了方便调试和修改,用户程序通常存放在RAM中,由于断电后RAM中的程序会丢失,所以RAM专门配有后备电池供电。有些PLC采用EEPROM(电可擦写只读存储器)来存储用户程序,由于EEPROM存储器中的信息可使用电信号擦写,并且掉电后内容不会丢失,因此采用这种存储器后可不要备用电池。
3.输入/输出接口电路
输入/输出接口电路 ( 即输入/输出电路 ) 又称I/O接口电路或I/O模块 , 是PLC与外围设备之间的连接桥梁 。PLC通过输入接口电路检测输入设备的状态,以此作为对输出设备控制的依据,同时PLC又通过输出接口电路对输出设备进行控制。
P LC的I/O接口能接收的输入和输出信号个数称为PLC的I/O点数 。I/O点数是选择PLC的重要依据之一。
PLC外围设备提供或需要的信号电平是多种多样的,而PLC内部CPU只能处理标准电平信号,所以I/O接口要能进行电平转换。另外,为了提高PLC的抗干扰能力,I/O接口一般采用光电隔离和滤波功能。为了便于了解I/O接口的工作状态,I/O接口还带有状态指示灯。
(1)输入接口电路
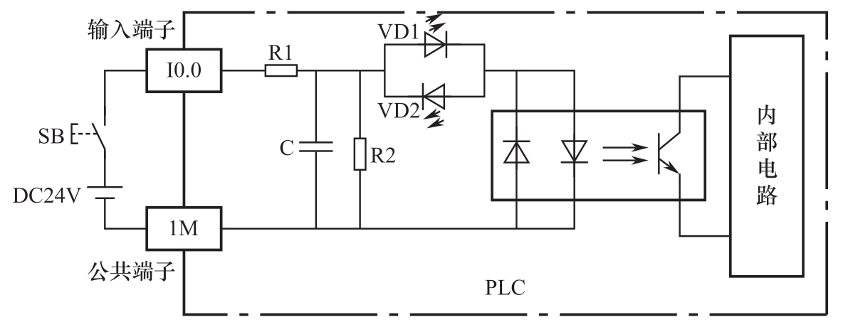
PLC的输入接口电路分为数字量输入接口电路和模拟量输入接口电路。数字量输入接口用于接收“1、0”数字信号或开关通断信号,又称开关量输入接口;模拟量输入接口用于接收模拟量信号 ( 连续变化的电压或电流 )。模拟量输入接口通常采用A/D转换电路,将模拟量信号转换成数字信号。数字量输入接口电路如图1-6所示。
当闭合按钮SB后,24V直流电源产生的电流流过I0.0端子内部电路,电流途径是:24V正极→按钮SB→I0.0端子入→R1→发光二极管VD1→光电耦合器中的一个发光二极管→1M端子出→24V负极,光电耦合器的光敏管受光导通,这样给内部电路输入一个ON信号,即I0.0端子输入为ON(或称输入为1)。由于光电耦合器内部是通过光线传递的,故可以将外部电路与内部电路进行有效的电气隔离。
输入指示灯VD1、VD2用于指示输入端子是否有输入。R2、C为滤波电路,用于滤除输入端子窜入的干扰信号,R1为限流电阻。1M端为同一组数字量(如I0.0~I0.7)的公共端。从图1-6中不难看出,DC24V电源的极性可以改变(即24V也可以正极接1M端)。
图1-6 数字量输入接口电路
(2)输出接口电路
PLC的输出接口电路也分为数字量输出接口电路和模拟量输出接口电路。模拟量输出接口电路通常采用D/A转换电路, 将数字量信号转换成模拟量信号 ;数字量输出接口电路采用的电路形式较多,根据使用的输出开关器件不同可分为:继电器输出型接口电路、晶体管输出型接口电路和双向晶闸管输出型接口电路。
图1-7所示为继电器输出型接口电路。当PLC内部电路输出ON信号(或称输出为ON)时,输出电流流经继电器KA线圈,继电器常开触点KA闭合,负载有电流通过,电流途径是:DC电源(或AC电源)的一端→负载→Q0.1端子入→内部闭合的继电器KA触点→1L端子出→DC电源(或AC电源)的另一端。R2、C和压敏电阻RV用来吸收继电器触点断开时负载线圈产生的瞬间反峰电压。由于继电器触点无极性,所以输出端外部电源可以是直流电源,也可以是交流电源。
继电器输出型接口电路的特点是可驱动交流或直流负载,允许通过的电流大,但其响应时间长,通断变化频率低。
图1-7 继电器输出型接口电路
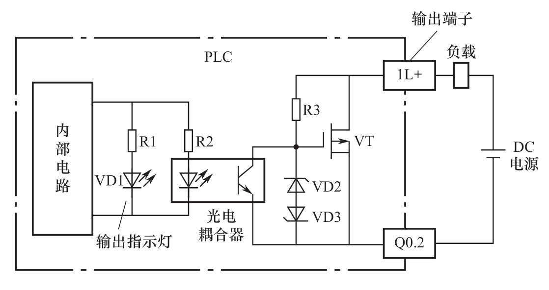
图1-8所示为晶体管输出型接口电路,它采用光电耦合器与晶体管配合使用。当PLC内部电路输出ON信号(或称输出为ON)时,输出电流流过光电耦合器的发光管使之发光,光敏管受光导通,晶体管VT的G极电压下降。由于VT为耗尽型P沟道晶体管,当G极为高电压时截止,为低电压时导通,因此光电耦合器导通时VT也导通,相当于1L+、Q0.2端子内部接通,有电流流过负载,电流途径是:DC电源正极→负载→1L+端子入→导通的晶体管VT→Q0.2端子出→DC电源负极。由于晶体管有极性,所以输出端外部只能接直流电源,并且晶体管的漏极只能接电源正极,源极接电源负极。
晶体管输出型接口电路的特点是反应速度快,通断频率高(可达20~200kHz),但只能用于驱动直流负载,且过流能力差。
图1-8 晶体管输出型接口电路
图1-9所示为双向晶闸管输出型接口电路,它采用双向晶闸管型光电耦合器。当PLC内部电路输出ON信号(或称输出为ON)时,输出电流流过光电双向晶闸管内部的发光管,内部的发光管受光导通,电流可以从上往下流过晶闸管,也可以从下往上流过晶闸管。由于交流电源的极性是周期性变化的,所以晶闸管的输出接口电路外部通常接交流电源。
双向晶闸管输出型接口电路的特点是响应速度快,动作频率高,一般用于驱动交流负载。
图1-9 双向晶闸管输出型接口电路
4.通信接口
PLC配有通信接口,可通过通信接口与编程器、打印机、其他PLC、计算机等设备实现通信: PLC与编程器或写入器连接,可以接收编程器或写入器输入的程序;PLC与打印机连接,可将过程信息、系统参数等打印出来;PLC与人机界面(如触摸屏)连接,可以在人机界面直接操作PLC或监视PLC工作状态;PLC与其他PLC连接,可组成多机系统或连成网络,实现更大规模控制;PLC与计算机连接,可组成多级分布式控制系统,实现控制与管理相结合。
5.扩展接口
为了提升PLC的性能,增强PLC的控制功能,可以通过扩展接口给PLC增加一些 专用功能模块, 如高速计数模块、闭环控制模块、运动控制模块、中断控制模块等。
6.电源
PLC一般采用开关电源供电,与普通电源相比,PLC电源的稳定性好、抗干扰能力强。PLC的电源对电网提供的电源稳定度要求不高,一般允许电源电压在其额定值±15%的范围内波动。有些PLC还可以通过端子向外提供直流24V稳压电源。
PLC是一种由程序控制运行的设备,其工作方式与微型计算机不同:微型计算机运行到结束指令时,程序运行结束; PLC运行程序时,会按顺序依次逐条执行存储器中的程序指令,当执行完最后的指令后,并不会马上停止,而是又从头开始再次执行存储器中的程序,如此周而复始,PLC的这种工作方式称为循环扫描方式。
PLC的一般工作过程如图1-10所示。
图1-10 PLC的一般工作过程
PLC有两个工作状态:RUN(运行)状态和STOP(停止)状态: 当PLC工作在RUN状态时,系统会执行用户程序;当PLC工作在STOP状态时,系统不执行用户程序。PLC正常工作时应处于RUN状态,而在向PLC写入程序时,应让PLC处于STOP状态。PLC的两种工作状态可通过面板上的开关切换。
PLC处于RUN状态时,从自我诊断至输出刷新的过程会反复循环执行,执行一次所需要的时间称为扫描周期,一般为1~100ms。 扫描周期与用户程序的长短、指令的种类和CPU执行指令的速度有很大的关系。