



2022年的一天,当时我在考虑一个在特殊场合用磁放大器替代现有半导体开关的想法,把这个想法和一个专攻磁技术的博士生进行了探讨,他一脸懵的看着我,“磁放大器是个什么?”。看来磁放大器真的已进入历史尘埃了,那让我们拂去尘埃看看它的面目。
根据定义,放大器是一种能够让小信号控制大信号的设备。真空三极管/晶体管都是通过在栅极上施加电压来实现这一功能,磁放大器则以电磁方式进行控制。从物理上讲,磁放大器是一个主绕组绕在一个容易饱和的环或方形磁心上,周围有一根电线也缠绕在铁心周围形成控制绕组(有时没有单独的控制绕组),控制绕组包括多匝导线,因此通过相对较小的直流电流,可以迫使磁心进入或退出饱和状态。因此,磁放大器的行为就像一个开关:当饱和时,它让主绕组中的交流电流畅通无阻地通过;当不饱和时,主绕组类似一个很大的电感,它会阻止电流通过,因此,所谓“放大”是因为相对较小的直流电流就可以控制大得多的交流负载电流,如图3-7所示 [7] 。
图3-7 磁放大器工作原理
可见,其核心思想就是改变磁心的磁导率来改变电感,其实这一基本原理早在1899年就由“无线电广播之父”——费森登(R.A.Fessenden,他创造了利用声音信号对高频连续波进行调幅而后发射,在接收端进行解调以实现无线电声音传播,即他的突出贡献在于实现了无线电传送声音,而马可尼是用无线电传输莫尔斯码)提出了,即改变磁导率从而改变电感量,作为改变无线电天线调谐的一种手段,见美国专利“Wireless telegraphy,US706735”,这个可以说是磁放大器的雏形。
直到1916年,无线电先驱E.F.W.Alexanderson(亚历山得逊)将磁放大器用于跨大西洋的高功率无线电发射,才逐渐引起人们的关注。通过一种以他名字命名的亚历山得逊交流发电机[Alexanderson alternator,这是一种高频交流发电机,能够在VLF范围内产生数百千瓦的电力,VLF(very low frequency)指的是甚低频,是无线电频段划分的第一部分,频率范围是3~30kHz]为无线电发射机产生了高功率、高频交流电,但该高频交流电不含有任何有用的语音信号,为此,还需要一个调制器,将要传输的语音信号调制到高频交流电中,再经过天线发射出去。1915年,亚历山得逊提出了将磁放大器用于调制高功率无线电发射信号的想法,并申请了美国专利“Means for controlling alternating current,US1328797”,在该专利中,首次使用了“magnetic amplifier”这一专业术语,其基本原理可用图3-8a表示,通过改变控制绕组B的直流电流,从而改变磁心的磁导率,进而改变交流绕组A电感值大小,从而改变高频交流电端口电压,实现如图3-8b所示的信号调制。跨大西洋高功率无线电发射用的亚历山得逊交流发电机和磁放大器分别如图3-8c和d所示 [8] 。
图3-8 磁放大器用于跨大西洋的高功率无线电发射
在1920年代,真空管的改进使得亚历山得逊交流发电机和磁放大器的组合过时了,这使得磁放大器显得毫无用武之地。事情的转折发生在第二次世界大战期间,1941年5月18日,新服役的德国重巡洋舰“欧根亲王”号与新战列舰“俾斯麦”号一同驶出波罗的海,在大西洋上巡航。出海第6天,英国巡洋舰“胡德”号在3min的交战中被击沉,装备不足的新战列舰“威尔士亲王”号严重受损。三天后,在被破译的德国密码机帮助下,一支迅速集结的英国战舰舰队将“俾斯麦”号击沉,“欧根亲王”号则侥幸逃脱,成为为数不多的在战争中幸存下来的德国主力舰之一。当“欧根亲王”号落入盟军手中时,情报部门始终无法找到船上8in火炮的火控设备。最后,他们找到了一位在“欧根亲王”号服役的军官,他指着一些焊接在一起的钢板说,“哦,是的,它就在这些钢板后面。”对于盟军来说,在整个战争中,让脆弱的真空管设备在战舰上稳定运行一直是个令人头疼的问题。而在德国这边,自战舰服役以来,由于稳定性超好,德国人甚至从来没有检查过他们的设备。盟军在这些钢板背后发现的技术立即被列为机密,并持续了好几年 [9] 。而这里的机密,就是磁放大器,德国不但在海军中使用磁放大器,在战争快结束时向英国发射的V2火箭中也使用。
于是美国人们重新激发了对磁放大器的热情。磁放大器可以耐受极端条件而不会像真空管一样烧坏,因此,它能应用于苛刻环境,特别是在军事、太空和工业控制领域。在20世纪60年代和70年代的阿波罗登月计划中,电源和风扇就是由磁放大器控制的。1951年的一本海军训练手册详细说明了磁放大器(尽管对其历史持谨慎态度):“许多工程师认为是德国人发明了磁放大器;实际上它是美国人的发明。德国人只是拿走了我们相对简陋的设备,提高了效率和响应时间,减轻了重量和体积,拓宽了应用领域,然后还给了我们。”
20世纪50年代,美国海军的工程师们称磁放大器为“一颗冉冉升起的新星”和“战后电子学奇迹”之一,1957年,还有400多名工程师参加了一个关于磁放大器的会议。本书作者有一本1963年南京航空学院(即现在的南京航空航天大学)丁道宏教授(南京航空航天大学电气工程学科的主要开拓者和奠基人之一)主编的《磁放大器》一书,可见,当时在国内,磁放大器也是重要的技术之一。
20世纪50年代和60年代人们见证了磁放大器的复兴,在此期间,磁放大器被广泛应用于军事、航空航天和其他行业。在完全让位于晶体管之前,它们甚至出现在了一些早期的固态数字计算机中。
20世纪40年代末,研究人员发现新磁性材料有存储数据的能力。圆形磁心可以逆时针或顺时针磁化,从而存储0或1。有了矩形磁滞回线,可确保材料在断电后仍保持一种稳定的磁化状态。然后,研究人员用密集的磁心网格构建了核心存储器。不过,磁性材料并非只对早期数字计算机的核心存储器产生了影响。从20世纪40年代开始,这些机器的第一代使用了真空管进行计算。20世纪50年代末,基于晶体管的第二代机器取代了第一代机器,随后是由集成电路构建的第三代计算机。实际上,计算机技术的进步并不是线性的。早期晶体管不是明显的赢家,还有许多其他替代品被开发了出来。磁放大器就是几代计算机之间几个基本上被遗忘的计算技术之一。
这是因为在20世纪50年代初,研究员意识到磁心不仅可以保存数据,还可以实现逻辑功能。通过在一个磁心上缠绕多个绕组,可以对输入信号进行组合,例如,反方向缠绕可能会抑制其他输入。通过以各种方式将这些磁心连接在一起可以实现复杂的逻辑电路。
1956年,美国Sperry Rand公司开发了一种名为铁氧体磁放大器的高速磁放大器,它能够以几兆赫兹的频率工作。Sperry Rand公司在一台名为Univac磁性计算机的军用计算机中使用了铁氧体磁放大器,这台机器包含1500个铁氧体磁放大器和9000个锗二极管,以及一些晶体管和真空管。
Sperry Rand公司的一个部门制造了名为Bogart的计算机,用于帮助美国国家安全局破译密码。1957—1959年间,Sperry Rand公司交付给美国国家安全局5台Bogart计算机。它们采用了西摩·克雷(Seymour Cray,超级计算机之父)设计的新型磁放大器电路。之后,克雷制造了著名的克雷超级计算机。据报道,在自己的几十项专利中,克雷最引以为豪的是他的磁放大器设计。
不过,基于磁放大器的计算机发展并非总是一帆风顺。20世纪50年代晶体管的进步也导致了使用磁放大器的计算机的衰落。但有一段时间,哪项技术更优越并不明朗。例如,在20世纪50年代中期,兰德公司还在为在控制泰坦(Titan)核导弹的24位计算机雅典娜(Athena)中采用磁放大器还是晶体管争论不休。为了比较这两种技术,克雷制造了两台等效的计算机:采用磁放大器的磁性开关测试计算机(Magstec)和采用晶体管的晶体管测试计算机(Transtec)。尽管磁性开关测试计算机表现稍好,但显然晶体管才是未来的潮流。因此,兰德公司用晶体管制造了Univac Athena计算机,将磁放大器用于实现计算机电源内部的次要功能。图3-9为1966年IBM System/360的线路板,显示了机器的一些磁心存储器,它使用了小铁氧体磁环,有电线穿过这些铁氧体磁环。
图3-9 磁心存储器
但20世纪60年代,随着晶体管和其他半导体器件的兴起,人们对磁放大器相关设备的兴趣逐渐消退。在大家都认为磁放大器注定要成为历史的尘埃之后,在20世纪90年代磁放大器找到了新的应用,那就是在个人计算机电源中。计算机的工作电源按历史发展过程中有AT电源和ATX电源,其作用是把交流220V的电源转换为计算机内部使用的直流5V,12V,24V等。AT电源是由IBM早期推出PC/AT机时所提出的标准,当时能够提供150~220W的电力供应,共有四路输出(+5V、-5V、+12V、-12V)。AT电源上必须有电源开关,以控制个人计算机的开关,AT电源供应器主要应用在早期的主板上(如AT主板和Baby AT主板),如今,AT电源已被淘汰。
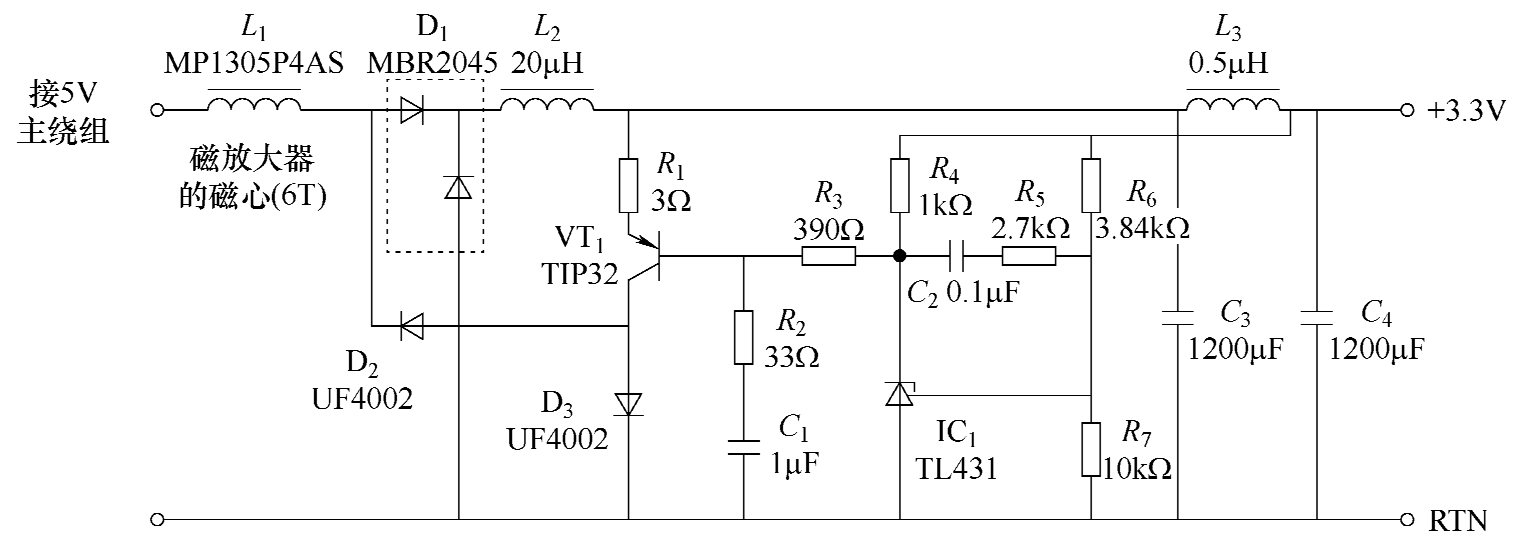
ATX电源是由Intel公司于1995年提出的工业标准,从最初的ATX1.0开始,ATX标准又经过了多次的变化和完善,目前国内市场上流行的是ATX2.03和ATX12V这两个标准。ATX电源广泛应用于个人计算机中,与AT电源相比,它更符合“绿色电脑”的节能标准,它对应的主板是ATX主板。与AT电源相比,ATX电源增加了“+3.3V、+5VSB、PS-ON”三个输出。其中“+3.3V”输出主要是供CPU用,ATX电源最主要的特点就是,不采用传统的市电开关来控制电源是否工作,而是采用“+5VSB、PS-ON”的组合来实现电源的开启和关闭。1990年代中期,ATX标准中的3.3V,大多数都是采用磁放大器产生的,磁放大器是控制该电压的一种廉价而有效的方法。PC开关电源中的3.3V磁放大器稳压电路如图3-10所示 [10] 。此时磁放大器可等效于一个脉宽调制器,通过精细调节脉冲宽度,可达到精密稳压的目的。
图3-10 PC开关电源中的3.3V磁放大器稳压电路
总而言之,磁放大器的历史跨越了大约一个世纪,随着它们的流行,然后多次消亡。你很难在今天生产的电子硬件中找到一个磁放大器,但将来也许一些新的应用,将再次为它们注入活力。