



真空管是由密封玻璃管或金属陶瓷混合物抽真空制成,便于电流通过,也被称为电子管或真空电子管,本书统称为真空管。
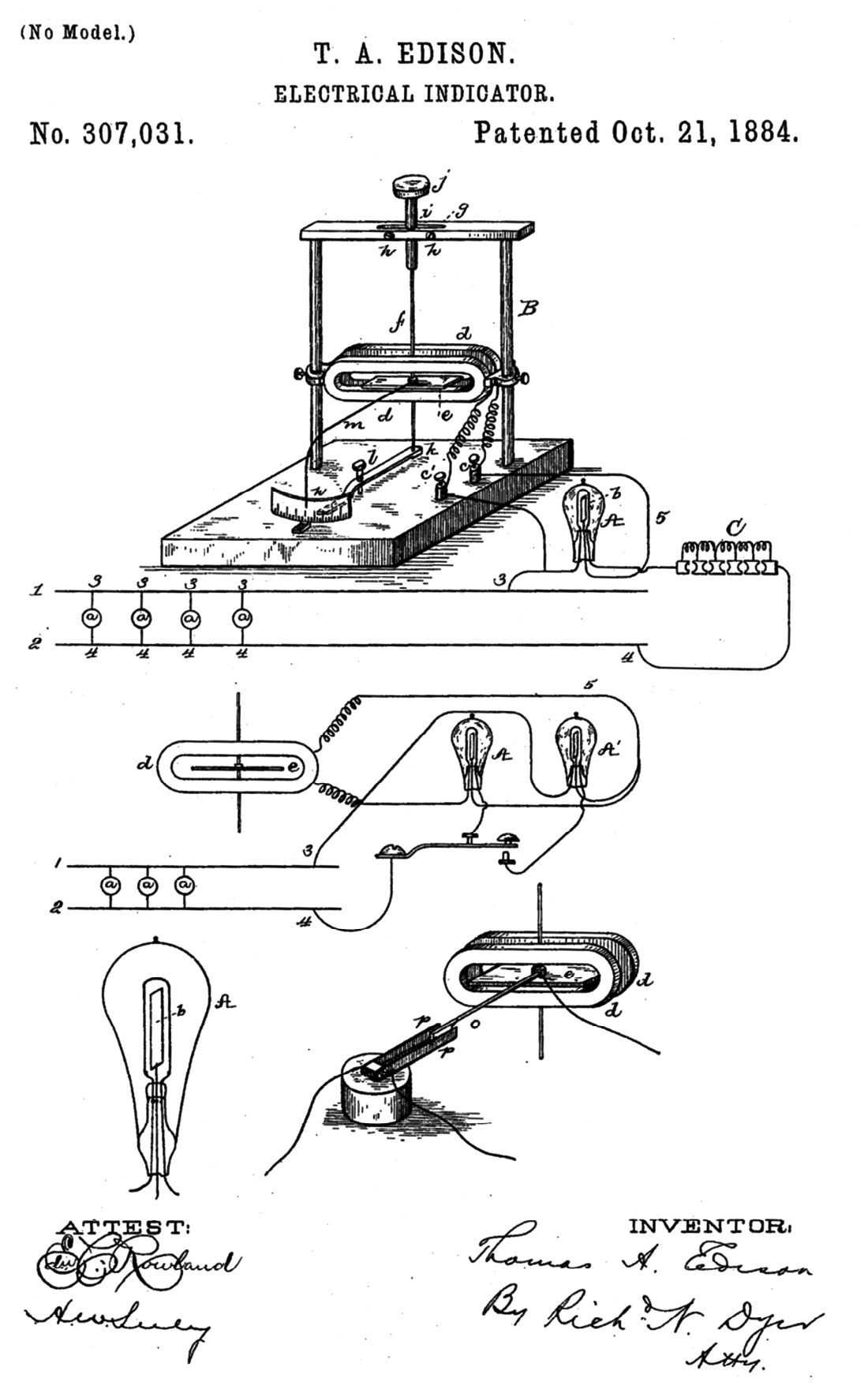
1883年,当我们伟大的发明家爱迪生在发明白炽灯和其他灯泡时,他饱受碳丝灯泡寿命问题困扰,灯泡很快就变黑了,爱迪生认为这是灯丝上的一些碳被加热后蒸发出来,然后沉积在玻璃球壳上。于是他在灯泡中加入了一个不与碳丝接触的金属片,希望金属片能吸收一些碳丝蒸发出来的碳。然而,他意外地发现,在加热灯丝时,在金属片和正极碳丝之间接上电流表,竟然能检测到微弱的电流。如果在金属片和负极碳丝之间接上电流表,则没有电流,如图2-5a所示 [3] 。这一效应被命名为“爱迪生效应”。后来我们才知道,这一现象发生的原因就是热能使得物体上的电子克服束缚位能,通过热激发产生载流子(可能是电子或者离子)。尽管当时爱迪生并没有特别重视这一现象,但这位敏感的发明家仍然为这一发现申请了专利(Electrical indicator,US307031,找这个专利花了我近3个小时,爱迪生的专利太多了,这个专利又不是很出名),在该专利中,爱迪生写道“I have discovered that if a conducting substance is interposed anywhere in the vacuous space within the globe of an incandescent electric lamp,and said conducting substance is connected outside of the lamp with one terminal,preferably the positive one,of the incandescent conductor,a portion of the current will,when the lamp is in operation,pass through the shunt-circuit thus formed,which shunt includes a portion of the vacuous space within the lamp.”(“我发现如果在白炽电灯灯泡内部的真空空间中任何地方插入导体,并且导体在灯外部与白炽导体的一个端子(优选正极端子)连接,一部分电流将在真空中由此形成分流电路。”),并利用这个现象制作电流计、电压计等电气仪表,如图2-6所示(请注意图2-6最左下角的灯泡示意图与图2-5b的灯泡结构是相同的)。
图2-5 爱迪生效应示意图及爱迪生所用的灯泡照片
爱迪生还与伦敦大学学院(University College London)的一位电气工程教授讨论了这种现象,他就是约翰·安布罗斯·弗莱明(John Ambrose Fleming)。1882年,弗莱明曾担任爱迪生电光公司技术顾问,1884年,弗莱明出访美国时拜会了爱迪生,共同讨论了电发光的问题。弗莱明对这一现象非常感兴趣,回国后,他对此进行了一些研究,认为:在灯丝板极之间的空间是电的单行路,但同样也没有找到这一现象的用武之地。1896年,马可尼无线电报公司成立,弗莱明被聘为顾问。1901年,该公司演示了第一次跨越大西洋的无线电传输,即莫尔斯码中三个点的字母“S”。但是,要将接收到的信号与背景噪声区分开来有很大的困难,因此结果存在争议。这让弗莱明意识到需要一个比他们一直使用的相干器更灵敏的探测器。1904年的一天,当他在休闲散步时,弗莱明突然有了一个灵感,即运用爱迪生效应来解决这个难题。他很快证明了这个想法是可行的,效果非常好,将接收到的高频信号进行了整流。他因此发明了世界上第一个电子管——真空二极管,并获得了这项发明的专利权,如图2-7所示。真空二极管也被视作开启电子时代的鼻祖。弗莱明不但是一位杰出的科学家,同时也是一位优秀的教师,在教学时他非常注重示范,也经常用例子来帮助记忆,这其中有著名的左手定则和右手定则,它们将磁场、电流和力联系在了一起。请大家下次再用到左手定则和右手定则时,请记住这是弗莱明首次提出使用的。
图2-6 记录爱迪生效应的发明专利
图2-7 弗莱明的真空二极管专利
真空二极管也被称为热电子管或弗莱明阀,由真空管制成,具有两个电极,该二极管的阴极通常发射自由电子,因此称为发射极,而阳极收集自由电子,即所谓的集电极,允许电流从阴极流向阳极并阻止电流从阳极流向阴极,其符号如图2-8所示。
图2-8 真空二极管符号、工作原理及弗莱明发明的真空二极管照片
真空二极管根据热电子发射原理进行工作:一旦灯丝加热,阴极端子就会发射电子,这些电子将被阳极所加正电压吸引而产生电流,相反,如果在阳极施加负电压,则电子不会被吸引,不会有电流导通,从而实现了电流的单向导电性。另外,阴极端子产生的电子数量主要取决于施加热量和功函数这两个重要因素。一旦施加更多热量,从阴极发射的自由电子的数量就会更多。同样,如果施加的热量较少,则阴极发射的电子数量较少。功函数可以定义为从金属中产生电子所需的最小能量。通常情况下,具有较少功函数的金属将需要较少的热能来产生自由电子。相反,高功函数的金属将需要大量能量来产生自由电子。因此,选择好的材料会提高电子发射效率。
弗莱明发明的真空二极管由于优越的稳定性和可重复性,很快便成为无线电通信应用的首选,主宰了电子通信时代,而半导体整流器也就淡出了舞台。
真空二极管只能单向导电,可以对交流电流进行整流,或者对信号进行检波,但是它不能对信号进行放大。在真空二极管发明后的两年,即1906年,美国另一个发明家李·德·福雷斯特(Lee De Forest)进一步发明了第一个真空三极管,揭开了真空管无线电通信的新篇章。
1902年福雷斯特就办了以自己名字命名的——德福雷斯特无线电报公司,一心一意想要发明出更先进的无线电检波装置,而不幸的是,进展缓慢,更不幸的是,在1904年弗莱明发明了真空二极管,比他领先一步。而福雷斯特凭着一股韧性,本着“人无我有,人有我优”的信念,要发明检波灵敏度更高的真空二极管。在一次做真空二极管的实验中,福雷斯特灵感乍现,在真空二极管阴极和阳极之间加入了一种栅[zhà]栏式的金属网,形成真空二极管的第三个极。他惊讶地发现,这个栅栏式的金属网(我猜这也是为什么国内将这个控制极称为“栅[shān]极”的原因)仿佛就像一个百叶窗,只要把一个微弱的变化电压加在它的身上,就能在阳极板上接收到更大的变化电流,而且其波形和栅极电流波形完全一致——德福雷斯特发现的正是真空管的“放大”作用,其中那个栅极承担着控制放大电信号的任务。发明之初,福雷斯特将该器件命名为“Audion”,后来才称为“Triode”。刚开始,福雷斯特认为他的真空三极管只不过是比真空二极管更灵敏的无线电检波器,直到1911年,埃德温·霍华德·阿姆斯特朗(Edwin Howard Armstrong)是第一个注意到三极管可以用作放大器的人[和登月的那个阿姆斯特朗相比,这个阿姆斯特朗似乎并不为人所熟知,但大家都应当听过广播,如南京交通台——FM102.4,这其中的调频广播(Frequency Modulation,FM)技术的发明者就是他]。
大约在1909年,因为联邦政府指控福雷斯特寻求改进一种“毫无价值的设备”(真空三极管)的不当行为,他的公司陷入了困境,后来虽然他摆脱了这个麻烦,但由于财务上的困境,他只能很不情愿的把真空三极管的专利以很低的价格卖给了一位律师,而这位律师是美国电话电报公司(American Telephone & Telegraph,AT&T)的代表,随后真空三极管就被AT&T公司广泛地用在了电信系统中,作为在长距离通信中的中继电路的重要器件。在早期的真空管中,阳极-栅极之间的电容很大,这导致产生无用的振荡,尤其是在工作频率高达几百千赫兹时,这种情况尤为严重,1916年亨利·约瑟夫·朗德(H.J.Round)灵机一动解决了这个问题,他改变了阳极接线,由原来的穿进封壳之中改为从玻璃外壳顶部引出。
下面简单解释下真空三极管的工作原理。从图2-9a可见,在原来真空二极管基础上增加的第三个极——栅极(Gird,以G代表),从构造看来,它犹如一圈圈的细线圈,就如同栅栏一般,固定在阴极与阳极(有时也称为屏极,Plate)之间,电子流必须通过栅极而到阳极,在栅极之间通电压,如图2-9b所示,可以控制电子的流量,如果栅极电压增加,就可以吸引更多的电子到阳极,反之,如果减小栅极电压或将其为负,由于电子的同性相斥,将减少电子流到阳极甚至切断该电流通路。
图2-9 真空三极管结构、工作原理及照片
可见,真空三极管除了可以处于“放大”状态外,还可分别处于“饱和”与“截止”状态。“饱和”即从阴极(或者叫发射极,Emitter,因为真有电子发射出去)到阳极的电流完全导通,相当于开关开启;“截止”即从阴极到阳极没有电流流过,相当于开关关闭。两种状态可以通过调整栅极上的电压进行控制。因此真空三极管除了其主要用于放大器功能外,还可以充当开关器件,其速度要比机械式继电器快成千上万倍。
在福雷斯特发明真空三极管之后,人们尝试将更多的栅极添加到真空管中,其中有两个栅极的真空管被称为真空四极管(Tetrode),由德国人威廉·肖特基(William S.Schottky)于1916年取得专利。真空五极管(Pentode)又多了一个栅极,由霍尔斯特(Holst)和博纳德·特勒根(B.D.H.Tellegen)在1926年发明。经过改进的真空四极管和真空五极管(还有更多极的),它们主要为了克服因阳极电场与栅极电场相互作用而造成增益损失这一缺点,如真空四极管是在阳极与栅极之间再增加一个帘栅极(screen grid,又称为第二栅极),以便为栅极遮挡住变化着的阳极电压。真空二极管、真空三极管、真空四极管等一起统称为真空管 [4] 。
福雷斯特一生获得300多项专利,其中真空三极管是他最著名的发明,真空三极管促成了电子产品的广泛使用,福雷斯特被称为“电子时代”的创始人之一,他也是有声电影的主要发明者之一,为此,他还被授予在好莱坞星光大道上留名。搞发明能在好莱坞星光大道上留名,这也是搞发明、做科研的最高境界了吧!
真空三极管为计算机的诞生铺平了道路(真空三极管代替继电器可以提高机器的计算速度),1946年的2月14日情人节,这是一个人类计算机史上开天辟地的日子。这一天,世界第一台通用计算机——埃尼阿克(ENIAC)在美国宾夕法尼亚大学被组装完成。这台最初的计算机重达30t、占地面积170m 2 ,一共用了17468个真空管,且每分钟只能执行5000次运算,运算能力远远低于现在的任何一部手机。这台机器的耗电量相当惊人,据说它开机的时候,半个费城的居民都会知道——因为他们家里的电灯泡会同时发暗。
但即使在当时看来,ENIAC也是有不少缺点的:除了体积大,耗电多以外,由于机器运行产生的高热量使真空管很容易损坏。只要有一个真空管损坏,整台机器就不能正常运转,于是就得先从这1万多个真空管中找出那个损坏的,再换上新的,非常麻烦。所以有了这样一句名言“Nature abhors the vacuum tube”(大自然憎恶真空管)——美国贝尔实验室工程师J.R.皮尔斯[他发明了“晶体管”(Transistor)一词]。
在20世纪中期前,因半导体尚未普及,真空管一统天下,基本上当时所有的电子器材均使用真空管,真空管的销售直到1957年才达到峰值。但在半导体技术的发展普及和平民化下,真空管因成本高、不耐用、体积大、效能低等原因,最后被半导体器件取代。但是在音响、微波炉及人造卫星的高频发射机等场合还可以看见真空管的身影。部分战斗机为防止核爆造成的电磁脉冲损坏,机上的电子设备亦采用真空管(有个小故事,1958年苏联领导人赫鲁晓夫做了一个指示:“真空管在核电磁脉冲下的生存性能比晶体管要强,苏联以后不要搞晶体管,集中力量搞电子管小型化”,这也部分导致后来苏联在电子信息元器件方向走了弯路)。
在中国香港和广东地区,真空管有时又会被称作“胆”。以真空管为核心器件的胆机仍是音响发烧友所追逐的目标。就在几年前,我们还可以在发烧主板上看到真空管的踪迹,如图2-10所示。胆机是音响业界最古老而又经久不衰的常青树,据说胆机有它独特的“胆味”,其显著的优点是声音温暖、柔和耐听、自然亲切,尤其动态范围较大,听感很有特色。(是不是好想听试下?)
图2-10 音响中的真空管