



光伏电站根据具体连接形式和应用场景不同,依据光伏组件与逆变器的连接方式分为集中式电站和分布式电站。光伏逆变器可以将光伏组串产生的可变直流电压转换为市电频率交流电,可以反馈回商用输电系统,或是供离网的电网使用。光伏逆变器一般分为三类:集中式逆变器、组串式逆变器和微型逆变器。具体来看,应用场景差异主要如下:
(1)集中式逆变器:大型地面、水面、工商业屋顶(500~3400kW)。
(2)组串式逆变器:小型分布式和地面电站、工商业屋顶、复杂山丘(20~320kW,目前最大为320kW)、户用(20kW以下),具有组串级MPPT功能。
(3)微型逆变器:单体容量一般在1kW以下,具有组件级MPPT功能。
根据光伏系统的装机容量和并网类型可以对光伏电站的类型进一步划分为:独立光伏发电系统、分布式并网光伏发电系统以及集中式并网光伏发电系统。其中,独立光伏发电系统又称为离网光伏系统,其不接入电网,采取完全的自发自用模式,光伏组件发电可直接使用,多余电能通过蓄电池储存,功率等级较小,一般小于0.5MW,独立光伏发电系统的结构示意图如图1-26所示。具体应用如太阳能路灯、船用光伏发电系统,如图1-27所示。
图1-26 独立光伏发电系统的结构示意图
图1-27 独立光伏发电系统的应用
分布式并网发电系统通常是指利用分散式资源、装机规模较小、布置在用户附近的发电系统,它一般接入0.4~35kV电压等级的电网,其容量可大可小,目前分布式电站容量最大达到20MW。目前应用最为广泛的分布式光伏电站系统是建在城市建筑物屋顶的光伏发电系统。该类系统必须接入公共电网,与公共电网一起为附近的用户供电。图1-28所示为屋顶分布式光伏电站的场景图,分布式光伏发电可以合理利用工商业屋顶及各类建筑,使得光伏发电应用规模越来越广。不同于集中式并网发电系统的集中式逆变器,分布式并网发电系统多采用组串式结构的逆变器,能够实现组串级MPPT,其结构示意如图1-29所示。
图1-28 屋顶分布式光伏发电系统
图1-29 分布式并网光伏发电系统的结构示意图
集中式并网光伏发电系统通常是指在地面大规模集中建设的太阳能光伏发电站,装机规模在20MW及以上,直接接入35~110kV或更高电压等级的电网,充分利用远离人类活动区域广阔的空间和相对稳定的太阳能资源构建大型光伏电站,接入高压输电系统,由电网统一调配向用户供电。集中式光伏电站建设点一般都是在高原、沙漠、荒地、山坡、水面等地。集中式光伏电站通常由光伏组件系统、逆变并网系统以及智能监控系统三部分组成。其系统结构如图1-30所示,光伏组件通过串并联构成光伏阵列,而后通过集中式逆变器并入电网。实际集中式光伏电站场景图如图1-31所示。
图1-30 集中式并网光伏发电系统的结构示意图
图1-31 集中式并网光伏发电系统实际场景图
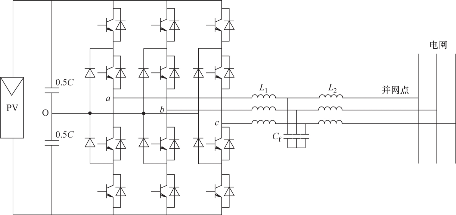
值得一提的是,由于中点钳位(NPC)三电平逆变器能获得更低的输出谐波和更高的效率,因此NPC三电平拓扑结构在光伏并网逆变器设计中显现出诸多优越性,并逐步成为光伏逆变器的主流电路拓扑,图1-32所示为Ⅰ型NPC三电平拓扑,组串式逆变器和集中式逆变器的主流产品多采用该类型拓扑。
图1-32 Ⅰ型NPC三电平拓扑
不同于大型集中式光伏电站,由于分布式屋顶光伏以及户用光伏系统涉及人身财产安全,因此与之相关的许多新型组件连接装置也被越来越多地使用,包括功率优化器、微型逆变器以及快速关断器等。
由于单个光伏组件的电压较小,传统的组串式结构逆变器通常由若干个光伏组件经过串联构成光伏组串,光伏组串接入逆变器,实现光伏组串级MPPT。为克服传统光伏组串失配引起整个组串的功率下降,在每个光伏组件后连接一个功率优化器,其本质为一个DC-DC变换电路,调节失配光伏组件的电压、电流,使得组串的工作电流仍工作在最大功率点(MPP)电流,只有失配光伏组件功率减小,其他组件不受影响,保证整个系统输出较高功率。带有优化器结构的光伏系统结构如图1-33所示,组串中的每个组件都连接一个优化器,在DC-DC变换器作用下使得每个组件输出保持在最优状态,可有效避免阴影遮挡等失配故障造成的“木桶效应”。
图1-33 带有优化器结构的分布式光伏系统结构示意图
功率优化器的主电路拓扑分为:Buck(降压)型、Boost(升压)型和Buck-Boost(升降压)型。图1-34所示为几种优化器电路拓扑原理图。
图1-34 功率优化器的主电路拓扑
Buck型电路只能实现“降压升流”,使用Buck型电路作优化器的主电路,会导致光伏阵列的输出电压降低,为了使所有光伏组件都能工作在各自的最大功率点,串联光伏组件的总输出电流等于所有光伏组件中输出电流最大的组件电流;Boost型电路与Buck型电路相反,总输出电流受限于所有光伏组件中输出电流最小的光伏组件;为了使优化器在实现光伏组件的各自MPPT的同时,保证输出电压稳定,光伏优化器通常设计为Buck-Boost型电路。
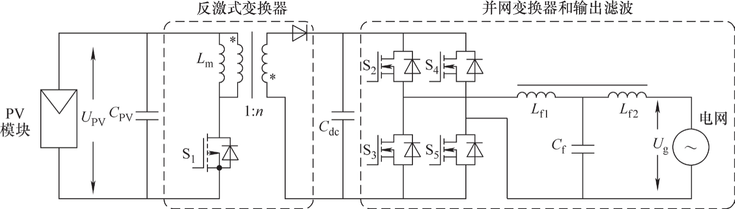
传统的光伏组串直流电压高,存在安全隐患,且抗阴影性差,微型逆变器系统中每块光伏组件独立接入逆变器(DC-AC),使得系统的最高直流电压为光伏组件的开路电压,大约为40V,安装使用过程中非常安全,可独立进行MPPT,大大提高了系统的发电效率。带有微型逆变器结构的分布式光伏系统结构如图1-35所示,微型逆变器的使用使得光伏系统具有更高的安全性,且具有组件级MPPT功能,能进一步提高系统的发电量。
图1-35 带有微型逆变器结构的分布式光伏系统结构示意图
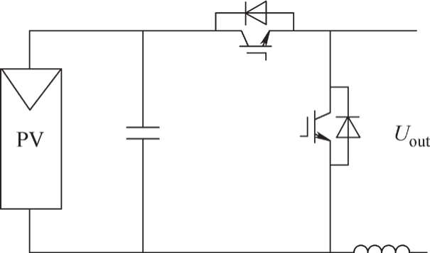
微型逆变器多应用于独立光伏组件并网发电系统,通常直接与单块光伏组件相匹配,适用于小功率场合。图1-36所示为Enphase公司的单极式微型逆变器拓扑结构,该电路由前级反激式变换器输出两倍电网频率脉动直流电,经后级工频反转进行并网。
图1-36 反激式微型逆变器拓扑结构
传统的光伏组串直流电压高,屋顶分布式光伏发电系统通风散热条件差,为保障人身财产安全及减小火灾风险,在每个光伏组件两端并联一个快速关断器(RSD),当组件发生异常时使光伏组件快速断开,保证系统最高直流电压为光伏组件的开路电压,大约为40V。带有快速关断器的分布式光伏系统结构如图1-37所示,具有组件级快速关断功能,有效规避火灾等风险,使得安全性提高。
图1-38所示为快速关断器的一般拓扑结构,通过控制与光伏组件串并联的两个开关管的导通和关断,可以控制光伏组件正常工作以及从串联回路中断开,从而实现组件快速关断的目的。
图1-37 带有快速关断器结构的分布式光伏系统结构示意图
图1-38 快速关断器电路拓扑结构
组件优化装置的配合使用使得光伏组串的连接结构和光伏组件的输出特性有所不同。同时以上装置的使用,极大地增加了光伏组件的可用状态信息,与通信功能组合,还可用于监控各个组件的状态,检测出故障组件,能够实现组件级故障的精准定位与故障识别。