



为了减小启动电流,在电动机启动时必须采取适当措施。本节将分别介绍笼型异步电机和绕线型异步电机限制启动电流的控制线路。
笼型异步电动机限制启动电流常采用降压启动的方法,即启动时将定子绕组电压降低,启动结束将定子电压升至全压,使电动机在全压下运行。降压启动的方法很多,如定子串电阻(电抗)降压启动、定子串自耦变压器降压启动、Y-△降压启动等。无论哪种方法,对控制要求是相同的,即给出启动指令后,先降压,当电动机接近额定转速时再加全压,这个过程是以启动过程中的某一变化参量为控制信号自动进行的。在启动过程中,转速、电流、时间等参量都发生变化,原则上这些变化的参量都可以作为启动的控制信号。以转速和电流为变化参量控制电动机启动受负载变化、电网电压波动的影响较大,往往造成启动失败;采用以时间为变化参量控制电动机启动,换接是靠时间继电器的动作,不论负载变化或电网电压波动,都不会影响时间继电器的整定时间,可以按时切换,不会造成启动失误。所以,控制电动机启动,几乎毫无例外地采用以时间为变化参量来进行控制。
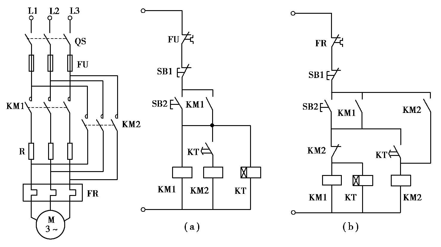
如图2.13 所示为定子绕组串电阻的降压启动控制线路。该线路是根据启动过程中时间的变化,利用时间继电器控制降压电阻的切除。
图2.13 定子绕组串电阻的降压启动控制线路
由图2.13(a)可以看出,本线路在启动结束后,KM1,KT一直得电动作,这是不必要的。如果能使KM1,KT在电动机启动结束后断电,可减少能量损耗,延长接触器、继电器的使用寿命。其解决办法为:在接触器KM1 和时间继电器的线圈电路中串入KM2 的动断触点,KM2 要有自锁,如图2.13(b)所示,这样当KM2 线圈通电时,其动断触点断开KM1,KT线圈断电。
定子绕组串电阻的降压启动的方法由于不受电动机接线形式的限制,设备简单,所以在中小型生产机械上应用广泛。但是,定子串电阻降压启动,能量损耗较大,在实际中应用较少。为了节省能量,可采用电抗器代替电阻,但其成本较高,它的控制线路与电动机定子串电阻的控制线路相同。
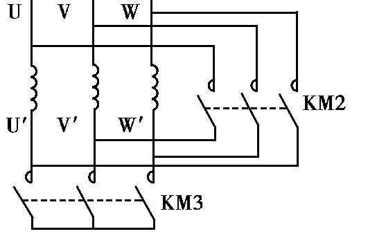
凡是正常运行时定子绕组接成三角形的笼型异步电动机可采用Y-△降压启动方法来达到限制启动电流的目的。Y系列的笼型异步电动机 4.0 kW以上者均为三角形接法,都可以用Y-△降压启动的方法。
1)降压启动的原理
在启动过程中,将电动机定子绕组接成星形,使电动机每相绕组承受的电压为额定电压的 1 /3,启动电流为三角形接法时启动电流的 1 /3。图2.14 中,UU′、VV′、WW′为电动机的三相绕组,当KM3 的动合触点闭合,KM2 的动合触点断开时,相当于U′、V′、W′连在一起,为星形接法;当KM3 的动合触点断开,KM2 的动合触点闭合时,相当于U与V′、V与W′、W与U′连在一起,三相绕组首尾相连,为三角形接法。
图2.14 电动机定子绕组Y-△接线示意图
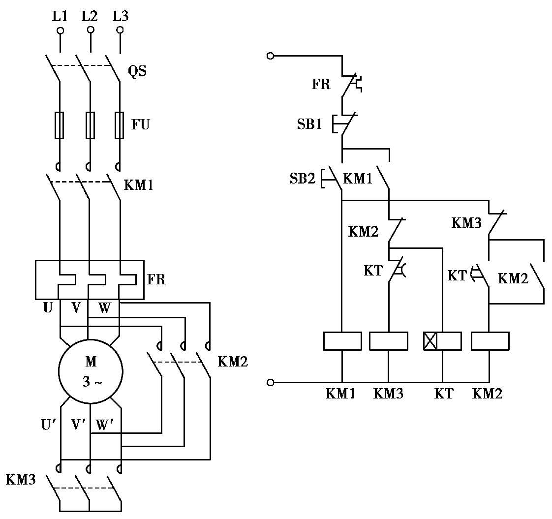
2)Y-△降压启动控制线路的工作过程
图2.15 为笼型异步电动机Y-△降压启动的控制线路。主电路有 3 个交流接触器KM1、KM2、KM3。当接触器KM和KM3 主触头闭合时,电动机绕组为星形接法;当接触器KM和KM2 主触头闭合时,电动机绕组接成三角形接法。热继电器FR对电动机实现过载保护,其工作过程如下:
图2.15 Y-△降压启动的控制线路
当合上刀开关QS以后,按下启动按钮SB2,接触器KM1 线圈、KM3 线圈以及通电延时型时间继电器KT线圈通电,电动机接成星形启动;同时通过KM1 的动合辅助触点自锁,时间继电器开始定时。当电动机接近于额定转速,即时间继电器KT延时时间已到,KT的延时断开动断触点断开,切断KM3 线圈电路,KM3 断电释放,其主触点和辅助触点复位;同时,KT的动合延时闭合触点闭合,使KM2 线圈通电自锁,主触点闭合,电动机接成三角形运行。时间继电器KT线圈也因KM2 动断触点断开而失电,时间继电器的触点复位,为下一次启动做好准备。图中的KM2、KM3 动断触点是互锁控制,防止KM2、KM3 线圈同时得电而造成电源短路。
3)Y-△降压启动的特点
Y-△降压启动具有投资少、线路简单的优点。但是,在限制启动电流的同时,起动转矩也为直接启动时转矩的 1 /3。因此,它只适用于空载或轻载启动的场合,且只适用于正常工作时定子绕组为三角形连接的电动机,鉴于电气传动和机械传动的大多数情况下电机正常工作时都为三角形连接,所以Y-△启动方式在实际工程应用中最为广泛。
图2.16 自耦变压器接线示意图
1)自耦变压器降压启动的工作原理
自耦变压器按星形接线,其接线示意图如图2.16 所示。启动时将电动机定子绕组接到自耦变压器二次侧。这样,电动机定子绕组得到的就是自耦变压器的二次电压,改变自耦变压器抽头的位置可以获得不同的启动电压。在实际应用中,自耦变压器一般有65%、85%等抽头。当启动完毕,自耦变压器被切除,额定电压直接加到电动机定子绕组上,电动机进入全压正常运行。
2)自耦变压器降压启动控制线路的工作过程
图2.17 为用两个接触器控制的自耦变压器减压启动控制电路。图中KM1 为减压接触器,KM2 为正常运行接触器,KT为启动时间继电器,KA为启动中间继电器。
图2.17 自耦变压器降压启动控制线路
合上电源开关,按下启动按钮SB2,KM1 通电并自锁,将自耦变压器T接入,电动机定子绕组经自耦变压器供电作减压启动;同时KT通电,经延时,KA通电并自锁,KM1 断电,KM2 通电,自耦变压器切除,电动机在全压下正常运行。
3)自耦变压器降压启动特点
自耦变压器降压启动方法适用于电动机容量较大,正常工作时接成星形的电动机。启动转矩可以通过改变抽头的连接位置得到改变。它的缺点是自耦变压器价格较贵,而且不允许频繁启动。鉴于此,自耦变压器降压启动方式在实际工程中也使用得相对较少。
三相绕线型异步电动机较直流电动机结构简单,维护方便,调速和启动性能比笼型异步电动机优越。有些生产机械虽不要求调速,但要求较大的启动力矩和较小的启动电流,笼型异步电动机不能满足这种启动性能的要求,在这种情况下可采用绕线型异步电动机拖动,通过滑环在转子绕组中串接外加设备达到减小启动电流、增大启动转矩及调速的目的。
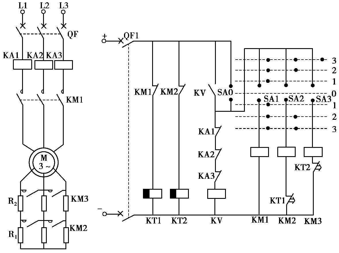
图2.18 为转子绕组串电阻启动控制线路,为了可靠,控制电路采用直流操作。启动停止和调速采用主令控制器SA控制,KA1、KA2、KA3 为过流继电器,KT1、KT2 为断电延时型时间继电器。
图2.18 转子绕组串电阻启动控制线路
控制线路的工作过程如下:
1)启动前准备
SA手柄置到“0”位,则触点SA0 接通。合上QF、QFl,KTl、KT2 线圈通电,其动断延时闭合触点瞬时打开;零位继电器KV线圈通电自锁,为KMl、KM2、KM3 线圈的通电做好准备。
2)启动过程
将SA由“0”位推向“3”位:SAl、SA2、SA3 闭合,KMl线圈通电,主触点闭合,电动机每相转子串两段电阻启动,KMl的动断辅助触点断开,KTl线圈断电开始延时。当KTl延时结束时,其动断延时闭合的触点闭合,KM2 线圈通电,一方面KM2 的动合主触点闭合,切除电阻R1;另一方面KM2 的动断辅助触点断开,KT2 线圈断电开始延时。当KT2 延时结束时,其动断延时闭合的触点闭合,KM3 线圈通电,主触点闭合,切除电阻R2,电动机进入全速运转。
3)电动机调速控制
当要求调速时,可将主令控制器的手柄推向“1”位或“2”位。当主令控制器的手柄推向“1”位时,由图可以看出,主令控制器的触点只有SAl接通,接触器KM2、KM3 均不能得电,电阻R1、R2 将接入转子电路中,电动机便在低速下运行;当主令控制器的手柄推向“2”位时,电动机将在转子接入一段电阻的情况下运行,这样就实现了调速控制。
4)电动机停车控制
当要求电动机停车时,将主令控制器手柄拨回到“0”位,接触器KMl、KM2、KM3 均断电,电动机断电停车。
5)保护环节
线路中的零位继电器KV起失压保护的作用,电动机每次启动前必须将主令控制器的手柄扳回到“0”位,否则电动机无法启动。KAl、KA2、KA3 作过流保护,正常时继电器不动作,动断触点闭合;若出现过流时,其动断触点断开,KV线圈断电,使KMl、KM2、KM3 线圈断电,起到保护作用。
绕线型异步电动机转子串电阻的启动方法,由于在启动过程中逐渐切除转子电阻,在切除瞬间电流及转矩会突然增大,产生一定的机械冲击力。如果想减小电流的冲击,必须增加电阻的级数,这将使控制线路复杂,工作不可靠,而且启动电阻体积较大。
频敏变阻器的阻抗能够随着电动机转速的上升和转子电流频率的下降而自动减小,所以它是绕线型异步电动机较为理想的一种启动装置,常用于较大容量的绕线型异步电动机的启动控制。
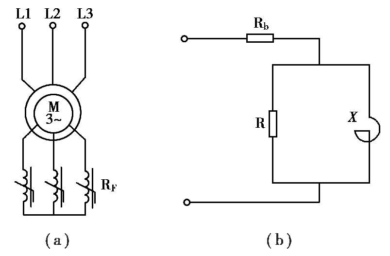
图2.19 频敏变阻器等效电路
1)频敏变阻器简介
频敏变阻器实质上是一个铁芯损耗非常大的三相电抗器。它的铁芯是由几片或十几片较厚的钢板或铁板叠成,并制成开启式。三个绕组按星形联结,将其串联在转子电路中,如图2.19(a)所示。转子一相的等效电路如图2.19(b)所示。图中R b 为绕线电阻,R为频敏变阻器的铁损等值电阻, X 为电抗,R与 X 并联。
当电动机接通电源启动时,频敏变阻器通过转子电路得到交变电动势,产生交变磁通,其电抗为 X 。而频敏变阻器铁芯由较厚的钢板制成,在交变磁通作用下,产生很大的涡流损耗和较小的磁滞损耗(涡流损耗占总损耗的 80%以上)。此涡流损耗在电路中以一个等效电阻 R 表示。电抗 X 和电阻 R 都是由交变磁通产生的,所以其大小都随转子电流频率变化而变化。电动机启动过程中,转子电流频率 f 2 与电源频率 f 1 的关系为: f 2 = sf 1 ,其中 s 为转差率。当电动机转速为零时,转差率 s =1, f 2 = sf 1 ;当 s 随着转速上升而减小时, f 2 便下降。频敏变阻器的 X 、 R 与 f 2 的平方成正比。因此,启动开始,频敏变阻器的等效阻抗很大,限制了电动机的启动电流,随着电动机转速的升高,转子电流频率降低,等效阻抗自动减小,从而达到了自动改变电动机转子阻抗的目的,实现了平滑无级启动。当电动机正常运行时, f 2 很低(为 5% f 1 ~10% f 1 ),其阻抗很小。另外,在启动过程中,转子等效阻抗及转子回路感应电动势都是由大到小,所以实现了近似恒转矩的启动特性。
2)转子串频敏变阻器启动控制线路
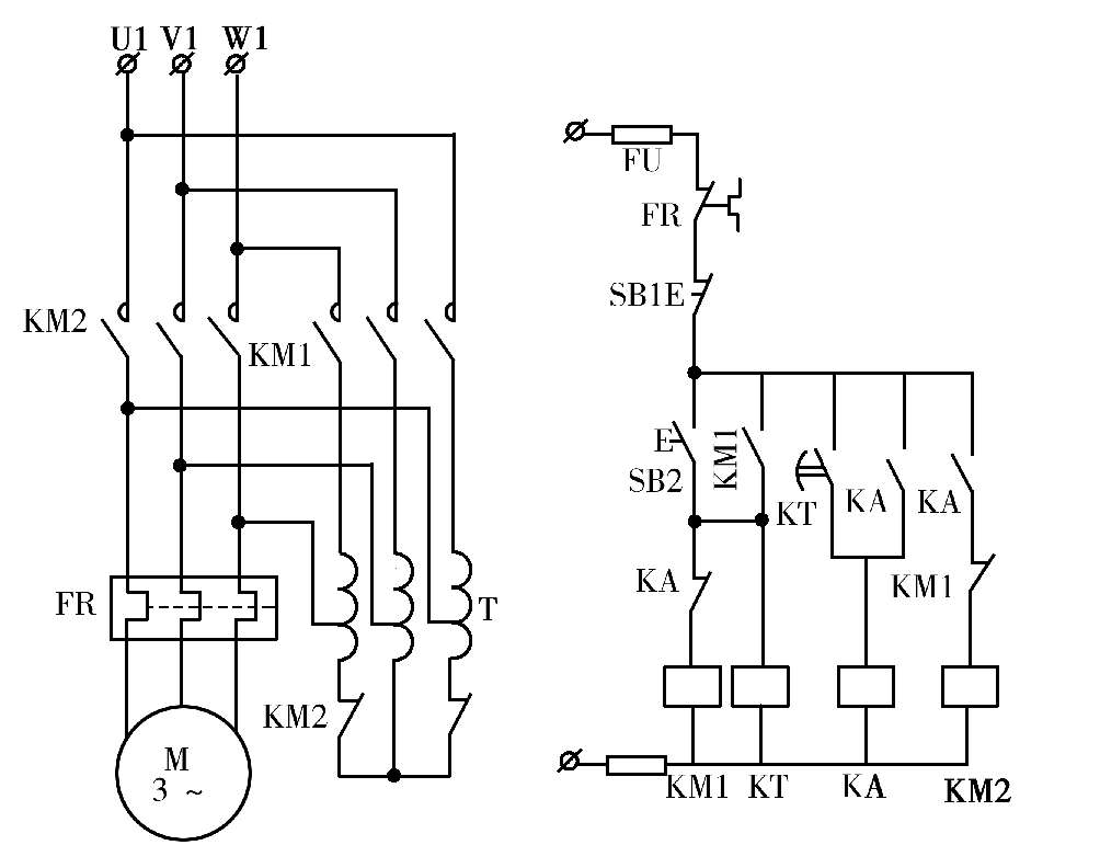
绕线型异步电动机转子串频敏变阻器启动控制线路如图2.20 所示。图中KM1 为线路接触器,KM2 为短接频敏变阻器接触器,KT为控制启动时间的通电延时型时间继电器,KA为中间继电器,由于是大电流系统,所以热继电器FR接在电流互感器的二次侧。
图2.20 转子串频敏变阻器启动控制线路
线路的工作过程如下:
合上电源开关,按下启动按钮SB2,接触器KM1 通电并自锁,电动机接通三相交流电源,电动机转子串频敏变阻器启动;同时,时间继电器KT线圈通电并开始延时。当延时结束,KT的动合延时闭合触点闭合,KA线圈通电并自锁,并使KM2 线圈通电,KM2 的动合触点闭合将频敏变阻器切除,电动机进入正常运转状态。
在启动过程中,为了避免启动时间过长而使热继电器误动作,用KA的动断触点将热继电器FR的发热元件短接。
1)转子绕组串电阻的启动
由于在启动过程中逐渐切除转子电阻,在切除的瞬间电流及转矩会突然增大,产生一定的机械冲击力。如果想减小电流的冲击,必须增加电阻的级数,这将使控制线路复杂,工作不可靠,而且启动电阻体积较大。
2)转子绕组串频敏变阻器启动
频敏变阻器的阻抗能够随着电动机转速的上升、转子电流频率的下降而自动减小,所以它是绕线型异步电动机较为理想的一种启动装置,常用于较大容量的绕线型异步电动机的启动控制。