



为了表达设备电气控制系统的组成结构、工作原理及安装、调试、维修等技术要求,需要用统一的工程语言来表达,这种工程语言即是电气工程图。常用的电气工程图一般包括电气原理图、电器布置图和电气安装接线图3 种。
各种图的图纸尺寸一般选用 297 mm×210 mm、297 mm×420 mm、297 mm×630 mm和297 mm×840 mm4 种幅面,特殊需要可按GB/T 14689—1993《技术制图图纸幅面和格式》国家标准选用其他尺寸。
为了表达电气控制系统的设计意图,便于分析系统工作原理、安装、调试和检修控制系统,必须采用统一的图形符号和文字符号。国家标准局参照国际电工委员会(IEC)颁布文件,制定了我国电气设备的有关国家标准,如:GB/T 4728—2005 《电气简图用图形符号》、GB/T 5226.1—2002《机械安全机械电气设备第 1 部分:通用技术条件》、GB/T 6988—2008《电气制图》、GB/T 5094—1985《电气技术中的项目代号》,规定从 1990 年 1 月 1 日起,电气图中的图形符号和文字符号必须符合最新的国家标准。
图形符号通常用于图样或其他文件,用以表示一个设备或概念的图形、标记或字符。它由符号要素、一般符号和限定符号等组成。
1)符号要素
它是一种具有确定意义的简单图形,必须同其他图形组合才构成一个设备或概念的完整符号。如接触器常开主触点的符号就由接触器触点功能符号“
”和常开触点符号“
”组合而成。
2)一般符号
一般符号是用以表示一类产品和此类产品特征的一种简单的符号。如电机的一般符号为“
”,“*”号用M代替可表示电动机,用G代替则可表示发电机。
3)限定符号
限定符号是用于提供附加信息的一种加在其他符号上的符号。限定符号一般不能单独使用,但它可使图形符号更具多样性。例如,在电阻器一般符号的基础上分别加上不同的限定符号,则可得到可变电阻器、压敏电阻器、热敏电阻器等。
文字符号适用于电气技术领域中技术文件的编制,用以标明电气设备、装置和元器件的名称及电路的功能、状态和特征。
文字符号分为基本文字符号和辅助文字符号。
1)基本文字符号
基本文字符号有单字母符号与双字母符号两种。单字母符号按拉丁字母顺序将各种电气设备、装置和元器件划分为 23 大类。每一类用一个专用单字母符号表示,如“C”表示电容器类,“R”表示电阻器类等。
双字母符号由一个表示种类的单字母符号与另一个字母组成,且以单字母符号在前,另一字母在后的次序列出,如“F”表示保护器件类,“FU”则表示为熔断器。
2)辅助文字符号
辅助文字符号是用来表示电气设备、装置和元器件以及电路的功能、状态和特征的符号。如“RD”表示红色,“L”表示限制等。辅助文字符号也可以放在表示种类的单字母符号之后组成双字母符号,如“SP”表示压力传感器,“YB”表示电磁制动器等。为简化文字符号,若辅助文字符号由两个以上字母组成时,允许只采用其第一位字母进行组合,如“MS”表示同步电动机。辅助文字符号还可以单独使用,如“ON”表示接通,“PE”表示保护接地,“M”表示中间线等。
电气线路采用字母、数字、符号及其组合标记。
三相交流电源引入线采用L1、L2、L3 标记,中性线采用N标记。
电源开关之后的三相交流电源主电路分别按U、V、W顺序标记。分级三相交流电源主电路采用三相文字代号U、V、W的前边加上阿拉伯数字 1、2、3 等来标记,如 1U、1V、1W;2U、2V、2W等。
各电动机分支电路各接点标记采用三相文字代号后面加数字来表示,数字中的个位数表示电动机代号,十位数字表示该支路各接点的代号,从上到下按数值大小顺序标记。如U11表示M1 电动机的第一相的第一个接点代号,U21 为第一相的第二个接点代号,依次类推。
电动机绕组首端分别用U、V、W标记,尾端分别用U′、V′、W′标记。双绕组的中点则用U″、V″、W″标记。
控制电路采用阿拉伯数字编号,一般由 3 位或 3 位以下的数字组成。标注方法按“等电位”原则进行,在垂直绘制的电路中,标号顺序一般由上而下编号。凡是被线圈、绕组、触点或电阻、电容等元件所间隔的线段,都应标以不同的电路标号。
用图形符号和项目代号表示电路各个电器元件连接关系和电气工作原理的图称为电气原理图。由于电气原理图结构简单、层次分明,适用于研究和分析电路工作原理,在设计部门和生产现场得到广泛应用,但它并不反映电气元件的实际大小和安装位置。电气原理图一般按功能分为主电路、辅助电路两个部分,主电路是从电源到电动机大电流通过的路径。辅助电路包括控制电路、照明电路、信号电路及保护电路等,由继电器和接触器的线圈,继电器的触点,接触器的辅助触点、按钮、照明灯、信号灯、控制变压器等电器元件组成。下面以图2.1 为例介绍电气原理图的绘制原则、方法及注意事项。
①电气原理图一般按功能主电路和辅助电路分开绘制。
②控制系统中的全部电机,电器和其他器械的带电部件,都应在原理图中表示出来。图中各个电气元件不画实际外形图,而采用国家规定的统一标准图形符号、文字符号来绘制。
③原理图中各个电气元件和部件在控制线路中的位置,应根据便于阅读的原则安排。同一电气元件的各个部件可以不画在一起,例如,继电器、接触器的线圈和触点可以不画在一起。
④图中元件、器件和设备的可动部分,都按没有通电和外力作用时的开闭状态画出。例如,继电器、接触器的触点按吸引线圈设有通电状态画,主令控制器、万能转换开关按手柄处于零位时的状态画;按钮、行程开关的触点按不受外力作用时的状态画等。
⑤原理图的绘制应布局合理,排列均匀,为了便于看图,可以水平布置,也可以垂直布置。
⑥电气元件应按功能布置,并尽可能按工作顺序排列,其布局顺序应该从上到下,从左到右。电路垂直布置时,类似项目宜横向对齐;水平布置时,类似项目应纵向对齐。例如图2.1中,线圈属于类似项目,由于线路采用垂直布置,所以接触器线圈横向对齐。
⑦电气原理图中,有直接联系的交叉导线连接点要用黑圆点表示;无直接联系的交叉导线连接点不画黑圆点。
为了便于确定图上的内容,也为了在用图时查找图中各项目的位置,往往需要将图幅分区。
图幅分区的方法:在图的边框处,竖边方向用大写拉丁字母,横边方向用阿拉伯数字,编号顺序应从左上角开始。CW6132 型普通车床的电气原理图如图2.1 所示。
图2.1 CW6132 型普通车床的电气原理图
图幅分区后,相当于在图上建立了一个坐标。项目和连接线的位置可用如下方式表示:①用行的代号(拉丁字母)表示;②用列的代号(阿拉伯数字)表示;③用区的代号表示。区的代号为字母和数字的组合,且字母在左、数字在右。
在具体使用时,对水平布置的电路,一般只需标明行的标记;对垂直布置的电路,一般只需标明列的标记;复杂的电路需标明组合标记。
在图2.1 中,图区编号下方的“电源开关及保护”等字样表明它对应的下方元件或电路的功能,使读者能清楚地知道某个元件或某部分电路的功能,以利于理解全电路的工作原理。图2.1 中KM线圈下方的符号,是接触器KM相应触点的索引。它表示接触器KM的主触点在图区 2,动合辅助触点在图区 5。
电气原理图中,接触器和继电器线圈与触点的从属关系应用附图表示,即在原理图中相应线圈的下方给出触点的文字符号,并在其下面注明相应触点的索引代号,对未使用的触点用“×”表明,有时也可省略。
对接触器,上述表示法中各栏的含义如图2.2(a)所示;对继电器的表示方法如图2.2(b)所示。
图2.2 接触器、继电器在电气图中的索引表示
电气元件的数据和型号一般用小号字体注在电器代号下面。例如图2.1 中,FR下面的数据表示热继电器动作电流值的范围和整定值的标注;图中的 1.5 mm 2 、2.5 mm 2 字样表明该导线的截面积。
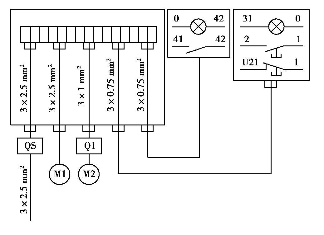
图2.3 CW6132 型车床电器位置图
电器元件布置图反映各电器元件的实际安装位置,图中电器元件用实线框表示,而不必按其外形形状画出;在图中往往还留有 10%以上的备用面积及导线管(槽)的位置,以供布线和改进设计时用;在图中还需要标注出必要的尺寸。如图2.2 所示。
电器位置图详细绘制出电气设备元件安装位置。图中各电器代号应与有关电路图和电器清单上所有元器件代号相同,在图中往往留有 10%以上的备用面积及导线管(槽)的位置,以供改进设计时用。图中不需标注尺寸。图2.2 为CW6132 型普通车床电器位置。图中FU1~FU4为熔断器、KM为接触器、FR为热继电器、TC为照明变压器、XT为接线端板。
电气接线图反映的是电气设备各控制单元内部元件之间的接线关系。它清楚地表明了电气设备外部元件的相对位置及它们之间的电气连接,是实际安装接线的依据,在具体施工和检修中能够起到电气原理图所起不到的作用,在生产现场得到广泛应用。图2.4 为CW6132 型普通车床电气互连图。
图2.4 CW6132 型普通车床电气互连图
绘制电气互连图的原则是:外部单元同一电器的各部件画在一起,其布置尽可能符合电器实际情况;各电气元件的图形符号、文字符号和回路标记均以电气原理图为准,并保持一致;不在同一控制箱和同一配电屏上的各电气元件的连接,必须经接线端子进行;互连图中电气互连关系用线束表示,连接导线应注明导线规范(数量、截面积等),一般不表示实际走线途径,施工时由操作者根据实际情况选择最佳走线方式;对于控制装置的外部连接线应在图上或用接线表表示清楚,并标明电源的引入点。
电气控制线路的分析通常按照由主到辅、由上到下、由左到右的原则进行分析。较复杂图形,通常可以化整为零,将控制电路化成几个独立环节的细节分析,然后再串为一个整体分析。
①阅读设备说明书,了解设备的机械结构、电气传动方式、对电气控制的要求、电机和电器元件的布置情况以及设备的使用操作方法、各种按钮、开关等的作用,熟悉图中各器件的符号和作用。
②在电气原理图上先分清主电路或执行元件电路和控制电路,并从主电路着手,根据电动机的拖动要求分析其控制内容,包括启动方式、有无正反转、调速方式、制动控制和手动循环等基本环节。并根据工艺过程了解各用电器设备之间的相互联系、采用的保护方式等。
③控制电路由各种电器组成,主要用来控制主电路工作。在分析控制电路时,一般根据主电路接触器主触头的文字符号,到控制电路中去找与之相应的控制线圈,进一步弄清楚电动机的控制方式。
④了解机械传动和液压传动情况。
⑤阅读其他电路环节。比如照明、信号指示、监测、保护等各辅助电路环节。
阅读和分析电气控制线路图的方法主要有两种:查线读图法和逻辑代数法。
查线读图法也称跟踪追击法,或者直接读图法,是目前广泛采用的一种看图分析方法。查线读图分析法以某一电动机或电器元件线圈为对象,从电源开始,由上而下,自左至右,逐一分析其接通断开关系,并区分出主令信号、联锁条件、保护环节等,从而分析出各种控制条件与输出结果之间的因果关系。
查线读图法在分析电气线路时,一般应先从电动机着手,根据主电路中有哪些控制元件的主肋点、电阻等大致判断电动机是否有正反转控制、制动控制和调速要求等。
查线读图法的优点是直观性强,容易掌握,因而得到广泛采用。其缺点是分析复杂线路时容易出错,叙述也较长。
逻辑代数法又称间接读图法,是通过对电路的逻辑表达式的运算来分析控制电路的,其关键是正确写出电路的逻辑表达式。
应用逻辑代数法分析的电气控制线路的具体步骤是:首先写出控制电路各控制元件、执行元件动作条件的逻辑表达式,并记住逻辑表达式中各变量的初始状态。然后发出指令控制信号,通常是按下启动按钮或某一开关。紧接着分析判别哪些逻辑式为“1”(“1”即为得电状态),以及由于相互作用而使其逻辑式为“1”者。最后再考虑执行元件有何动作。
继电接触器控制线路中逻辑代数规定如下:继电器、接触器线圈得电状态为“1”,线圈失电状态为“0”;继电器、接触器控制的按钮触点闭合状态为“1”,断开状态为“0”。为了清楚地反映元件状态,元件线圈、常开触点(动合触点)的状态用相同字符(例如接触器为KM)来表示,而常闭触点(动断触点)的状态以KM表示。若KM为“1”状态,则表示线圈得电,接触器吸合,其常开触点闭合,常闭触点断开。得电、闭合都是“l”状态,而断开则为“0”状态。若KM为“0”状态,则与上述相反。在继电接触器控制线路中,把表示触点状态的逻辑变量称为输入逻辑变量;把表示继电器、接触器等受控元件的逻辑变量称为输出逻辑变量。输出逻辑变量是根据输入逻辑变量经过逻辑运算得出的。输入、输出逻辑变量的这种相互关系称为逻辑函数关系,也可用真值表来表示。
逻辑代数法读图的优点是:只要控制元件的逻辑表达式写得正确,并且对式中各指令元件、控制元件的状态清楚,则电路中各电气元件之间的联系和制约关系在逻辑表达式中一目了然。通过对逻辑函数的具体运算,各控制元件的动作顺序、控制功能一般也不会遗漏。而且采用逻辑代数法后,对电气线路采用计算机辅助分析提供了方便。该方法的主要缺点是:对于复杂的电气线路,其逻辑表达式很繁琐冗长,分析过程也比较麻烦。
总之,上述三种读图分析法各有优缺点,可根据具体需要选用。逻辑代数法是以查线分析法为基础,因而首先应熟练掌握查线读图分析法,在此基础上再去理解和掌握其他各种读图分析法。