



在绘制图样时,经常需要用一个已知半径的圆弧来光滑连接(即相切)两个已知线段 ( 直线段或曲线段 ), 称为圆弧连接 。 此圆弧称为连接弧 , 两个连接点称为切点 , 如图 1-19 所示 。
为了保证光滑的连接,必须正确地作出连接弧的圆心和两个连接点,且两个被连接的线段都要正确地画到连接点为止。
1.理解圆弧连接方式。
2.掌握绘制连接圆弧的步骤。
图1-19 连接圆弧
小组讨论分工合作,完成任务表 1-11 的填写。
表1-11 任务表
圆弧连接作图基本步骤:
(1)找(连接圆弧)圆心(圆心到两被连接线段的距离为圆弧半径)。
(2)找切点(即连接圆弧与被连接线段的连接点)。
(3)画圆弧(在两点间)。
技巧: 圆弧连接关键是找出连接圆弧的圆心和连接点(切点)。
圆弧连接作图过程见表 1-12。
友情提示:
(1) 与已知直线相切且半径为 R 的圆弧 , 其圆心轨迹为与已知直线平行且距离为 R 的 两直线 , 连接点为圆心向已知直线所作垂线的垂足 。
(2) 与已知圆弧相切的圆弧 , 其圆心轨迹为已知圆弧的同心圆 , 其半径为 R : 外切时 , 连 接圆弧与已知圆弧的半径之和 ; 内切时 , 连接圆弧与已知圆弧的半径之差 。 连接点为 : 外切 时 , 连心线与已知圆弧的交点 ; 内切时 , 连心线的延长线与已知圆弧的交点 。
表1-12 圆弧连接
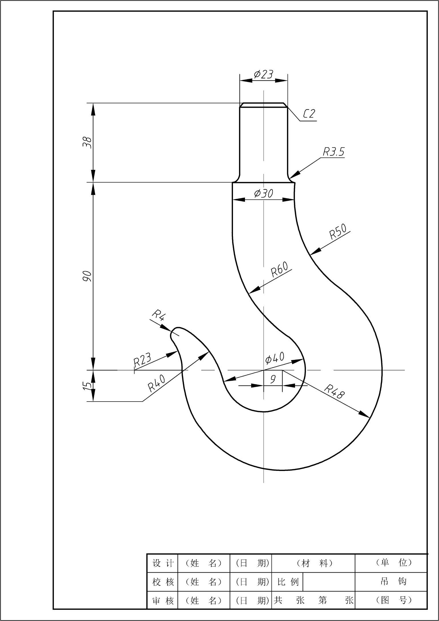
绘制吊钩板图(如图 1-20 所示)。
(1)抄画图形并标注尺寸。
(2)要求:图形正确,布置合理,线型规范,字体工整,符合国家标准规定。
(3)图名:吊钩。
(4)图幅:A4 图纸,留装订边。
图1-20 吊钩板图
友情提示 : 分析图形 , 先绘制已知线段 , 再绘制中间线段 , 最后连接线段 。 吊钩下方主要 部分尺寸 ϕ 30、 R 60、 R 50、 ϕ 40、 R 48、 R 40、 R 23、 R 4 中 , 已知线段有 ϕ 40, R 48, ϕ 30( 直线段 ), 中 间线段有 R 40、 R 23, 连接线段有 R 50、 R 60、 R 4。
根据任务完成情况,如实填写表 1-13。
表1-13 任务过程评价表
请小结完成本次任务过程中的优缺点,并提出改进计划,如实填写表 1-14。
表1-14 任务小结表