



微电网中含有大量的分布式能源和负载,这些分布式能源和负载有着不同的电气特性,如光伏、电池的输入/输出为不同幅值的直流电,而风机、电动机的输入/输出为不同幅值、不同频率的交流电。电力电子变流器可以实现例如电压、频率、相位等电气特性的变换,因此,需要利用电力电子变流器作为分布式能源/负载和微电网母线的连接设备,实现不同电压类型间的变换。目前电力电子变流器有着多种电路拓扑,下文将根据输入/输出电压类型和电平数介绍微电网中常见的变流器拓扑。
根据分布式能源、负载、微电网母线的电压类型,可以为变流器建立起不同的分类标准。微电网中的常见变流器类型有AC-DC变流器、DC-AC变流器、DC-DC变流器和AC-AC变流器。其中,AC-DC变流器可以将交流电变为直流电,主要用于交流电源/负载并入直流微电网。DC-AC变流器可以将直流电变为交流电,主要用于直流电源/负载并入交流微电网。AC-DC变流器和DC-AC变流器往往具有一致的拓扑结构,两者的主要差别在于功率流向的不同,AC-DC变流器中功率从交流侧流向直流侧,DC-AC变流器中功率从直流侧流向交流侧。受限于篇幅,本书主要针对微电网中常用的DC-AC变流器讲解,不对AC-DC做具体介绍。
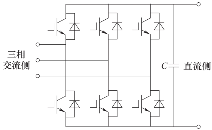
交流微电网的母线有单相母线和三相母线这两种类型,因此DC-AC变流器又可以分为单相DC-AC变流器和三相DC-AC变流器。单相DC-AC变流器拓扑如图2-1所示,拓扑结构两侧分别为交流侧和直流侧。其中图2-1a为半桥结构,仅包括2个开关管;图2-1b为全桥结构,由两个半桥结构组成。三相DC-AC变流器拓扑如图2-2所示,可以看作3个半桥的DC-AC变流器组成,拓扑两侧分别为三相交流侧和直流侧。
AC-AC变流器可以将输入的交流电变换为其他幅值和频率的交流电,在微电网中主要用于交流分布式电源/负载和交流微电网的连接。和DC-AC变流器类似,根据交流电的相数,AC-AC变流器可以分为单相AC-AC变流器和三相AC-AC变流器。此外,根据变流器内部是否有直流环节,AC-AC变流器可以分为直接方式(无中间直流环节)和间接方式(有中间直流环节)。典型的三相背靠背变流器如图2-3所示,可以看作由一台AC-DC变流器和一台DC-AC变流器组成。变流器两侧为交流输入侧和交流输出侧,中间包括直流环节。
图2-1 单相DC-AC变流器拓扑
图2-2 三相DC-AC变流器拓扑
图2-3 三相背靠背变流器
DC-DC变流器可以实现直流变流,能够将一定幅值的直流电变换成另一幅值的直流电,一般用于将光伏、电池等直流源接入直流微电网母线。DC-DC变流器根据是否包含电气隔离环节分为非隔离型变流器和隔离型变流器。非隔离型变流器常用Buck或Boost变流器,隔离型变流器微电网中使用频率较高的两种DC-DC变流器分别为双向有源桥变流器与LLC谐振变流器,它们的结构分别如图2-4~图2-6所示。
图2-4 Buck及Boost变流器原理图
双向有源桥变流器可以看作一个整流环节和一个逆变环节,输入直流侧将直流电逆变成一个交流电,这个交流电再经过隔离变压器后,整流成输出直流侧的直流电压。在这个过程中,可以通过调节两个全桥电路的相位差来控制变流器输出功率的大小和流向,实现功率的双向流动。因此双向有源桥变流器在微电网中常用于需要实现功率双向流动的场景。
图2-5 双向有源桥变流器原理图
图2-6 LLC谐振变流器原理图
LLC谐振变流器的关键在于谐振网络,谐振网络由电容 C r 、电感 L r 和电感 L m 组成。通过调节变流器的开关频率,使得谐振电路在不同的频率下工作,从而改变变流器的输出电压或电流。此外,谐振电路工作在特定频率下时,使得电流和电压为正弦波,从而在一定条件下实现了变流器的软开关,降低了变流器的损耗,提高了变流器的效率。但另一方面,谐振电路需要工作在特定频率下,当变流器的电压电流等级提升时,谐振电路中电感、电容的选型更加困难。
在电力电子变流器中,电平用于描述变流器输出电压所具有的离散等级数目,根据微电网中所需应用场景和性能要求,可以采用不同数量的电平来实现不同电压等级的功率变换。
两电平变流器受限于开关管的耐压能力,往往用于电压等级较低的微电网中。如2.1.1节所示,两电平变流器有着半桥拓扑和全桥拓扑,此处以半桥电路为例说明两电平变流器的原理。不同开关状态下半桥电路的对应电路如图2-7所示,图中蓝线为电流可能的流向。因为电路中两个开关管同时导通会导致电路短路,需要避免这种开关状态,因此半桥电路总共由3种开关状态。可以看到,开关状态1中,交流侧的电压为+ V dc ,开关状态2中,交流侧的电压为 -V dc ;开关状态3中,交流侧和直流侧断开连接,对应的总结见表2-1。因此半桥电路只能输出± V dc 这两种电平,所以半桥电路为两电平变流器。
表2-1 半桥变流器的开关状态
图2-7 两电平变流器的开关状态
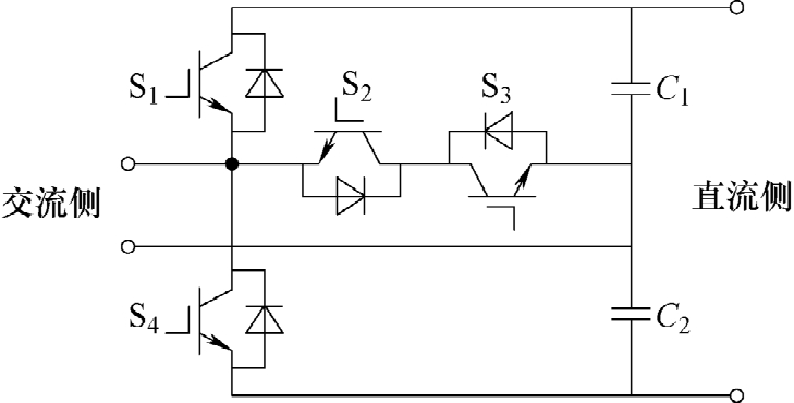
为提高变流器的耐压等级,实现变流器在更高电压微电网中的应用,文献[1]提出了多电平变流器。多电平变流器有着多种拓扑结构,包括T型三电平、I型三电平、MMC、级联H桥等。其中T型三电平和I型三电平常用于微电网中低压等级的DC-AC能量变换,而MMC和级联H桥往往用于中高电压等级的DC-AC能量变换。此处主要介绍T型三电平和I型三电平的变流器结构。
T型三电平电路的结构如图2-8所示,和两电平电路类似,同样包括交流侧和直流侧。不同的是,T型三电平包括了4个开关管(S 1 ~S 4 )。
图2-8 T型三电平变流器
为避免直流侧的直通,T型三电平电路中S 1 和S 3 开关信号互补,S 2 和S 4 互补,因此可以得到不同开关状态下变流器的导通线路如图2-9所示。开关状态1中,交流侧的电压为+ V dc ,开关状态2中,交流侧的电压为 -V dc ;开关状态3中,交流侧和直流侧中点相连,交流侧输出为0。对应的总结见表2-2。因此,T型三电平电路可以输出± V dc 、0这三种电平。
表2-2 T型三电平变流器的开关状态
图2-9 T型三电平变流器导通线路
I型三电平电路的结构如图2-10所示,和两电平电路类似,同样包括交流侧和直流侧。不同的是,I型三电平包括了4个开关管(S 1 ~S 4 )。I型三电平可以输出零电平,具体说明如下:
为避免直流侧的电压直接加压在钳位二极管上,I型三电平电路中S 1 和S 3 开关信号互补,S 2 和S 4 互补,且S 1 和S 4 不能同时导通。因此可以得到不同开关状态下变流器的导通线路如图2-11所示。可以看到,开关状态1中,交流侧的电压为+ V dc ,开关状态2中,交流侧的电压为 -V dc ;开关状态3中,交流侧和直流侧中点相连,交流侧输出为0,对应的总结见表2-3。需要说明的是,根据电流方向的不同,开关状态3的导通路径有两种,见图2-11c和d。因此,I型三电平电路可以输出± V dc 、0这三种电平。
图2-10 I型三电平变流器
表2-3 I型三电平变流器的开关状态
图2-11 I型三电平变流器导通线路