



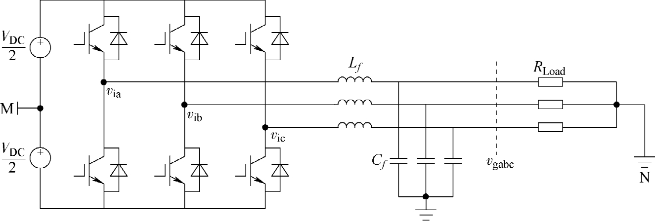
本次仿真任务要求在仿真软件PLECS中搭建一台三相电压型变流器的模型,并且在SPWM的调制方法下,使用电压开环的策略完成对三相DC-AC变流器的控制。三相电压型变流器的结构如图2-38所示,仿真参数见表2-5。
图2-38 三相电压型变流器结构图
表2-5 仿真任务参数
(1)基本要求
1)以图2-38的电路拓扑结构为基础,根据表2-5的仿真参数,利用SPWM的调制方法,设计三相电压型变流器的开环控制。在dq轴下给定参考电压值,然后采用坐标反变换,生成所需的abc三相正弦交流调制波电压。
2)三相正弦调制波电压经过归一化之后,与开关次的载波进行比较,加入系统的延时之后生成开关信号。
3)观测波形:使用三相电表测量负载电压和负载电流,注意参考电位点。验证仿真得到的输出波形是否与理论相符,能否跟随给定的参考电压。
(2)深入研究问题
探究dq0坐标系下的给定直流电压幅值与abc坐标系下正弦交流电压幅值的关系。
(3)仿真提示
1)PWM调制部分可以选用PLECS中的Symmetrical PWM调制模块。在该模块中,设置三角载波的幅值为1,PWM调制输出为1和0两种布尔值,载波频率20kHz。
2)dq坐标旋转角 θ 可以用三角波发生器(triangular wave generator)生成。
首先使用三角波发生器生成dq坐标系的旋转角 θ ,如图2-39所示。
图2-39 dq坐标系的旋转角
在dq坐标系下输入参考电压,再经过Park反变换至abc坐标系下,经归一化后生成的三相调制波如图2-40所示。变流器的输出电压经滤波后生成的波形如图2-41所示。
图2-40 三相调制波
图2-41 变流器输出电压