



电路电流是无形的,需要通过专用的仪器测量才能对其进行分析。电路有串联与并联两种类型。复杂的电路是由多条支路串并联汇集而成。本次学习任务通过学习万用表的使用,测量电路的基本物理量,学会通过使用万用表测量出电路是处于通路、短路还是断路的状态,进而完成电路故障的排查;并在欧姆定律的基础上,结合串并联电路中电压电流的规律来解决串并联电路中较复杂的电学问题。
1.能讲述汽车电路中基本物理量的定义与换算关系。
2.能运用欧姆定律对电路物理量进行熟练换算。
3.能讲述串联电路、并联电路以及混联电路特点以及工作原理。
1.能正确使用数字万用表测量电路的基本物理量(电流、电压、电阻等)及计算方法。
2.能用万用表测量串并联电路电阻参数。
3.能进行混联电路的简单故障排除。
1.规范实训7S管理。
2.培养自主学习、团队合作能力。
3.崇尚劳动,形成敢创新、敢挑战、爱岗敬业的职业精神。
电路的特性是由电流、电压和电功率等物理量来描述的。电路分析的基本任务是计算电路中的电流、电压和电功率。
1.电流
什么是电流?我们知道,水能在管中的流动,称为水流。同样,电子也能在导线中流动,这种电子的流动就叫作电流,如图2-2-1所示。电流是电荷(带电粒子)有规则的定向运动而形成的。
图2-2-1 水流与电流的产生
当我们闭合电源开关的时候,电灯就会发光,电炉就会发热,电动机就会转动,这是因为在电路中有电流通过的缘故。
(1)电流的大小和单位 表征电流强弱的物理量叫作电流强度,简称电流,用字母“ I ”表示。电流强度在国际上定义为单位时间内通过导线某一截面的电荷量。数学表达式为 I = Q / t 。
在国际单位制(SI)中,电流的单位名称是安培,简称安,用符号A表示。并规定每秒通过导线截面的电量为1库伦时的电流为1安
。电流的单位也可用千安(kA)、毫安(mA)、微安(μA)表示,它们之间的换算关系为
1kA=1000A 1A=1000mA 1mA=1000μA
(2)电流的方向 实际上,导体中的电流是由负电荷在导体中流动形成的,而习惯上规定正电荷运动的方向或负电荷运动的相反方向作为电流的方向(实际方向)。因此导体中的电流不仅具有大小,而且具有方向性。
大小和方向都不随时间而变化的电流称为恒定直流,简称直流(Direct-Current,DC),其波形如图2-2-2所示。方向始终不变,大小随时间而变化的电流称为脉动直流电流(Pulsation Direct-Current),其波形如图2-2-3所示。大小和方向均随时间变化的电流称为交流电流,通常其大小和方向随时间做周期性变化,简称交流,其波形如图2-2-4所示。
图2-2-2 直流电流波形
图2-2-3 脉动直流电流波形
图2-2-4 交流电流波形
(3)电流产生的条件
1)必须具有能够自由移动的电荷(金属中只有负电荷移动,电解液中为正负离子同时移动)。
2)导体两端存在电压差(要使闭合回路中得到持续电流,必须要有电源)。
3)电路须为通路。
(4)电流的三大效应
1)热效应。导体通电时会发热,把这种现象叫作电流热效应。例如电阻通电后会发热。
2)磁效应。1820年丹麦物理学家奥斯特意外发现:载流导线的电流会作用于磁针,使磁针改变方向,这就是电流的磁效应。电流的磁效应是指任何通有电流的导线,都可以在其周围产生磁场的现象,例如继电器线圈通电后,会产生磁吸力。
3)化学效应。电的化学效应主要是电流中的带电粒子(电子或离子)参与而使得物质发生了化学变化,例如蓄电池的充电过程。
2.电压与电动势
如图2-2-5所示,高度不同产生压力不同,产生了势能,导致水的流动。电压也是一样,因为两点间存在电势差,导致了正的带电离子从高电势向低电势流动,从而形成电流。电流形成的根本原因是具有回路的导体两端存在电势差,我们常见的干电池、锂电池和铅酸电池,两接线端子都存在电压。
电压是用来表示电场力移动电荷做功本领的。在物理上定义为a、b两点之间的电压 U ab ,在数值上就等于电场力将单位正电荷 q 从a点移到b点所做的功,数学表达式为 U ab = W ab / q 。
图2-2-5 水压与电压的产生
电动势是用来表示电源移动电荷做功本领的物理量,用字母“ E ”表示。电源的电动势,在数值上等于电源把单位正电荷从负极b(低电位)经由电源内部移到电源的正极a(高电位)所做的功。
(1)电压的单位和大小
在国际单位制(SI)
中,电压和电动势的单位都是伏特(焦耳/库仑),简称“伏”,用大写字母“V”表示。1伏特等于对1库仑的电荷做了1焦耳的功,即1V=1J/C。其单位还有千伏(kV)、毫伏(mV)和微伏(μV),它们的换算关系如下:
1kV=1000V 1V=1000mV 1mV=1000μV
(2)电压的方向 电压的实际方向规定为:由高电位(“+”极性)端指向低电位(“-”极性)端,即电位降低的方向。电源电动势的实际方向规定为:在电池内部由低电位(“-”极性)端指向高电位(“+”极性)端,即电位升高的方向。
(3)电位的概念 在电路中选定一个参考点(即零电位点),则电路中某一点与参考点之间的电压即该点的电位,单位也是伏特。
参考点(零电位)的选择:在电力电路中常以大地作为参考点;电子电路中常以多条支路汇集的公共点或金属底板、机壳等作为参考点;在汽车电路中常以金属车身作为参考点,连接的是蓄电池的负极,通常称作搭铁。
3.电路的电阻
管路大小对水流有阻碍作用,同样,物质也能对电流产生阻碍作用,我们称其是该作用下的电阻物质,如图2-2-6所示。电阻将会导致电子流通量的变化,电阻越小,电子流通量越大,反之亦然。没有电阻或电阻很小的物质称其为电导体,简称导体,如金、银、铜、铁等;不能形成电流传输的物质称为电绝缘体,简称绝缘体,如玻璃、橡胶等。
(1)电阻的单位和大小 导体对电流的通过具有一定的阻碍作用,称为电阻,用字母 R 表示,单位是欧姆,简称欧,通常用希腊字母Ω表示。电源内部的电阻称为内阻,电源以外导线及负载的电阻称为外电阻。在汽车上,常见的电阻有点火线圈电阻、继电器线圈电阻、喷油器线圈电阻等,如图2-2-7所示。较大的电阻也可以用千欧(kΩ)或兆欧(MΩ)作为单位。它们之间的关系为
图2-2-6 水流与电流的阻碍
图2-2-7 继电器线圈电阻
1MΩ=1000kΩ 1kΩ=1000Ω
电阻反映了导体的导电能力,是导体的客观属性,它的大小与导体的材料、长度,以及导体横截面积有关,还与导体所处的环境温度有关。实验结果表明,在保持温度不变的条件下,导体的电阻跟导体的长度成正比,跟导体的横截面积成反比,并与导体的材料性质有关,即
式中, ρ 为导体电阻率,单位为Ω·m,它与导体的几何形状无关,而与导体材料的性质和导体所处的条件有关(如温度); l 为导体长度,单位为m; S 为导体横截面积,单位为m 2 。
(2)电阻的标注方法
1)文字符号法:用阿拉伯数字和文字符号在电阻器表面直接标出标称阻值和允许误差,如图2-2-8所示。
2)色环法:用不同颜色的环在电阻器的表面标出标称阻值和允许误差,色环的数目常见的有4种或5种,如图2-2-9所示。
图2-2-8 电阻值标法
注:图中5W代表电阻的额定功率为5W,5Ω代表电阻值为5Ω,J代表误差为±5%。
图2-2-9 色环电阻
色环与数字的对应关系见表2-2-1。
表2-2-1 色环与数字的对应关系
首先,确定有 n 个色环。其次,第一环表示的数值连接第二环表示的数值……连接到第( n -2)环表示的数值乘以10的第( n -1)环表示的数值次方。最后一环表示精度,如图2-2-10所示。
图2-2-10 色环标注阻值读取
色环电阻的读取
(1)电功 电功就是电流通过导体时所做的功;电流做功的过程是电能转化为其他形式的过程。它是一段导体中电压、电流和时间的乘积,数学表达式是 W = UIt ,单位是焦耳(J)。电功的测量一般用电能表。图2-2-11是家用电能表,也称电度表。
图2-2-11 家用电能表
(2)电功率 电功率是表示电流做功快慢的物理量,即电流在单位时间内完成的功。数学表达式是 P = W / t = UI ,单位是瓦特(W),简称“瓦”。比如某灯泡标示“12V10W”,表示的是该灯泡工作在12V电压下消耗的功率为10W。功率常用的单位还有kW(千瓦)、mW(毫瓦),它们的换算单位为
1kW=1000W 1W=1000mW
欧姆定律
电压、电流和电阻这三者在同一电路中互相之间有什么关系呢?德国物理学家乔治·西蒙·欧姆1826年4月发表的《金属导电定律的测定》论文提出:在同一电路中,导体中的电流跟导体两端的电压成正比,跟导体的电阻阻值成反比,这就是欧姆定律,基本公式是 I = U / R 。其中,电流 I 的单位是安培(A),电压的单位是伏特(V),电阻的单位是欧姆(Ω)。
数字万用表为一种多用途电子测量仪器,可以用于电流、电压、电阻的测量,一般被视为万用表的基本功能。除此之外,数字万用表还可以测量更多的度量,包括:电感(单位H)、电容(单位F)、温度(单位℃或℉)、频率(单位Hz)、占空比(%)、闭合角DWELL(汽车数字万用表)、转速TACH(汽车数字万用表)、hFE(晶体管放大倍数)。汽车检修中常用的数字万用表如图2-2-12所示,在本门课程的任务实施中所用的实训用数字万用表如图2-2-13所示。
图2-2-12 汽车数字万用表
数字万用表使用前,应认真阅读有关的使用说明书,熟悉电源开关、量程开关、插孔、特殊插口的作用。
1)按下<POWER>键启动万用表,检查9V电池,如果电池电压不足,将显示在显示器上,这时则需更换电池。
2)表笔插孔旁边的符号表示输入电压或电流不应超过指示值,这是为了保护内部线路免受损伤。
图2-2-13 实训用数字万用表
3)测试之前,功能开关应置于所需要的量程。
数字万用表相对来说,属于比较简单的测量仪器。下面介绍数字万用表的正确使用方法。从数字万用表的电压、电阻、电流、二极管、晶体管测量等测量方法入手,让学生更好地掌握万用表测量方法。
(1)电压的测量
1)直流电压的测量。用数字万用表测量直流电压如图2-2-14所示。首先将黑表笔插进“COM”孔,红表笔插进“VΩ”。把旋钮选到比估计值大的量程(注意:表盘上的数值均为最大量程,“V-”表示直流电压档;“V~”表示交流电压档;“A”是电流档),接着把表笔接电源或电池两端;保持接触稳定。数值可以直接从显示屏上读取,若显示为“1.”,则表明量程太小,那么就要加大量程后再测量。如果在数值左边出现“-”,则表明表笔极性与实际电源极性相反,此时红表笔接的是负极。
图2-2-14 用数字万用表测量直流电压
2)交流电压的测量。表笔插孔与直流电压的测量一样,不过应该将旋钮打到交流档“V~”处所需的量程即可,交流电压无正负之分,测量方法跟前面相同。无论测交流还是直流电压,都要注意人身安全,不要随便用手触摸表笔的金属部分。
(2)电流的测量
1)直流电流的测量。直流电流的测量如图2-2-15所示。先将黑表笔插入“COM”孔,若测量大于200mA的电流,则要将红表笔插入“20A”插孔并将旋钮打到直流“20A”档;若测量小于200mA的电流,则将红表笔插入“200mA”插孔,将旋钮打到直流200mA以内的合适量程。调整好后,就可以测量了。将万用表串进电路中,保持稳定,即可读数。若显示为“1.”,则就要加大量程;如果在数值左边出现“-”,那么表明电流从黑表笔流进万用表,如图2-2-15。
图2-2-15 直流电流的测量
2)交流电流的测量。交流电流的测量方法与直流电流的测量方法类似,不过档位应该打到交流档位,电流测量完毕后应将红笔插回“VΩ”孔。
注意: 若用电流档直接测电压会造成万用表彻底报废和人身伤害!
(3)电阻的测量 将表笔插进“COM”和“VΩ”孔中,把旋钮打旋到“Ω”中所需的量程,如图2-2-16所示,用表笔接在电阻两端金属部位,测量中可以用手接触电阻,但不要把手同时接触电阻两端,因为人体相当于一个大电阻,这样会影响测量精确度。读数时,要保持表笔和电阻有良好的接触;在“200”档时单位是“Ω”,在“20k”到“200k”档时单位为“kΩ”,“20M”以上的单位是“MΩ”。
图2-2-16 数字万用表测量电阻
注意: 在测量电阻时应关闭电源!否则会影响读数或损坏万用表!
串并联电路
将灯泡甲、乙首尾依次连接在有电源、开关的电路中,如图2-2-17所示。电路只有一条路径,任何一处断开都会出现断路,可以用下列方法排除串联电路故障:用一根导线逐个跨接开关、用电器,如果电路形成通路,就说明被短接的那部分接触不良或损坏。
图2-2-17 串联电路
串联电路电压规律:串联电路两端的总电压等于各用电器两端电压之和,即
U = U 1 + U 2 +…+ U n
串联电路电流规律:串联电路中的电流处处相等,即
I = I 1 = I 2 =…= I n
因此各个电阻的电压之比等于电阻之比,即
U 1 : U 2 : U 3 = IR 1 : IR 2 : IR 3 = R 1 : R 2 : R 3 (分压)
因此各个电阻的功率之比也等于电阻之比,即
P 1 : P 2 : P 3 = I 1 2 R 1 : I 2 2 R 2 : I 3 2 R 3 = R 1 : R 2 : R 3
串联电路的特点如下:
1)电流只有一条通路。
2)开关控制整个电路的通断。
3)各用电器之间工作状况相互影响。
并联电路是指:在构成并联的电路元器件间,电流有一条以上的相互独立通路,如图2-2-18所示。电路可分为干路和支路,一条支路断开,另一条支路还可以形成电流的通路,所以不可以用短接法排除电路故障。
图2-2-18 并联电路
1.并联电路规律
1)并联电路中各支路的电压都相等,并且等于电源电压,即
U = U 1 = U 2 =…= U n
2)并联电路中的干路电流(或说总电流)等于各支路电流之和,即
I = I 1 + I 2 +…+ I n
3)并联电路中的总电阻的倒数等于各支路电阻的倒数和。
若有 n 个相同电阻并联,则
4)并联电路中的各支路电流之比等于各支路电阻的反比,即
I 1 : I 2 = R 2 : R 1
5)并联电路中各支路的功率之比等于各支路电阻的正比,即
P 1 : P 2 = R 2 : R 1
2.并联电路的特点
1)电路有若干条通路。
2)干路开关控制所有的用电器,支路开关控制所在支路的用电器。
3)各用电器相互无影响。
混联电路是由串联电路和并联电路组合在一起的特殊电路,如图2-2-19所示。混联电路的主要特征就是串联分压,并联分流。
图2-2-19 混联电路
1)混联电路的计算,在串联部分中遵守以下规律:
①电流: I = I 1 = I 2 = I 3 =…= I n 。
②电压: U = U 1 + U 2 + U 3 +…+ U n 。
③电阻: R = R 1 + R 2 + R 3 +…+ R n 。
2)在并联部分中遵守以下规律:
①电流: I = I 1 + I 2 + I 3 +…+ I n 。
②电压: U = U 1 = U 2 = U 3 =…= U n 。
③电阻:
。
在分析混联电路时,应从内分析到外、从小分析到大。
1.两个电阻值完全相等的电阻,若并联后的总电阻是10Ω,则将它们串联的总电阻是( )。
A.5Ω
B.10Ω
C.20Ω
D.40Ω
2.一条导线的电阻是 R ,把它对折分成等长的两段后,再把这两段并联起来使用,这时电阻是( )。
A.
B.
C.2 R
D.
3.有4个电阻,电阻值都是 R ,把它们并联起来,总电阻是( )。
A.4 R
B.
C.
D.2 R
4.“220V、100W”的灯泡与“220V、40W”的灯泡串联后,接在电压为220V的电源上时,则( )
A.40W的灯泡比较亮
B.100W的灯泡比较亮
C.两个灯泡同样亮
D.两个灯泡同样暗
5.一个“220V、40W”的灯泡,其灯丝的电阻为( )Ω。
A.5.5
B.100
C.880
D.1210
6.混联电路是指( )。
A.串联电路
B.并联电路
C.既有串联又有并联的电路
D.其他
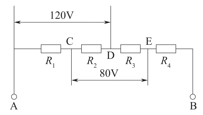
7.已知在图2-2-20串联电路中: R 2 = R 4 , U AD =120V, U CE =80V,则A、B间电压 U AB =( )。
A.20V
B.200V
C.160V
D.120V
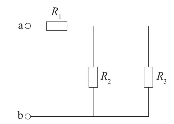
8.电路如图2-2-21所示, R 1 = R 2 = R 3 =100Ω,则a、b间的总电阻为( )。
A.100Ω
B.150Ω
C.200Ω
D.300Ω
图2-2-20 串联电路
图2-2-21 混联电路
9.串联电路的特点是( )
A.电压处处相等
B.电流处处相等
C.电阻处处相等
D.没有特点
10.并联电路的特点是( )
A.各支路电压处处相等
B.电流处处相等
C.电阻处处相等
D.没有特点
1.万用表能测量电流、电压、电阻,不能测量功率。( )
2.电流具有热效应、磁效应和化学效应。( )
3.某四色环电阻的色环为:红、黑、橙、金,则该电阻的阻值为10kΩ。( )
4.电路中的电阻与电流成反比,与电压成正比。( )
5.电阻值的大小与电阻本身的材料、电阻的长度、横截面积有关系。( )
6.并联电路有若干条通路。( )
7.串联电路的电压处处相等。( )
8.并联电路各用电器之间相互影响。( )
9.不管是串联、并联还是混联电路,电路中的总功率等于各用电器的功率之和。( )
10.串联电路电流只有一条通路。( )