



执行器在控制器输出电路的控制下工作,将控制参量迅速调整到设定的值,以使控制对象工作在设定的状态。汽车电子控制系统执行器按照执行机构动作所用驱动装置的结构原理不同,主要分为电动机类和电磁阀类两种。还有一类执行器不产生动作,例如:点火线圈、加热器、显示器、各种指示/警告灯等。
电动机类执行器有普通直流电动机和步进电动机两种(图1-73),其作用是按ECU输出的控制信号迅速、准确动作,将控制参量迅速调整到目标范围之内。
1. 普通直流电动机
普通直流电动机通电后产生持续的旋转运动,通过机械传动装置带动执行机构工作。在汽车电子控制系统中,采用普通直流电动机作为驱动装置动力的执行器较多,例如:燃油喷射电子控制系统中的燃油泵、电子节气门驱动装置、巡航控制系统驱动装置、电子控制悬架系统空气压缩机驱动电动机、电控悬架刚度/阻尼调节驱动器等。
图1-73 汽车电子控制系统用电动机
a)直流电动机 b)步进电动机
直流电动机的基本组成及工作原理与起动机的直流电动机相同,需要正反转控制的电动机,其控制方式与电动车门、电动车窗、电动后视镜等的电动机一样,也是通过控制通电的励磁绕组(双励磁绕组的直流电动机)或电枢电流的方向(永磁式直流电动机),实现电动机转动方向控制的。
相比于励磁式直流电动机,永磁式电动机结构尺寸小,工作可靠性好,因而在汽车电子控制系统中应用较多。励磁式直流电动机磁极绕组通常采用并联方式,其电路原理如图1-74所示。
图1-74 励磁式直流电动机电路原理
在汽车上使用的励磁式直流电动机还有串励和复励两种。串励式直流电动机其励磁绕组与电枢串联,起动机使用的就是直流串励电动机;复励式电动机有分别与电枢串联和并联的两个励磁绕组,刮水器中的励磁式电动机在低速档工作时,就是复励式电动机。
2. 步进电动机
步进电动机按“步”转动,可控制其转动的角度和转向,通过机械传动实现控制参量的调节作用和定位控制。一些汽车发动机的怠速控制阀采用步进电动机驱动。
与普通直流电动机相比,步进电动机的结构与工作原理均有较大的差别。
普通直流电动机:其磁极产生磁场,通电的电枢绕组在磁场中受到 安培力 的作用而产生电磁转矩,电枢在电磁转矩的作用下转动起来。
步进电动机:其磁极是多个N、S极相间排列的永久磁铁,两个定子各有两个绕组,各有一个线圈通电时也将铁心磁化成N、S极相间排列。通过步进电动机驱动脉冲,使定子上所有N、S极逐步移动,对转子的N、S极产生 磁力作用 ,使转子随定子磁极逐步转动。
(1)步进电动机的组成与结构特点
步进电动机主要由永久磁铁的转子和绕有两个绕组的定子组成,其组成部件及内部电路如图1-75所示。
图1-75 步进电动机的组成与内部电路
a)转子与定子 b)内部电路
1—转子 2—定子A 3—定子B 4—爪极 5—定子绕组B 1 、B 2 —电源端子S 1 、S 2 、S 3 、S 4 —控制端子
步进电动机的转子为永久磁铁,有8对磁极,其N极和S极相间排列。定子有A、B两个,每个定子的铁心有8对爪极;每个定子有两个绕向相同,但工作时电流方向相反的绕组。当A、B两个定子各有一个绕组通电时,两定子的铁心均被磁化为8对磁极,A、B两个磁极就形成了16对(32个)磁极(图1-76)。当A定子或B定子中的两个绕组交换通断电状态时,由于换成了电流方向相反的绕组通电,定子的铁心磁化极性反向,使定子32个磁极的排列发生变化,就像是定子磁极整体向一个方向移动了一步(1/32圈)。例如,A定子交换通电的绕组,铁心磁化极性反向,上面的爪极为N极,下面的爪极为S极,定子32个磁极整体向右移动了1/32圈(图1-76中的4)。
图1-76 步进电动机定子磁极的形成
1—定子A 2—定子B 3—S 1 、S 2 通电定子磁极排列 4—S 2 、S 3 通电定子磁极排列
(2)步进电动机按步转动过程
当定子绕组按S 1 、S 2 、S 3 、S 4 输入转动控制脉冲(图1-77)时,每个转动位置A、B两定子均有一个绕组通电,两定子形成32个磁极。设转子转动一步前S 1 与S 4 两绕组通电,定子磁极的排列与转子的位置如图1-78a所示;当S 2 通电脉冲输入时,就变成了S 2 与S 4 两绕组通电,定子32个磁极的极性排列发生改变(1-78b),形成与转子磁极同性相斥、异性相吸的磁力作用,使转子转动至其N、S极又与定子的异性磁极相对应的位置(1-78c),电动机完成一步转动。
图1-77 步进电动机转动控制脉冲
0—转动前 1—转动一步 2—转动二步 3—转动三步 4—转动四步
定子的4个绕组按S 1 、S 2 、S 3 、S 4 的顺序输入通电脉冲,就可使电动机逐步(1/32圈)转动。
图1-78 步进电动机的工作原理
a)转动一步前 b)开始转动 c)转动一步后
1—转动前定子磁极排列 2—转动前转子磁极位置 3—转动一步定子磁极排列 4—转动后转子磁极位置
在发动机电子控制系统中,电磁阀应用较多。根据电磁阀动作方式的不同分,可将电磁阀分为直动式电磁阀和转动电磁阀两大类。
1. 直动式电磁阀
直动式电磁阀其线圈通电后,其阀体产生直线运动。喷油器、直动式怠速控制阀、废气再循环电磁阀、炭罐通气电磁阀等均为此类电磁阀。
直动式电磁阀主要由线圈、铁心和弹簧等组成,如图1-79所示。当线圈通电时,线圈产生电磁力,铁心就会在电磁力的作用下克服弹簧力而轴向移动,通过与铁心连接的阀杆带动阀芯或滑阀做出相应的控制动作。
直动式电磁类执行机构按其工作方式分,有开关式、定位式和脉动式等。
(1)开关工作方式
执行机构电磁线圈只有通电和不通电两个工作状态,控制脉冲如图1-80a所示。执行机构由弹簧力保持初始状态,由电磁线圈通电产生的电磁力克服弹簧力产生控制动作,并通过电磁线圈持续通电保持动作后的状态。
图1-79 直动电磁阀的基本组成
1—接线端子 2—弹簧 3—线圈 4—铁心 5—阀杆
(2)定位工作方式
执行机构电磁线圈电流大小由控制器控制,电磁线圈在不同的电流下产生大小不同的电磁力,与弹簧力平衡后实现不同程度的动作。定位工作方式的电磁线圈电流大小控制有两种方式,一种是控制持续的稳定电流大小,另一种是通过占空比脉冲(图1-80b)控制平均电流的大小。
持续电流控制方式下,控制器通过驱动电路控制电磁阀线圈的电流大小,其控制的驱动电路较为复杂,而用占空比信号控制电磁线圈的平均电流,控制器输出一个的通断脉冲信号,驱动电路就是一个晶体管开关电路,比较简单。
占空比信号脉冲是一种脉冲频率固定,脉冲宽度可变的控制信号,占空比就是信号脉宽与周期的比。控制器通过输出占空比信号来控制电磁阀线圈的通断电比率,以控制其平均电流,或控制电磁阀开与关的比率,实现对执行器的相关控制。
(3)脉动工作方式
执行机构电磁线圈也只有通电和不通电两个工作状态,但电流以占空比脉冲的方式流经电磁线圈,通过执行机构动作前后比率来实现对目标参量的控制。
图1-80 直动式电磁阀的控制方式
a)开关控制方式 b)占空比控制方式
2. 旋转式电磁阀
旋转式电磁阀通电工作时,其阀体做相应的转动。一些发动机怠速控制阀采用了旋转式电磁阀。
(1)旋转式电磁阀的组成与结构特点
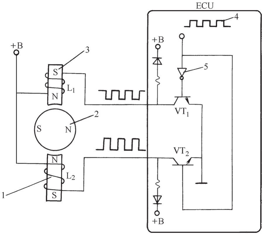
旋转电磁阀的主要部件是带动阀转动的转子和定子,其组成与电路原理如图1-81所示。
图1-81所示的旋转电磁阀其转子为永久磁铁,定子绕有两个匝数相同且对称布置的电磁线圈,通电后两电磁线圈所产生的电磁力对转子的作用力方向相反。
图1-81 旋转式电磁阀电路原理
1、3—定子 2—转子(永久磁铁)4—控制信号(占空比信号)5—反相器
(2)旋转式电磁阀的工作原理
ECU输出占空比脉冲信号,此控制信号通过VT 1 、VT 2 组成的驱动电路控制电磁阀线圈L 1 、L 2 的通断电。由于控制信号到VT 1 基极经反相器反相,因此,从晶体管VT 1 、VT 2 集电极输出的是相位相反的控制脉冲。
当控制信号占空比为50%时,一个脉冲周期VT 1 、VT 2 的导通相位相反,但导通时间相同。L 1 、L 2 的通电时间各占一半,两线圈的平均电流相同,产生相同大小的电磁力,对转子的作用力互相抵消,所以这时的转子在原来的位置保持不动。
当控制信号占空比大于50%时,L 2 通电时间大于L 1 ,通过L 2 的平均电流大于L 1 ,两线圈产生的磁场合力使转子沿一个方向转动一个角度。
当控制信号占空比小于50%时,L 1 的通电时间大于L 2 ,通过L 1 的平均电流大于L 2 ,两线圈产生的磁场合力则使转子按相反的方向转动一个角度。
占空比与50%的差距越大,转子转动(正转或反转)的角度也越大。控制器就是通过输出占空比不同的脉冲信号,实现对转动电磁阀的旋转角度及转动方向的控制。
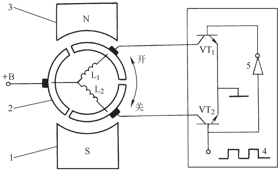
图1-82所示是转动电磁阀另一种结构形式,这种电磁阀的定子是永久磁铁,转子绕有两个匝数相同且对称布置的电磁线圈,线圈电流通过电刷和滑片引入。这种转动电磁阀的工作原理与转子是永久磁铁、定子有电磁线圈的转动电磁阀完全相同。
图1-82 定子为永久磁铁的旋转式电磁阀电路原理
1、3—定子(永久磁铁)2—转子 4—控制信号(占空比信号)5—反相器