



电动汽车的电磁干扰源大致可以分为3类,即车载干扰源、自然干扰源和人为干扰源,如图2-11所示。自然干扰源是指由自然现象引起的电磁干扰;人为干扰源是指由汽车外部人工装置产生的电磁干扰;车载干扰源主要是指车上各种电气系统产生的电磁干扰。下面主要以新能源汽车车载干扰源进行分析,车载干扰源主要有电机驱动系统、动力电池系统、电力电子装置(DC-DC变换器、AC-DC整流器、DC-AC逆变器)、电动辅助系统。电压和电流的快速暂态会产生辐射和噪声,特别是电力电子装置的快速整流、电机起动、高压辐射,更会引起较高场强的传导及辐射干扰。
图2-11 电磁干扰源分类
(1)高压系统干扰源
高压系统产生电磁干扰的主要原因是功率器件的快速通断产生大的电流变化d i /d t 和电压变化d u /d t ,高压功率器件主要包括驱动电机控制器IGBT、高低压DC-DC变换器和充电机的MOSFET。功率器件的电流等级为200~900A,电压等级为400~1200V,开关频率为10~100kHz。IGBT梯形波及其频谱分布如图2-12所示。关于高压功率器件IGBT和MOSFET通断产生的电磁干扰,将在第3~5章详细介绍。
(2)低压系统干扰源
低压控制器如VCU、BMS等电磁干扰源主要是数字芯片高速开关信号、低压电源DC-DC芯片和时钟信号,时钟信号波形及其频谱分布如图2-13所示。此外,低压控制器PCB的电源完整性和信号完整性也必须关注,相关内容将在第6、7章介绍。
图2-12 IGBT梯形波及其频谱分布
图2-13 时钟信号波形及其频谱分布
整车电磁干扰的传播途径有两个:一个是传导发射,电磁干扰噪声通过高低压线缆束和金属连接体(如金属机箱、金属连接件等)进行传播;另一个是辐射传播,电磁干扰噪声在空间以电磁感应和电磁辐射两种方式进行传播。因此,电磁干扰耦合途径分为传导耦合和辐射耦合。按电磁干扰模式分为差模干扰和共模干扰。
1. 传导耦合
车辆线束众多,因此线缆是传导耦合的重要载体,通常是系统中最长的部分,甚至可以等效为天线接收和发射电磁噪声。因为假设电缆比波长短,电路间的耦合可以用导体间的集总电容和电感来表示,然后可以用普通的网络理论来分析电路。传导耦合可分为公共阻抗耦合、电容性耦合和电感性耦合。
(1)公共阻抗耦合
车辆内多个电子电气部件使用同一个车载低压电源或高压动力电池供电,电源的内阻抗及它们所共用的电源线的阻抗就成为这些部件的公共阻抗。如果多个部件使用同一条地线接(搭铁),则地线的阻抗也会成为这些部件的公共阻抗。电路性公共耦合是最常见的传导耦合方式,其中至少存在两个相互耦合的电路。图2-14所示电路就是一种典型的通过接地公共阻抗的传导耦合方式,整车的接地点以及接地方式会影响电路性耦合。
图2-14 公共接地耦合阻抗电路
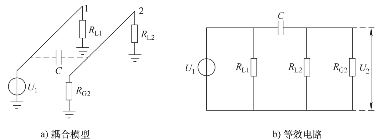
(2)电容性耦合
线缆束之间、线缆与金属车体之间和不同空间安装的控制器金属机箱之间,通常存在电容性耦合。电容性耦合是电路间电场相互作用的结果。图2-15a表示一对平行导线间的电容耦合,其等效电路如图2-15b所示。导体1上的电压 U 1 作为干扰源,导体2视为受影响的电路或接收器,导体2与接地之间产生的噪声电压 U 2 可以表示为
式(2-1)表明,噪声电压 U 2 与噪声源的频率 ω 、受影响电路对地的电阻 R G2 、导体1和导体2之间的互电容 C 以及电压 U 1 的大小成正比。假设噪声源的电压和频率不变,接收器电路可以在较低的电阻水平下工作,或者可以减小互电容的电容量 C ,电容 C 的电容量可以通过适当改变导体的方向、屏蔽或物理分离导体来减小。
图2-15 两根导体间的电容性耦合
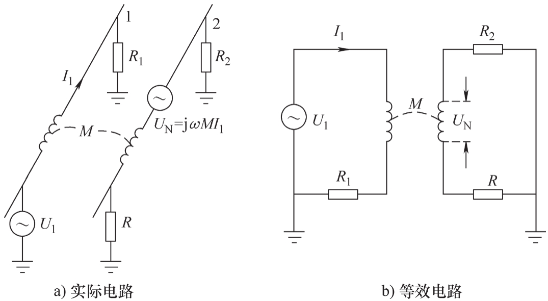
(3)电感性耦合
线缆束之间(特别是高低压线束之间)通常存在电感性耦合,电感性耦合是指通过交变电流的导体在其周围会产生交变磁场,进而在周围的闭合电路产生感应电动势。两电路间的电感性磁耦合如图2-16所示, I 1 是干扰电路中的电流, M 是两电路间的互感,噪声电压 U N 为
图2-16 两电路间的电感性磁耦合
如果电流在双绞线中流动而不是通过接地平面,则可以通过电路的物理分离或通过扭转电源线来减小 M 。可以通过将导体放在离地平面更近的地方(如果回流通过地平面)或使用两个绞合在一起的导体(如果回流是在一对导体上而不是在地平面上)来减小接收器电路的面积,以减小互感 M 。
2. 辐射耦合
电场和磁场的结合,称为电磁耦合或辐射。近场分析时通常分别考虑电场和磁场,而对于远场分析则考虑电磁场情况。当敏感部件处于电磁干扰源的远场区时,电磁干扰以空间电磁波的形式耦合到敏感部件,这种传输方式称为辐射耦合。
(1)天线与天线的辐射耦合(天线辐射耦合)
天线辐射耦合就是经过天线接收电磁波。各种天线是电磁波辐射效果最大的设备,而且布线、结构件、元件和部件等只要满足辐射条件,都会起到发射天线与接收天线的作用。在实际工程中,车辆内存在大量的天线辐射耦合。例如,长的电源线、信号线、控制线、输入和输出引线等具有天线效应,能够接收电磁干扰,形成天线辐射耦合。
(2)场与电缆的耦合
许多电磁干扰是通过电磁场对电缆导线的耦合途径发生的,其耦合机理比较复杂,干扰传播途径也比较隐蔽,包括感应耦合、高频辐射场、孔缝泄漏场对导线的耦合等,场对线可能存在的多种耦合组合,如图2-17所示。
图2-17 场对线耦合的多种组合
(3)导线间的耦合
电缆中导线之间的耦合干扰是最常见的干扰耦合模式之一,它是系统内部设备之间进行电磁兼容分析的典型干扰方式。电磁干扰的耦合路径统计结果如图2-18所示。由图可知,导线间的耦合(导线耦合)最为严重,占60%,是电磁兼容设计中必须认真对待的问题之一。
图2-18 电磁干扰的耦合路径统计结果