



无论复合式还是整体式轨道梁,都要求在恒温车间进行整梁的机加工和功能件/功能区的装配。这就意味着当在工程中采用复合或整体式轨道梁时,需要在沿线一定距离内建造大型的恒温机加工车间,对于磁浮长大干线工程来说,会大大提高工程造价。在一些运输条件较差的区域施工时,轨道梁的运输也存在困难。叠合式轨道梁就是针对这种情况提出的,其核心思想是较低制造精度的支承梁与高精度轨道/轨道板相结合,在现场施工时将二者连接为整体。
事实上,上海磁浮线在跨越川杨河和浦东运河时,由于所需的净跨径超出标准轨道梁跨径,已经进行了以钢结构为支承梁的叠合式轨道梁结构的初次尝试。为了跨越通航河道,上海磁浮线的浦东运河桥和川杨河桥均设计为三跨连续梁桥。根据河流的通航要求,两座桥梁的跨径布置分别为26.789m+45.408m+26.789m及23.22m+34.056m+23.22m。为达到施工精度要求,常用跨度轨道梁中预埋连接件的定位与功能件的安装均需要在工厂完成,而三跨连续梁跨径较大,无法在工厂完成整梁制造。浦东运河和川杨河上均采用了如图3-9所示的轨道结构,上层为轨道板,下层的支承梁为三跨连续钢箱梁,A、B轨支承梁之间采用钢横梁连为整体,轨道板与支承梁之间通过工字钢断面的连接机构相连接,连接机构的下翼缘与支承梁之间采用螺栓连接,连接机构的上翼缘焊有剪力钉,待轨道板就位后,在后浇孔中采用混凝土将轨道板与连接机构连接为整体。
图3-9 上海磁浮线叠合式轨道梁
图3-10 叠合式轨道梁
从上可见,叠合式轨道梁的设计思想是将轨道梁分为轨道板与承重梁两部分,其中轨道板由工厂预制,承重梁为常规的连续梁结构,采用工厂预制、现场制作或拼装等施工方法,将轨道板与支承梁之间通过连接机构在现场连接,形成叠合式轨道梁。其断面布置如图3-10所示。
叠合式轨道梁通常由三部分组成:下层承重梁、带有功能区的上层轨道板和二者之间的连接机构。下层承重结构采用常规的预应力混凝土梁或钢梁,混凝土梁可以在工厂或现场预制,也可以现场现浇,钢梁可以工厂制造结合现场组焊。上层轨道板以6.192m或3.096m作为一个系统单元,在工厂制作并进行机加工。将工厂预制的轨道板运至现场,与已经施工完成的下层承重梁通过连接机构将上下层连接起来,形成叠合式轨道梁结构。
叠合式轨道梁有以下特点:
(1)轨道板在工厂预制,承重结构在现场预制、现浇或组拼,解决了长距离运输问题,对于部分运输困难地区,具有一定的优势。
(2)轨道板体积和系统长度较小,所需要的机加工车间和的数控机床的规模相对较小。
(3)轨道板的系统长度为6.192m或3.096m,连接件或功能区钢结构的预埋精度较容易保证。
(4)叠合式结构要在现场将上、下层结构连接起来,增加了现场测量和精调工作。
(5)叠合式轨道梁总体高度较复合式轨道梁和整体梁高,在景观方面显得不够轻巧。
由于轨道板的重量是支承梁需要额外承担的荷载,因此单根梁的材料成本较复合式轨道梁和整体梁有所增加,但综合考虑运输、安装和机加工等方面的因素,在运输和加工条件受限的区域,叠合式轨道梁仍是一种可以考虑的结构型式。
由于叠合式轨道梁需要在现场将上层轨道板和下层支承梁连接为一体,对于曲线梁,如果采用与复合式轨道梁同样的方式将轨道横坡角设置在支承梁上,则对支承梁的制造要求较高,且增加现场施工难度。因此,将横坡设置在轨道板上,而支承梁可采用直壁箱形梁。其基本型式如图3-11所示。基于成本因素,通常采用常规的预应力混凝土直壁箱梁。在支承梁与轨道板H型钢的连接处预留孔,用于浇捣与轨道板连接的支承台。与轨道板上的预留孔相同,支承梁上预留孔中的钢筋不切断。支承梁上预留的插筋与轨道板的预留孔结合,在两侧的连接机构固定后,同样灌注混凝土,完成轨道板与支承梁之间的固结。
图3-11 预应力混凝土承重梁
考虑到长线高架线路可能将电缆布置在双线轨道梁之间,综合考虑施工和受力要求,承重梁的底板做成等厚度,宽度为3.3m。一种典型的24.768m简支或双跨连续承重结构的技术性能指标见表3-1,标准横断面如图3-12所示。
表3-124.768m预应力承重结构技术性能指标
(续表)
图3-1224.768m预应力混凝土承重结构横断面
对于曲线上的承重梁,有两种处理方案:第一种方案为承重梁不随线路横坡变化,横断面始终保持水平;第二种方案为承重梁随横坡变化,标准横断面与线路横坡保持一致。第一种方案优点在于整个承重梁的横断面可以保持一致,模板制作相对较为简单;由于上层轨道板倾斜角度与线路横坡相同,考虑到车辆限界的要求,曲线上的承重梁的顶面宽度要小于直线上的承重梁,横向两侧的动力轨位置也不对称,给动力轨支架的设计和安装都带来困难。第二种方案整个横断面随线路横坡倾斜,支点位置通过底部的异形牛腿使支座顶面保持水平,由于上层轨道板与承重梁的横坡一致,承重梁顶面宽度与直线上的承重梁相同,动力轨位置相对于承重梁的顶面也是对称的。
如前所述,叠合式轨道梁的上层为轨道板。除了用于叠合梁之外,轨道板还可用于桥上轨道、低置线路轨道和隧道内,此时也称为轨道板梁。
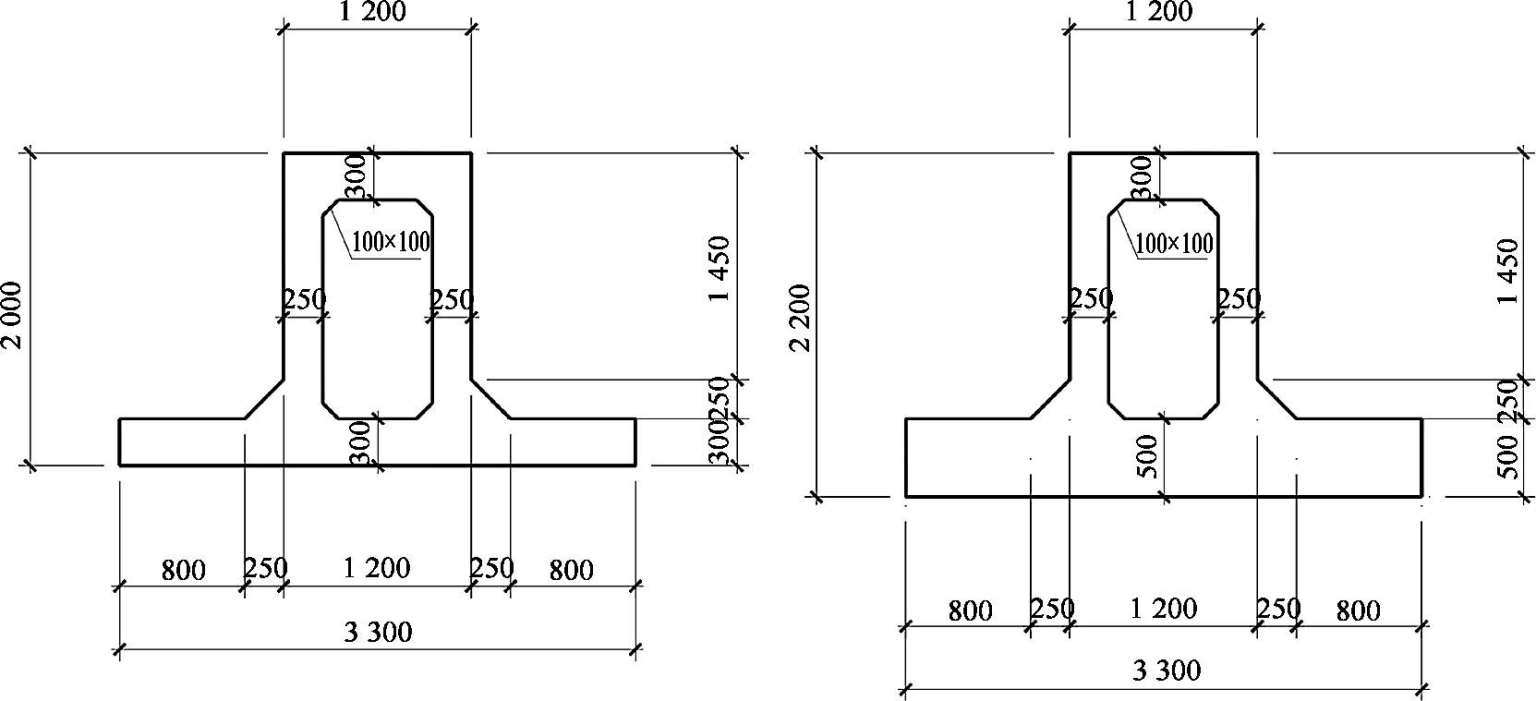
混凝土轨道板的系统长度一般为6.192m,对于平曲线半径较小的路段可采用系统长度为3.096m的混凝土板。根据功能区钢结构与混凝土板连接方式不同有两种轨道板方案:第一种方案为复合式方案,即钢筋混凝土板梁主体与两侧功能件分开制作、加工,混凝土板梁两侧预埋连接件,功能件及连接件机加工完成后,用高强螺栓连成一体,其构造如图3-13所示;第二种方案为整体式方案,将功能区钢结构预埋在钢筋混凝土板中,整体进行浇筑,混凝土板制作完成后再进行功能面的机加工和定子铁心的安装,其构造如图3-14所示。
图3-13 复合式钢筋混凝土轨道板(单位:mm)
钢轨道板可将主体钢结构与功能区设计成为整体,为全焊钢结构,制作完成后进行功能面的机加工,其构造如图3-16所示。为了减轻结构的重量,降低制造难度,还可以采用钢框架形式,如图3-17所示。
图3-14 整体式钢筋混凝土轨道板(单位:mm)
图3-15 整体式钢筋混凝土轨道板
图3-16 整体式钢轨道板(单位:mm)
图3-17 钢框架式轨道板
叠合式轨道梁的轨道板与支承梁之间通过连接机构连接为一个整体,连接机构将轨道上传来的列车荷载传递到支承梁,竖向主要传递列车荷载,纵向还要承受列车的驱动和制动荷载,横向承受作用在列车上的风荷载和列车的横向摇摆力的作用。在保证连接机构有效传递荷载的同时,应尽可能减小由于其自身约束产生的额外的附加力,比如温度力应该得到很好的释放。
温度应力的计算结果表明,由于上部轨道板和支承梁之间的温差将导致连接机构中产生较大的应力,但是因为温度引起的变形较小,对于横向H型钢连接机构来说,可以利用H型钢腹板本身的弹性变形来释放温度应力(图3-18),上海磁浮线叠合式轨道梁的连接机构就采用这种方式。从上海磁浮线的实践经验来看,这种方式是可行的。
借鉴铁路轨排的经验,我们还提出了一种沿线路纵向埋设H型钢,并以扣件固定的连接机构。在线路 y 、 z 两个方向上,通过扣件扣紧,在纵向 x 方向上,扣件允许产生一定的位移,以达到释放温度应力的效果。扣件型式的连接结构型式如图3-19所示。
图3-18 横向犎型钢连接机构
图3-19 纵向犎型钢连接机构