



铸造工业是指生产各种金属铸件的制造业。作为全球经济建设中的基础产业,铸造工业对世界经济的发展及应用领域的繁荣发挥着重要作用。中国是世界铸造大国之一,涉及汽车、机床、电力、泵阀、市政、矿山冶金、重型机械等多个行业。
在《2017年国民经济行业分类》(GB/T 4754—2017)中,铸造工业归属于金属制品业,可分为黑色金属铸造(C3391)和有色金属铸造(C3392)。黑色金属铸造是指铸铁件、铸钢件等各种成品、半成品的制造;有色金属铸造是指有色金属及其合金铸件等各种成品、半成品的制造。铸造生产工艺有很多种,不同工艺又由不同的生产工序构成,其中金属熔炼、炉前处理、浇注、清理和后处理是各种不同铸造工艺共有的工序。铸造生产主要工序及其产生的大气污染物如下:
·金属熔炼。金属熔炼是指通过加热使金属炉料转变为熔融状态,并调整到铸件所需成分的过程。根据熔炼设备的不同,该工序产生的大气污染物种类各异,主要有粉尘、SO 2 、NO x 和金属蒸汽等。
·造型。造型是指用铸造材料及模样等工艺装备制造铸型的过程。根据铸型使用材料的不同,可将其分为砂型、熔模、消失模(含V法造型)、金属型等多种铸型。该工艺产生的大气污染物种类不同,主要有粉尘、VOCs、烟尘或尘雾(主要成分是硅氧化物)。
·制芯。制芯是将芯砂制成符合芯盒形状砂芯的过程。按固化方式不同,制芯的方法有两种,分别是热芯盒法和冷芯盒法。该工艺产生的大气污染物主要是粉尘和VOCs。
·浇注。浇注是指将熔融金属从浇包注入铸型的过程。由于浇注温度较高,会产生大量的高温粉尘,同时铸型中会产生苯、甲苯、酚、甲醛和多环芳烃等有机物污染物。
·落砂。落砂是指用手工或机械方法使铸件与型(芯)砂分离的过程。铸件冷却后进行落砂,将铸件与砂型分离,其后还要进行喷丸、抛丸、切割浇冒口、打磨等清理工序。在这些工序中,大气污染物排放均以粉尘为主,产生的粉尘量较大。
·砂处理及废砂再生。砂处理是指根据工艺要求对造型用砂进行配料和混制的过程;废砂再生是指用焙烧、风吹、水洗或机械等方式处理废砂,使其性能达到能代替新砂的过程。该工序的主要大气污染物为粉尘。
·铸件热处理。铸件热处理是采用热处理工艺使铸件获得需要的力学性能或达到使用要求的过程。热处理一般采用电热式。电热式基本没有污染物产生,但采用燃气加热炉时会有粉尘、NO x 和SO 2 产生。
·表面涂装。表面涂装是指为保护或装饰加工对象,在加工对象表面覆以涂料膜层的过程。该工序会排放苯、甲苯、二甲苯等VOCs和酸雾、碱雾。
为贯彻《中华人民共和国环境保护法》《中华人民共和国大气污染防治法》,防治环境污染,改善环境质量,促进铸造工业技术进步和可持续发展,生态环境部大气环境司、法规与标准司组织辽宁省环境科学研究院、中国铸造协会、沈阳铸造研究有限公司、中国环境科学研究院共同制定了我国首个铸造工业大气污染物排放标准。2020年11月26日,生态环境部正式批准,标准名称为《铸造工业大气污染物排放标准》(GB 39726—2020)。2020年12月8日,生态环境部联合国家市场监督管理总局正式发布该标准,新建企业自2021年1月1日起实施,现有企业自2023年7月1日起实施,不再执行《工业炉窑大气污染物排放标准》(GB 9078—1996)和《大气污染物综合排放标准》(GB 16297—1996)中的相关规定。
《铸造工业大气污染物排放标准》(GB 39726—2020)规定了铸造工业大气污染物排放控制、监测和监督管理要求等。该标准适用于现有铸造工业企业或生产设施的大气污染物排放管理,以及铸造工业建设项目的环境影响评价、环境保护设施设计、竣工环境保护验收、排污许可证核发及其投产后的大气污染物排放管理。
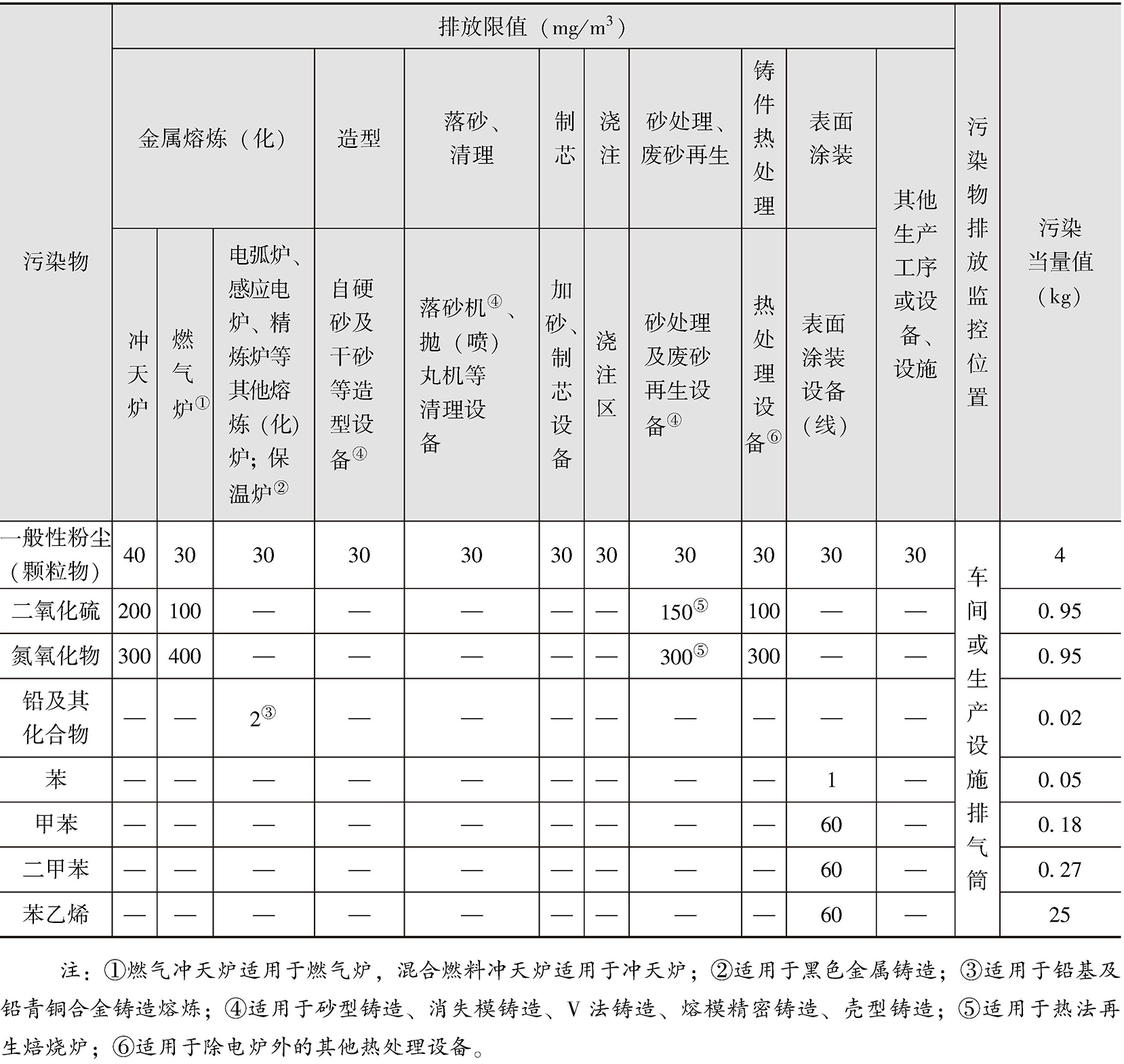
《铸造工业大气污染物排放标准》规定了铸造工业企业及其生产设施排入大气中的12种污染物监测项目,其中一般性粉尘(颗粒物)、二氧化硫、氮氧化物、苯、甲苯、二甲苯、苯乙烯、铅及其化合物为《中华人民共和国环境保护税法》中规定的应税污染物,其排放限值及污染当量值见表2-2。
表2-2 铸造工业应税污染物排放限值及污染当量值
冲天炉及燃气炉的大气污染物实测排放浓度,应按式(2-1)换算为基准含氧量状态下的大气污染物基准排放浓度,并以此作为达标判定依据。
式中: C 基 ——大气污染物基准排放浓度,mg/m 3 ;
C 实 ——大气污染物实测排放浓度,度,mg/m 3 ;
O 基 ——干烟气基准含氧量,%;
O 实 ——干烟气实测含氧量,%。
排气筒中大气污染物的采集按照GB/T 16157—1996、HJ/T 397—2007、HJ 732—2014、HJ 75—2017及《固定污染源废气中非甲烷总烃排放连续监测技术指南(试行)》的规定执行。对于排放强度呈周期性波动的污染源,污染物排放监测时段应涵盖其排放强度较大的时段。企业边界大气污染物的监测采样按HJ/T 55—2000的规定执行。
企业应按照《环境监测管理办法》和HJ 819—2017等有关法律、规定,建立企业监测制度,制订监测方案,对大气污染物排放状况开展自行监测,保存原始监测记录,并公布监测结果。企业安装大气污染物排放自动监控设备,按《污染源自动监控管理办法》等有关法律、规定执行。企业应按照环境监测管理规定和技术规范的要求,设计、建设、维护永久性采样口、采样测试平台和排污口标志。大气污染物监测应在规定的监控位置进行,有废气处理设施的,应在处理设施后进行监测。
大气污染物的污染当量数,以该污染物的排放量除以该污染物的污染当量值计算。每种应税大气污染物的具体污染当量值见表2-2。每一排放口或者没有排放口的应税大气污染物,按照污染当量数从大到小排序,对前三项污染物征收环境保护税。
电池工业是指采用正极活性材料、负极活性材料,配合电介质,以密封式结构制成的,具有一定公称电压和额定容量的化学电源,以及将太阳辐射能直接转换成电能的太阳电池的制造业。
电池制造业在我国既是传统产业,又是新能源产业的重要组成部分,与新能源汽车、可再生能源、现代电子信息、新材料、装备制造等战略性新兴产业关联紧密。电池生产企业产生的废气主要有电池各生产工序产生的粉尘、硫酸雾,包装工序产生的有机废气,以及燃煤或燃油锅炉产生的二氧化硫、氮氧化物、烟尘等废气。
为贯彻《中华人民共和国环境保护法》《中华人民共和国大气污染防治法》《中华人民共和国水污染防治法》《中华人民共和国海洋环境保护法》等法律法规,保护环境,防治污染,促进电池工业生产工艺和污染治理技术的进步,环境保护部科技标准司组织中国轻工业清洁生产中心、轻工业化学电源研究所、环境保护部环境标准研究所共同制定了《电池工业污染物排放标准》(GB 30484—2013)。环境保护部于2013年12月16日批准该标准,电池工业新建企业自2014年3月1日起,现有企业自2014年7月1日起,大气污染物排放控制按此标准的规定执行,不再执行《大气污染物综合排放标准》(GB 16297—1996)中的相关规定。
《电池工业污染物排放标准》(GB 30484—2013)规定了电池
工业企业大气污染物排放限值、监测和监控要求,以及标准的实施与监督等。该标准适用于电池工业企业或生产设施的大气污染物排放管理,电池工业企业建设项目的环境影响评价、环境保护设施设计、竣工环境保护验收及其投产后的大气污染物排放管理,以及法律允许的污染物排放行为。新设立污染源的选址和特殊保护区域内现有污染源的管理,按照《中华人民共和国大气污染防治法》《中华人民共和国水污染防治法》《中华人民共和国海洋环境保护法》《中华人民共和国固体废物污染环境防治法》《中华人民共和国环境影响评价法》等法律法规的相关规定执行。
《电池工业污染物排放标准》(GB 30484—2013)规定了电池工业污染物净化设施排放口的12种污染物监测项目,其中一般性粉尘(颗粒物)、氮氧化物、沥青烟、氯化氢、氯气、硫酸雾、氟化物、铅及其化合物、镉及其化合物、镍及其化合物、汞及其化合物为《中华人民共和国环境保护税法》中规定的应税污染物,其排放限值及污染当量值见表2-3。
表2-3 电池工业应税污染物排放限值及污染当量值
排气筒中大气污染物的监测采样按GB/T 16157—1996、HJ/T 397—2007及HJ 75—2017的规定执行。企业应按照有关法律和《环境监测管理办法》等规定,建立企业监测制度,制订监测方案,对污染物排放状况及其对周边环境质量的影响开展自行监测,保存原始监测记录,并公布监测结果。企业安装污染物排放自动监控设备,按有关法律和《污染源自动监控管理办法》的规定执行。企业应按照环境监测管理规定和技术规范的要求,设计、建设、维护永久性采样口、采样测试平台和排污口标志。对企业排放废气的采样,应根据监测污染物的种类,在规定的污染物排放监控位置进行,有废水、废气处理设施的,应在处理设施后进行监控。
大气污染物的污染当量数,以该污染物的排放量除以该污染物的污染当量值计算。每种应税大气污染物的具体污染当量值见表2-3。每一排放口或者没有排放口的应税大气污染物,按照污染当量数从大到小排序,对前三项污染物征收环境保护税。
船舶工业包括船舶制造、船舶修理、船舶拆解、船舶配套设备制造等行业。在船舶制造业中,钢质船舶制造是主体,其他的金属或非金属船舶制造占比很小。钢质船舶制造的主要原料是钢材和船用涂料,产生的主要污染物是除锈粉尘和涂装有机废气;钢质船舶的修理及改装产生的主要污染物与前者相同;船舶拆解产生的主要污染物是固体废弃物。
为贯彻《中华人民共和国环境保护法(试行)》,防治船舶工业废水、废气对环境的污染,1984年5月18日,中华人民共和国城乡建设环境保护部正式发布《船舶工业污染物排放标准》(GB 4286—84),并于1985年3月1日起实施。
《船舶工业污染物排放标准》(GB 4286—84)适用于全国船舶工业的船厂、造机厂、仪表厂、武备厂等。船舶工业大气污染物排放标准分为二级:第一级是指所有新建、改建、扩建的企业,自该标准实施之日起立即执行;第二级是指所有现有企业,自该标准实施之日起立即执行。
《船舶工业污染物排放标准》(GB 4286—84)规定了船舶工业企业及其生产设施排入大气中的4种污染物监测项目,即一般性粉尘(颗粒物)、苯、甲苯和二甲苯,均为《中华人民共和国环境保护税法》中规定的应税污染物,其应税污染物排放限值及污染当量值见表2-4。
表2-4 船舶工业应税污染物排放限值及污染当量值
污染物采集与监测,依据《船舶工业污染物监测分析方法》进行。
大气污染物的污染当量数,以该污染物的排放量除以该污染物的污染当量值计算。每种应税大气污染物的具体污染当量值见表2-4。每一排放口或者没有排放口的应税大气污染物,按照污染当量数从大到小排序,对前三项污染物征收环境保护税。