



PWM整流器用全控型功率开关器件取代前述整流电路中的半控型器件或二极管,以PWM斩波取代相控或不控,可大幅提升控制性能:①网侧功率因数控制;②能量双向传输控制;③较快的动态响应能力。
根据直流侧储能元件不同,可将PWM整流器分为电压源型和电流源型两类,本节以电压源型的电路为例,介绍单相和三相全桥电压型PWM整流电路的构成及其工作原理。
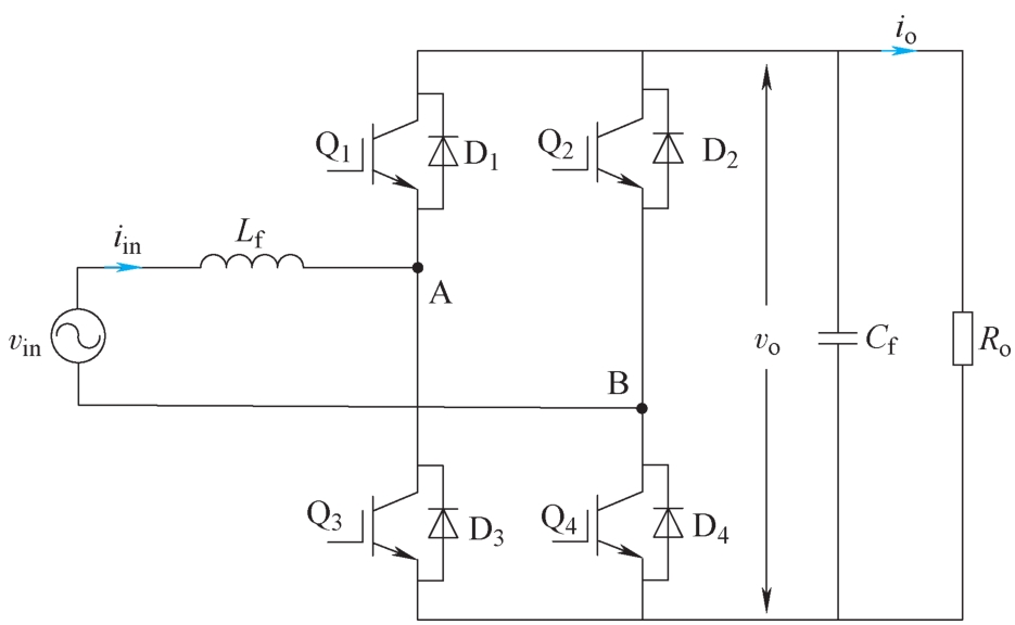
图2.12为单相全桥(H桥)电压源型PWM整流电路,也称为“功率因数校正器(Power Factor Correction, PFC)”,图中, v in 、 L f 和 i in 分别为整流电路的交流电源电压、交流侧集总电感以及交流电流; v o 、 i o 和 C f 分别为直流侧电压、电流以及电容,直流侧电容 C f 用以滤波和储能,从而使直流侧输出呈低阻抗的电压源特性。
在图2.12中,设 V in 为电网电压矢量、 V AB 为交流侧A、B两点之间电压矢量、 V Lf 为电感电压矢量。PWM整流器控制的主要目标是对交流电流(也即电感电流)进行控制,其工作原理的分析可借助交流侧元件的电压/电流关系进行。忽略电网谐波影响,以电网电压矢量作为参考,借助对交流侧电压矢量 V AB 的控制来实现对变流器交流电流的间接控制。
图2.12 单相全桥(H桥)电压源型PWM整流电路
对交流侧回路采用KVL(基尔霍夫电压定律),可得
基于电感
L
f
的电压电流关系
,可得整流器交流侧电压矢量
V
AB
端点的运动轨迹是以
为半径的圆,如图2.13所示,为全功率因数范围下整流器交流侧电压稳态运行矢量关系图,整流器交流侧电压矢量
V
AB
端点轨迹上有4个特殊的运行工作点A、B、C、D,下面对工作状态进行分析。
(1)如图2.13a所示,当整流器交流侧电压矢量
V
AB
端点工作在A处时,交流电流矢量
I
in
和电网电压矢量
V
in
之间相角差为-90°,此时整流器只从电网吸收感性无功功率,可等效为纯电感;当交流侧电压矢量
V
AB
的端点位于
段时,整流器从电网吸收有功功率和感性无功功率,为阻感性整流运行,能量从电网流向整流器直流侧。
(2)如图2.13b所示,当整流器交流侧电压矢量
V
AB
端点工作在B处时,交流电流矢量
I
in
和电网电压矢量
V
in
同向,整流器只从电网吸收有功功率,可等效为纯电阻,即实现了单位功率因数运行;当交流侧电压矢量
V
AB
的端点位于
段时,整流器从电网吸收有功功率和容性无功功率,为阻容性整流运行,能量从电网流向整流器直流侧。
(3)如图2.13c所示,当整流器交流侧电压矢量
V
AB
端点工作在C处时,交流侧电流矢量
I
in
和电网电压矢量
V
in
相差为90°,整流器只从电网吸收容性无功功率,可等效为纯电容;当交流侧电压矢量
V
AB
的端点位于
段时,电网侧从整流器直流侧吸收有功功率和容性无功功率,为阻容性逆变运行,能量从整流器直流侧流向电网。
(4)如图2.13d所示,当整流器交流侧电压矢量
V
AB
端点工作在D处时,交流电流矢量
I
in
和电网电压矢量
V
AB
相差为180°,电网只从整流器直流侧吸收有功功率,可等效为负电阻。当交流侧电压矢量
V
AB
的端点位于
段时,电网从整流器直流侧吸收有功功率和感性无功功率,为阻感性逆变运行,能量从整流器直流侧流向电网。
图2.13 交流侧电压稳态运行矢量关系图
单相全桥PWM整流器的开关工作状态也称为“开关状态”,假定开关状态[P]表示整流器一个桥臂的上管导通;开关状态[O]表示桥臂的下管导通。考虑到桥臂中两个开关管不能同时导通,可得单相全桥PWM整流器共有4种开关状态组合,见表2.1。当开关状态不同时,交流侧电压 v AB 存在 V o 、0、 -V o 3种电平。
表2.1 开关状态的定义
假设功率开关管为理想器件,以 i in 的方向为正进行说明,单相PWM整流器有4种工作模态,如图2.14所示。
图2.14 单相PWM整流器的4种工作模态
图2.14 单相PWM整流器的4种工作模态(续)
模态1 :对应开关状态[PP],如图2.14a所示,电压 v in 和电流 i in 同向。 i in 从D 1 管流入经Q 2 管返回,对电感 L f 储能;电容 C f 为负载 R o 供电,电容 C f 两端电压下降。
模态2 :对应开关状态[PO],如图2.14b所示。电感 L f 释能至直流侧, i in 经D 1 、D 4 管为电容 C f 充电,并为负载 R o 供电,且电容 C f 两端电压升高,能量从交流侧传送至直流侧。
模态3 :对应开关状态[OO],如图2.14c所示,电压 v in 和电流 i in 反向。 i in 从Q 3 管流入经D 4 管返回,电感 L f 释能至交流侧。
模态4 :对应开关状态[OP],如图2.14d所示。 i in 从Q 3 管流入,经Q 2 管为电感 L f 储能,并向电网供电,能量从直流侧传送至交流侧。
与之类似,当 i in 的方向为负时,可得到开关状态不同时直流侧电压 V o 的变化规律,总结见表2.2。
表2.2 开关状态对直流侧电压的影响
(续)
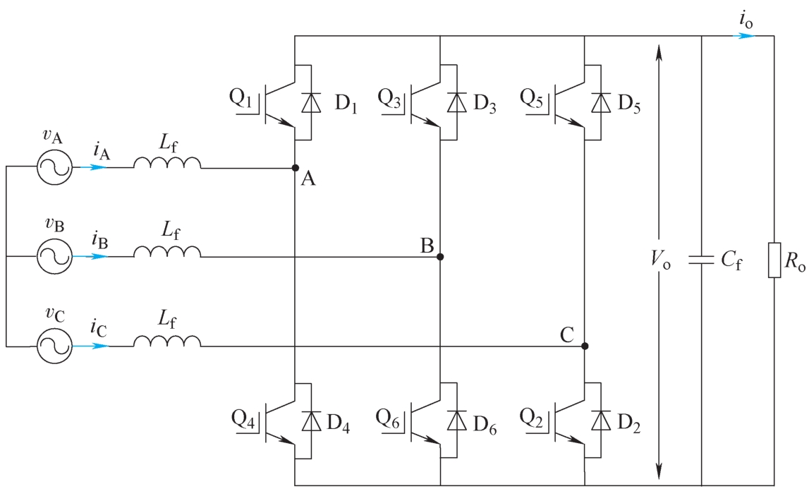
图2.15所示为最基本的三相全桥PWM整流电路,其应用也最为广泛。交流侧电感 L f 具有平衡和抑制高次谐波电流的作用,使交流侧输入的电流正弦化。直流侧电容 C f 用以滤除直流电流中的高次谐波分量,减小直流侧纹波。
图2.15 三相桥式PWM整流电路
对于三相电压源型PWM整流器,可以任意控制其输入电流的变化。以A相为例,三相电压源型PWM整流器整流运行时,若要控制A相电流正方向流动(即流入整流器,
i
A
>0)且幅值
增大时,必须要使Q
4
导通,而要使得A相电流正方向流动且幅值减小时,必须要关断Q
4
,使电流通过续流二极管D
1
;若要控制A相电流反方向流动(即流入整流器,
i
A
<0)且幅值增大时,必须要使得Q
1
导通,而要使A相电流反方向流动且幅值减小时,必须要关断Q
1
,使电流通过续流二极管D
4
。总之,对于三相电压源型PWM整流器上、下桥臂的通断,由
i
i
(
i
=A,B,C)和Δ
i
i
来共同决定。
和上述单相PWM整流电路工作原理类似,三相全桥PWM整流器是通过功率器件的开通/关断来改变交流侧电流 i A 、 i B 、 i C ,改变其与电网电压的相位关系,从而达到控制功率因数角的目的。而三相电压源型PWM整流器的开关状态可由调制波来决定,从而使得输入电流按给定规律变化,具体控制方法详见本书5.1.2节。
为便于换流模态分析,假设三相电网平衡,整流电路运行于单位功率因数状态。则在一个工频周期之内,可以划分为6个区域,如图2.16所示,每个区间均有固定的电流流向。下面对三相电压源型PWM整流器进行换流分析,以帮助理解电压源型PWM整流器的工作原理。以区间Ⅱ为例进行换流分析,由于网侧电流 i i 与对应电网电压 v i 同相位,此时有 i A >0、 i B <0、 i C <0,且三相电流的流向保持不变。图2.17给出了三相电压源型PWM整流器在此区间内的所有可能换流工作模态。
图2.16 三相桥式PWM整流电路工作过程相区划分
模态1
:如图2.17a所示,电流经过D
1
,流经直流侧电容与负载(电容充电),再经过D
6
和D
2
流回到B相和C相。此阶段
均减小。
模态2
:如图2.17b所示,电流经过D
1
,流经Q
5
回到C相;流经直流侧电容与负载(电容充电),再经过D
6
回到B相。此阶段
均减小,
增大。
模态3
:如图2.17c所示,电流经过D
1
,流经Q
3
回到B相;流经直流侧电容与负载(电容充电),再经过D
2
回到C相。此阶段
均减小,
增大。
模态4
:如图2.17d所示,整流器下桥臂器件均为关断状态,电流经过D
1
、Q
3
、Q
5
流回到B相和C相。此阶段
均增大,
减小。
模态5
:如图2.17e所示,整流器上桥臂器件均为关断状态,电流经过Q
4
、D
6
、D
2
流回到B相和C相。此阶段
均减小,
增大。
模态6
:如图2.17f所示,流经过Q
4
,流经D
6
回到B相;流经直流侧电容与负载(电容放电),再经过D
5
回到C相。此阶段
均增大,
减小。
模态7
:如图2.17g所示,流经过Q
4
,流经D
2
回到C相;流经直流侧电容与负载(电容放电),再经过Q
3
回到B相。此阶段
均增大,
减小。
模态8
:如图2.17h所示,电流经过Q
4
,流经直流侧电容与负载(电容放电),再经过Q
3
和Q
5
流回到B相和C相。此阶段
均增大。
图2.17 三相PWM整流器的8种工作模态
图2.17 三相PWM整流器的8种工作模态(续)
图2.17 三相PWM整流器的8种工作模态(续)
从这8种工作模态中电流的流向来看,模态4与模态5并未流经直流侧,没有整流的作用,但其存在的意义在于向电感充电,保障整流过程得以顺利运行。其他区间情况(运行阶段)类似这样分析,不再赘述。
基于前述三相PWM整流器开关模态的分析,可以看出,整流器的一个开关周期 T s 中,由于开关器件的输出寄生电容对开关换流过程(即工作模态之间切换的暂态过程)具有重要影响,不同的开关换流过程会带来不同的开关损耗。因此,有必要考虑开关器件寄生电容对工作模态的影响,以A相( i A >0)为例进一步详细阐述开关换流过程。
图2.18所示为三相PWM整流器A相开关换流过程等效电路,元件参考方向如图中箭头所示,其对应工作过程关键波形如图2.19所示。
阶段1 ( T 0 ~ T 1 ): T 0 时刻之前,对应初始开关状态如图2.18a所示。Q 1 反并联二极管导通D 1 ,经过死区延时 T d 到 T 1 时刻,Q 4 开通,如图2.18b所示, i Q4 和 i Q1 共同承担电流 i Lf 。
图2.18 三相PWM整流器A相开关换流过程等效电路
阶段2 ( T 1 ~ T 2 ): T 1 时刻,Q 4 开通,电流 i Q4 开始增大,电流 i Q1 开始减小; T 2 时刻,电流 i Q1 减小至零。
阶段3 ( T 2 ~ T 3 ): T 2 时刻,二极管D 1 中电流全部转移到S 4 中,S 4 中电流 i Q4 增大至 i Lf ,此后二极管进入反向恢复阶段,D 1 中电流 i Q1 开始反向增大,由于在1个开关周期内, i Lf 基本保持不变,导致S 4 中电流 i Q4 也继续增大,此期间 i Q4 的增加量是由二极管D 1 反向恢复电流 I rr 导致的; T 3 时刻,电流 i Q1 增大至反向恢复电流峰值 I rr ,同时,电流 i Q4 也增大至( i Lf + I rr )。
图2.19 PWM整流器A相驱动时序及关键波形
阶段4 ( T 3 ~ T 4 ): T 3 时刻起,二极管D 1 中反向恢复电流开始下降,则二极管D 1 端电压 V c1 开始上升; T 4 时刻,电流 i Q1 反向减小至零,电流 i Q4 正向减小至 i Lf ,表明反向恢复过程结束,二极管D 1 到开关管Q 4 换流完成,此阶段结束。
阶段5 ( T 4 ~ T 5 ):如图2.18c所示,D 1 关断,Q 4 完全导通阶段。此时, V C4 =0, V C1 = V 0 。 T 5 时刻,Q 4 开始关断,此阶段结束。
阶段6 ( T 5 ~ T 6 ):如图2.18d所示, T 5 时刻,电流 i Lf 给 C 4 充电, C 1 放电, V C4 从0开始增加,电流 i Q4 逐渐降低, V C1 从 V 0 开始减小, i Q1 逐渐增大; T 6 时刻, V C1 降为0, V C4 = V 0 ,此时Q 4 完全关断,D 1 自然导通,开关管Q 4 到二极管D 1 换流完成,此阶段结束。
阶段7 ( T 6 ~ T 7 ):如图2.18e所示, T 6 时刻起,D 1 导通续流,如果此阶段开通Q 1 ,Q 1 即为零电压开关(Zero-Voltage-Swtiching, ZVS)开通。 T 7 时刻,Q 1 ZVS开通,但由于电流 i A = i Lf >0,Q 1 的开通并不影响整流器工作状态。
根据上述分析,A相桥臂下开关管Q 4 存在一个硬开通(D 1 向Q 4 换流),即只要在 t 1 时刻开通Q 4 ,二极管D 1 就会经历反向恢复过程;二极管D 1 的反向恢复电流不仅流经D 1 ,还流经开关Q 4 ,引起D 1 的反向恢复损耗和Q 4 的开通损耗,这个换流过程称为换流类型Ⅰ。 t 3 时刻,Q 4 关断,电感电流 i Lf 给电容 C 4 充电、给 C 1 放电,借助寄生电容 C 1 和 C 4 的缓冲作用,Q 4 实现零电压(ZVS)关断,这个换流过程称为换流类型Ⅱ。一般来讲,换流类型Ⅰ可引入软开关技术来消除或减小换流损耗。
由上述工作模态换流分析可知,通过合理控制开关管的导通和关断时序,可控制每相输入电流的功率因数和波形质量,具体开关调制策略及其控制方法可分别详见本书4.1节和5.1.2节。
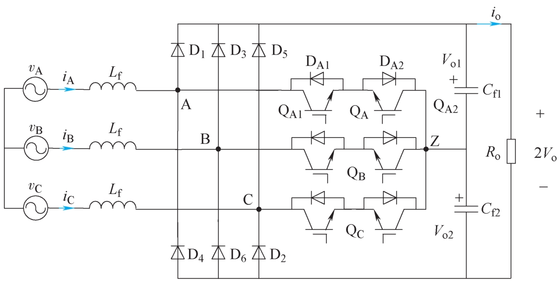
三相维也纳(Vienna)整流器是一种三电平整流器,可减小网侧电感大小和提升电流质量。
在图2.20所示的基本Vienna整流器中,主要有6个快恢复二极管(D 1 ~D 6 )、3个升压电感( L f )、3组双向开关(Q A 、Q B 、Q C )和2个输出滤波电容( C f1 、 C f2 )等构成。其中,双向开关(两个开关管共发射极串接而成)连接二极管桥臂中点和电容桥臂中点。
图2.20 三相Vienna整流器
为便于工作模态分析,如图2.16所示,将电网电压每个工频周期划分为6个间隔60°的区间,下面以 i A <0、 i B >0、 i C <0(即区间Ⅳ)的情况为例进行介绍,图2.21为该区间的工作模态。
模态1 :如图2.21a所示,此模态下Q A 、Q B 、Q C 均关断,有 v AZ = -V o2 、 v BZ = V o1 、 v CZ = -V o2 。同时,电源通过电感 L f 对电容 C f1 、 C f2 同时充电,但中点电压不变;由于水平开关管均为关断, i Z =0。
模态2
:如图2.21b所示,此模态下Q
A
与Q
B
关断,Q
C
导通,有
v
AZ
=
-V
o2
、
v
BZ
=
V
o1
、
v
CZ
=0。同时,电源通过电感
L
f
对电容
C
f1
充电、
C
f2
放电,导致
V
o1
增大,
V
o2
减小,中点电压降低;此时
i
Z
流出中点,有
。
模态3
:对应图2.21c,此模态下Q
B
开通,Q
A
与Q
C
关断,有
v
AZ
=
-V
o2
、
v
BZ
=0、
v
CZ
=
-V
o2
。同时,电源通过电感
L
f
对电容
C
f2
充电,
C
f1
对负载放电,导致
V
o2
增大,
V
o1
减小,中点电压升高;此时
i
Z
流入中点,有
。
模态4
:对应图2.21d,此模态下Q
A
关断,Q
B
与Q
C
开通,有
v
AZ
=
-V
o2
、
v
BZ
=0、
v
CZ
=0。同时,电源通过电感
L
f
对电容
C
f2
充电,
C
f1
对负载放电,导致
V
o2
增大,
V
o1
减小,中点电压降升高;此时由于
,使得
i
Z
流入中点,有
。
模态5
:对应图2.21e,此模态下Q
A
导通,Q
B
与Q
C
关断,有
v
AZ
=0、
v
BZ
=
V
o1
、
v
CZ
=
-V
o2
。同时,电源通过电感
L
f
对电容
C
f1
充电,
C
f2
对负载放电,导致
V
o1
增大,
V
o2
减小,中点电压降低;此时
i
Z
流出中点,有
。
模态6
:对应图2.21f,此模态下Q
A
与Q
C
导通,Q
B
关断,有
v
AZ
=0、
v
BZ
=
V
o1
、
v
CZ
=0。同时,电源通过电感
L
f
对电容
C
f1
充电,
C
f2
对负载放电,导致
V
o1
增大,
V
o2
减小,中点电压降低;此时
i
Z
流出中点,有
。
模态7
:对应图2.21g,此模态下Q
A
与Q
B
导通,Q
C
关断,有
v
AZ
=0、
v
BZ
=0、
v
CZ
=
-V
o2
。同时,电源通过电感
L
f
对电容
C
f2
充电,
C
f1
对负载放电,导致
V
o2
升高,
V
o1
降低,中点电压升高;此时由于
,使得
i
Z
流入中点,有
。
模态8 :对应图2.21h,此模态下Q A 、Q B 、Q C 均导通,有 v AZ =0、 v BZ =0、 v CZ =0。同时,电容 C f1 、 C f2 同时对负载放电,但中点电压不变;由于 i A + i B + i C =0,使得 i Z =0。
同理,可以得到其他区间的工作情况。
图2.21 i A <0、 i B >0、 i C <0运行阶段下的Vienna整流器工作模态
图2.21 i A <0、 i B >0、 i C <0运行阶段下的Vienna整流器工作模态(续)
图2.21 i A <0、 i B >0、 i C <0运行阶段下的Vienna整流器工作模态(续)
经以上分析可以看出,三相Vienna电路的电源中性点并没有直接与电容中性点Z相连,而是利用三相电流的对称性,在三相之间构成回路,从而完成对输入电感充能,对输出电容充电,对负载供电。由于三相的对称性,某一相的工作情况与单相Vienna电路的工作情况基本一致,因此在分析三相Vienna电路的工作特性时,利用单相Vienna电路进行等效,简化分析。
进一步地,为便于理解开关周期内Vienna整流器工作特性,下面以A相( i A <0)为例阐述Vienna整流器工作模态之间的开关换流过程。
图2.22所示为Vienna整流器A相开关换流等效电路(在理想状态下,电源中性点与Z点间的电位为零,图中将其相连,构造虚拟中性线,以便于分析),其对应工作过程关键波形如图2.23所示。
阶段1 ( T 0 ~ T 1 ): T 0 时刻之前,双向开关管Q A (Q A 2 、D A1 )导通,如图2.22a所示。电流首先从电源负端流向电容桥臂中点Z,然后经由双向开关Q A 流向A点,最后经过交流侧滤波电感 L f 返回电源正端。可以看出,电感电流 i Lf 与电流 i A 流向相同,因此电感电流始终小于零,并且电感电流持续反向增大储存能量。 T 0 时刻,双向开关管Q A 关断,如图2.22b所示。此阶段电感电流 i Lf 开始给 C A2 充电、 C 4 放电;同时 i Z 开始减小。
阶段2 ( T 1 ~ T 2 ):由于二极管D A1 存在反向恢复过程, i Z 减小到零后,存在反向恢复电流反向增大, T 2 时刻达到反向恢复电流峰值 I rr 。
图2.22 Vienna整流器A相开关换流过程等效电路
图2.23 Vienna整流器A相驱动时序及关键波形
阶段3 ( T 2 ~ T 3 ):二极管D A1 反向恢复电流达到峰值后开始减小, T 3 时刻, i Z 再次减小到零后意味着反向恢复过程结束。
阶段4 ( T 3 ~ T 4 ): T 3 时刻,电压 V C4 降为0时,二极管完全D 4 导通, V A2 达到最大值 V o ,电流经下电容 C f2 后通过二极管D 4 到达A点, i D4 完全承担电流 i A ,在此期间,电感 L f 为 C f2 和负载供电,如图2.22c所示。
阶段5 ( T 4 ~ T 5 ): T 4 时刻,开关管Q A2 硬开通,此时,电流 i Z 开始增加, i D4 减小,如图2.22d所示。当 i D4 降至零后同样存在反向恢复过程,不再赘述。
阶段6 ( T 5 ~ T 0 ): T 5 时刻,二极管D 4 关断,双向开关管Q A (Q A2 、D A1 )完全导通,重新进入下一开关周期。
从图2.22工作模态及图2.23开关过程关键波形可以知道,对于某一相,当开关管导通时,对应输入电感充电,电感储存能量;当开关管关断时,输入电感电压为直流侧电压与交流电压之差,输入电感放电,电感电流减小,从而实现对电流的控制。因此,合理控制开关管的导通和关断,可使每相输入电流接近正弦波。
根据上述三电平Vienna电路工作模态分析,可以得其开关工作状态见表2.3。对于A相桥臂,开关状态[P]表示桥臂上端二极管(D 1 )导通,整流器A端相对于中点Z的端电压为 v AZ =+ V o 同样地,[N]表示桥臂下端二极管(D 4 )导通,此时 v AZ = -V o ;而[O]表示桥臂连接水平双向开关管(Q A )导通,此时 v AZ =0。特别说明的是,在[O]状态时,双向开关管(Q A )中哪只开关管(Q A1 /Q A2 )导通取决于A相电流的方向,例如,A相正向电流( i A >0)时主开关管Q A1 和Q A2 的反并联二极管D A2 导通,则A端通过导通的主开关管Q A1 和二极管D A2 连接到中点Z;当 i A <0时,A端通过导通的主开关管Q A2 和二极管D A1 连接到中点Z。对于B、C相桥臂,开关状态分析类似。
表2.3 三电平Vienna电路桥臂开关状态
从表2.3可以看出,二极管D 1 、D 4 和Q A 运行在互补模式,即一个开关导通,另两个必须关断。同样地,B、C桥臂也运行在互补模式。
通过上述开关工作状态,Vienna整流器每相桥臂的运行状态可以用3个开关状态[P]、[O]和[N]表示,三相Vienna整流器一共有27种开关状态,但由于输出电压与电流方向存在一定的联系,Vienna整流器为三相对称系统,三相电流不可能同时为正或负。因此,Vienna整流器不存在开关状态[PPP]和[NNN],只有一个零电位输出组合([OOO]),一共可以输出25组有效的电平状态,这与4.3节三电平中点钳位逆变器稍有不同(27组有效的电平状态,包含[PPP]和[NNN]两种零电位输出组合),但开关状态在 αβ 坐标系下所对应的空间矢量分布与三电平中点钳位逆变器一致,基本矢量的分类原理及其分类结果相同,具体详见4.3节。
下面对各类矢量对中点电位的影响进行分析。为便于理解,图2.24给出了各类型矢量对中点电位影响的等效示意图。
(1)对于大矢量([PPN]),由于三相桥臂没有与输出中点相连接,故不改变中点电压,如图2.24a所示。
(2)对于零矢量([OOO]),由于三相桥臂都与输出中点相连接,如图2.24b所示,有 i Z = i A + i B + i C =0,故对中点电压不产生影响。
(3)对于中矢量([PON]),B相桥臂与输出中点相连接,有 i Z = i B ,故对输出中点电压的影响取决于电流 i B 的方向,分别如图2.24c、d所示。当 i Z 流入中点( i Z >0)时,电容 C f1 放电、 C f2 充电,Δ V = V o1 -V o2 <0,导致中点电位上升;而当 i Z 流出中点( i Z <0)时,电容 C f1 充电、 C f2 放电,Δ V = V o1 -V o2 >0,导致中点电位下降。
(4)对于小矢量,是成对出现,[PPO]和[OON]分别是P型和N型小矢量对应的开关状态,如图2.24e、f所示。当N型小矢量([OON])作用时,电容 C f1 放电、 C f2 充电,Δ V = V o1 -V o2 <0,导致中点电位上升;而当P型小矢量([PPO])作用时,电容 C f1 充电、 C f2 放电,Δ V = V o1 -V o2 >0,导致中点电位下降。
图2.24 各类型矢量对中点电位的影响等效示意图
直流侧的中点电位变化量Δ V 为
由式(2.29)可知,中点电流的积分量与中点电位的变化量成正比。可见,中点电流的流入或流出是导致中点电位不平衡的根本原因。
上述基本矢量对中点电压偏移影响机理的分析表明:中、小矢量作用会使中点电位产生偏移,其中对于中矢量而言,输出中点电压的影响取决于相桥臂电流的方向,因此,消除中矢量产生的影响需要根据电流极性而定,但正、负小矢量对中点电位的影响恰好相反,可以通过改变它们的作用时间来抵消对中点电位的影响。