



BJT由三层半导体构成,分为NPN型和PNP型两种类型。这两类BJT都具有两个PN结,且两个PN结是反向串联结构,如图2.11所示。通常两个反向串联的PN结是无法作为开关使用并导通电流的。因此,在BJT的实际构造过程中需要对三层半导体做特殊处理,简述如下。
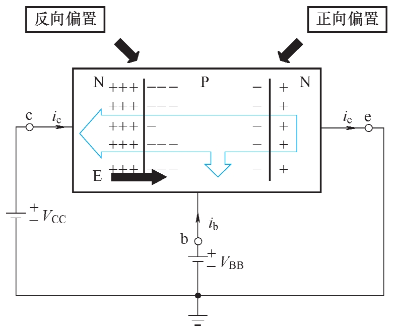
以NPN型BJT(见图2.12)为例,其中P型半导体为基极,该P型半导体需满足两个条件,一是掺杂浓度比较低,二是本身结构要非常薄;此外,作为发射极的N型半导体需要重掺杂,作为集电极的N型半导体需要适度掺杂。概括来说,三层半导体的掺杂浓度不一样且基极必须薄。在此基础上,当采用共射极连接方式,施加基极电压后,通过在基极注入载流子,基极与射极的PN结正向偏置,导致大量电子注入基极并向集电极扩散。反向偏置的集电极与基极间的PN结存在一个较大的电场,该电场会推动基极中的大量电子流入集电极,从而产生集电极电流,并使BJT导通。整个导通流程如图2.13所示。当基极电流消失后,基极中的载流子浓度不够维持集电极电流继续流通,BJT将关断。不难发现,通过在基极注入少量的载流子即可使得BJT流通大电流,实现了“以弱电控制强电”。这不仅是BJT作为开关器件的一大优势,也是半导体开关器件的基本工作特性之一。
图2.11 BJT构造示意图
图2.12 NPN型BJT构造示意图
图2.13 NPN型BJT导通时载流子扩散和流通示意图