



电气控制系统设计一般应遵循以下原则。
电气控制系统设计应最大限度地满足生产机械和工艺过程对电气控制电路的要求。在设计前,首先要做好需求分析,全面细致地了解生产要求。例如,一般控制电路只要求满足起动、反向和制动,有些则要求在一定范围内平滑调速和按规定的规律改变转速,出现事故时需要有必要的保护、信号预报,各部分运动要求有一定的配合和联锁关系等。
在满足生产要求的前提下,控制电路应力求简单、经济。
1)选择电源时,尽量减少控制电路中电源的种类,控制电压等级应符合标准等级。控制电路比较简单的情况下,通常采用交流220V和380V供电,可以省去控制变压器。在控制系统电路比较复杂的情况下,应采用控制变压器降低控制电压,或用直流低电压控制。对于微机控制系统,还要注意弱电与强电电源之间的隔离,一般情况下不要共用中性线,避免电磁干扰。对照明、显示及报警电路,要采用安全电压。
交流标准控制电压等级为:380V、220V、127V、110V、48V、36V、24V、6.3V。
直流标准控制电压等级为:220V、110V、48V、24V、12V。
2)尽量选用标准电气元件,尽可能减少电气元件的品种、数量,同一用途的器件尽量选用相同型号,以减少备件的种类和数量。
尽量选用标准、常用或经过实践考验的典型环节或基本电气控制电路。
尽量缩减连接导线的数量和长度。设计控制电路时,应考虑各个元件之间的实际接线,走线尽可能简化。
所用的电器、触点越少越经济,出故障的机会也越少。
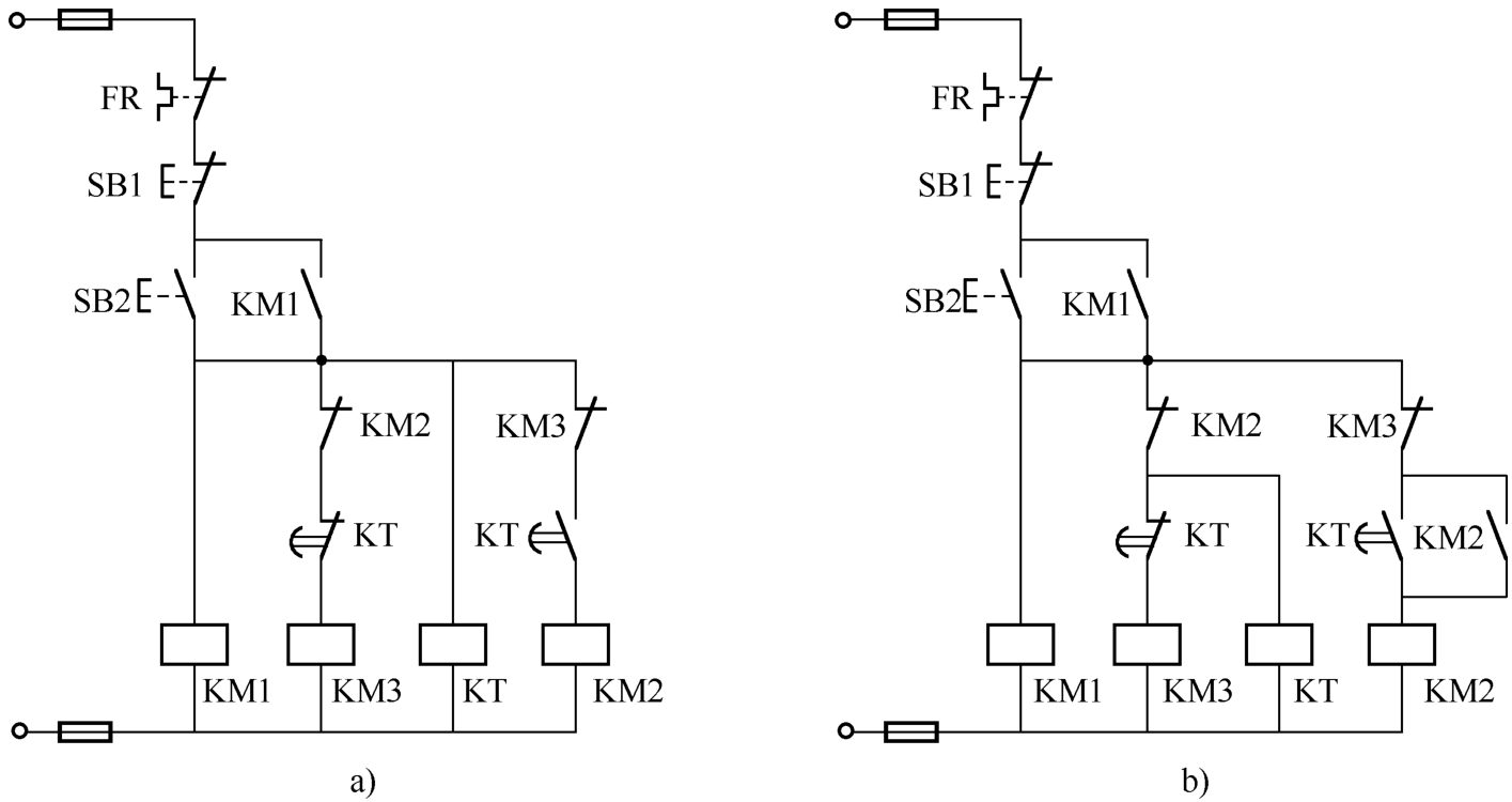
在正常工作的过程中,除必要的电气元件外,其余电器应尽量减少通电时间。以
-△减压起动控制电路为例,如图4-1所示,两个电路均可实现
-△减压起动功能,但经过比较,图4-1b在正常工作时,只有接触器KM1和KM2的线圈得电,比图4-1a更合理。
图4-1
-△减压起动控制电路
保证电气控制电路工作的可靠性,最主要的是选择可靠的电气元件。在选择的时候尽可能选用机械和电气寿命长、动作可靠、抗干扰性能好的电器,使控制电路在技术指标、稳定性、可靠性等方面得到进一步提高。
1)在交流控制电路中,电器的线圈不允许串联连接(见图4-2a)。如果将两个接触器的线圈进行串联,由于它们的阻抗不相同,即使外加电压是两个线圈额定电压之和,两个电器的动作有先后,也不可能同时动作,这就使得两个线圈分配的电压就不可能相等。当衔铁未吸合时,其气隙较大,电感很小,因而吸合电流很大。当有一个接触器先动作,其阻抗值增加很多,电路中电流下降很快,使另一个线圈不能吸合,严重时可将线圈烧毁。如果需要两个电器同时动作,线圈应并联连接,按图4-2b所示连接。
2)对于直流电磁线圈,当两电感量相差悬殊时不能直接并联,以免控制电路产生误动作,如图4-3a所示。直流电磁铁YA线圈与直流继电器KA线圈并联,当接触器KM常开触点断开时,KA很快释放。由于YA线圈的电感很大,存储的磁能经KA线圈释放,从而使KA有可能重新吸合,过一段时间KA又释放,这种情况显然是不允许的。因此应在KA的线圈电路中单独加一个KM的常开触点,如图4-3b所示。
图4-2 交流线圈的连接
图4-3 直流线圈的连接
如果同一电气元件的常开触点和常闭触点靠得很近,当分别接在电源的不同相上时,如图4-4a所示的行程开关SQ的常开触点和常闭触点,常开触点接在电源的一相,常闭触点接在电源的另一相上,当触点断开时,可能在两触点间形成电弧造成电源短路。如果改成图4-4b的形式,由于两触点间的电位相同,就不会造成电源短路。所以在设计控制电路时,应使分布在电路不同位置的同一电器触点尽量接到同一电位点,可避免在电器触点上引起的短路。
图4-4 电器触点的连接
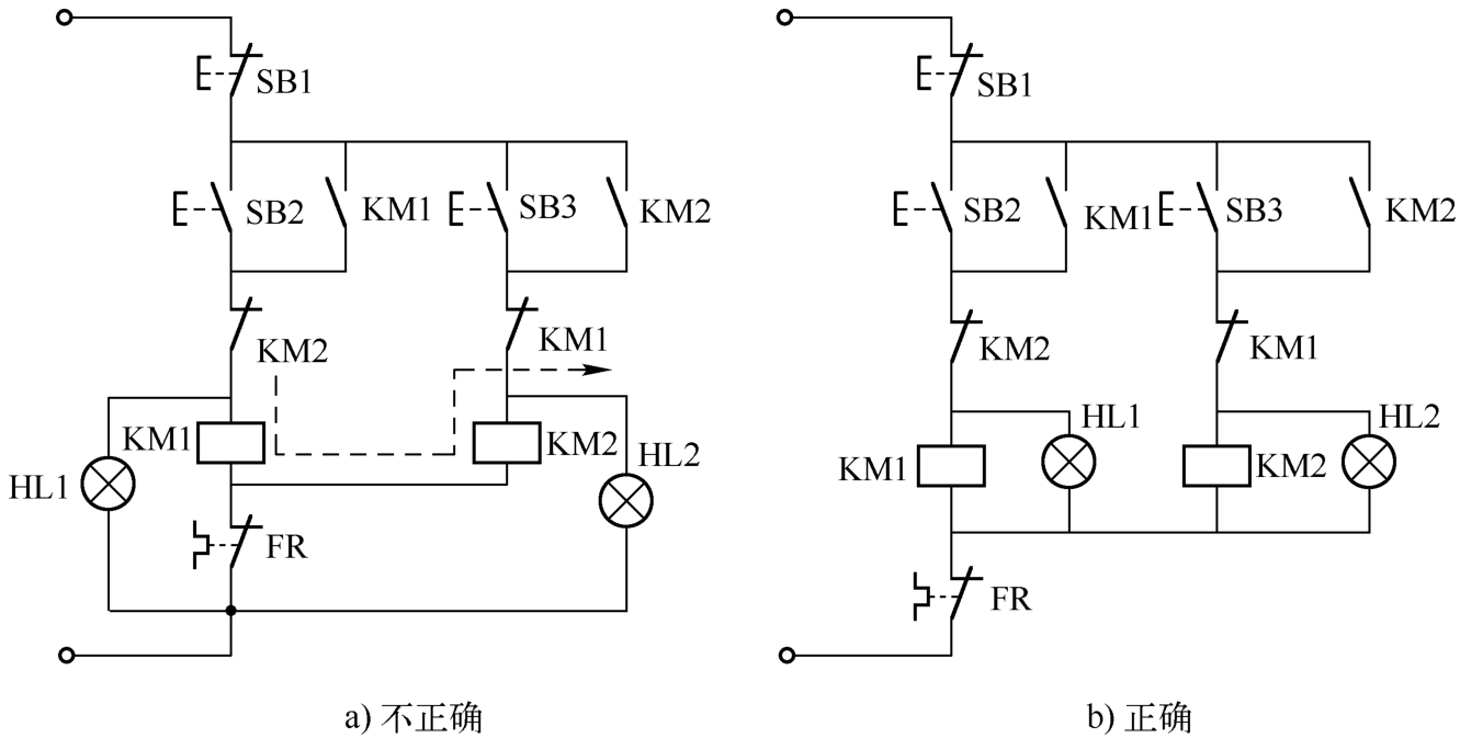
在电气控制电路的动作过程中,如果出现不是由于误操作而产生意外接通的电路称为寄生电路。图4-5a为一个具有指示灯显示和过载保护的电动机正、反向运行控制电路。正常工作情况下能完成正、反向起动、停止和信号指示。但当热继电器FR动作时,产生寄生电路,电流流向如虚线所示,使正向接触器KM1不能释放,起不了保护作用。如果改为图4-5b所示电路,则当电动机发生过载时,FR触点断开,整个控制电路断电,电动机停转。
必须设有完善的保护环节,以避免因误操作而引起事故。这些保护环节包括短路保护、过载保护、失电压保护、欠电压保护、过电压保护、欠电流保护、极限保护、弱磁保护等,有时还应设有合闸、断开、事故、安全等必要的指示信号。
电路设计要考虑操作、使用、调试与维修的方便。例如设置必要的显示,以便随时反映系统的运行状态与参数;考虑到运动机构的调整和修理,设置必要的单机点动、必要的易损触头及电气元件的备用等。
图4-5 防止寄生回路