



三相异步电动机直接起动,其控制电路简单、经济、操作方便。但对于容量较大的电动机来说,由于起动电流大,会引起较大的电网电压下降,所以必须采用减压起动的方法,以限制起动电流。
微课:三相异步电动机的起动控制
笼型异步电动机和绕线转子异步电动机结构不同,限制起动电流的措施也不同。下面分别介绍两种电动机限制起动电流所采取的方法。
笼型异步电动机常用的减压起动方法有星-三角形减压起动、定子绕组串电阻减压起动,自耦变压器减压起动等。
-△)减压起动
星-三角形(
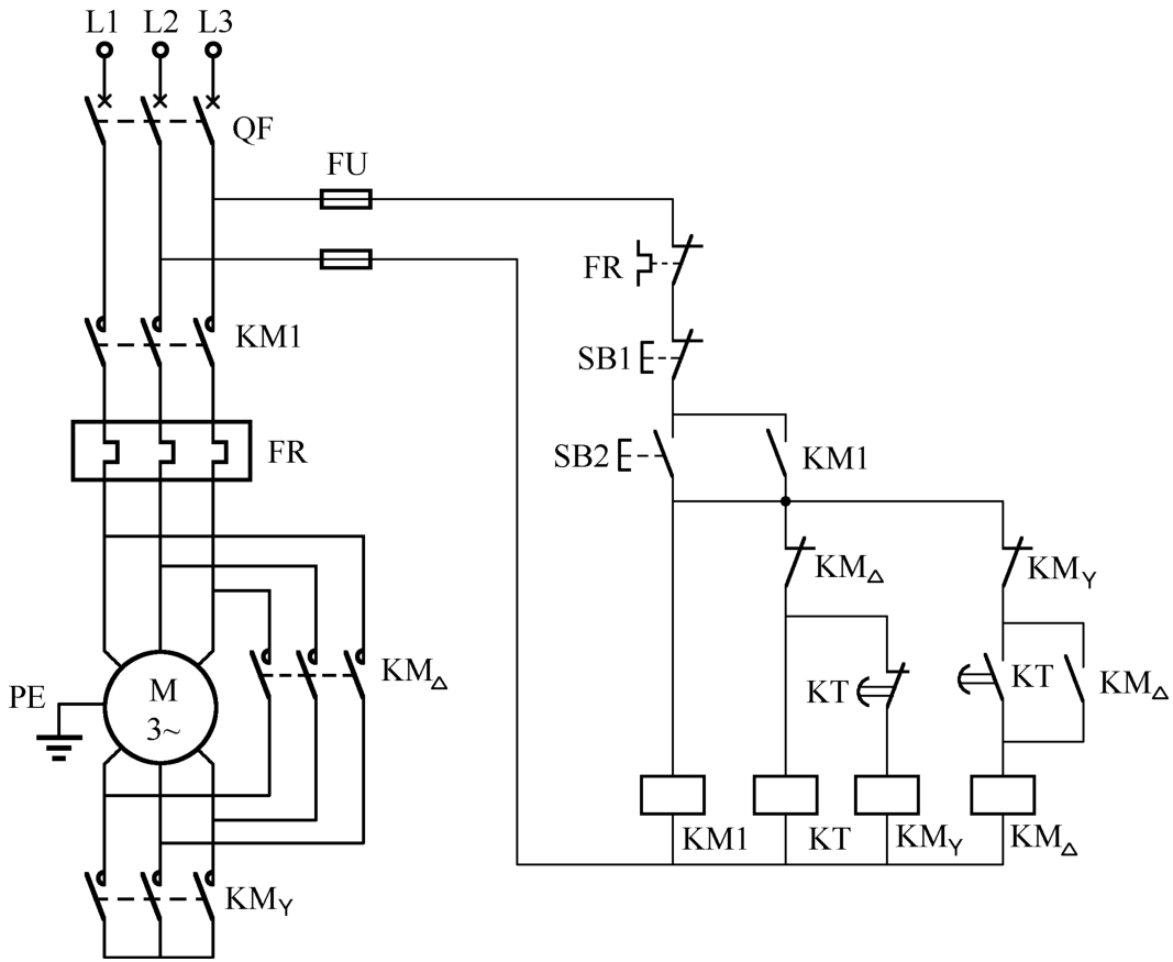
-△)减压起动用于正常工作时定子绕组作三角形联结的电动机。在电动机起动时将定子绕组接成星形,实现减压起动。此时加在电动机每相绕组上的电压为额定电压的1/
,从而减小了起动电流。待起动后过了预先设定的时间,电动机转速接近额定转速,将定子绕组接线方式由星形改接成三角形,使电动机在额定电压下运行。它的优点是起动设备成本低、方法简单、容易操作,但起动转矩只有额定转矩的1/3,如图2-14所示。
图2-14 星-三角形减压起动控制电路
起动运行:按下起动按钮SB2,KM1、KT、
线圈同时得电并自锁,即KM1、
主触点闭合时,绕组接成星形,进行减压起动。当电动机转速接近额定转速时,时间继电器KT常闭触点断开,
线圈断电,同时时间继电器KT常开触点闭合,KM
△
线圈得电并自锁,电动机绕组接成三角形全压运行。两种接线方式的切换要在很短的时间内完成,在控制电路中采用时间继电器定时自动切换。
、KM
△
常闭触点为互锁触点,以防同时接通造成电源相间短路。
停止运行:按下停止按钮SB1,KM1、KM △ 线圈失电,电动机停止运转。
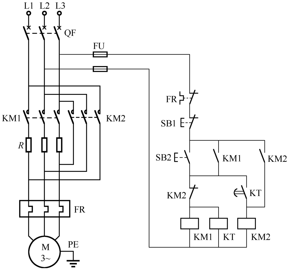
图2-15为定子绕组串电阻减压起动控制电路。在电动机起动时,在三相定子电路串接电阻,使电动机定子绕组电压降低,起动结束后再将电阻短接,电动机在额定电压下正常运行。
图2-15 定子绕组串电阻减压起动控制电路
起动过程如下:按下起动按钮SB2,接触器KM1与时间继电器KT的线圈同时通电,KM1主触点闭合,电动机定子绕组串电阻 R 起动。时间继电器KT延时预定时间后,其延时闭合常开触点闭合,接触器KM2线圈通电,KM2主触点闭合,短接 R ,电动机投入正常运行;KM2常闭辅助触点断开,接触器KM1与时间继电器KT的线圈同时断电。
该电路结构简单、起动功率因数高,缺点是电阻上功率消耗大,常用于中小容量不经常起停电动机的减压起动。
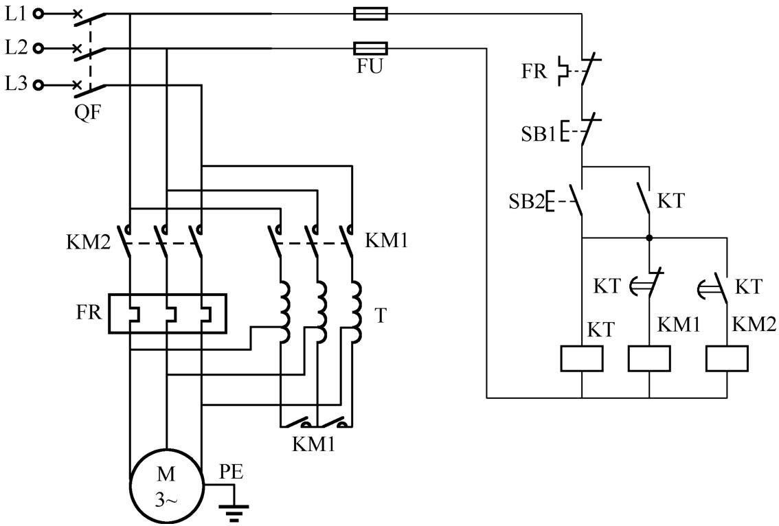
利用自耦变压器来降低电动机起动时的电压,达到限制起动电流的目的。起动时定子串入自耦变压器,自耦变压器一次侧接在电源电压上,定子绕组得到的电压为自耦变压器的二次电压,当电动机的转速达到一定值时,将自耦变压器从电路中切除,此时电动机直接与电源相接,电动机以全电压投入运行。控制电路如图2-16所示。
图2-16 定子串自耦变压器减压起动控制电路
起动运行:按下起动按钮SB2,接触器KM1线圈和时间继电器KT线圈得电,自耦变压器T接入,减压起动;起动延时一定时间后,时间继电器KT延时断开的常闭触点断开,KM1线圈失电释放,自耦变压器T切断,同时KT延时闭合的常开触点闭合,KM2线圈得电并保持,电动机全压工作。
停止运行:按下SB1,KM2线圈失电,电动机停止运转。
三相绕线转子异步电动机的转子回路可以通过集电环和电刷外接电阻,达到减少起动电流、提高转子功率因数和增大起动转矩的目的。在要求起动转矩较高的场合如起重机械、卷扬机等,广泛应用绕线转子异步电动机。
按照绕线转子异步电动机起动过程中转子串接装置不同,有串电阻起动与串频敏变阻器起动两种方式。
三相转子回路中的起动电阻一般接成星形。在起动前,起动电阻全部接入电路,在起动过程中,起动电阻被逐级短接。短接电阻的方式有三相电阻不平衡短接法和三相电阻平衡短接法。使用凸轮控制器来短接电阻宜采用不平衡短接法,如桥式起重机就是采用这种控制方式。使用接触器来短接电阻时宜采用平衡短接法。
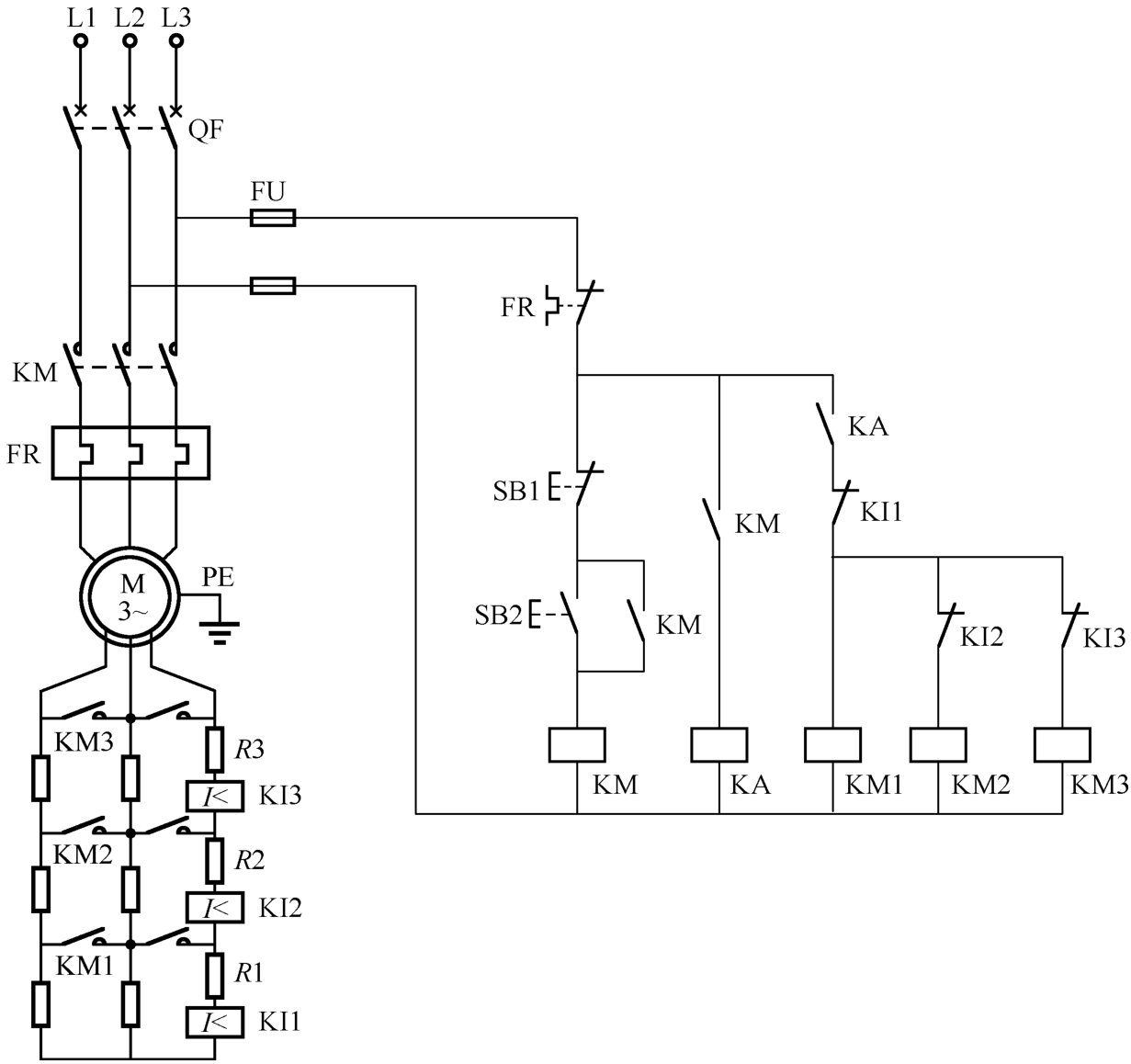
图2-17为按电流原则控制的绕线转子异步电动机串电阻起动电路,该电路按照电流原则实现控制,利用电流继电器根据电动机转子电流大小的变化来控制电阻的分级切除。KI1~KI3为欠电流继电器,其线圈串接于转子回路中,KI1~KI3三个电流继电器的吸合值相同,但释放值不同,KI1的释放电流最大,首先释放,KI2次之,KI3的释放电流最小,最后释放。刚起动时,起动电流较大,KI1~KI3同时吸合动作,使全部电阻接入。随着电动机转速升高电流减小,KI1~KI3依次释放,分别短接电阻,直到将转子串接的电阻全部短接。
图2-17 按电流原则控制的绕线转子异步电动机串电阻起动电路
起动过程如下:按下起动按钮SB2,接触器KM通电,电动机M串入全部起动电阻( R 1+ R 2+ R 3)起动,中间继电器KA通电,为接触器KM1~KM3通电做准备。随着电动机转速的升高,起动电流逐步减小,首先KI1释放,KI1常闭触点闭合,使接触器KM1通电,KM1常开触点闭合,短接第一级起动电阻 R 1;然后KI2释放,KI2常闭触点闭合,使接触器KM2线圈通电,KM2常开触点闭合,短接第二级起动电阻 R 2;KI3最后释放,KI3常闭触点闭合,KM3线圈通电,KM3常开触点闭合,短接最后一级电阻 R 3。至此,电动机起动过程结束。
控制电路中设置的中间继电器KA,是为了保证转子串入全部电阻后,电动机才能起动。若没有KA,当起动电流由零上升但尚未到达电流继电器的吸合电流值时,KI1~KI3不能吸合,将使接触器KM1~KM3同时通电,则转子电阻全部被短接,电动机直接起动。设置了KA后,从KM线圈得电到KA常开触点闭合需要一段时间,此时起动电流已达到欠电流继电器的吸合值,其常闭触点全部断开,使接触器KM1~KM3均断电。确保转子串入全部电阻,防止电动机直接起动。
在转子串电阻起动过程中,由于逐级减小电阻,起动电流和转矩突然增加,故产生一定的机械冲击力。同时由于串接电阻起动,使电路复杂,工作不可靠,而且电阻本身比较粗笨,能耗大,使控制箱体积较大。由于频敏变阻器的阻抗随着转子电流频率的下降自动减小,可实现平滑的无级起动,是一种较理想的起动方法,因此在桥式起重机和空气压缩机等较大容量的电气设备中获得了广泛应用。
图2-18为频敏变阻器的结构和等效电路。频敏变阻器实际上是一个特殊的三相铁心电抗器,它有一个三柱铁心,每个柱上有一个绕组,三相绕组一般接成星形。等效电路中的 R d 为绕组直流电阻, R 为铁损等效电阻, L 为等效电感, R 、 L 值与转子电流频率有关。
图2-18 频敏变阻器的结构和等效电路
频敏变阻器的工作原理:频敏变阻器的阻抗随着电流频率的变化而有明显的变化,电流频率高时,阻抗值也高,电流频率低时,阻抗值也低。频敏变阻器的这一频率特性非常适合控制异步电动机的起动过程。起动时,转子电流频率最大。频敏变阻器的阻抗最大,限制了电动机的起动电流;起动后,随着转子转速的提高,转子电流频率逐渐降低,频敏变阻器的阻抗自动减小。起动完毕后,频敏变阻器应从转子回路中短路切除。
频敏变阻器结构较简单、成本较低、维护方便、平滑起动,缺点是由于电感存在,cos φ 较低,起动转矩并不很大,适于绕线转子电动机轻载起动。
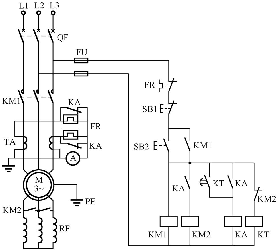
图2-19为绕线转子电动机串频敏变阻器起动控制电路,其中RF是频敏变阻器。
图2-19 绕线转子电动机串频敏变阻器起动控制电路
起动运行:按下起动按钮SB2,接触器KM1和时间继电器KT线圈同时通电,KM1主触点闭合,电动机M转子电路串入频敏变阻器起动。时间继电器KT延时预定时间后,其常开延时触点闭合,使中间继电器KA通电,KA常开触点闭合,接触器KM2通电,KM2主触点闭合,将频敏变阻器RF短接,KM2的常闭辅助触点断开,时间继电器KT断电,起动过程结束。
停止运行:按下停止按钮SB1,KM1、KM2、KA线圈断电释放,电动机M断电停止。
电流互感器TA的作用是将主电路中的大电流变换成小电流进行测量。为避免起动时间较长而使热继电器FR误动作,在起动过程中用KA的常闭触点将FR的加热元件短接,待起动结束,电动机正常运行时才将FR的加热元件接入电路。