



随着移动通信网络的飞速发展,以及移动业务数据量的爆炸式增长和智能终端设备的海量使用,频谱资源紧张的现象变得极其严重。提升移动通信网络容量的常规方法是增加系统资源,如更多的频谱、更大的发射功率、更密集的小区数目和更多的传输天线等空间维度的资源。但频谱资源已经濒临耗尽,以及低辐射的要求和小区站址数量有限等原因,使得这些常规方法面临很大的挑战。其他方案大多从多址接入技术入手,通过优化现有多用户分享资源的方式,使系统可以同时支持更多的用户。多址接入技术随着每一代移动通信的发展在不断地更新换代 [5] 。
目前多址接入技术可分为正交多址(Orthogonal Multiple Access, OMA)技术和非正交多址(Non-Orthogonal Multiple Access, NOMA)技术两类。第一代(1G)移动通信系统到第四代(4G)移动通信系统中的多址技术都属于OMA技术,第五代(5th-Generation,5G)移动通信系统的候选多址技术是NOMA技术。1G主要采用模拟技术和频分多址(Frequency Division Multiple Access, FDMA)技术,由于受到传输带宽的限制,1G不能进行移动通信的长途漫游,只能是一种区域性的移动通信系统。2G主要采用数字的时分多址(Time Division Multiple Access, TDMA)技术,2G的主要业务是语音,主要功能是提供数字化的语音业务及低速的数据业务,它克服了1G的弱点,使语音质量和保密性都得到很大提高,但由于2G采用不同的制式,移动通信标准不统一,用户只能在同一制式覆盖的范围内漫游,无法全球漫游。3G主要采用码分多址(Code Division Multiple Access, CDMA)技术,具有5MHz以上的传输带宽,传输速率最低为384kbit/s、最高可达2Mbit/s,支持语音业务和数据业务,其主要功能是提供高速数据传输业务和宽带多媒体服务,但3G仍是基于地面、标准不一的区域性通信系统。4G主要采用正交频分多址(Orthogonal Frequency Division Multiple Access, OFDMA)技术,改进了CDMA的空中接口技术,支持语音、视频等大流量高质量业务,提供了更高的频谱效率和更大的吞吐量。5G的候选多址技术是NOMA技术,虽然OMA技术可以保证不同用户信号间严格的正交性,避免多址干扰,但存在频谱效率不高的缺点。4G中的OFDMA技术为了弥补这一缺陷,采用重叠子载波的方法来提高频谱效率。尽管如此,随着移动通信应用的迅猛发展,OFDMA技术也逐渐不能满足用户设备(User Equipment, UE)的超高数据传输速率、超低时延、超低功耗的要求。NOMA技术可以在有效提高频谱效率的同时接入更多的用户,其数量远大于常见的CDMA等正交多址技术允许接入的用户数量,因此成为未来移动通信系统的候选多址技术。
OFDM技术得到了通信界的广泛认可,它除了能提高频谱利用率,还能有效地抵抗频率选择性衰落和窄带干扰。尽管宽带信道是非平坦的,具有频率选择性,但由于每个子信道的符号数据率降低了,因此每个子载波是相对平坦的,传输信号带宽小于信道(子载波)的相干带宽,这样就可以克服频率选择性衰落 [6] 。
每个OFDM符号都是由一组子载波叠加而成的,其中的每个子载波都可以受到相移键控(Phase-Shift Keying, PSK)或者正交幅度调制(Quadrature Amplitude Modulation, QAM)符号的调制,其通带信号可表示为:
式中, d i 表示第 i 路的基带复数据信号; N 表示子载波数; T 表示符号周期; f c 是载波的中心频率。
为了使用方便,通常采用基带信号来描述OFDM的输出信号,即:
OFDM传输是以块为单位进行的, d i 是一个OFDM符号周期内在第 i 个子载波上的调制符号,在每个OFDM符号周期内, N 个调制符号是并行传输的。每个调制符号都可以采用任意的调制方式,如QPSK、16QAM、64QAM等。
时域矩形波对应着频域的sinc函数,子载波间隔为Δ f =1/ T ,其中 T 为每个子载波调制符号时间,一个OFDM符号的频域波形如图2-5所示。
图2-5 一个OFDM符号的频域波形
正交频分复用的本质是两个经过调制之后的子载波在一个符号周期内是相互正交的,即:
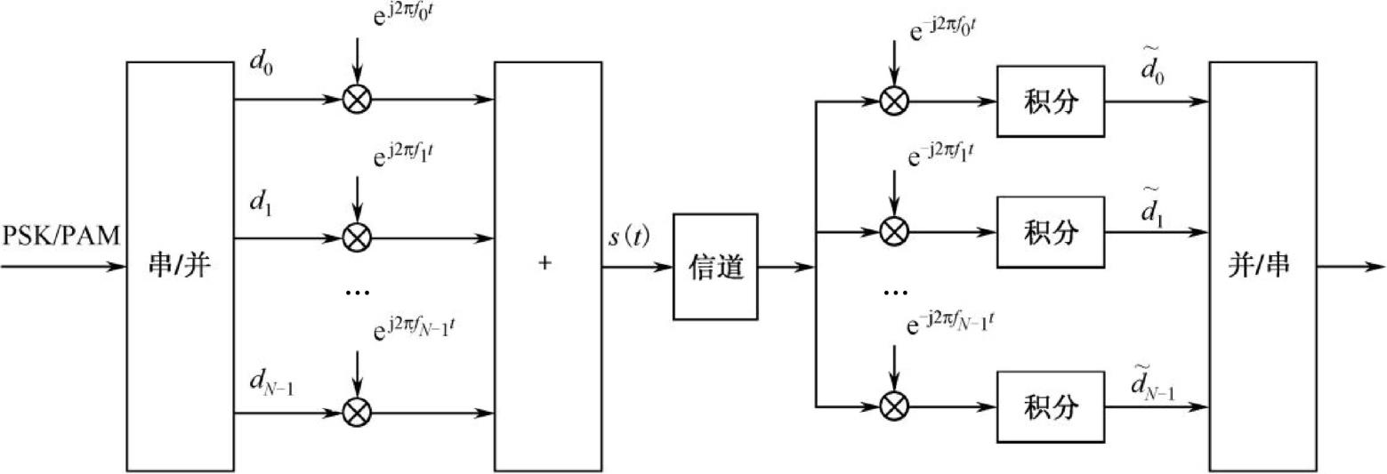
式(2-3)中的实部和虚部分别对应OFDM符号的同相分量和正交分量,在实际中可以分别与相应子载波的cos分量和sin分量相乘。图2-6所示为OFDM系统的基本模型,图中假定 t s =0,并且 f i = f c + i / N ,其中 f c 为载波频率。在接收端,将接收到的同相分量和正交分量映射回数据信息,即可完成子载波的解调。
如果OFDM用在用户间的复用,则可实现多址接入,使多个用户在不同的子信道上同时传输数据 [7] 。在下行传输中,在每个OFDM符号周期,不同的子载波集合(称为子信道)为不同的用户发送数据;在上行传输中,每个用户占用不同的子信道发送数据。OFDMA系统中的子载波可以按照两种方式组成子信道:集中式(Localized)子信道映射和分布式(Distributed)子信道映射。集中式子信道映射如图2-7所示,每个用户的子信道是由连续子载波组成的。分布式子信道映射如图2-8所示。
图2-6 OFDM系统基本模型
图2-7 集中式子信道映射
图2-8 分布式子信道映射
在OFDMA系统中,由于不同用户的衰落参数是相互独立的。某个信道对某一个用户来说是深度衰落的信道,对其他用户来说不一定是深度衰落的信道。事实上,某个信道对于所有用户都是深度衰落信道的概率是非常小的。在集中式子信道映射方式下,用户可以通过频域调度来选择无线信道性能相对较好的子信道。当多用户接入OFDMA系统时,各个用户可以互补地使用子信道,即获得多用户分集增益,使所有的子信道都能得到有效应用,从而提高频谱利用率。
但是在有些情况下,如用户在高速移动时,此时的信道质量指示(Channel Quality Indicator, CQI)反馈跟不上信道的变化速度,终端信干噪比(Signal to Interference plus Noise Ratio, SINR)较低时无法进行有效的频谱调度。此时,更适合采用分布式OFDMA系统,即将分配给一个子信道的子载波分散到整个带宽,各子信道的子载波交替排列,从而可以获得和CDMA系统相似的频率分集增益。但是,分布式OFDMA系统的信道估计较为复杂,抗频偏能力也比较差。
在LTE网络中,下行采用OFDMA作为多址接入方式,上行采用SC-FDMA(单载波频分多址)作为多址接入方式。之所以选择SC-FDMA作为上行的多址接入方式,是因为SC-FDMA具有单载波的特性,其发送信号峰均比(Peak-to-Average Ratio, PAR)较低,在上行功率相同的情况下,可以提高上行的功率效率。
通过NOMA技术,可以根据发射功率的不同让多个用户使用同一子载波、同一个OFDM符号对应的同一个资源单元,从而达到多址接入的目的 [8] 。近几年受到关注较多的NOMA技术可以分为两类:功率域非正交多址接入(Power-domain Non-orthogonal Multiple Access, PNMA)技术和码域非正交多址接入技术。码域非正交多址接入技术包括低密度扩展(Low-Density Spreading, LDS)多址接入技术、稀疏码多址接入(Sparse Code Multiple Access, SCMA)技术、多用户共享接入(Multi-User Shared Access, MUSA)技术和图样分割多址接入(Pattern Division Multiple Access, PDMA)技术等。
NOMA的基本思想是在发送端采用分配用户发射功率的非正交发送方式来发送信号,同一子信道上不同用户的信号功率按照相关算法进行分配,使到达接收端的各用户的信号功率不一样,并主动引入干扰信息,之后在接收端通过串行干扰消除(Serial Interference Canceller, SIC)接收机消除干扰,实现正确解调,达到区分不同用户的目的。NOMA是时域、频域和功率域上的多用户复用技术。在时域中,NOMA仍然使用OFDM符号作为最小单位,保证严格的子帧同步,在符号间插入循环前缀(Cyclic Prefix, CP)来防止符号间干扰。在频域中,NOMA使用子信道作为最小单位,各子信道间采用OFDM技术,保持子信道间相互正交、互不干扰。在功率域中,NOMA使多个用户共享每个子信道和OFDM符号对应的发射功率,改变了单用户独占的方式。但这种同一子信道和OFDM符号上的不同用户的发射功率是非正交的,因而会产生共享信道的多址干扰(Multi-Address Interference, MAI)。为了克服多址干扰,NOMA在接收端采用SIC技术进行多用户干扰检测和删除,以保证系统的正常通信 [9-10] 。
在NOMA中,同一OFDM符号同时承载了不同发射功率的多个用户,存在MAI。如果将这些MAI看成伪随机序列信号,则可以利用伪随机序列的结构性和相关性来消除这些MAI,达到提高系统性能的目的。这种消除MAI的技术称为多用户检测技术。多用户检测技术的主要思想是先对干扰信号进行译码,再重构干扰信号,并从接收信号中删除干扰信号。按照干扰信号译码方式的不同,多用户检测技术可分为串行干扰消除(SIC)技术和并行干扰消除(Parallel Interference Canceller, PIC)技术。
SIC技术是多用户检测的关键技术之一,其核心思想是对接收的多用户信号进行多级循环迭代,逐次检测并消除多用户干扰信号。SIC接收机的检测方式是采用多级分层逐步检测机制,每级只检测一个用户信号,如果共享信道传输过来的同一资源单元中叠加了 K 个用户信号,则SIC接收机需要进行 K 级检测。在第1级检测之前,先将接收到的所有用户信号按照功率大小进行排序,大致估计各信号的功率幅度,因此接收端每次输出的信号都是经过SIC接收机判决和除去MAI后的最大功率的用户信号。由于此时用户信号的SINR最大,因此SIC接收机就先对SINR最大的信号进行匹配滤波、判决与估计幅度比对等处理操作;然后找到剩下的最大功率的用户信号并送到下一级,SIC接收机继续按照功率大小顺序依次执行相同操作,完成对所有用户的检测。由此可见,每次检测都可以将单个用户信号的MAI降到最低,极大地增加了检测的可靠性。
在实际系统中,SIC接收机会根据接收信噪比或接收信号的功率来确定检测顺序,检测顺序是SIC接收机的关键点。SIC接收机的复杂度为 O ( K 3 ),其中 K 为用户数量,因此SIC接收机的复杂度远低于最优的最大似然检测。SIC接收机的结构设计简单、复杂度低,其性能与传统的检测器相比有较大的提高,具有很好的实用性。SIC接收机的每一级检测都需要一个字符的时延,在信号功率发生变化时需要重新进行排序,因此上一级判决结果对下一级判决的影响很大,如果上一级判决结果不可靠或判决出错,就会引起下一级检测性能的严重下降。
PNMA是指在发送端根据用户的信道条件为不同用户分配不同的发射功率,多个用户的信号在功率域直接叠加,以获得最大的系统性能增益;在接收端通过SIC接收机来消除多用户干扰,达到区分不同用户信号的目的。
PNMA下行链路发送端和接收端的信号处理过程如图2-9所示。假设在基站的某扇区内有2个用户,用户1距离基站更近。在发送端,用户1和用户2共同占用同一个资源,这两个用户的信号直接在功率域上叠加。由于远近效应,所以用户间的信道条件可能会有很大的不同,由于用户1距离基站较近,信道条件较好,所以占用的功率资源较少;同理用户2的信道条件较差,基站为其分配的功率资源较多。接收端利用SIC接收机进行删除干扰,因为用户2占用的功率资源多于用户1,虽然用户2的接收信号中存在用户1信号的干扰,但这部分干扰功率低于用户2的SINR,不会给用户2带来显著影响,所以应先解调、译码并重构用户2的信号,完成后删除用户2的信号,然后在较好的SINR条件下解调、译码并重构用户1的信号。
图2-9 PNMA下行链路发送端和接收端的信号处理过程
PNMA上行链路发送端和接收端的信号处理过程和下行链路的处理过程基本对称,都利用远近效应或发送端的不均匀分配导致的用户之间的SINR差异,叠加的多用户信号在接收端通过干扰删除进行区分,优先解调、译码并重构拥有良好SINR条件的用户信号,此时需要将一起接收到的其他用户信号当成干扰处理。
码域非正交多址接入是指首先通过码域扩频和非正交叠加为不同用户分配不同的代码,然后在相同的时域资源上进行复用。接收端通过线性解扩频码和干扰删除操作来分离多个用户信号。扩频码字的设计占有重要地位,会直接影响到码域非正交多址接入的性能和接收机的复杂度。
在码域非正交多址接入中,LDS是一种特殊的CDMA,其特殊的地方是LDS的扩频码字中存在一部分零元,因此码字具有稀疏性,而不是传统CDMA中的密集扩展序列。这种稀疏性使接收端能够采用低复杂度的解调算法,并通过合适的扩频序列设计,从而有效地降低多用户之间的干扰。SCMA是LDS的优化版,相比于LDS,SCMA直接将不同的比特流映射到不同的稀疏码字,对LDS中的QAM调制器和线性稀疏扩频两个模块进行联合优化,其中的每个用户都有一个预定义的码本。码域非正交多址如图2-10所示。
图2-10 码域非正交多址接入
SCMA非正交叠加示例如图2-11所示,同一个码本中的所有码字在相同的两个维度中都包含零元,并且不同码本中零元的位置不同,经过信道编码后的数据比特将直接映射到相应的码字中。对于每个用户,2个编码比特映射到一个复杂的码字,最后将多个用户的码字进行非正交叠加,在4个共享的正交资源上多路复用所有用户的码字,有利于避免任何两个用户的冲突。SCMA的优势是其码本可以灵活设计,提供了非常丰富的优化维度,如码字数量、扩频长度和非零码字的个数等,这样就可以从覆盖率、连接数量以及容量等一些不同的系统衡量维度,针对不同场景进行设计。
图2-11 SCMA非正交叠加示例图(码长为4、用户数为6)