



单相异步电动机又称为单相感应电动机。由于单相电动机只需单相交流电源供电,因而被广泛地应用于小型机床、轻工设备、商业机械、食品加工机械、医疗卫生器械、家用电器、日用机电用具、轻小型农副机具等,例如电风扇、洗衣机、电冰箱、空调器、吸尘器、厨房用具、电动工具、仪器仪表、农用水泵、脱谷机、粉碎机、磨浆机、台式砂轮和家用多功能小型机床等,都采用各种各样的单相异步电动机。
单相异步电动机之所以能广泛应用,因为它具有结构简单、价格低廉、运行可靠、噪声低、振动小、维护使用方便等一系列优点。它与同容量三相异步电动机相比较,体积稍大,性能稍差,因而多制成微型和小型。近年来单相异步电动机应用范围越来越广,不仅产量增加,品种增多,而且已向高力能指标、整马力系列电动机发展。
单相异步电动机的定子绕组并非只是一相绕组,因为这样的电动机并不能产生起动转矩。为了产生起动转矩,单相异步电动机定子上必须安放两个绕组,一个为主绕组,另一个为副绕组(起动绕组)。转子绕组和一般的笼型转子完全一样。当定子绕组接到单相交流电源以后,在气隙中便产生旋转磁场,依靠电磁感应作用,使转子绕组感生电动势和电流,从而产生电磁转矩,以实现电能和机械能的转换。
3.1.1.1 单相异步电动机的基本类型
根据起动方法或运行方式的不同,单相异步电动机可以分为下面几种类型。
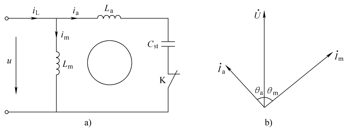
1.单相电阻起动异步电动机 单相电阻起动异步电动机的定子上有两套绕组,一套是主绕组,又叫工作绕组;另一套是副绕组,又叫起动绕组。它们的轴线在空间相隔90°电角度。起动绕组与起动开关串联后和工作绕组并联接到同一单相电源上,如图3-1所示。当电动机转速上升到75%~85%同步转速时,通过起动开关K断开起动绕组电路,使电动机只有一个工作绕组工作。
由于起动绕组回路的电阻对电抗的比值较大,所以起动绕组电流
落后电压
的相角
θ
a
就比较小;而工作绕组电阻对电抗的比值较小,所以工作绕组电流
落后电压
的相角
θ
m
就比较大。这样,在
与
之间出现了一定的相位差,形成了两相电流。这两相电流
和
之间的相位差(
θ
m
-θ
a
)总小于90°,因此电阻起动单相异步电动机的起动转矩比较小,而起动电流却比较大,电动机的起动性能不好。
图3-1 单相电阻起动异步电动机的原理图和相量图
为了使起动绕组得到较高的电阻对电抗的比值,通常起动绕组可采用较细的铜线。
单相电阻起动异步电动机,具有中等起动转矩和过载能力,适用于低惯量负载、不经常起动、负载可变而要求转速基本不变的场合,如小型机床、家用水泵、风机、医疗器械、家用电器等。
2.单相电容起动异步电动机 单相电容起动异步电动机的定子上有两套绕组,一套是工作绕组;另一套是起动绕组,它们的轴线在空间相隔90°电角度。起动绕组与电容器、起动开关串联后和工作绕组并联接到同一单相电源上,如图3-2所示。
图3-2 单相电容起动异步电动机的原理图和相量图
电容器的作用是使起动绕组回路中的容抗大于感抗,因此
总是超前电压一个相角
θ
a
。工作绕组回路则总是呈电感性,因此
总是滞后电压一个相角
θ
m
。如果起动电容选择得适当,可以使
正好超前
,因此,单相电容起动异步电动机可以得到较大的起动转矩、较小的起动电流,因而电动机的起动性能好。
单相电容起动异步电动机具有较大的起动转矩,适用于重载起动场合,如小型空压机、电冰箱、粉碎机、水泵等。
3.单相电容运转异步电动机 如果电动机的副绕组不仅在起动时起作用,而且在运行时和电容器一起不脱离电源并与主绕组一道长期参加运行(见图3-3),就称它为单相电容运转异步电动机。
单相电容运转异步电动机实质是一种两相电动机。适当地选择电容器和副绕组匝数,可以改善电动机的运行性能,使电动机具有较高的效率和功率因数,并且体积小、重量轻,但由于起动转矩较低,只适用于起动转矩要求不高的场合,如电风扇、洗衣机、通风机、家用电器等。
图3-3 单相电容运转异步电动机的原理图和相量图
4.单相电容起动和运转异步电动机 (双值电容单相异步电动机)为了使电动机既具有较好的起动性能,又具有较好的运行性能,一般在副绕组回路中并联两个电容器,如图3-4所示。
图3-4 单相电容起动和运转异步电动机的原理图和相量图
电容器 C 是运转时长期使用的电容,可采用金属膜纸介电容;电容器 C st 是起动时短时工作电容,可采用电解电容。
单相电容起动和运转异步电动机具有较好的起动性能,较高的过载能力、效率和功率因数,较低的噪声,适用于带负载起动的场合,如小型机床、泵、家用电器等。
图3-5 单相罩极式异步电动机工作原理(凸极罩极式)
5.单相罩极式异步电动机 单相罩极式异步电动机分为凸极罩极式(见图3-5)和隐极罩极式两种,其工作原理完全相同。
单相罩极式异步电动机的起动转矩、效率、功率因数均较低,但结构简单,成本低,适用于轻载起动场合,如小型风扇、电唱机等。
几种常见单相电动机的比较见表3-1。
3.1.1.2 基本系列及当前推广使用的系列
我国现在生产的单相异步电动机基本系列及当前推广使用的系列型号见表3-2。
表3-1 主要类型的小功率电动机性能特点及其典型应用
(续)
表3-2 单相异步电动机基本系列及推广使用系列型号
这些基本系列的功率、中心高和极数如下:
YU系列单相电阻起动异步电动机,功率为60~1100W;中心高由63mm到90mm,极数为2、4极。
YC系列单相电容起动异步电动机,功率为120~3700W;中心高由71mm到132mm,极数为2、4、6极。
YY系列单相电容运转异步电动机,功率为10~2200W;中心高由45mm到90mm,极数为2、4、6极。
YL系列单相双值电容异步电动机,功率为0.25~5.5kW;中心高由71mm到132mm,极数为2、4极。
在基本系列的基础上,设计、制造各种派生系列及专用系列产品,以适应各种需要和满足某些特殊的要求。
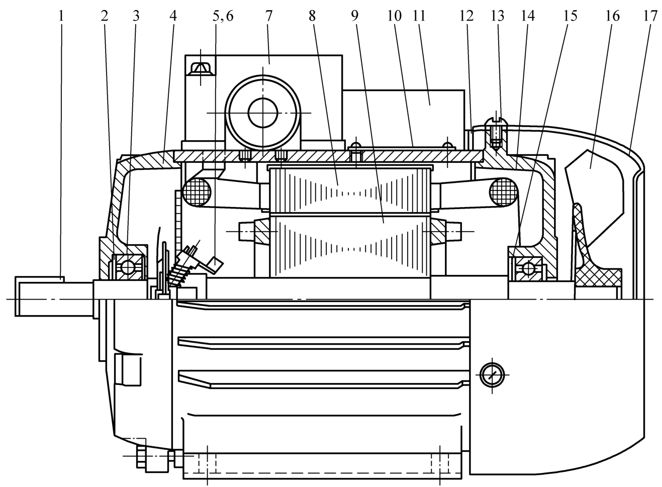
图3-6所示为单相笼型异步电动机的结构图。单相异步电动机的基本结构与三相异步电动机基本相同。不同之处是定子为两相分布绕组,而且多采用正弦绕组,以减小磁动势谐波;转子为普通笼型转子。
图3-6 单相笼型异步电动机典型结构
1—键 2—波形弹簧圈 3—轴承 4—前端盖 5,6—离心开关的离心器及开关底板 7—出线盒 8—定子 9—转子 10—铭牌 11—电容器 12—电容器卡子 13—螺钉及垫圈 14—后端盖 15—护油垫 16—风扇 17—风罩
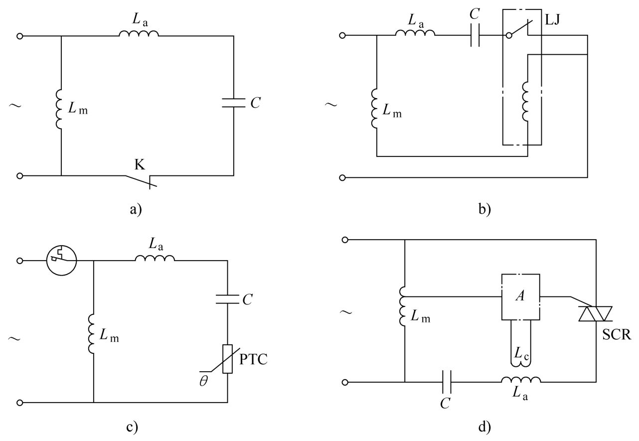
此外,除电容运转单相异步电动机外,单相电动机在起动过程中,都需要借助起动开关。当转子转速达到75%~85%的同步转速时,才切除起动绕组(副绕组)或起动电容器,常用的起动开关是离心开关。除了普通常用的离心开关之外,还有电流、电压起动继电器,正温度系数热敏电阻起动元件(PTC元件)和电子起动装置等。有些专用电动机,如单相潜水电泵、电冰箱压缩机电动机等,由于位置有限、环境限制,或由于双电压、双转速等原因,不便安装离心起动开关,因此采用电流起动继电器、PTC元件和电子起动装置等。带有离心开关、电流起动继电器、PTC元件和电子起动开关的单相电容起动异步电动机线路原理图分别如图3-7a、b、c、d所示。
图3-7 单相电容起动异步电动机线路原理图
单相异步电动机设计任务中规定以下额定数据:
额定功率 P N ,指电动机额定运行时,轴上输出的机械功率,单位为W或kW。
额定电压 U N ,指电动机额定运行时的线端电压,单位为V。
额定频率 f N ,指电动机额定运行时的频率,单位为Hz。
额定转速 n N ,指电动机额定运行时的输出轴转速,单位为r/min。
单相异步电动机的主要性能指标有:效率 η 、功率因数cos φ 、最大转矩倍数 T max 、堵转转矩倍数 T st 、堵转电流值 I st 。
电机制造厂的产品大多是系列电机。所谓系列电机是指技术要求、应用范围、结构型式、冷却方式和生产工艺等基本相同,功率及安装尺寸按一定规律递增,零部件通用性很高的一系列电机。
单相异步电动机系列设计时需要考虑的主要问题有以下几个方面:
1.功率等级 根据国家标准GB/T 4772.1—1999的规定,电机功率等级采用优先数系来确定,必要时允许采用复合优先数系,使个别功率段根据具体情况比相邻段疏些或密些。我国目前生产的新系列小功率单相异步电动机的功率等级(W)为4,8,15,25,40,60,90,120,180,250,370,550,750,大功率单相双值电容异步电动机功率等级(kW)为0.55,0.75,1.1,1.5,2.2,3.0,3.7,5.5。
2.中心高 中心高是电机安装尺寸中最重要的尺寸。功率等级与安装尺寸的对应关系主要是功率等级与中心高的对应关系,通常一个中心高对应1~2个功率等级。我国单相异步电动机的中心高(mm)为45,50,56,63,71,80,90,100,112,132。
指导单相电动机设计与生产的国家标准和行业标准有基础标准、方法标准和产品标准。
产品标准是对某一种类型电机提出的全面明确的技术要求。主要有:
JB/T 1010—2017《YU系列电阻起动异步电动机 技术条件》
JB/T 1011—2017《YC系列电容起动异步电动机 技术条件》
JB/T 1012—2017《YY系列电容运转异步电动机 技术条件》
JB/T 7588—2010《YL系列双值电容单相异步电动机 技术条件(机座号80~132)》
JB/T 9542—2015《双值电容异步电动机通用技术条件》
GB/T 3667.1—2016《交流电动机电容器 第1部分:总则 性能、试验和额定值 安全要求 安装和运行导则》
GB/T 3667.2—2016《交流电动机电容器 第2部分:电动机起动电容器》
JB/T 9547—2011《单相电动机起动用离心开关技术条件》
方法标准是对各种类型电机性能和参数的试验测定方法提出的规定。主要有:
GB/T 9651—2008《单相异步电动机试验方法》