



仿真中采用附录A表A-1所示的异步电机参数,利用MATLAB对电机在额定转速1440r/min、额定相电压220V(有效值)、额定频率50Hz状态下的T型等值电路(忽略铁损耗)进行仿真求解,结果见表3-1。可见额定运行时定子电流最大值为8.879A,为了考虑电机起动等动态过程中过电流限幅,仿真中按照额定电流的2倍限制定子电流最大值为8.879A×2=17.76A。根据前面的 T em 计算公式(3-6)及 s m 公式(3-7),计算最大转矩及对应的转差率如下:
根据最大转矩 T em 可以计算出当电机输出额定转矩15N·m时对应的定子电压如下
根据最大转差率可以计算对应的转速 n rmin 如下:
根据上述计算可见,若电机带理想额定负载15N·m时最大调速范围为1142~1440r/min,对应的定子电压变化范围为115~220V,所以仿真中带额定负载情况下,最低转速不得低于1142r/min。
表3-1 额定运行时T型等值电路仿真数据
利用MATLAB对图3-6所示的转速、电流双闭环异步电机调压调速系统进行建模如图3-10所示。利用测量环节测量出定子A相电流
I
sa
、定子
dq
坐标系磁链Flux_sd、Flux_sq、定子
dq
坐标系电流
I
sd
、
I
sq
、转子旋转的机械角频率
ω
、电磁转矩
T
e
,利用定子磁链与气隙磁链关系计算气隙磁链幅值Flux_Amp=
;利用定子
dq
坐标系电流
I
sd
、
I
sq
计算反馈的定子电流幅值I_Amp=
;利用极对数、转子旋转的电角频率或转子旋转的机械角频率可以求得转子旋转速度
n
=60×
ω
r
/
(2π
n
p
)=60×
ω/
(2π)。
根据转速给定 n * 及转速反馈 n 计算转速误差 n * -n ;把转速误差 n * -n 送给转速调节器ASR输出定子电流幅值给定值 I sg ,其中ASR中比例系数和积分系数分别为25、0.3,输出限幅值为17.79A;根据定子电流幅值给定值 I sg 及定子电流幅值反馈值 I s (即I_Amp)计算定子电流幅值控制误差 I sg -I s ;把定子电流幅值控制误差 I sg -I s 送给电流调节器ACR,输出瞬时调制信号,其中ACR比例和积分系数分别为65、6,输出调制信号限幅在-1~+1;瞬时调制信号送给PWM调制模块“PWM modulation”,实现瞬时调制信号与幅值为1、频率为20kHz的正极性三角波进行比较,输出PWM驱动信号送给IGBT斩控式调压模块“IGBT chopping AV”,输出经过脉冲宽度调制的三相变压交流电压给异步电机模块“Asynchronous Motor”。
图3-10 转速、电流双闭环异步电机调压调速系统仿真模型
PWM调制模块“PWM modulation”内部逻辑如图3-11所示,瞬时调制信号“Modulation Signal”与三角波“Triangular Signal”经过比较器“Compare Operator”后,输出PWM控制加到电机绕组上的交流电压幅值。
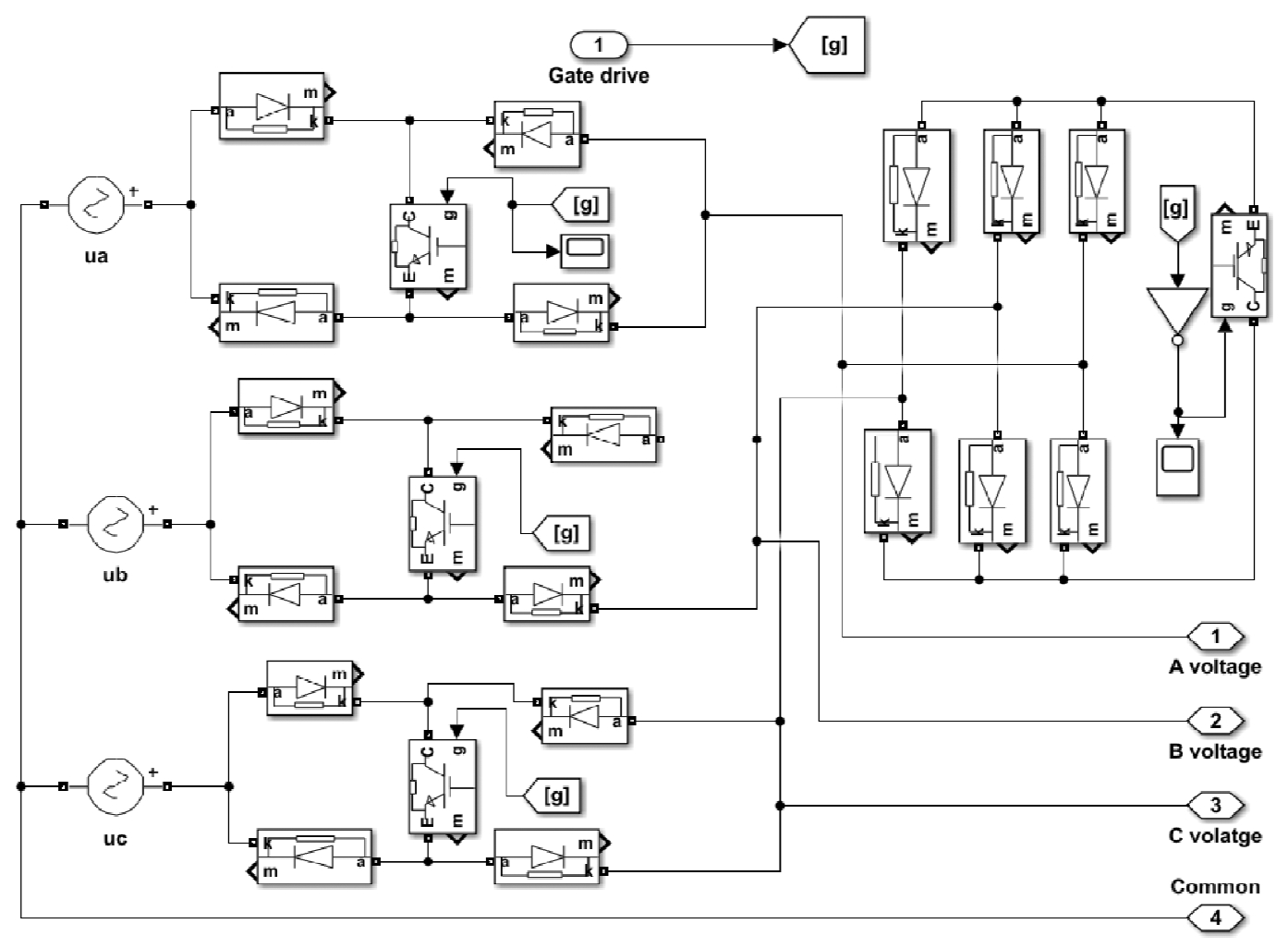
采用第2章中介绍的三相斩控式交流调压电路给异步电机供电,如图3-10中IGBT斩控式调压器模块“IGBT chopping AV”,其内部MATLAB建模如图3-12所示。异步电机模块“Asynchronous Motor”中参数设置如图3-13所示,其中转动惯量考虑了负载的转动惯量0.045kg·m 2 ,这样传动轴上总的转动惯量为0.05276kg·m 2 。
图3-11 PWM调制模块
图3-12 IGBT斩波调压器模块“IGBT chopping AV”
图3-13 异步电机模块“Asynchronous Motor”中参数设置
电机轻载1N·m由零转速起动至1200r/min,在1.5s处升速至额定转速1440r/min,在2s处负载突增至额定值15N·m仿真波形如图3-14所示。从仿真结果可见:①采用调压调速电机转速能够由零转速上升至给定值1200r/min,在此过程中定子电流幅值能够限制在最大限幅值;②即使起动阶段定子电流幅值被限制在最大值,但由于没有直接控制定子电流有功分量,导致启动阶段的转矩并不恒定,从而无法保证转速线性快速上升;③转速和电磁转矩能够跟随外界的给定变化而变化;④由于采用了定子电压幅值调节速度,而定子供电频率不变,所以从相绕组电流启动阶段和1440r/min高速稳定阶段电流波形比较可见相电流频率恒等于50Hz;⑤由于定子供电频率保持为50Hz不变,仅仅靠调压调速,所以电机低速气隙磁链幅值小,且随转速的提高,气隙磁链幅值随之增大,气隙磁链幅值不可控制。
图3-14 转速及电流双闭环调压调速系统仿真