



(1)理解加法器与数据比较器的工作原理。
(2)掌握加法器74LS283、数据比较器74LS85的功能及简单应用。
(3)学习中规模组合逻辑电路的设计方法。
万用表 1块
直流稳压电源 1台
低频信号发生器 1台
示波器 1台
数字系统综合实验箱 1台
集成电路74LS00、74LS08、74LS86、74LS283、74LS85等 各1片
1.加法器
数字运算是数字系统的基本功能之一,加法器是执行算术运算的重要逻辑部件,在数字系统和计算机中,二进制的加、减、乘、除等运算都可以转换为若干步加法运算。
最基本的加法器是半加器,半加器是指没有低位送来的进位信号,只有本位相加的和及进位。这些概念看起来很简单,但理解这些概念对于今后设计电路是很有帮助的。实现半加器的真值表见表2-16。
表2-16 半加器真值表
实现半加器的电路如图2-40所示。
实现半加器的逻辑表达式为: C = AB , S = A ⊕ B 。
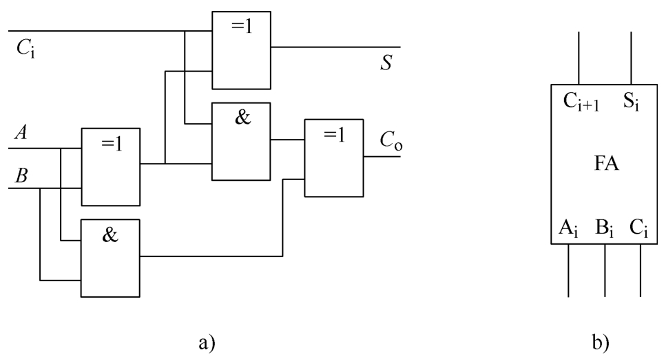
半加器电路比较简单,只用了1个与门和1个异或门,在此基础上可以进一步实现全加器。当进行不止1位的加法时,必须考虑低位的进位,通常以 C i 表示,此时电路实现了全加器的功能。在电路结构上由两个半加器和一个异或门实现,如图2-41a所示。图2-41b为全加器惯用符号。
图2-40 半加器逻辑电路
图2-41 全加器
a)逻辑电路 b)惯用符号
将 n 个1位全加器级联,可以实现两个 n 位二进制数的串行进位加法电路。如图2-42所示为由4个一位全加器级联构成的4位二进制串行加法器。由于进位逐级传递的缘故,串行加法器时延较大,工作速度较慢。
图2-42 4位串行加法器
2.MSI四位加法器74LS283
(1)74LS283的功能
为了提高运算速度,通常使用超前进位全加器,即以并行方式完成全加算术运算的逻辑电路。其提高运算速度的关键在于进位信号不再是逐级传递,而是采用超前进位技术,每位的进位只由加数、被加数和最低进位信号 C 0 决定,改善了串行进位加法器的速度受到进位信号的限制的缺点。不过,运算速度的提高是靠增加电路的复杂程度换取的,而且,位数越多,电路越复杂。目前,中规模集成超前进位全加器多为4位。
74LS283是一个4位二进制中规模集成电路(MSI加法器),就是一种具有超前进位功能的并行加法器,输入、输出之间最大延迟仅为4级门延时,工作速度较快。
74LS283的功能是完成并行四位二进制数的相加运算,其引脚图见附录A,功能表见表2-17。引脚图中 A 4 、 A 3 、 A 2 、 A 1 、 B 4 、 B 3 、 B 2 、 B 1 是被加数和加数(两组4位二进制数)的数据输入端, C 0 是低位器件向本器件最低位进位的进位输入端, S 4 、 S 3 、 S 2 、 S 1 是和数输出端, C 4 是本器件最高位向高位器件进位的进位输出端。
表2-17 74LS283功能表
(2)74LS283的应用
1)用 n 片MSI四位加法器可以方便地扩展成4 n 位加法器
其扩展方法有三种。
①全串行进位加法器:采用MSI四位串行进位组件单元,组件之间也采用串行进位方式。
②全并行进位加法器:采用MSI四位并行进位组件单元,组件之间也采用并行进位方式。
③并串(串并)行进位加法器:采用四位并行(串行)加法器单元,组件之间采用串(并)行进位方式,其优点是保证一定操作速度前提下尽量使电路的结构简单。如图2-43所示是两个74LS283构成的7位二进制数加法电路。74LS283内部进位是并行进位,而级联采用的是串行进位。
2)构成减法器、乘法器、除法器等
如图2-44为用74LS283设计的一个加/减运算电路。当控制信号 M =0时,两个输入的4位二进制数相加,当 M =1时,两个输入的4位二进制数相减。两个输入的4位二进制数分别是 P 、 Q ,输出4位二进制数为 S 。其基本原理为: M =0时,因为74LS283本身就是一个4位二进制加法器,所以 P + Q 可以直接实现; M =1时,差等于被减数加上减数的补码,其中补码为 Q 的反码加1,即 S = P-Q = P + Q 补 -2 n = P + Q 反 +1-2 n ,用四个反相器将 Q 反相即可得 Q 反 ,将进位输入端 C 0 接1可实现加1,由此可得 Q 补 ,显然只能由高位的进位信号与2 n 相减,当最高位的进位信号为1时,差为0,当最高位的进位信号为0时,差为1,同时发生借位,因此只要将高位的进位信号反相即能实现减2 n 的运算。
图2-43 74LS283级联构成7位二进制数加法器
3)进行码组变换
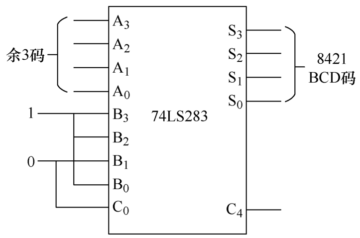
如图2-45所示是用74LS283实现的1位余3码到1位8421BCD码转换的电路。其基本原理是:对于同一个十进制数符,余3码比8421BCD码多3,因此从余3码中减3(即0011),也就是只要对余3码和3的补码1101相加,即可将余3码转换成8421BCD码。
图2-44 用74LS283构成4位二进制加减法运算电路
图2-45 用74LS283实现1位余3码到8421BCD码转换
3.数据比较器
数据比较器有两类:一类是“等值”比较器,它只检验两数是否相等;另一类是“量值”比较器,它不但检验两数是否相等,还要检验两数中哪个大。按数的传输方式,又有串行比较器和并行比较器。数据比较器可用于接口电路。
4.4位二进制数并行比较器74LS85
(1)74LS85的功能
在数字系统和计算机中,经常需要比较两个数的大小是否相等,完成这一功能的逻辑电路称为数值比较电路,相应的器件称为比较器。常见的数值比较器有74LS85等。
74LS85是采用并行比较结构的4位二进制数值比较器。单片74LS85可以对两个4位二进制数进行比较,其引脚图见附录A,功能表见表2-18。
表2-18 74LS85功能表
(2)74LS85的应用
1)用 n 片4位比较器可以方便地扩展成4 n 位比较器。74LS85的三个级联输入端用于连接低位芯片的三个比较器输出端,可实现比较位数的扩展。图2-46是用两片74LS85级联实现的两个7位二进制数比较器。注意,74LS85(H)的 A 3 和 B 3 要都置成0或1,74LS85(L)的级联输入端a=b置1,而a>b和a<b置0,以确保当两个7位二进制数相等时,比较结果由74LS85(L)的级联输入信号决定,输出 A = B 的结果。
图2-46 74LS85级联构成7位二进制数比较器
2)4位二进制全加器与4位数值比较器结合起来,可实现BCD码加法运算。在进行运算时,若两个相加数的和小于或等于1001,BCD的加法与4位二进制加法结果相同;但若两个相加数的和大于或等于1010时,由于4位二进制码是逢十六进一的,而BCD码是逢十进一的,它们的进位数相差六,因此BCD加法运算电路必须进行校正,应在电路中插入一个校正网络,使电路在和数小于或等于1001时,校正网络不起作用(或加一个数0000),在和数大于或等于1010时,校正网络使此和数加上0110,从而达到实现BCD码的加法运算的目的。
(1)验证74LS283、74LS85的逻辑功能。
(2)用74LS283设计1位8421BCD码加法器。
(3)设计一个8位二进制数加法器。
(4)试用74LS283辅以适当门电路构成4×4乘法器,其中 A = a 3 a 2 a 1 a 0 , B = b 3 b 2 b 1 b 0 。
(5)试用74LS85再辅以适当门电路构成字符分选电路。当输入为字符 A 、 B 、 C 、 D 、 E 、 F 、 G 的7位ASCII码时,分选电路输出 Z =0,反之输出 Z =1。
(6)试用4位二进制数加法器74LS283和4位二进制数比较器74LS85构成一个4位二进制数到8421BCD码的转换电路。
(1)详细描述实验内容中每个题目的设计过程,画出设计逻辑图,标注功能符号,整理并分析实验数据。
(2)分析实验过程中遇到的问题,描述解决问题的思路和办法。
(1)什么是半加器?什么是全加器?
(2)用全加器74LS283组成4位二进制代码转换为8421BCD码的代码转换器中,进位输出 C 4 什么时候为“1”? C 0 端该如何处理?
(3)设计多位二进制数加法器有哪些方法?
(4)二进制加法运算和逻辑加法运算的含义有何不同?
(5)如何用基本门电路实现两个1位二进制数字比较器?逻辑状态表见表2-19。
表2-19 二进制数字比较器逻辑状态表