



1.内保温复合外墙的构成:内保温复合外墙有主体结构与保温结构两部分。保温结构是由保温板和空气间层所组成。对于复合材料保温板来说,则有保温层和面层,而单一材料保温板则兼有保温和面层的功能,见图4-1-1。
主体结构一般为砖砌体、混凝土墙或其他承重墙体。保温结构中空气间层的作用,一是防止保温材料受潮;二是提高外墙的热阻,但空气间层的设置主要是防止保温层吸湿受潮。
 
    图 4-1-1 复合材料保温板和单一材料保温板
外墙内保温做法由于施工为干作业,保温材料避免了施工水分的入侵而受潮,但是采暖房间,外墙内外两侧存在温度差,便形成了内外水蒸气分压力差,水蒸气逐渐由室内通过外墙向室外扩散。内保温复合外墙无论是哪种主体结构都较其内侧的保温结构密实,因此,为了保证保温层在采暖期内不受潮(使其重量湿度增量不超过《民用建筑热工设计规范》的规定值),必须采取有效措施加以解决。在内保温复合外墙的构造中,没有采取在保温层靠近室内一侧加设隔汽层的办法来处理,而是在保温层与主体结构之间设置一个空气间层来解决保温材料受潮问题。这种处理方法的优点是:防潮效果可靠(传统的隔汽层安设中,如果不够严密,会造成水蒸气乘隙而入的后果,于春、夏、秋三季时,由于隔汽层的设置,湿汽反而不易向室内一侧排放),空气间层还可增加一定的热阻,也较设置隔汽层的造价低。这种防潮设计的理论见《外墙内保温复合技术及其热工特性试验研究》(北京市建筑设计研究院)。
1990年4月19日,于三幢住宅建筑中,从内保温复合外墙复合保温板内分别取出三种保温材料进行测湿,结果是:在这种设有空气间层的构造中,投入使用两冬后,其重量湿度增值均未超过《民用建筑热工设计规范》GB50176-93规定的允许增值,可以防止保温层在采暖期内受潮。见表4-1-1。
2.内保温复合外墙构造上的热工要求:内保温复合外墙在构造上不可避免地形成一些热工薄弱的节点,必须加强保温措施。
(1)龙骨部位:龙骨一般设置在板缝处。以石膏板为面层的现场拼装保温板必须采用聚苯石膏板复合保温龙骨。在一个工程内,非保温龙骨与保温龙骨在板缝处的表面温度降低率如表4-1-2所示。
三种保温材料经过采暖期后重量湿度增值 表4-1-1
 
   表面温度降低率表4-1-2
 
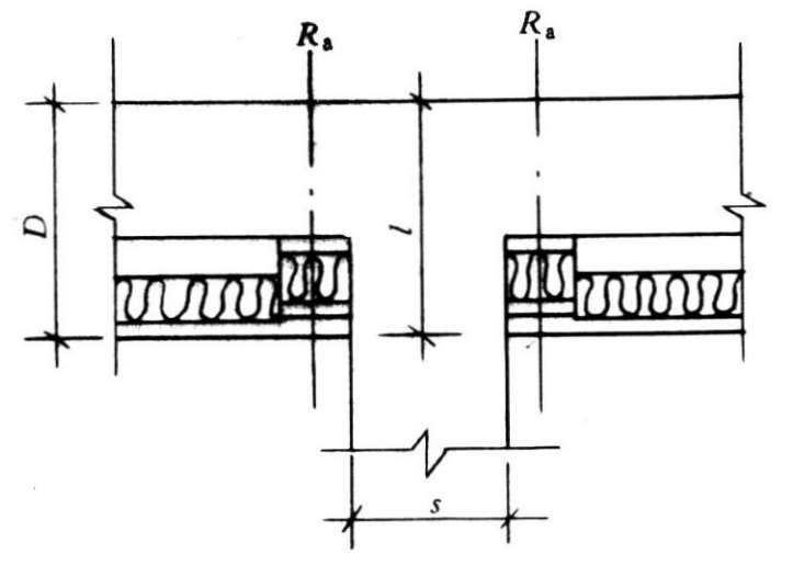
   (2)丁字墙部位:在此处形成的热桥不可避免,但必须采取措施保证此处不结露。解决的办法是保持有足够的热桥长度,并在热桥两侧加强保温。根据图4-1-2和表4-1-3所列,以“R a 和隔墙宽度”“S”来确定必要的热桥长度“l”,如果“l”不能满足表列要求,则应加强此部位的保温做法。
 
    图 4-1-2确定热桥长度示意
在一个工程内,“R a 为1.12m 2 ·K/W,”“S”为250mm,“l”没有达到330mm,丁字角处只有10.15℃(接近室温18℃、相对湿度60%状况的露点温度),降低率为35.4%,从构造上对此处加强保温后,降低率可减少到17.9%(见表4-1-4)。
(3)拐角部位:拐角部位温度与板面温度相比较,其降低率是很大的,加强此处的保温后,降低率减少很多,见表4-1-5。
根据R a 、S选择l值计算 表表4-1-3
 
   加强保温后降低率比较 表4-1-4
 
   拐角加强保温后降低率比较 表4-1-5
 
   (4)踢脚部位:踢脚部位的热工特点与丁字墙部位相似,此部位应设置防水保温踢脚板,见表4-1-6。
设置防水保温踢脚板后降低率比较 表4-1-6
 
   3.内保温复合外墙在工程中应用的效果。
(1)几种内保温复合外墙现场实测热阻及综合热阻R' (墙) 计算值,见表4-1-7。
北京现场实测热阻及综合热阻计算值 表4-1-7
 
   续表4-1-7
 
   (2)几种保温板单位厚度性能及保温板的性能价格见表4-1-8。
几种常采用的内保温板热工性能见表4-1-9~表4-1-15。
几种保温板单位厚度、性能及保温板的性能价格 表4-1-8
 
   1.钢筋泥凝土岩棉复合外墙板:本构造是配合北京市高层大模住宅预制外墙板而设计的。岩棉容重100kg/m 3 ,构件的生产采用整打生产工艺。其构造及热工指标见表4-1-16。
2.薄壁混凝土岩棉复合外墙板:适用于大开间外墙。墙板四周及门窗洞边均设边肋,四周肋有30mm厚岩棉隔开形成内外两层,用钢筋穿过岩棉拉接内外层,以避免热桥。墙板与楼板及横墙(柱)利用伸出板边钢筋连接成整体。其热工指标见表4-1-17。
3.泰柏板(又称三维板)是钢丝网架轻质夹芯的一个品种,由14#钢丝焊成网架,中间以聚苯板夹芯(容重12~16kg/m 3 、自熄性),安装后表面喷涂EC处理剂,内外两侧抹15mm厚1∶3水泥砂浆底灰,随喷一道防裂剂;冲筋找平抹1∶3水泥砂浆面灰,随喷一道防裂剂。泰柏板做承重墙厚度D=110~130mm。其热工指标见表4-1-18。
4.舒乐舍板:此板与泰柏板构造相差不多。其热工指标见表4-1-19。
1.外保温复合外墙的构造:在主体结构的外侧贴以保温层再做饰面层。其构造见图4-1-3。
 
    
    
    
    
    
    
    
    
    
   2.外保温复合外墙的特点。
(1)对主体结构有保护作用,减少热应力的影响;主体结构表面温度差可大幅度地减少,在北京地区可从50℃左右减少到7.5℃左右。见图4-1-4。
 
    图 4-1-3 外保温复合外墙构造
 
    图 4-1-4 温度下降示意
(2)有利于室内水蒸气通过墙体向外散发;可避免水蒸气在墙体内部凝结而使之受潮。见图4-1-5。
(3)有利于防止弱节点产生热桥,见图4-1-6。
 
    图 4-1-5 水蒸气向外散发示意
 
    图 4-1-6 防止弱节点产生热桥示意
(4)便于旧建筑加强保温,可不影响建筑内部活动。
3.几种外保温复合外墙的热工性能。
(1)纤维增强聚苯乙烯外保温复合外墙:主体结构粘贴保温层前先清除主墙面的浮尘,在聚苯板粘接部分先用EC表面处理剂涂敷,然后刮抹EC胶粘剂(一般采用花粘,重要部位可满粘),粘贴后揉挤压实,用EC浸渍剂涂粘一层玻璃丝布(重要部位粘两层玻璃丝布),外抹EC聚合物砂浆两遍,总厚4mm,每12m 2 留伸缝变形装饰缝一道。聚苯板容重用18~20kg/m 3 ,(自熄性)其热工性能见表4-1-20。
 
    
    
    
    
    
   (2)泰柏板(又称三维板)是钢丝网架轻质夹心板的一个品种,由14#钢丝焊成网架,中间夹聚苯乙烯泡沫塑料(容重12~16kg/m 3 ,自熄性),主墙体内预埋φ6连接钢筋(外露部分防锈),与泰柏板穿挂后捆牢。安装后的泰柏板外表喷EC处理剂,抹15mm厚1∶3水泥砂浆底灰,随喷一道防裂剂,冲筋找平抹1∶3水泥砂浆面层,随喷一道防裂剂,其热工性能见表4-1-21。
(3)舒乐舍板外保温复合外墙与泰柏板外保温复合外墙做法相同,其热工性能见表4-1-22 。
(4)加气混凝土外保温复合外墙热工性能见表4-1-23。
(5)水泥聚苯板外保温复合外墙:这种构造做法在工程中采用较多。其热工性能见表4-1-24 。
加气混凝土作为外墙,既可用砌块砌筑,也可用配筋的加气混凝土墙板。其外墙构造的热工指标见表4-1-24。
粘土空心砖外墙的构造及热工性能见表4-1-25。
粘土空心砖外墙构造及热工性能 表4-1-25
 
   1.普通型。热工性能不低于表4-1-26。
普通型热工性能 表4-1-26
 
    注:①表中300mm厚墙为190+20空气层+ 90砌块组合,其中190厚热阻为0.47;90厚热阻为0.17。
②240砌块热阻值如达不到要求时,可在砌块中间的孔洞填塞聚苯。
砌块外墙热工性能见表4-1-27。
砌块外墙热工性能 表表4-1-27
 
    注:外墙总厚度内包括内外抹灰厚度各20。
2.盲孔复合保温型。这种制品是采用炉渣混凝土与高效保温材料聚苯板复合,榫式连接,盲孔处理,以保温层切断热桥,便于砌筑,又避免灰浆入孔,从而使保温性能大幅度提高。此制品抹2cm灰浆,热阻值可达0.81m 2 ·K/W。其构造见图4-1-7。
 
    图 4-1-7 盲孔复合保温型构造示意