



一、牙型
1.基本牙型
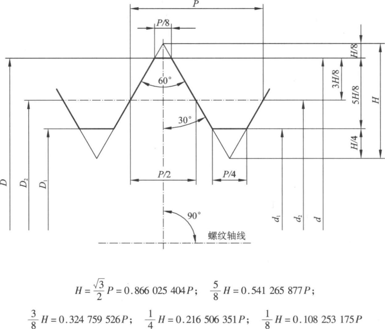
普通螺纹的基本牙型见图 3-1。
 
    图3-1 普通螺纹的基本牙型
2.设计牙型
普通螺纹的外螺纹设计牙型见图 3-2。由图可见,它有别于基本牙型,牙底有圆弧形状要求。内螺纹的设计牙型的牙底没有圆弧形状要求,与其基本牙型相同。
对机械性能高于和等于8.8级的外螺纹件,牙底的圆弧半径 R 不得小于0.125 P 。 R min 值见表 3-1。对机械性能低于 8.8 级者,其牙底形状应尽可能与 8.8 级的一致。
二、直径与螺距系列
1.标准系列
普通螺纹直径与螺距的标准系列见表3-2。表中优先选用第1系列直径,其次选择第2系列直径,最后选择第3系列直径,尽可能地避免选用括号内的螺距。M14×1.25仅用于发动机的火花塞,M35 × 1.5 仅用于轴承的锁紧螺母。
 
    图 3-2 外螺纹的设计牙型
表3-1 普通外螺纹最小牙底圆弧半径
 
   表3-2 普通螺纹标准系列
 
   续表3-2
 
   续表3-2
 
   续表3-2
 
   2.特殊系列
对表 3-2 规定的标准系列直径,如果要用比表 3-2 所规定还要小的特殊螺距,应选择下列特殊螺距:3、2、1.5、1、0.75、0.5、0.35、0.25、0.2mm。对螺距大于和等于0.5mm的特殊螺距螺纹,其所对应的公称直径不宜超出表3-3所限定的最大值。
表3-3 普通螺纹特殊系列的最大公称直径
 
   3.优选系列
普通螺纹直径与螺距的优选系列见表3-4,表中优先选用第1系列的直径。
4.管路系列
普通螺纹的管路系列见表3-5,应优先选用第1系列的直径。
表3-4 普通螺纹的优选系列
 
   表3-5 普通螺纹的管路系列
 
   三、基本尺寸
普通螺纹的基本尺寸见表 3-6。其中:
 
   特殊系列普通螺纹的基本尺寸按上述公式计算。
表3-6 普通螺纹的基本尺寸
 
   续表3-6
 
   续表3-6
 
   续表3-6
 
   续表3-6
 
   四、公差
1.基本偏差
普通螺纹的基本偏差见表 3-7。内、外螺纹的公差带位置见图 3-3 和图 3-4。
表3-7 普通螺纹的基本偏差
 
   续表3-7
 
    
    图 3-3 普通内螺纹的公差带位置
 
    图 3-4 普通外螺纹的公差带位置
2.公差等级
普通螺纹各直径的公差等级见表3-8。普通螺纹顶径公差值见表3-9和表3-10。普通螺纹中径公差值见表 3-11 和表 3-12。
表3-8 普通螺纹的公差等级
 
   表3-9 普通内螺纹小径公差( T D 1 )
 
   表3-10 普通外螺纹大径公差( T d )
 
   表3-11 普通内螺纹中径公差( T D 2 )
 
   续表3-11
 
   表3-12 普通外螺纹中径公差( T d 2 )
 
   续表3-12
 
   3.旋合长度
旋合长度是两个相互配合的螺纹沿螺纹轴线方向相互旋合部分的长度,普通螺纹的旋合长度分为短(S)、中(N)和长(L)三组,见表 3-13。
表3-13 普通螺纹的旋合长度
 
   续表3-13
 
   4.优选公差带
普通螺纹的优选公差带见表3-14。表中优先选用黑字体的公差带,其次选择一般字体的公差带,尽可能不用括号内的公差带。对于大量生产的螺纹紧固件采用带方框的黑字体公差带。
表3-14 普通螺纹优选公差带
 
   5.公差计算式
下列公差计算式仅用于标准公差表中没有提供公差数据的特殊螺纹公差。其中还包含了其他米制紧固螺纹直径公差计算式。
1)基本偏差(上偏差es;下偏差EI、ei)
EI AX = +(220 P -20);
EI AZ = +(300 + 20 P );
EI C = +(125 + 11 P );
EI D = +(80 + 11 P );
EI G = +(15 + 11 P );
EI H = 0;
ei p = +(30 + 22 P );
ei n = +(22.5 + 16.5 P );
ei m = +(15 + 11 P );
ei k = 0;
es h = 0;
es g =-(15 + 11 P );
es f =-(30 + 11 P );( P >0.3mm)
es e =-(50 + 11 P );( P >0.45mm)
es c =-(125 + 11 P );
es az =-(300 + 20 P );
其中:EI、ei和es为 μ m, P 为mm。
2)各直径公差
 
   T D 1 = K (433 P -190 P 1 .22 )(0.2mm≤ P ≤0.8mm)
= K 230 P 0 .7 ( P ≥1mm)
T d 2 = K 90 P 0. 4 d 0 .1 ;
T D 2 = K ' T d 2 (6级)。
其中: T d 、 T D 1 、 T d 2 和 T D 2 为 μ m, P 和 d 为mm;公式中的 d 为各螺纹公称直径分段内首尾两数的几何平均值(直径分段见中径公差表); K 和 K '为公差等级系数,见表 3-15。
表3-15 公差等级系数
 
   3)旋合长度
 
   其中: l N 、 P 和 d 为mm;公式中的 d 为各螺纹公称直径分段(直径分段见中径公差表)内最靠近分段下限,并符合普通螺纹标准系列表所规定的标准公称直径值。
五、标记
1.标记规定
普通螺纹的标记由特征代号、尺寸代号、公差带代号及旋合长度代号和旋向代号组成。
1)特征代号:普通螺纹的特征代号为字母“M”。
2)尺寸代号:普通螺纹的尺寸代号为“公称直径× Ph 导程值 P 螺距值”。单线螺纹其导程值等于螺距值,应省略“ Ph 导程值 P ”部分,即尺寸代号为“公称直径×螺距值”。对单线粗牙普通螺纹可以省略螺距值。对多线螺纹,可在尺寸代号后加括号,用英文说明线数。
3)公差带代号:普通螺纹的公差带代号为中径公差带代号和顶径公差带代号。中径公差带代号在前,顶径公差带代号在后。内螺纹用大写字母,外螺纹用小写字母。如果中径公差带代号与顶径公差带代号相同,则只标中径公差带代号。
大量生产的紧固件螺纹(中等精度和中等旋合长度的6H、6g)不标注其公差带代号。
表示螺纹配合,内螺纹公差带代号在前,外螺纹公差带代号在后,中间用斜线分开,尺寸代号与公差带代号间用短横线“-”分开。
4)旋合长度代号和旋向代号:旋合长度代号标在公差带代号之后,中间用短横线“-”分开。对短旋合长度组和长旋合长度组分别标“S”和“L”,中等旋合长度组不标。旋向代号标在旋合长度之后,中间用短横线“-”分开,对左旋螺纹标“LH”,右旋螺纹不标。
2.标记示例
1)特征代号和尺寸代号的标注:
公称直径为8mm、螺距为1mm的单线细牙螺纹:M8×1;
公称直径为8mm、螺距为1.25mm的单线粗牙螺纹:M8;
公称直径为 16mm、螺距为 1.5mm、导程为 3mm的双线螺纹:M16 × Ph 3 P 1.5 或M16 × Ph 3 P 1.5(two starts)。
2)特征代号、尺寸代号和公差带代号的标注:
中径公差带为5g、顶径公差带为6g的外螺纹:M10×1-5g6g;
中径公差带和顶径公差带为6g的粗牙外螺纹:M10-6g;
中径公差带为 5H、顶径公差带为 6H的内螺纹:M10× 1-5H6H;
中径公差带和顶径公差带为 6H的粗牙内螺纹:M10-6H;
中径公差带和顶径公差带为6g、中等公差精度和中等旋合长度的粗牙外螺纹:M10;
中径公差带和顶径公差带为6H、中等公差精度和中等旋合长度的粗牙内螺纹:M10;
公差带为6H的内螺纹与公差带为5g6g的外螺纹组成配合:M20×2-6H/5g6g;
公差带为6H的内螺纹与公差带为6g的外螺纹组成配合(中等精度和中等旋合长度、粗牙):M6。
3)特征代号、尺寸代号、公差带代号和旋合长度代号的标注:
短旋合长度的内螺纹:M20×2-5H-S;
长旋合长度的内、外螺纹:M6-7H/7g6g-L;
中等旋合长度的外螺纹(粗牙、中等精度的6g公差带):M6。
4)特征代号、尺寸代号、公差带代号、旋合长度代号和旋向代号的标注(完整标记):
左旋螺纹:M8×1-LH(公差带代号和旋合长度代号被省略);
 
   右旋螺纹:M6(螺距、公差带代号、旋合长度代号和旋向代号被省略)。
六、极限尺寸
普通螺纹公称直径1~64mm(不包括第3系列直径),公差带为4H、5H、6H、4h、6h和6g的极限尺寸分别见表 3-16~表 3-21。
表3-16 4H普通螺纹的极限尺寸
 
   续表3-16
 
   续表3-16
 
   续表3-16
 
   表3-17 5H普通螺纹的极限尺寸
 
   续表3-17
 
   续表3-17
 
   续表3-17
 
   表3-18 6H普通螺纹的极限尺寸
 
   续表3-18
 
   续表3-18
 
   续表3-18
 
   表3-19 4h普通螺纹的极限尺寸
 
   续表3-19
 
   续表3-19
 
   续表3-19
 
   表3-20 6h普通螺纹的极限尺寸
 
   续表3-20
 
   续表3-20
 
   续表3-20
 
   表3-21 6g普通螺纹的极限尺寸
 
   续表3-21
 
   续表3-21
