购买
下载掌阅APP,畅读海量书库
立即打开
畅读海量书库
扫码下载掌阅APP

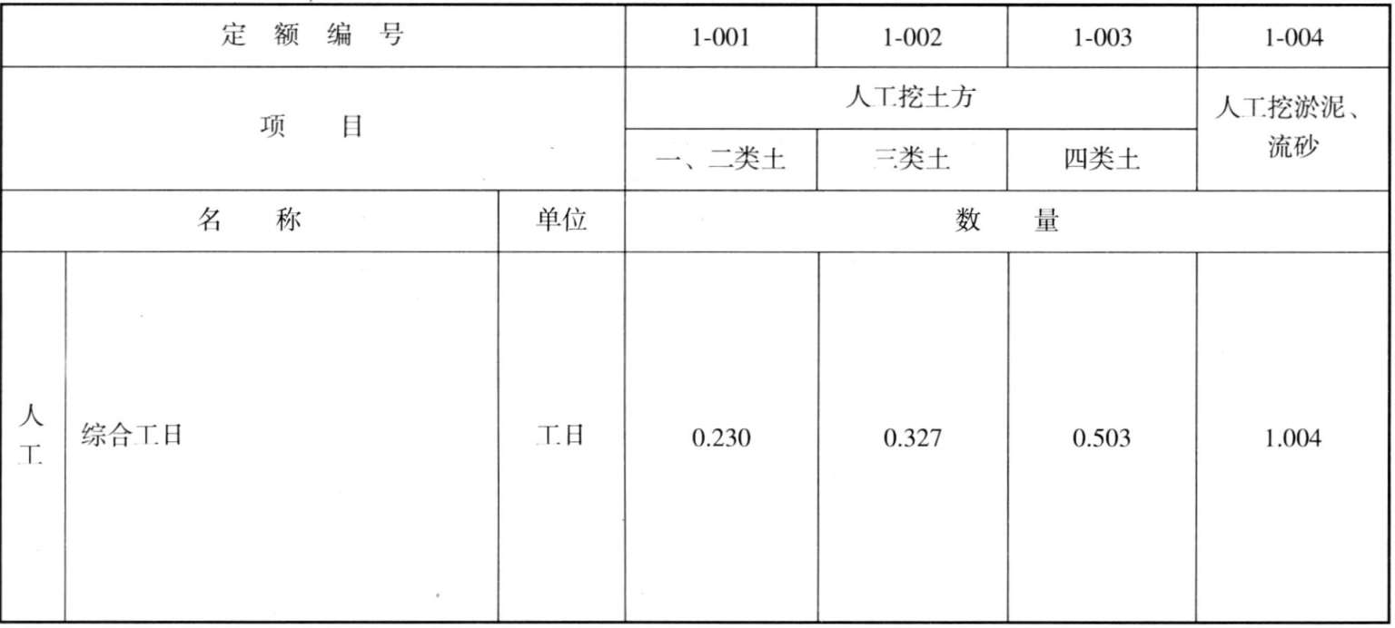
1.1 明挖土石方

1.1.1 人工挖土方、淤泥、流砂

工作内容: 1.挖土方:挖土、抛土、修整底边、边坡。

2.挖淤泥、流砂:挖淤泥、流砂,装、卸淤泥、流砂。

计量单位:m 3

1.1.2 人工挖沟槽

工作内容: 挖土、装土或槽边堆放,修整底边、边坡。

计量单位:m 3

1.1.3 人工挖基坑

工作内容: 挖土、装土或槽边堆放,修整底边、边坡。

计量单位:m 3

1.1.4 机械挖土方

工作内容: 挖土、淤泥、流砂,堆放,清理机下余土,清理边坡。

计量单位:1000m 3

1.1.5 人工凿石方

工作内容: 凿石,基底检平,修理边坡,清理表面,装车或槽边堆放。

计量单位:m 3

1.1.6 机械破碎岩石

工作内容: 机械破碎石方,打碎,碎石清理、堆积。

计量单位:m 3

1.1.7 静力爆破岩石

工作内容: 布孔,钻孔,验孔,装膨胀剂,填塞,风镐二次破碎、撬移。

计量单位:m 3

1.1.8 微差控制爆破岩石

工作内容: 布孔,钻孔,验孔,改装药包,装药,堵塞,连线,覆盖,警戒,起爆,检查处理盲炮,撬开及破碎不规则的石块。

计量单位:m 3

续前 LDhvtkUUWZMi/ImmnX1+wnIMb8eBcHPAdre1n8Tsn68WmJTyFO9fatqnulBdei6R

点击中间区域
呼出菜单
上一章
目录
下一章
×